система кондиционирования
^ Электросхема системы кондиционирования
^ Manual A/C Circuit
Антиблокировочная система ABS ESP
^ Электросхема антиблокировочной системы ABS ESPt
ANTI-THEFT
^ Электросхема противоугонной системы (1 из 2)
^ Электросхема противоугонной системы (2 из 2)
Системы комфорта
^ Системы комфорта Circuit, Body Control Module
^ Системы комфорта Circuit, Front Control Module
Сеть данный CAN
^ Сеть данный CAN Circuit
Система охлаждения двигателя
^ Электросхема системы охлаждения двигателя
Система круиз контроля
^ Электросхема системы круиз контроля
DEFOGGERS
^ Defoggers Circuit
Системы управления двигателем
3.3L
^ 3.3L, Электросхема системы управления двигателем (1 из 3)
^ 3.3L, Электросхема системы управления двигателем (2 из 3)
^ 3.3L, Электросхема системы управления двигателем (3 из 3)
3.3L FLEX FUEL
^ 3.3L Flex Fuel, Электросхема системы управления двигателем (1 из 3)
^ 3.3L Flex Fuel, Электросхема системы управления двигателем (2 из 3)
^ 3.3L Flex Fuel, Электросхема системы управления двигателем (3 из 3)
3.8L
^ 3.8L, Электросхема системы управления двигателем (1 из 3)
^ 3.8L, Электросхема системы управления двигателем (2 из 3)
^ 3.8L, Электросхема системы управления двигателем (3 из 3)
Внешнее освещение
^ Backup Lamps Circuit
^ Электросхема внешнего освещения, фар (1 из 2)
^ Электросхема внешнего освещения, фар (2 из 2)
^ Электросхема подключений масс (1 из 3)
^ Электросхема подключений масс (2 из 3)
^ Электросхема подключений масс (3 из 3)
Ближний и дальний свет
^ Электросхема ближнего и дальнего света
HORN
^ Электросхема звукового сигнала
Приборная панель
^ Электросхема приборной панели (1 из 2)
^ Электросхема приборной панели (2 из 2)
^ Overhead Console Circuit
Внутренне освещение
^ Внутренне освещение Circuit (1 из 2)
^ Внутренне освещение Circuit (2 из 2)
MEMORY SYSTEMS
^ Memory Mirrors Circuit
^ Memory Seat Circuit
Система распределения питания 12V
^ Система распределения питания 12V Circuit (1 из 3)
^ Система распределения питания 12V Circuit (2 из 3)
^ Система распределения питания 12V Circuit (3 из 3)
Центральный замок
^ Электросхема центрального замка (1 из 2)
^ Электросхема центрального замка (2 из 2)
Системы зеркал заднего вида
^ Automatic Day/Night Mirror Circuit
^ Электросхема привода зеркал заднего вида, подогрева
Системы сидений
^ Adjustable Pedal Circuit
^ Heated Seats Circuit
^ Электросхема привода сиденийt
POWER TOP/SUNROиз
^ Power Top/Электросхема люка
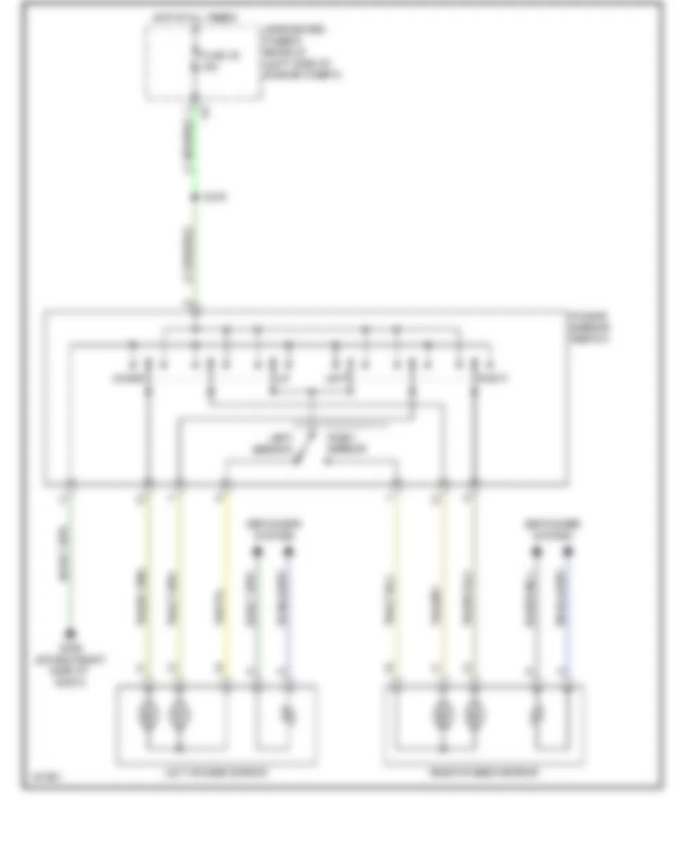
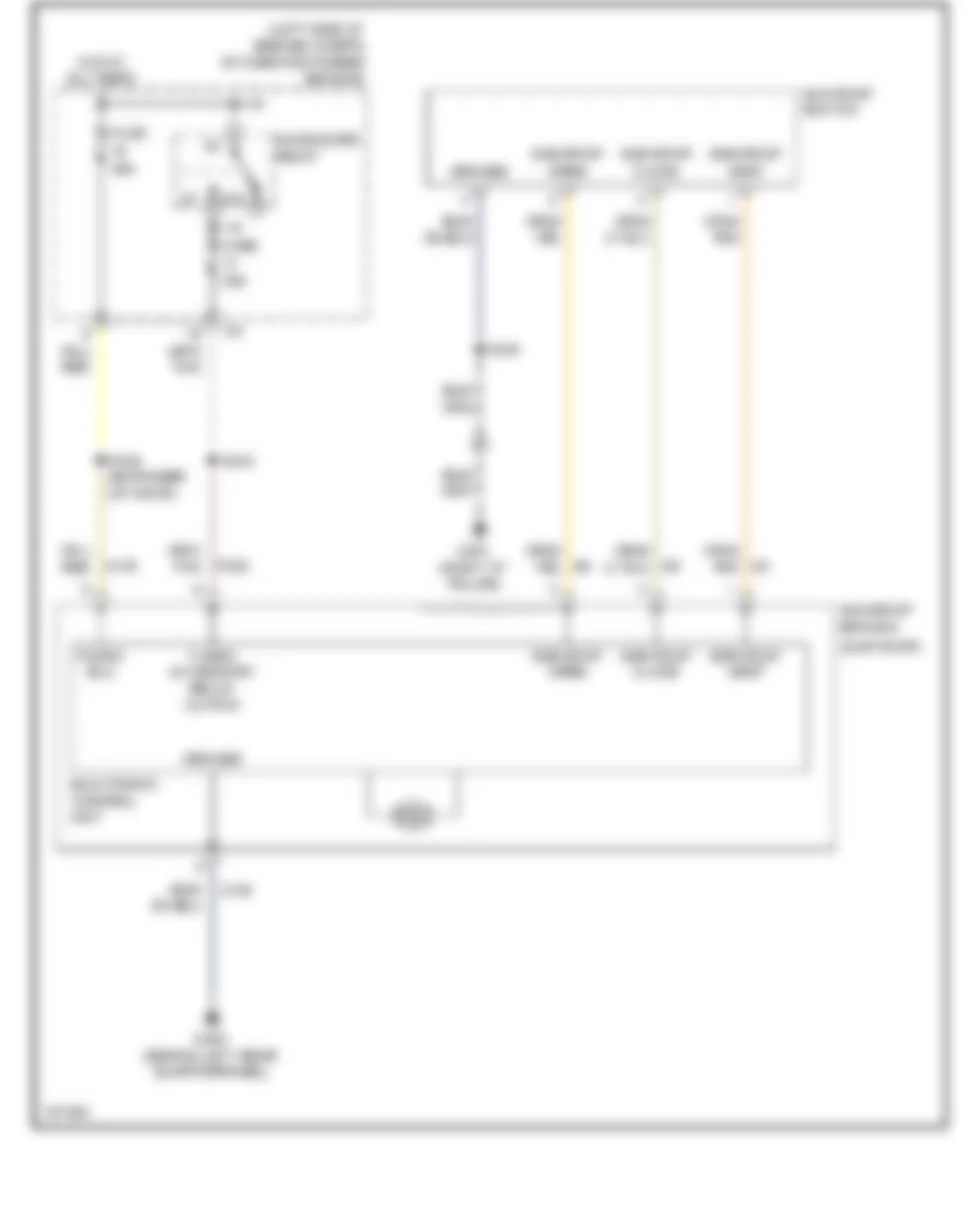
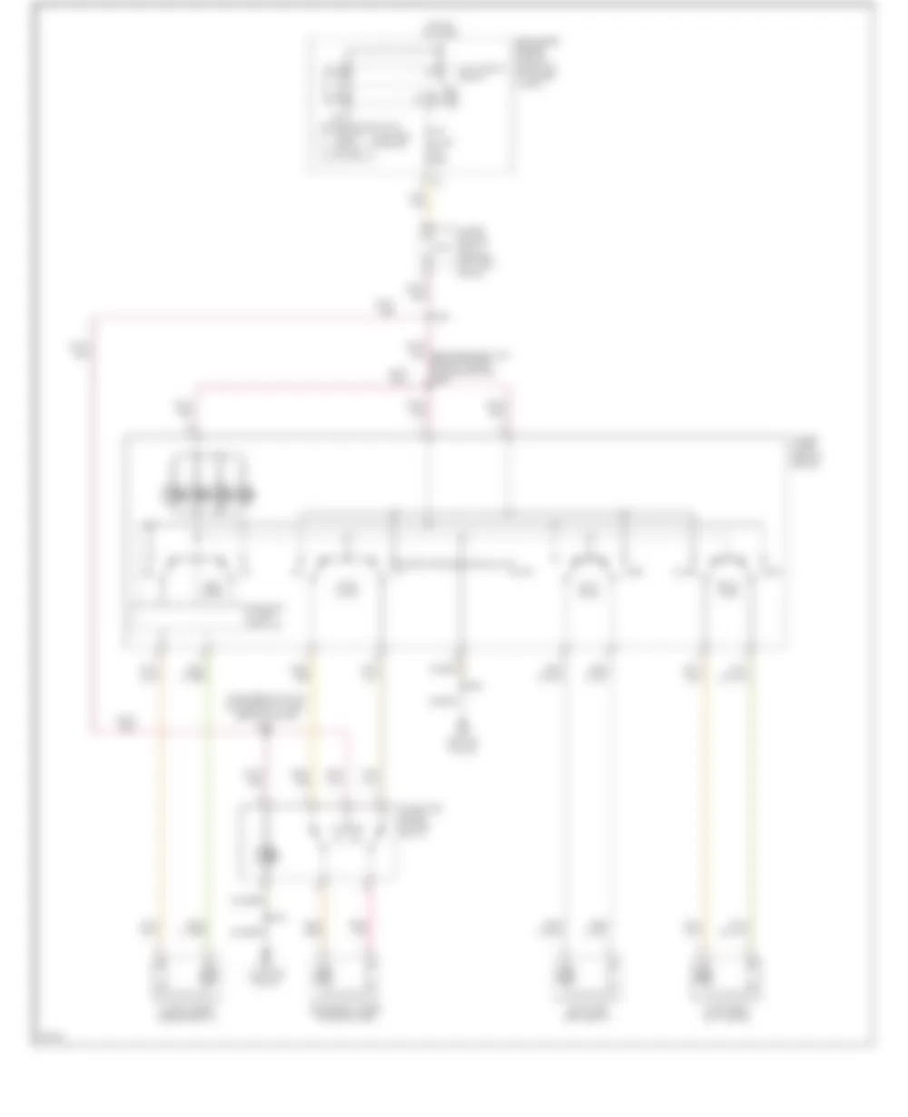
СТЕКЛОПОДЪЕМНИКИ
^ Электросхема стеклоподъемников, Base
^ Электросхема стеклоподъемников, Highline
^ DVD Player Circuit
^ Электросхема магнитолы, Base
^ Электросхема магнитолы, Premium
Система блокировки селектора АКПП
^ Электросхема блокировки селектора АКПП
Системы запуска и зарадки двигателя
^ Электросхема генератора
^ Электросхема стартера
Подушки безопасности
^ Электросхема подушек безопасности
Трансмиссия
3.3L
^ 3.3L, Электросхема АКПП (1 из 2)
^ 3.3L, Электросхема АКПП (2 из 2)
3.3L FLEX FUEL
^ 3.3L Flex Fuel, Электросхема АКПП (1 из 2)
^ 3.3L Flex Fuel, Электросхема АКПП (2 из 2)
3.8L
^ 3.8L, Электросхема АКПП (1 из 2)
^ 3.8L, Электросхема АКПП (2 из 2)
Багажник, крышка бензобака
^ Power Liftgate Circuit (1 из 2)
^ Power Liftgate Circuit (2 из 2)
^ Power Sliding Door Circuit (1 из 3)
^ Power Sliding Door Circuit (2 из 3)
^ Power Sliding Door Circuit (3 из 3)
WARNING SYSTEMS
^ Warning Systems Circuit
Дворники, омыватель стекла
^ Электросхема привода дворников, омывателя стекла



































































