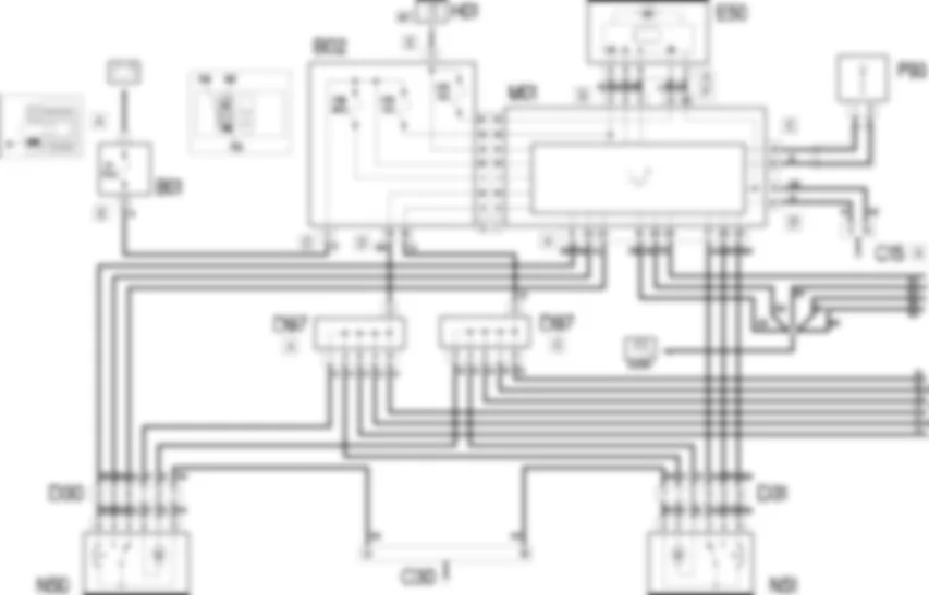
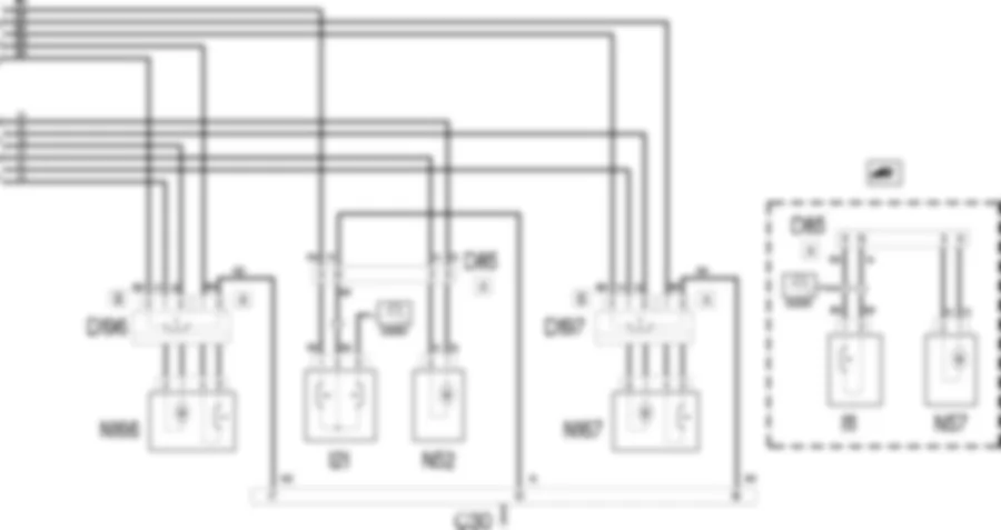
Wiring diagram - CENTRAL LOCKING - Fiat DOBLO 1.9 JTD 8V da 12/03
COMPONENTS - CENTRAL LOCKING - Fiat DOBLO 1.9 JTD 8V da 12/03
| Component code | Name | Assembly reference |
| B1 | Engine compartment junction unit | - |
| B1 | Engine compartment junction unit | |
| B1 | Engine compartment junction unit | |
| B2 | Junction unit under dashboard | - |
| B2 | Junction unit under dashboard | |
| C15 | Facia earth, driver''s side | - |
| C30 | Left rear earth | - |
| D196 | Right sliding side door coupling | - |
| D197 | Right sliding side door coupling | - |
| D30 | Front left door connection | - |
| D31 | Front right door connection | - |
| D35 | Rear left door connection | - |
| D36 | Rear right door connection | - |
| D85 | Tailgate rear seal/ | - |
| D85 | Tailgate/ rear coupling | - |
| D97 | Short circuiting coupling | - |
| I11 | Boot opening switch | - |
| I11 | Boot opening switch | |
| I21 | Switch on rear door | |
| M1 | Body computer | - |
| M1 | Body computer | |
| N166 | left sliding side door lock geared motor | - |
| N167 | Right sliding side door lock geared motor | - |
| N50 | Left front door lock geared motor | |
| N51 | Right front door lock geared motor | |
| N52 | Rear door lock geared motor | |
| N55 | Left rear door lock geared motor | |
| N56 | Right rear door lock geared motor | |
| N57 | Boot lock gearmotor | - |
| P93 | Aerial for alarm and central locking receiver | - |
Location of components - CENTRAL LOCKING - Fiat DOBLO 1.9 JTD 8V da 12/03
COMPONENTS - CENTRAL LOCKING - Fiat DOBLO 1.9 JTD 8V da 12/03
| Component code | Name | Assembly reference |
| B1 | Engine compartment junction unit | - |
| B1 | Engine compartment junction unit | |
| B1 | Engine compartment junction unit | |
| B2 | Junction unit under dashboard | - |
| B2 | Junction unit under dashboard | |
| C15 | Facia earth, driver''s side | - |
| C30 | Left rear earth | - |
| D196 | Right sliding side door coupling | - |
| D197 | Right sliding side door coupling | - |
| D30 | Front left door connection | - |
| D31 | Front right door connection | - |
| D35 | Rear left door connection | - |
| D36 | Rear right door connection | - |
| D85 | Tailgate rear seal/ | - |
| D85 | Tailgate/ rear coupling | - |
| D97 | Short circuiting coupling | - |
| I11 | Boot opening switch | - |
| I11 | Boot opening switch | |
| I21 | Switch on rear door | |
| M1 | Body computer | - |
| M1 | Body computer | |
| N166 | left sliding side door lock geared motor | - |
| N167 | Right sliding side door lock geared motor | - |
| N50 | Left front door lock geared motor | |
| N51 | Right front door lock geared motor | |
| N52 | Rear door lock geared motor | |
| N55 | Left rear door lock geared motor | |
| N56 | Right rear door lock geared motor | |
| N57 | Boot lock gearmotor | - |
| P93 | Aerial for alarm and central locking receiver | - |
Description - CENTRAL LOCKING - Fiat DOBLO 1.9 JTD 8V da 12/03
Functional description - CENTRAL LOCKING - Fiat DOBLO 1.9 JTD 8V da 12/03
The boody computer M01 receives the control signals from the front door locks, at pins 24 and 34 (unlock/lock) for the left front door geared motor N50 and at pins 17 and 35 (unlock/lock) for the right front door geared motor N51 .In addition, the operation of the central locking can be activated using the remote control via the aerial P93 connected to pins 21 and 31 of connector C of the body computer.


































































