СИСТЕМА КОНДИЦИОНИРОВАНИЯ ВОЗДУХА
↑ Электросхема подогрева
↑ Электросхема кондиционера с ручным управлением
ТОРМОЗНАЯ СИСТЕМА ABS ESP
↑ Электросхема тормозной системы ABS (ESP)
ПРОТИВОУГОННАЯ СИСТЕМА
↑ Электросхема системы иммобилайзера
↑ Электросхема пассивной противоугонной системы
БЛОКИ УПРАВЛЕНИЕМ КУЗОВА
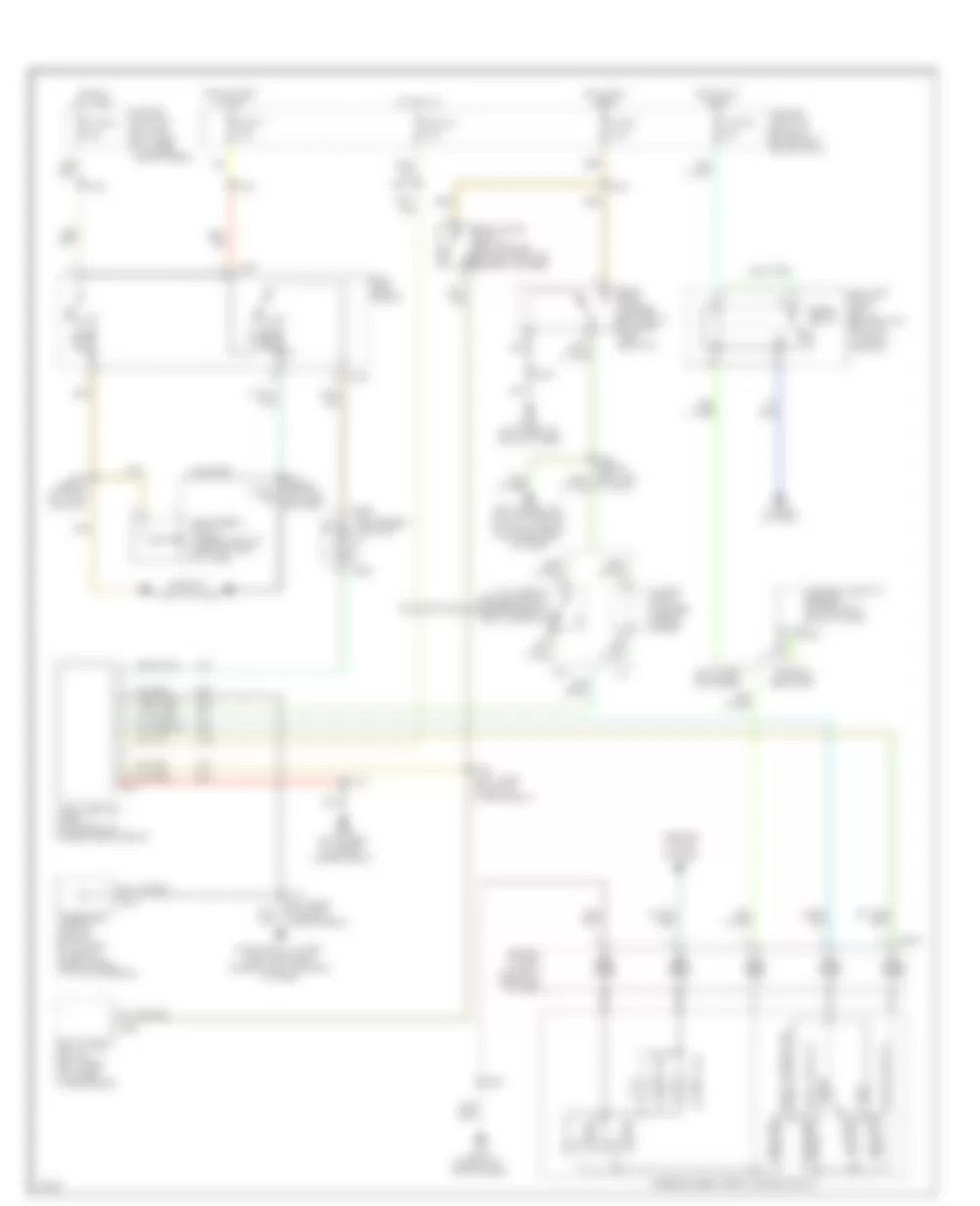
↑ Электросхема блока управлением кузова (1 из 2)
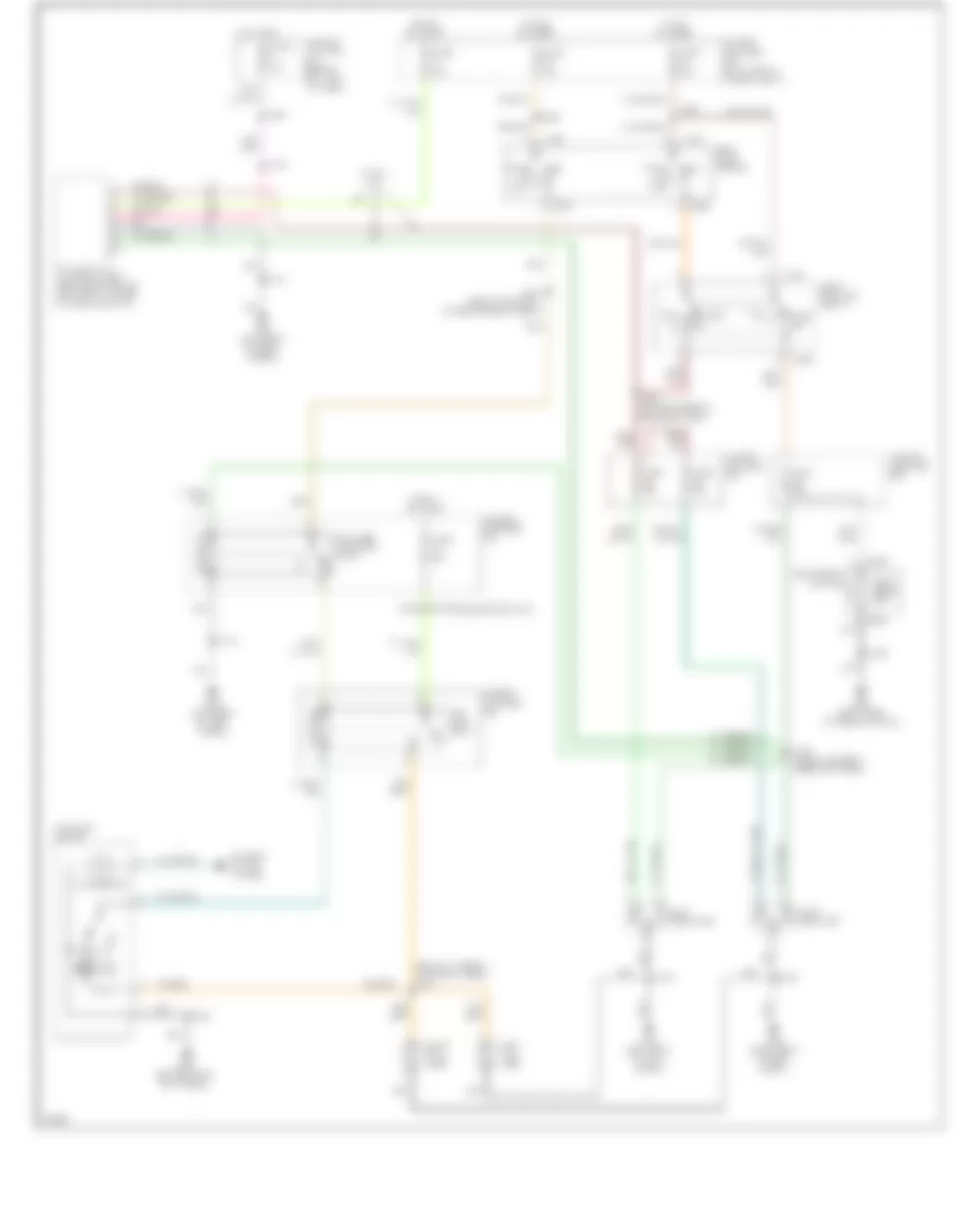
↑ Электросхема блока управлением кузова (2 из 2)
СИСТЕМА ПЕРЕДАЧИ ДАННЫХ CAN
↑ Электросхема системы передачи данных CAN
СИСТЕМА ОХЛАЖДЕНИЯ
2.3L
↑ 2.3L, Электросхема системы охлаждения
СИСТЕМА КРУИЗ-КОНТРОЛЯ
↑ Электросхема системы круиз-контроля
СИСТЕМА ВПРЫСКА, СИСТЕМА УПРАВЛЕНИЕМ ДВИГАТЕЛЯ
2.3L
↑ 2.3L, Электросхема системы впрыска, системы управлением двигателя (1 из 4)
↑ 2.3L, Электросхема системы впрыска, системы управлением двигателя (2 из 4)
↑ 2.3L, Электросхема системы впрыска, системы управлением двигателя (3 из 4)
↑ 2.3L, Электросхема системы впрыска, системы управлением двигателя (4 из 4)
3.0L
↑ 3.0L, Электросхема системы впрыска, системы управлением двигателя (1 из 4)
↑ 3.0L, Электросхема системы впрыска, системы управлением двигателя (2 из 4)
↑ 3.0L, Электросхема системы впрыска, системы управлением двигателя (3 из 4)
↑ 3.0L, Электросхема системы впрыска, системы управлением двигателя (4 из 4)
4.0L
↑ 4.0L, Электросхема системы впрыска, системы управлением двигателя (1 из 4)
↑ 4.0L, Электросхема системы впрыска, системы управлением двигателя (2 из 4)
↑ 4.0L, Электросхема системы впрыска, системы управлением двигателя (3 из 4)
↑ 4.0L, Электросхема системы впрыска, системы управлением двигателя (4 из 4)
СИСТЕМА ВНЕШНЕГО ОСВЕЩЕНИЯ
↑ Электросхема лампы заднего хода
↑ Электросхема внешнего освещения (1 из 2)
↑ Электросхема внешнего освещения (2 из 2)
↑ Электросхема освещения прицепа
СИСТЕМА ПОДКЛЮЧЕНИЯ МАСС (РАСПРЕДЕЛЕНИЕ ЗАЗЕМЛЕНИЯ)
↑ Электросхема подключения масс (распределение заземления) (1 из 2)
↑ Электросхема подключения масс (распределение заземления) (2 из 2)
СИСТЕМЫ ГОЛОВНОГО ОСВЕЩЕНИЯ
↑ Headlight Circuit
СИСТЕМА ЗВУКОВОГО СИГНАЛА (ГУДОК)
↑ СИСТЕМА ЗВУКОВОГО СИГНАЛА (ГУДОК) Circuit, с Power Equipment
↑ СИСТЕМА ЗВУКОВОГО СИГНАЛА (ГУДОК) Circuit, без Power Equipment
ПРИБОРНАЯ ПАНЕЛЬ
↑ Электросхема приборной панели
СИСТЕМА ВНУТРЕННЕГО ОСВЕЩЕНИЯ
↑ Электросхема подсветки
↑ Электросхема подсветки кнопок, приборной панели
БЛОК ПРЕДОХРАНИТЕЛЕЙ
↑ Электросхема блока предохранителей (1 из 3)
↑ Электросхема блока предохранителей (2 из 3)
↑ Электросхема блока предохранителей (3 из 3)
СИСТЕМА ЦЕНТРАЛЬНОГО ЗАМКА
↑ Power Door Lock Circuit
ПРИВОД ЗЕРКАЛ ЗАДНЕГО ВИДА
↑ Электросхема привода зеркал заднего вида
СИСТЕМА СТЕКЛОПОДЪЕМНИКОВ
↑ Power Window Circuit
АУДИОСИСТЕМА
↑ АУДИОСИСТЕМА Circuits
СИСТЕМА БЛОКИРОВКИ СЕЛЕКТОРА ПЕРЕДАЧS
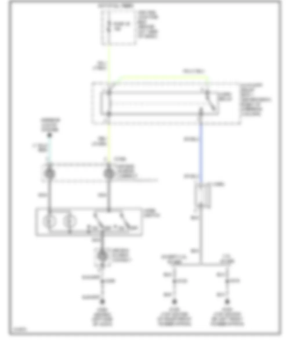
↑ Электросхема блокировки селектора передач
СИСТЕМА СТАРТЕРА / ГЕНЕРАТОРА
↑ Электросхема генератора
↑ Электросхема стартера
СИСТЕМА ПОДУШЕК БЕЗОПАСНОСТИ SRS (AIR BAG)
↑ Supplemental Restraint Circuit
СИСТЕМА АКПП, ТРАНСМИССИЯ
2.3L
↑ 2.3L, Электросхема автоматической коробки передач АКПП
↑ Электросхема полного привода
3.0L
↑ 3.0L, Электросхема автоматической коробки передач АКПП
↑ Электросхема полного привода
4.0L
↑ 4.0L, Электросхема автоматической коробки передач АКПП
↑ Электросхема полного привода
ПРЕДУПРЕЖДАЮЩИЕ СИСТЕМЫ / ИНДИКАТОРЫ / ЗВУКОВЫЕ СИГНАЛЫ
↑ Warning System Circuits
СИСТЕМА СТЕКЛООЧИСТИТЕЛЕЙ / ОМЫВАТЕЛЕЙ
↑ СИСТЕМА СТЕКЛООЧИСТИТЕЛЕЙ / ОМЫВАТЕЛЕЙ Circuit





















































