AUTOMOTIVE ELECTRICIANS

Электросхемы автомобиля 1999 Ford RV Cutaway E350 Super Duty

Электросхемы автомобиля 1999 Ford RV Cutaway E350 Super Duty Download PDF file
СИСТЕМА КОНДИЦИОНИРОВАНИЯ ВОЗДУХА
Электросхема подогрева
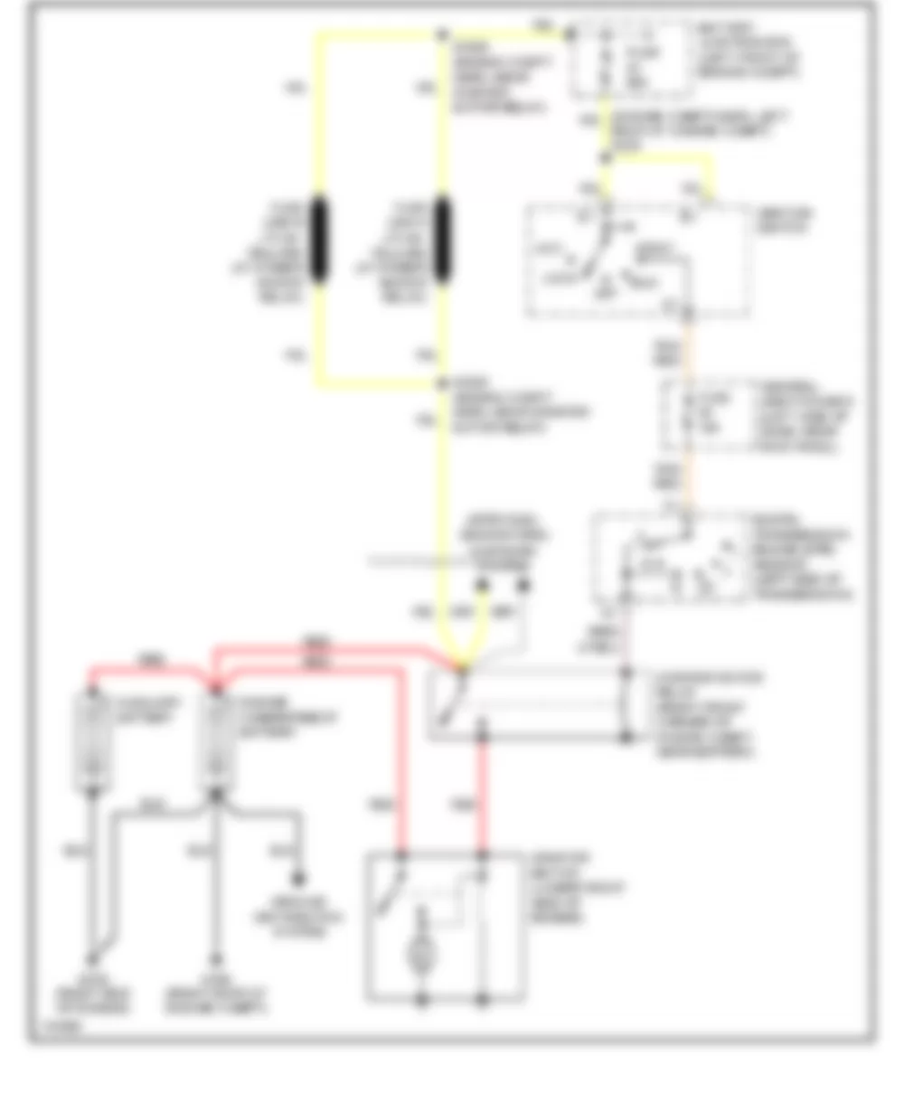
Электросхема кондиционера с ручным управлением (1 из 2)
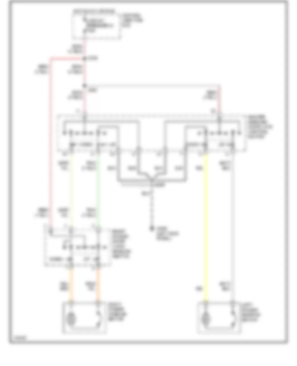
Электросхема кондиционера с ручным управлением (2 из 2)
ТОРМОЗНАЯ СИСТЕМА ABS ESP
All-Wheel ABS Circuit
Rear Wheel ABS Circuit
СИСТЕМА ПЕРЕДАЧИ ДАННЫХ CAN
Электросхема системы передачи данных CAN Circuit
СИСТЕМА КРУИЗ-КОНТРОЛЯ
5.4L
5.4L, Электросхема системы круиз-контроля
5.4L CNG
5.4L CNG, Cruise Control Circuit
6.8L
6.8L, Электросхема системы круиз-контроля
7.3L DI TURBO DIESEL
7.3L DI Turbo Diesel, Cruise Control Circuit
СИСТЕМА ВПРЫСКА, СИСТЕМА УПРАВЛЕНИЕМ ДВИГАТЕЛЯ
6.8L
6.8L, Электросхема системы впрыска, системы управлением двигателя (1 из 4)
6.8L, Электросхема системы впрыска, системы управлением двигателя (2 из 4)
6.8L, Электросхема системы впрыска, системы управлением двигателя (3 из 4)
6.8L, Электросхема системы впрыска, системы управлением двигателя (4 из 4)
7.3L DI TURBO DIESEL
7.3L DI Turbo Diesel, Engine Performance Circuit, Except California (1 из 3)
7.3L DI Turbo Diesel, Engine Performance Circuit, Except California (2 из 3)
7.3L DI Turbo Diesel, Engine Performance Circuit, Except California (3 из 3)
СИСТЕМА ВНЕШНЕГО ОСВЕЩЕНИЯ
Электросхема лампы заднего хода
Электросхема внешнего освещения
Trailer/Camper Adapter Circuit
СИСТЕМА ПОДКЛЮЧЕНИЯ МАСС (РАСПРЕДЕЛЕНИЕ ЗАЗЕМЛЕНИЯ)
Электросхема подключения масс (распределение заземления) (1 из 4)
Электросхема подключения масс (распределение заземления) (2 из 4)
Электросхема подключения масс (распределение заземления) (3 из 4)
Электросхема подключения масс (распределение заземления) (4 из 4)
СИСТЕМЫ ГОЛОВНОГО ОСВЕЩЕНИЯ
Элекстросхема ближнего и дальнего света, с DRL
Элекстросхема ближнего и дальнего света, без DRL
СИСТЕМА ЗВУКОВОГО СИГНАЛА (ГУДОК)
Электросхема звукового сигнала (гудка)
ПРИБОРНАЯ ПАНЕЛЬ
Электросхема приборной панели
СИСТЕМА ВНУТРЕННЕГО ОСВЕЩЕНИЯ
Электросхема подсветки (1 из 3)
Электросхема подсветки (2 из 3)
Электросхема подсветки (3 из 3)
Электросхема подсветки кнопок, приборной панели
БЛОК ПРЕДОХРАНИТЕЛЕЙ
Электросхема блока предохранителей (1 из 5)
Электросхема блока предохранителей (2 из 5)
Электросхема блока предохранителей (3 из 5)
Электросхема блока предохранителей (4 из 5)
Электросхема блока предохранителей (5 из 5)
СИСТЕМА ЦЕНТРАЛЬНОГО ЗАМКА
Door Lock Circuit, с Memory Lock
Door Lock Circuit, без Memory Lock
Keyless Entry Circuit
ПРИВОД ЗЕРКАЛ ЗАДНЕГО ВИДА
Электросхема привода зеркал заднего вида
СИСТЕМЫ СИДЕНИЙ
Элекстросхема привода сидений
СИСТЕМА СТЕКЛОПОДЪЕМНИКОВ
Электросхема стеклоподъемников
АУДИОСИСТЕМА
АУДИОСИСТЕМА Circuit
СИСТЕМА БЛОКИРОВКИ СЕЛЕКТОРА ПЕРЕДАЧ
Электросхема блокировки селектора передач
СИСТЕМА СТАРТЕРА / ГЕНЕРАТОРА
5.4L
5.4L, Charging Circuit, без Dual Generators
5.4L, Электросхема стартера
5.4L CNG
5.4L CNG, Charging Circuit, без Dual Generators
5.4L CNG, Starting Circuit
6.8L
6.8L, Charging Circuit, без Dual Generators
6.8L, Электросхема стартера
7.3L DIESEL
7.3L Diesel, Charging Circuit, с Dual Generators
7.3L Diesel, Charging Circuit, без Dual Generators
7.3L Diesel, Электросхема стартера
СИСТЕМА ПОДУШЕК БЕЗОПАСНОСТИ SRS (AIR BAG)
Электросхема подушек безопасности SRS (AIR BAG)
СИСТЕМА АКПП, ТРАНСМИССИЯ
6.8L
6.8L, A/T Circuit, 4R100
7.3L DI TURBO DIESEL
7.3L DI Turbo Diesel, A/T Circuit, 4R100
ПРЕДУПРЕЖДАЮЩИЕ СИСТЕМЫ / ИНДИКАТОРЫ / ЗВУКОВЫЕ СИГНАЛЫ
Электросхема предупреждающих систем
СИСТЕМА СТЕКЛООЧИСТИТЕЛЕЙ / ОМЫВАТЕЛЕЙ
СИСТЕМА СТЕКЛООЧИСТИТЕЛЕЙ / ОМЫВАТЕЛЕЙ Circuit
Can't find your car? Check -> DiagnostData.com!