AUTOMOTIVE ELECTRICIANS

2009 Mitsubishi Eclipse GT

2009 Mitsubishi Eclipse GT
СИСТЕМА КОНДИЦИОНИРОВАНИЯ ВОЗДУХА
Электросхема кондиционера с автоматическим управлением (1 из 2)
Электросхема кондиционера с автоматическим управлением (2 из 2)
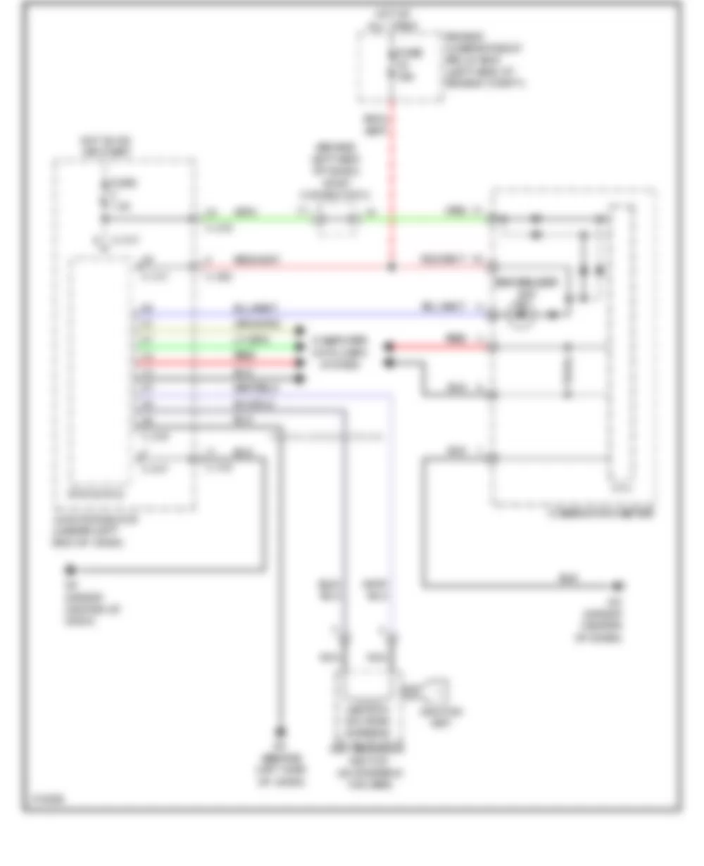
Электросхема кондиционера с ручным управлением (1 из 2)
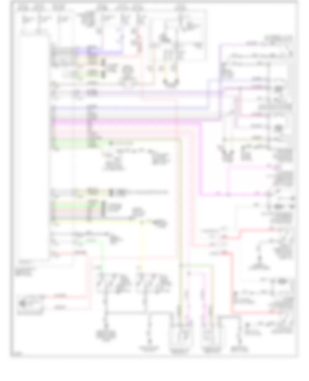
Электросхема кондиционера с ручным управлением (2 из 2)
ТОРМОЗНАЯ СИСТЕМА ABS ESP
Anti-Lock Brakes Circuit
Traction Control Circuit, с Active Skid Control
Traction Control Circuit, без Active Skid Control
ПРОТИВОУГОННАЯ СИСТЕМА
Электросхема системы иммобилайзера
Immobilizer Circuit
БЛОКИ УПРАВЛЕНИЕМ КУЗОВА
Электросхема блока управлением кузова
СИСТЕМА ПЕРЕДАЧИ ДАННЫХ CAN
Электросхема системы передачи данных CAN Circuit
СИСТЕМА ОХЛАЖДЕНИЯ
Электросхема системы охлаждения
СИСТЕМА КРУИЗ-КОНТРОЛЯ
Cruise Control Circuit, A/T
Cruise Control Circuit, M/T
СИСТЕМЫ ПОДОГРЕВА
Электросхема подогрева
СИСТЕМА ВПРЫСКА, СИСТЕМА УПРАВЛЕНИЕМ ДВИГАТЕЛЯ
2.4L
2.4L, Engine Performance Circuit, A/T (1 из 5)
2.4L, Engine Performance Circuit, A/T (2 из 5)
2.4L, Engine Performance Circuit, A/T (3 из 5)
2.4L, Engine Performance Circuit, A/T (4 из 5)
2.4L, Engine Performance Circuit, A/T (5 из 5)
2.4L, Engine Performance Circuit, M/T (1 из 4)
2.4L, Engine Performance Circuit, M/T (2 из 4)
2.4L, Engine Performance Circuit, M/T (3 из 4)
2.4L, Engine Performance Circuit, M/T (4 из 4)
3.8L
3.8L, Engine Performance Circuit, A/T (1 из 5)
3.8L, Engine Performance Circuit, A/T (2 из 5)
3.8L, Engine Performance Circuit, A/T (3 из 5)
3.8L, Engine Performance Circuit, A/T (4 из 5)
3.8L, Engine Performance Circuit, A/T (5 из 5)
3.8L, Engine Performance Circuit, M/T (1 из 4)
3.8L, Engine Performance Circuit, M/T (2 из 4)
3.8L, Engine Performance Circuit, M/T (3 из 4)
3.8L, Engine Performance Circuit, M/T (4 из 4)
СИСТЕМА ВНЕШНЕГО ОСВЕЩЕНИЯ
Backup Lamps Circuit
Электросхема внешнего освещения (1 из 2)
Электросхема внешнего освещения (2 из 2)
СИСТЕМА ПОДКЛЮЧЕНИЯ МАСС (РАСПРЕДЕЛЕНИЕ ЗАЗЕМЛЕНИЯ)
Электросхема подключения масс (распределение заземления)
СИСТЕМЫ ГОЛОВНОГО ОСВЕЩЕНИЯ
Элекстросхема ближнего и дальнего света, с Halogen Lamps
Элекстросхема ближнего и дальнего света, с High Intensity Gas Discharge СИСТЕМЫ ГОЛОВНОГО ОСВЕЩЕНИЯ
СИСТЕМА ЗВУКОВОГО СИГНАЛА (ГУДОК)
Электросхема звукового сигнала (гудка)
ПРИБОРНАЯ ПАНЕЛЬ
Электросхема приборной панели (1 из 2)
Электросхема приборной панели (2 из 2)
СИСТЕМА ВНУТРЕННЕГО ОСВЕЩЕНИЯ
Электросхема подсветки
Электросхема подсветки кнопок, приборной панели (1 из 2)
Электросхема подсветки кнопок, приборной панели (2 из 2)
БЛОК ПРЕДОХРАНИТЕЛЕЙ
Электросхема блока предохранителей (1 из 2)
Электросхема блока предохранителей (2 из 2)
СИСТЕМА ЦЕНТРАЛЬНОГО ЗАМКА
Электросхема центрального замка
ПРИВОД ЗЕРКАЛ ЗАДНЕГО ВИДА
Automatic Day/Night Mirror Circuit
Электросхема привода зеркал заднего вида
СИСТЕМЫ СИДЕНИЙ
Электросхема подогрева сидений
Power Seat Circuit
СИСТЕМА ЛЮКА / ОТКИДНОГО ВЕРХА
Convertible Top Circuit
Sunroof Circuit
СИСТЕМА СТЕКЛОПОДЪЕМНИКОВ
Электросхема стеклоподъемников (1 из 2)
Электросхема стеклоподъемников (2 из 2)
АУДИОСИСТЕМА
Электросхема аудиосистемы, с Amplifier
Электросхема аудиосистемы, без Amplifier
СИСТЕМА СТАРТЕРА / ГЕНЕРАТОРА
Электросхема генератора
Электросхема стартера
СИСТЕМА ПОДУШЕК БЕЗОПАСНОСТИ SRS (AIR BAG)
Электросхема подушек безопасности SRS (AIR BAG) (1 из 3)
Электросхема подушек безопасности SRS (AIR BAG) (2 из 3)
Электросхема подушек безопасности SRS (AIR BAG) (3 из 3)
СИСТЕМА АКПП, ТРАНСМИССИЯ
СИСТЕМА АКПП, ТРАНСМИССИЯ Circuit (1 из 3)
СИСТЕМА АКПП, ТРАНСМИССИЯ Circuit (2 из 3)
СИСТЕМА АКПП, ТРАНСМИССИЯ Circuit (3 из 3)
СИСТЕМЫ БАГАЖНИК / ЛЮЧОК ТОПЛИВНОГО БАКА / КРЫШКА БАГАЖНИКА
Trunk Release Circuit
ПРЕДУПРЕЖДАЮЩИЕ СИСТЕМЫ / ИНДИКАТОРЫ / ЗВУКОВЫЕ СИГНАЛЫ
Chime Circuit
Электросхема системы давления шин TPMS
СИСТЕМА СТЕКЛООЧИСТИТЕЛЕЙ / ОМЫВАТЕЛЕЙ
Электросхема передних стеклоочистителей омывателя
Электросхема заднего стеклоочистителя омывателя
Can't find your car? Check -> DiagnostData.com!