ESQUEMA ELECTRICO - DESCONGELACION LUNETA Y ESPEJOS RETROVISORES - Fiat 500 1.3 Multijet
COMPONENTES - DESCONGELACION LUNETA Y ESPEJOS RETROVISORES - Fiat 500 1.3 Multijet
| Codigo componente | Denominacion | Referencia a la operacion |
| A001 | BATERIA | |
| B001 | CENTRALITA DE DERIVACION | |
| B016 | FUSIBLE DESCONGELACION ESPEJOS | - |
| C010 | MASA ANTERIOR IZQUIERDA | - |
| C015 | MASA SALPICADERO LADO CONDUCTOR | - |
| C032 | MASA LUNETA | - |
| D006 | CONEXION ANTERIOR / POSTERIOR | - |
| D008 | CONEXION ANTERIOR / AIRE ACONDICIONADO - CALEFACTOR | - |
| D030 | CONEXION PUERTA DELANTERA IZQUIERDA | - |
| D031 | CONEXION PUERTA DELANTERA DERECHA | - |
| D259 | CONEXION PUENTE SALPICADERO PORTAINSTRUMENTOS | - |
| H001 | CONMUTADOR DE ARRANQUE | |
| H115 | PANEL DE MANDOS AUXILIAR | |
| M001 | BODY COMPUTER | |
| M070 | CENTRALITA DEL CLIMATIZADOR | - |
| P055 | LUNETA TERMICA | |
| P060 | ESPEJO RETROVISOR EXTERIOR LADO CONDUCTOR | |
| P061 | ESPEJO RETROVISOR EXTERIOR LADO PASAJERO |
DESCRIPCION - DESCONGELACION LUNETA Y ESPEJOS RETROVISORES - Fiat 500 1.3 Multijet
Cuando la visibilidad sea escasa se puede activar la descongelacion de la luneta y los espejos retrovisores exteriores (si estan presentes).Las resistencias de calentamiento de estos componentes absorben una gran cantidad de energia, y por eso se controlan y se desactivan tras un determinado periodo de funcionamiento; la descongelacion es temporizada y es gestionada por el Body Computer con la siguiente logica:
DESCRIPCION FUNCIONAL - DESCONGELACION LUNETA Y ESPEJOS RETROVISORES - Fiat 500 1.3 Multijet
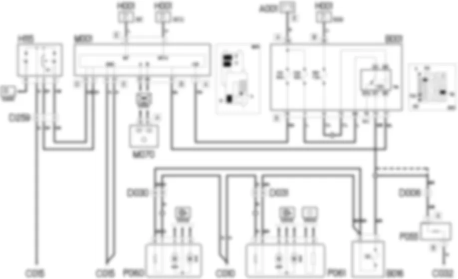
El rele T19, situado en la centralita de derivacion del motor B001, dirige, desde el pin 70 del conector B, las resistencias de descongelacion de la luneta termica P055 (conector A) y de los espejos retrovisores exteriores lado conductor P060 y lado pasajero P061, a traves de la linea protegida por el fusible F20 de B001.La bobina del rele T19 es alimentada bajo llave (15/54) a traves de la linea protegida por el fusible F87 de B001; el rele T19 es excitado por una senal de masa (pin 71 del conector B de B001) procedente del Body computer M001 (pin 46 del conector B). Esta senal se envia de acuerdo con la logica de control descrita anteriormente, y ante el comando de accionamiento de la lunera (senal de masa) enviado por el pin 2 del interruptor en el panel de mandos auxiliar H115, al pin 3 del conector D de M001. El pin 1 de H115 esta conectado a la masa salpicadero lado conductor C015.En los equipamientos con AIRE ACONDICIONADO AUTOMATICO, tambien se puede accionar la luneta termica (funcion "MAX-DEF") desde la centralita de climatizacion M070 (pin 10 y 9 del conector A) mediante la senal, enviada por la red B-CAN, al Body computer M001 (pin 57 y 58 del conector B).Cuando la descongelacion esta activada, el Body computer M001 (pin 12 del conector D) envia una senal positiva para que se encienda el led en el boton de accionamiento de la luneta (pin 3 de H115).El Body computer M001 recibe una alimentacion directa de bateria (pin 1 del conector A) protegida por el fusible F01 de la centralita de derivacion del motor B001 (pin 18 del conector B); este tambien recibe una alimentacion bajo llave (INT) en el pin 11 del conector E.En el pin 1 del conector E, el Body computer M001 recibe la alimentacion bajo llave (INT/A) que excluye el sistema de calentamiento de la luneta termica y los espejos retrovisores en fase de arranque.El Body computer M001 tambien esta conectado a la masa del salpicadero lado conductor C015 a traves de los pin 9 y 10 del conector E.El circuito de las resistencias de descongelacion de los espejos retrovisores exteriores lado conductor P060 y pasajero P061 esta protegido por el fusible exterior B016.Las resistencias de descongelacion de los espejos estan conectadas a la masa anterior izquierda C010, mientras que la luneta termica (conector B) esta conectada a la masa C032.
UBICACION DE LOS COMPONENTES - DESCONGELACION LUNETA Y ESPEJOS RETROVISORES - Fiat 500 1.3 Multijet
| Codigo componente | Denominacion | Referencia a la operacion |
| A001 | BATERIA | |
| B001 | CENTRALITA DE DERIVACION | |
| B016 | FUSIBLE DESCONGELACION ESPEJOS | - |
| C010 | MASA ANTERIOR IZQUIERDA | - |
| C015 | MASA SALPICADERO LADO CONDUCTOR | - |
| C032 | MASA LUNETA | - |
| D006 | CONEXION ANTERIOR / POSTERIOR | - |
| D008 | CONEXION ANTERIOR / AIRE ACONDICIONADO - CALEFACTOR | - |
| D030 | CONEXION PUERTA DELANTERA IZQUIERDA | - |
| D031 | CONEXION PUERTA DELANTERA DERECHA | - |
| D259 | CONEXION PUENTE SALPICADERO PORTAINSTRUMENTOS | - |
| H001 | CONMUTADOR DE ARRANQUE | |
| H115 | PANEL DE MANDOS AUXILIAR | |
| M001 | BODY COMPUTER | |
| M070 | CENTRALITA DEL CLIMATIZADOR | - |
| P055 | LUNETA TERMICA | |
| P060 | ESPEJO RETROVISOR EXTERIOR LADO CONDUCTOR | |
| P061 | ESPEJO RETROVISOR EXTERIOR LADO PASAJERO |





































