ESQUEMA ELECTRICO - AJUSTE DE LOS ESPEJOS RETROVISORES - Fiat 500 1.3 Multijet
COMPONENTES - AJUSTE DE LOS ESPEJOS RETROVISORES - Fiat 500 1.3 Multijet
| Codigo componente | Denominacion | Referencia a la operacion |
| B001 | CENTRALITA DE DERIVACION | |
| C010 | MASA ANTERIOR IZQUIERDA | - |
| C030 | MASA POSTERIOR IZQUIERDA | - |
| D006 | CONEXION ANTERIOR / POSTERIOR | - |
| D030 | CONEXION PUERTA DELANTERA IZQUIERDA | - |
| D031 | CONEXION PUERTA DELANTERA DERECHA | - |
| H001 | CONMUTADOR DE ARRANQUE | |
| H030 | MANDO ESPEJOS REGULABLES | |
| I020 | INTERRUPTOR LUCES DE MARCHA ATRAS | |
| M001 | BODY COMPUTER | |
| P060 | ESPEJO RETROVISOR EXTERIOR LADO CONDUCTOR | |
| P061 | ESPEJO RETROVISOR EXTERIOR LADO PASAJERO | |
| P065 | ESPEJO RETROVISOR INTERIOR ELECTROCROMICO | - |
DESCRIPCION - AJUSTE DE LOS ESPEJOS RETROVISORES - Fiat 500 1.3 Multijet
Los espejos retrovisores exteriores se pueden ajustar electricamente en dos direcciones mediante un pulsador tipo joystick situado en un panel de mandos en la puerta del conductor; un cursor de seleccion permite seleccionar el espejo derecho o izquierdo.El pulsador acciona dos motores electricos situados en cada uno de los dos espejos exteriores: un motor electrico permite la rotacion del espejo sobre el eje horizontal, otro sobre el eje vertical.El circuito de ajuste de los espejos exteriores se alimenta bajo llave a traves de una linea protegida por un fusible del Body Computer.Como opcional se puede disponer de un espejo retrovisor interior electrocromico con funcion de antideslumbramiento automatico que permite, presionando un boton ON/OFF ubicado en el mismo espejo, activar/desactivar la funcion electrocromica. Un led en el espejo indica si la funcion esta activada.Cuando esta engranada la marcha atras, el espejo utiliza la coloracion diurna para facilitar las maniobras.El espejo interior electrocromico tambien se alimenta bajo llave a traves de una linea protegida por un fusible del Body Computer.
DESCRIPCION FUNCIONAL - AJUSTE DE LOS ESPEJOS RETROVISORES - Fiat 500 1.3 Multijet
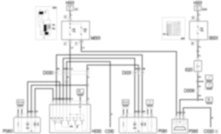
En el grupo de mandos de los espejos regulables H030 esta el joystick y el conmutador de mando de los espejos retrovisores exteriores.El grupo de mandos H030 se alimenta bajo llave (INT), en el pin 7, a traves de la linea protegida por el fusible F51 del Body computer M001 (pin 8 del conector C); el pin 5 de H030 esta conectado a la masa anterior izquierda C010.Mediante la combinacion de senales descritas anteriormente, el grupo de mandos H030 dirige directamente los motores de ajuste que estan dentro de los espejos lado conductor P060 y lado pasajero P061. En concreto:
UBICACION DE LOS COMPONENTES - AJUSTE DE LOS ESPEJOS RETROVISORES - Fiat 500 1.3 Multijet
| Codigo componente | Denominacion | Referencia a la operacion |
| B001 | CENTRALITA DE DERIVACION | |
| C010 | MASA ANTERIOR IZQUIERDA | - |
| C030 | MASA POSTERIOR IZQUIERDA | - |
| D006 | CONEXION ANTERIOR / POSTERIOR | - |
| D030 | CONEXION PUERTA DELANTERA IZQUIERDA | - |
| D031 | CONEXION PUERTA DELANTERA DERECHA | - |
| H001 | CONMUTADOR DE ARRANQUE | |
| H030 | MANDO ESPEJOS REGULABLES | |
| I020 | INTERRUPTOR LUCES DE MARCHA ATRAS | |
| M001 | BODY COMPUTER | |
| P060 | ESPEJO RETROVISOR EXTERIOR LADO CONDUCTOR | |
| P061 | ESPEJO RETROVISOR EXTERIOR LADO PASAJERO | |
| P065 | ESPEJO RETROVISOR INTERIOR ELECTROCROMICO | - |





















