AUTOMOTIVE ELECTRICIANS

Fiat 500 1.3 Multijet – AIRE ACONDICIONADO – – Aire acondicionado manual – ESQUEMA ELECTRICO, UBICACION COMPONENTES, DESCRIPCION DEL FUNCIONAMIENTO – ESQUEMA ELECTRICO, UBICACION COMPONENTES, DESCRIPCION DEL FUNCIONAMIENTO

Fiat 500 1.3 Multijet   –  AIRE ACONDICIONADO  –  – Aire acondicionado manual – ESQUEMA ELECTRICO, UBICACION COMPONENTES, DESCRIPCION DEL FUNCIONAMIENTO – ESQUEMA ELECTRICO, UBICACION COMPONENTES, DESCRIPCION DEL FUNCIONAMIENTO

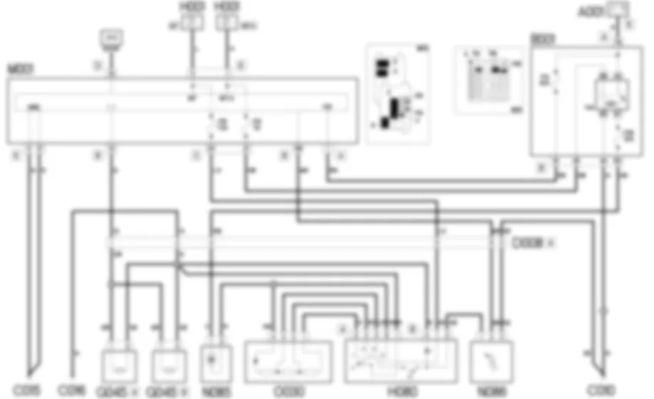
ESQUEMA ELECTRICO - AIRE ACONDICIONADO - Fiat 500 1.3 Multijet





COMPONENTES - AIRE ACONDICIONADO - Fiat 500 1.3 Multijet



Codigo ComponenteDenominacionReferencia a la Operacion
A001 BATERIA
B001 CENTRALITA DE DERIVACION
C010MASA ANTERIOR IZQUIERDA-
C015MASA SALPICADERO LADO CONDUCTOR-
C016 MASA GRUPO AIRE ACONDICIONADO -
D008 CONEXION ANTERIOR / AIRE ACONDICIONADO - CALEFACTOR -
G045 LUCES MANDOS DEL AIRE ACONDICIONADO/CALEFACTOR
H001 CONMUTADOR DE ARRANQUE
H080 MANDOS DEL AIRE ACONDICIONADO
M001 BODY COMPUTER
N085 ELECTROVENTILADOR AIRE HABITACULO
N086 TERMOSTATO ELECTRONICO
O030 RESISTENCIA REGULACION ELECTROVENTILADOR AIRE HABITACULO

DESCRIPCION - AIRE ACONDICIONADO - Fiat 500 1.3 Multijet


El sistema de aire acondicionado manual, que incorpora el calefactor, tiene la funcion de producir aire frio y sin humedad al accionar el compresor y el respectivo sistema de refrigeracion.La climatizacion del vehiculo se controla actuando en los cuatro selectores de mando:el selector de la izquierda dirige, en modo mecanico, la mezcla de aire caliente y frio (22 posiciones);el selector central de la izquierda ajusta, con un comando electrico, la ventilacion del aire a cuatro velocidades diferentes (4 posiciones) y, mediante la presion de la respectiva corona, el accionamiento del compresor;el selector central de la derecha selecciona la funcion "recirculacion", que permite o impide la entrada de aire exterior en el habitaculo;el selector de la derecha acciona, en modo mecanico, la apertura de las compuertas que regulan la distribucion de los flujos de aire (5 posiciones).La transmision de los comandos de mezcla aire, distribucion del aire y recirculacion mediante los selectores a la caja del climatizador, se efectua mediante transmisiones flexibles (cables bowden).Con el compresor activado, el selector de accionamiento impide que el usuario ponga a cero la velocidad del electroventilador (gire el selector a cero) para evitar que se congele el evaporador.Un testigo con led en el selector indica el estado del compresor (activado/desactivado).El termostato electronico tiene como objetivo detectar si se forma hielo sobre el evaporador permitiendo desactivar el compresor para evitar que se congele el evaporador.Para mas detalles,El electroventilador esta dirigido por un rele especifico y protegido por un fusible, ubicados ambos en la centralita de derivacion del motor.

DESCRIPCION FUNCIONAL - AIRE ACONDICIONADO - Fiat 500 1.3 Multijet


El electroventilador aire habitaculo N085 recibe la alimentacion mediante la linea accionada por el rele T08 y protegida por el fusible F08, ambos alojados en la centralita de derivacion en el compartimiento del motor B001 (pin 63 del conector B).La bobina del rele T08 de la B001 (pin 45 del conector B) recibe la alimentacion bajo llave (INT/A) mediante la linea protegida por el fusible F31 del Body computer M001 (pin 21 del conector C). Esta linea se excluye en la fase de arranque del motor.La velocidad del electroventilador N085 se regula a traves del mando climatizacion H080 que, a traves de las resistencias de regulacion O030, permite conectar a masa el motor del electroventilador a traves de diferentes valores de resistencia, regulando asi la velocidad.Pulsando la corona con el selector programado al menos a la primera velocidad, el grupo mandos climatizacion H080 (pin 2 del conector B) envia al termostato electronico N086 la peticion de accionamiento del compresor.En funcion de la temperatura medida por el sensor en el evaporador, el N086 habilita el accionamiento del compresor mediante una senal positiva enviada al pin 49 del conector B del Body computer M001.El led de la corona indicara el accionamiento del compresor.El encendido de las luces de posicion (pin 51 del conector D de M001) determina el encendido de las dos luces de los mandos aire acondicionado / calefactor G045 A y B mediante una senal positiva proporcionada por el pin 12 del conector B del Body computer.

UBICACION DE LOS COMPONENTES - AIRE ACONDICIONADO - Fiat 500 1.3 Multijet





Codigo ComponenteDenominacionReferencia a la Operacion
A001 BATERIA
B001 CENTRALITA DE DERIVACION
C010MASA ANTERIOR IZQUIERDA-
C015MASA SALPICADERO LADO CONDUCTOR-
C016 MASA GRUPO AIRE ACONDICIONADO -
D008 CONEXION ANTERIOR / AIRE ACONDICIONADO - CALEFACTOR -
G045 LUCES MANDOS DEL AIRE ACONDICIONADO/CALEFACTOR
H001 CONMUTADOR DE ARRANQUE
H080 MANDOS DEL AIRE ACONDICIONADO
M001 BODY COMPUTER
N085 ELECTROVENTILADOR AIRE HABITACULO
N086 TERMOSTATO ELECTRONICO
O030 RESISTENCIA REGULACION ELECTROVENTILADOR AIRE HABITACULO

BATERIA



A001A



A001A



A001B



A001B



A001C



A001D



A001D



A001E



CENTRALITA DE DERIVACION



B001A



B001B



B001B



B001B



B001B



B001B



B001B



B001B



B001B



B001B



MASA ANTERIOR IZQUIERDA



C010



C010



C010



MASA SALPICADERO LADO CONDUCTOR



C015



MASA GRUPO AIRE ACONDICIONADO



C016



CONEXION ANTERIOR / AIRE ACONDICIONADO - CALEFACTOR



D008A



D008A



D008A



D008A



D008A



D008A



D008B



D008B



LUCES MANDOS DEL AIRE ACONDICIONADO/CALEFACTOR



G045A



G045A



G045B



G045B



CONMUTADOR DE ARRANQUE



H001A



H001A



H001B



MANDOS DEL AIRE ACONDICIONADO



H080A



H080B



BODY COMPUTER



M001A



M001B



M001B



M001B



M001B



M001B



M001B



M001B



M001B



M001B



M001B



M001C



M001C



M001C



M001C



M001C



M001C



M001C



M001C



M001C



M001D



M001D



M001E



M001E



M001E



M001F



M001F



M001F



ELECTROVENTILADOR AIRE HABITACULO



N085



N085



N085



TERMOSTATO ELECTRONICO



N086



RESISTENCIA REGULACION ELECTROVENTILADOR AIRE HABITACULO



O030



O030


Can't find your car? Check -> DiagnostData.com!