SCHEMA ELECTRIQUE - ECLAIRAGE BOITE A GANTS - ECLAIRAGE COFFRE - ECLAIRAGE PARE-SOLEIL - Fiat 500 1.4 16v
COMPOSANTS - ECLAIRAGE BOITE A GANTS - ECLAIRAGE COFFRE - ECLAIRAGE PARE-SOLEIL - Fiat 500 1.4 16v
| Code composants | Designation | Reference a l''operation |
| A001 | BATTERIE | |
| B001 | CENTRALE DE DERIVATION | |
| C015 | MASSE TABLEAU DE BORD COTE CONDUCTEUR | - |
| C030 | MASSE ARG | - |
| G039 | Eclairage du pare-soleil passager | |
| G040 | PLAFONNIER DU COFFRE A BAGAGES | - |
| H001 | CONTACTEUR A 'CLE | |
| M001 | ORDINATEUR DE BORD | |
| N057 | MOTOREDUCTEUR SERRURE DE COFFRE A BAGAGES | - |
DESCRIPTION - ECLAIRAGE BOITE A GANTS - ECLAIRAGE COFFRE - ECLAIRAGE PARE-SOLEIL - Fiat 500 1.4 16v
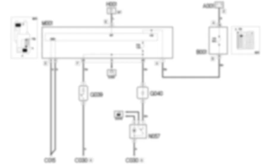
L''ouverture du coffre declenche son eclairage, qui s''eteint ensuite lors de la fermeture.Pour allumer la lampe logee sous le pare-soleil cote passager, actionner l''interrupteur.
DESCRIPTION FONCTIONNELLE - ECLAIRAGE BOITE A GANTS - ECLAIRAGE COFFRE - ECLAIRAGE PARE-SOLEIL - Fiat 500 1.4 16v
Le plafonnier du coffre G040 et l''eclairage du pare-soleil cote apssager G039 sont alimentes via la ligne protegee par le fusible F32 de l''ordinateur de bord M001 (respectivement broches 26 et 28 du connecteur F).L''ordinateur de bord alimente le plafonnier AV depuis al broche 13 du connecteur F.L''interrupteur d''ouverture du coffre integre au motoreducteur de la serrure du coffre N057 envoie un signal de masse pour activer le plafonnier G040.Le pare-soleil cote passager G039 s''allume grace a un signal de masse fourni par l''interrupteur integre au pare-soleil lui-meme.L''ordinateur de bord M001 est directement alimente par la batterie (broche 1 du connecteur A) protegee par le fusible F01 de la centrale de derivation du compartiment moteur B001 (broche 18 du connecteur B); il recoit par ailleurs une alimentation sous cle (INT) a la broche 11 du connecteur E.L''ordinateur de bord M001 est egalement branche a la masse de la planche de bord cote conducteur C015 via les broches 9 et 10 du connecteur E.
EMPLACEMENT DES COMPOSANTS - ECLAIRAGE BOITE A GANTS - ECLAIRAGE COFFRE - ECLAIRAGE PARE-SOLEIL - Fiat 500 1.4 16v
| Code composants | Designation | Reference a l''operation |
| A001 | BATTERIE | |
| B001 | CENTRALE DE DERIVATION | |
| C015 | MASSE TABLEAU DE BORD COTE CONDUCTEUR | - |
| C030 | MASSE ARG | - |
| G039 | Eclairage du pare-soleil passager | |
| G040 | PLAFONNIER DU COFFRE A BAGAGES | - |
| H001 | CONTACTEUR A 'CLE | |
| M001 | ORDINATEUR DE BORD | |
| N057 | MOTOREDUCTEUR SERRURE DE COFFRE A BAGAGES | - |





















