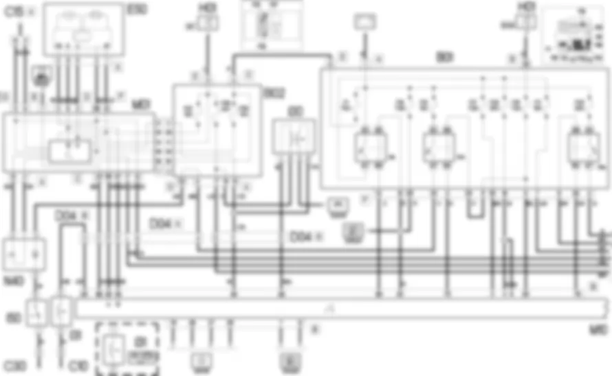
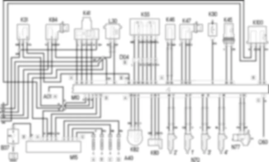
Schema elettrico - GESTIONE ELETTRONICA MOTORI DIESEL - Fiat DOBLO 1.3 JTD 16V Da 10/2000
COMPONENTI - GESTIONE ELETTRONICA MOTORI DIESEL - Fiat DOBLO 1.3 JTD 16V Da 10/2000
| Codice componente | Denominazione | Riferimento al complessivo |
| A40 | Candelette di preriscaldo | - |
| A40 | Candelette di preriscaldo | |
| A40 | Candelettwe di preriscaldo | |
| B1 | Centralina di derivazione vano motore | - |
| B1 | Centralina di derivazione vano motore | |
| B1 | Centralina di derivazione vano motore | |
| B2 | Centralina di derivazione sotto plancia | - |
| B2 | Centralina di derivazione sotto plancia | |
| B37 | Fusibile (MAXI FUSE) candelette | - |
| B37 | Fusibile (MAXI FUSE) candelette | |
| C1 | Massa batteria | - |
| C10 | Massa anteriore sinistra | - |
| C15 | Massa plancia lato guida | - |
| C30 | Massa posteriore sinistra | - |
| C60 | Massa centralina iniezione | - |
| C60 | Massa su motore | - |
| D4 | Giunzione anteriore/motore | - |
| D4 | Giunzione anteriore/motore | |
| D4 | Giunzione anteriore/motore | |
| D36 | Giunzione porta posteriore destra | - |
| E50 | Quadro strumenti | |
| E50 | quadro strumenti | - |
| I30 | Interruttore pedale freno | - |
| I31 | Interruttore pedale frizione | |
| I50 | Interruttore inerziale | |
| K100 | Sensore temperatura e resistenza riscaldamento combustibile | |
| K30 | Sensore (interruttore) insufficente pressione olio motore | - |
| K30 | Sensore (interruttore) insufficente pressione olio motore | |
| K30 | Sensore (interruttore) insufficiente pressione olio motore | |
| K31 | Sensore presenza acqua nel filtro gasolio | |
| K41 | Misuratore portata aria | |
| K41 | Misuratore portata d''aria | |
| K45 | Sensore temperatura motore per i.e. | |
| K45 | Trasmettitore temperatura refrigerante motore | |
| K46 | Sensore di giri | |
| K46 | Sensore di giri | |
| K47 | Sensore di fase | - |
| K47 | Sensore di fase | |
| K55 | Potenziometro pedale acceleratore | |
| K55 | Potenzionamento pedale accelleratore | - |
| K81 | Sensore temperatura combustibile | |
| K82 | Sensore sovralimentazione | |
| K82 | Sensore sovralimentazione | |
| K83 | Sensore pressione combustibile | |
| K84 | Sensore tachimetrico | |
| K84 | Sensore tachimetro | - |
| L30 | Elettrovalvola EGR | |
| L30 | elettrovalvola EGR | |
| L35 | Elettrovalvola waste-gate | |
| L62 | Elettrovalvola corpo farfallato | - |
| M1 | Body computer | - |
| M1 | Body computer | |
| M10 | Centralina controllo motore | - |
| M10 | Centralina controllo motore | |
| M10 | Centralina controllo motore | |
| M10 | Centralina preriscaldo candelette | |
| M15 | Centralina preriscaldo canalette | |
| M15 | Centralina preriscaldo candelette | |
| M15 | Centralina preriscaldo candelette | |
| M15 | Centralina preriscaldo candelette | |
| M19 | Centralina inezione metano | - |
| N40 | Elettropompa combustibile e misuratore di livello | |
| N41 | Pompa iniezione EPIC | |
| N77 | Regolatore pressione combustibile | |
| O20 | Resistenza preriscaldo gasolio | 1044D |
Localizzazione componenti - GESTIONE ELETTRONICA MOTORI DIESEL - Fiat DOBLO 1.3 JTD 16V Da 10/2000
COMPONENTI - GESTIONE ELETTRONICA MOTORI DIESEL - Fiat DOBLO 1.3 JTD 16V Da 10/2000
| Codice componente | Denominazione | Riferimento al complessivo |
| A40 | Candelette di preriscaldo | - |
| A40 | Candelette di preriscaldo | |
| A40 | Candelettwe di preriscaldo | |
| B1 | Centralina di derivazione vano motore | - |
| B1 | Centralina di derivazione vano motore | |
| B1 | Centralina di derivazione vano motore | |
| B2 | Centralina di derivazione sotto plancia | - |
| B2 | Centralina di derivazione sotto plancia | |
| B37 | Fusibile (MAXI FUSE) candelette | - |
| B37 | Fusibile (MAXI FUSE) candelette | |
| C1 | Massa batteria | - |
| C10 | Massa anteriore sinistra | - |
| C15 | Massa plancia lato guida | - |
| C30 | Massa posteriore sinistra | - |
| C60 | Massa centralina iniezione | - |
| C60 | Massa su motore | - |
| D4 | Giunzione anteriore/motore | - |
| D4 | Giunzione anteriore/motore | |
| D4 | Giunzione anteriore/motore | |
| D36 | Giunzione porta posteriore destra | - |
| E50 | Quadro strumenti | |
| E50 | quadro strumenti | - |
| I30 | Interruttore pedale freno | - |
| I31 | Interruttore pedale frizione | |
| I50 | Interruttore inerziale | |
| K100 | Sensore temperatura e resistenza riscaldamento combustibile | |
| K30 | Sensore (interruttore) insufficente pressione olio motore | - |
| K30 | Sensore (interruttore) insufficente pressione olio motore | |
| K30 | Sensore (interruttore) insufficiente pressione olio motore | |
| K31 | Sensore presenza acqua nel filtro gasolio | |
| K41 | Misuratore portata aria | |
| K41 | Misuratore portata d''aria | |
| K45 | Sensore temperatura motore per i.e. | |
| K45 | Trasmettitore temperatura refrigerante motore | |
| K46 | Sensore di giri | |
| K46 | Sensore di giri | |
| K47 | Sensore di fase | - |
| K47 | Sensore di fase | |
| K55 | Potenziometro pedale acceleratore | |
| K55 | Potenzionamento pedale accelleratore | - |
| K81 | Sensore temperatura combustibile | |
| K82 | Sensore sovralimentazione | |
| K82 | Sensore sovralimentazione | |
| K83 | Sensore pressione combustibile | |
| K84 | Sensore tachimetrico | |
| K84 | Sensore tachimetro | - |
| L30 | Elettrovalvola EGR | |
| L30 | elettrovalvola EGR | |
| L35 | Elettrovalvola waste-gate | |
| L62 | Elettrovalvola corpo farfallato | - |
| M1 | Body computer | - |
| M1 | Body computer | |
| M10 | Centralina controllo motore | - |
| M10 | Centralina controllo motore | |
| M10 | Centralina controllo motore | |
| M10 | Centralina preriscaldo candelette | |
| M15 | Centralina preriscaldo canalette | |
| M15 | Centralina preriscaldo candelette | |
| M15 | Centralina preriscaldo candelette | |
| M15 | Centralina preriscaldo candelette | |
| M19 | Centralina inezione metano | - |
| N40 | Elettropompa combustibile e misuratore di livello | |
| N41 | Pompa iniezione EPIC | |
| N77 | Regolatore pressione combustibile | |
| O20 | Resistenza preriscaldo gasolio | 1044D |
Descrizione - GESTIONE ELETTRONICA MOTORI DIESEL - Fiat DOBLO 1.3 JTD 16V Da 10/2000
Un sistema di controllo elettronico sovrintende e regola tutti i parametri del motore, ottimizzando prestazioni e consumi attraverso una risposta in tempo reale alle diverse condizioni di funzionamento.Il motore Diesel e equipaggiato con un sistema di iniezione Multijet di tipo "COMMON RAIL''. Questo e caratterizzato dall''utilizzo di un''elevata pressione di iniezione controllata elettronicamente. L''erogazione del combustibile, detta iniezione pilota, e ottimizzata dalla centralina elettronica attraverso l''iniettore invece che gestita dalla pompa.
Descrizione funzionale - GESTIONE ELETTRONICA MOTORI DIESEL - Fiat DOBLO 1.3 JTD 16V Da 10/2000
La centralina controllo motore M10 controlla e regola il sistema di iniezione elettronica.











































































































