Componenti - GESTIONE ELETTRONICA MOTORI DIESEL - Fiat DOBLO 1.3 JTD 16V Da 10/2000
| Codice componente | Denominazione | Riferimento al complessivo |
| A040 | CANDELETTE DI PRERISCALDO | |
| B001 | CENTRALINA DI DERIVAZIONE | |
| B2 | CENTRALINA DI DERIVAZIONE SOTTO PLANCIA | |
| VedereB37FUSIBILE (MAXI FUSE) CANDELETTE | ||
| C1 | MASSA BATTERIA | |
| C10 | MASSA ANTERIORE SINISTRA | |
| C15 | MASSA PLANCIA LATO GUIDA | |
| C030 | MASSA POSTERIORE SINISTRA | |
| C60 | MASSA CENTRALINA INIEZIONE | |
| D004 | GIUNZIONE ANTERIORE/MOTORE | |
| D29 | GIUNZIONE CAVI MOTORE / CAVO SERVIZI MOTORE | |
| E50 | QUADRO STRUMENTI | |
| H001 | COMMUTATORE DI ACCENSIONE | |
| I030 | INTERRUTTORE PEDALE FRENO | |
| I031 | INTERRUTTORE PEDALE FRIZIONE | |
| I050 | INTERRUZIONE INERZIALE | |
| K30 | SENSORE (INTERRUTTORE) PRESSIONE OLIO MOTORE | |
| K031 | SENSORE PRESENZA ACQUA NEL FILTRO GASOLIO | |
| K36 | SENSORE/TRASMETTITORE TEMPERATURA REFRIGERANTE MOTORE | |
| K41 | MISURATORE PORTATA D''ARIA | |
| K44 | SENSORE PRESSIONE / TEMPERATURA ARIA | |
| K46 | SENSORE DI GIRI | |
| K47 | SENSORE DI FASE | |
| K055 | POTENZIOMETRO PEDALE ACCELLERATORE | |
| K83 | SENSORE PRESSIONE COMBUSTIBILE | |
| K84 | SENSORE TACHIMETRO | |
| K100 | SENSORE TEMPERATURA E RESISTENZA RISCALDAMENTO | |
| L30 | ELETTROVENTOLA EGR | |
| L36 | ELETTROVALVOLA COMANDO GEOMETRIA VARIABILE TURBINA | |
| M001 | BODY COMPUTER | |
| M010 | CENTRALINA CONTROLLO MOTORE | |
| M015 | CENTRALINA PRERISCALDO CANDELETTE | |
| VedereN040ELETTROPOMPA COMBUSTIBILE E MISURATORE DI LIVELLO | ||
| N70 | ELETTROINIETTORE | |
| N77 | REGOLATORE PRESSIONE COMBUSTIBILE | |
| N087 | REGOLATORE DI PRESSIONE COMBUSTIBILE SU RAIL |
| Codice componente | Denominazione | Riferimento al complessivo |
| A040 | CANDELETTE DI PRERISCALDO | |
| B001 | CENTRALINA DI DERIVAZIONE | |
| B2 | CENTRALINA DI DERIVAZIONE SOTTO PLANCIA | |
| VedereB37FUSIBILE (MAXI FUSE) CANDELETTE | ||
| C1 | MASSA BATTERIA | |
| C10 | MASSA ANTERIORE SINISTRA | |
| C15 | MASSA PLANCIA LATO GUIDA | |
| C030 | MASSA POSTERIORE SINISTRA | |
| C60 | MASSA CENTRALINA INIEZIONE | |
| D004 | GIUNZIONE ANTERIORE/MOTORE | |
| D29 | GIUNZIONE CAVI MOTORE / CAVO SERVIZI MOTORE | |
| E50 | QUADRO STRUMENTI | |
| H001 | COMMUTATORE DI ACCENSIONE | |
| I030 | INTERRUTTORE PEDALE FRENO | |
| I031 | INTERRUTTORE PEDALE FRIZIONE | |
| I050 | INTERRUZIONE INERZIALE | |
| K30 | SENSORE (INTERRUTTORE) PRESSIONE OLIO MOTORE | |
| K031 | SENSORE PRESENZA ACQUA NEL FILTRO GASOLIO | |
| K36 | SENSORE/TRASMETTITORE TEMPERATURA REFRIGERANTE MOTORE | |
| K41 | MISURATORE PORTATA D''ARIA | |
| K44 | SENSORE PRESSIONE / TEMPERATURA ARIA | |
| K46 | SENSORE DI GIRI | |
| K47 | SENSORE DI FASE | |
| K055 | POTENZIOMETRO PEDALE ACCELLERATORE | |
| K83 | SENSORE PRESSIONE COMBUSTIBILE | |
| K84 | SENSORE TACHIMETRO | |
| K100 | SENSORE TEMPERATURA E RESISTENZA RISCALDAMENTO | |
| L30 | ELETTROVENTOLA EGR | |
| L36 | ELETTROVALVOLA COMANDO GEOMETRIA VARIABILE TURBINA | |
| M001 | BODY COMPUTER | |
| M010 | CENTRALINA CONTROLLO MOTORE | |
| M015 | CENTRALINA PRERISCALDO CANDELETTE | |
| VedereN040ELETTROPOMPA COMBUSTIBILE E MISURATORE DI LIVELLO | ||
| N70 | ELETTROINIETTORE | |
| N77 | REGOLATORE PRESSIONE COMBUSTIBILE | |
| N087 | REGOLATORE DI PRESSIONE COMBUSTIBILE SU RAIL |
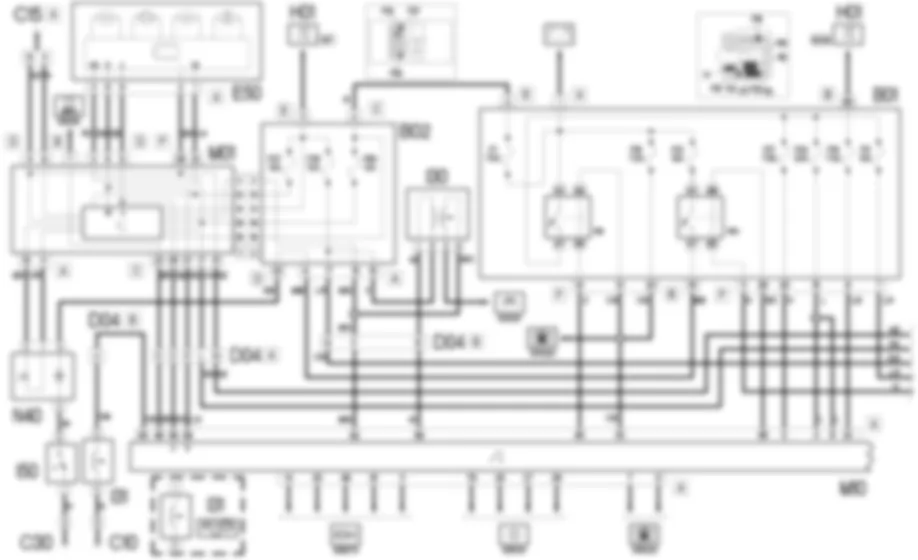
Un sistema di controllo elettronico sovrintende e regola tutti i parametri del motore, ottimizzando prestazioni e consumi attraverso una risposta in tempo reale alle diverse condizioni di funzionamento.Il sistema di iniezione a Common Rail impiega la tecnologia "Multijet": esegue cioe, durante ogni ciclo motore, piu delle due iniezioni comunemente utilizzate; effettua, infatti, due pre-iniezioni (prima che il pistone sia al punto morto superiore), una principale e due post-iniezioni.Tale soluzione migliora consumi, emissioni, silenziosita e prestazioni, in quanto consente un miglior controllo delle temperature in camera di scoppio, abbassandone il valore massimo e ampliando la zona di combustione ottimale.In base ai segnali ricevuti da numerosi sensori, la centralina comanda gli attuatori ad essa collegati, gestendo gli impianti di:- alimentazione combustibile;- alimentazione aria;- preriscaldo candelette;- pedale acceleratore;- raffreddamento motore;- trappola particolato (DPF).Grazie alla gestione elettronica sopradescritta, questo motore rispetta le piu recenti normative antinquinamento e di controllo continuo secondo il sistema EOBD (European On Board Diagnosis); tale sistema permette una diagnosi continua dei componenti vettura correlati alle emissioni e segnala all’utente, mediante l’accensione della relativa spia sul quadro strumenti, la condizione di deterioramento dei componenti stessi.L’obiettivo del sistema e quello di:- tenere sotto controllo l’efficienza dell’impianto;- segnalare un aumento delle emissioni dovuto ad un malfunzionamento della vettura;- segnalare la necessita di sostituire i componenti deteriorati.Per maggiori dettagli,Il sistema e controllato anche per mezzo di appositi teleruttori collocati nella centralina di derivazione vano motore; le linee di alimentazione della centralina e dei vari componenti del sistema (sensori, attuatori) sono protette da appositi fusibili della centralina vano motore stessa.
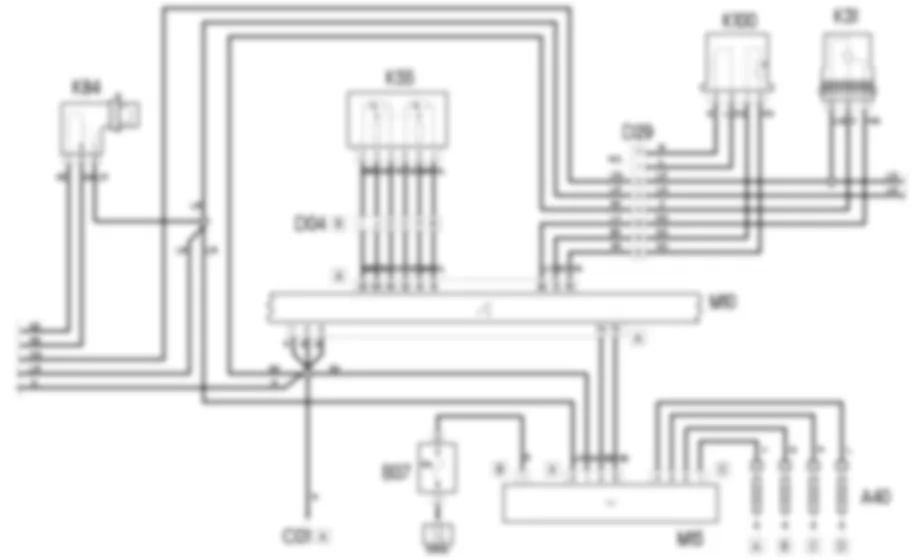
La centralina controllo motore M10 controlla e regola tutto il sistema di iniezione elettronica.L''alimentazione sotto chiave (15/54) giunge dalla linea protetta dal fusibile F16 della centralina vano motore B01 al pin 23 del connettore A di M10.Il teleruttore principale iniezione R9 di B01 controlla l''intero sistema; la linea di alimentazione e protetta dal fusibile F18 di B01; esso viene eccitato da un segnale di comando (massa) proveniente dal pin 80 del connettore A della centralina M10 ed invia, di conseguenza, l''alimentazione:- al pin 5 del connettore A della centralina stessa, attraverso la linea protetta dal fusibile F17 di B01;- ai pin 4 e 6 del connettore A della centralina stessa, attraverso la linea protetta dal fusibile F22 di B01;- alla elettrovalvola EGR L30, al sensore tachimetrico K84, alla centralina preriscaldo candelette M15 (pin 3 del connettore A), alla elettrovalvola comando geometria variabile turbina L36 e al pin 5 del connettore B di M10 attraverso la linea protetta dal fusibile F11 di B01.Il teleruttore pompa combustibile R10 di B01 viene alimentato direttamente dalla batteria attraverso la linea protetta dal fusibile F21 di B01.Esso viene eccitato con un segnale di comando proveniente dal pin 85 del connettore A della centralina M10 e fornisce l''alimentazione all''elettropompa combustibile N40, che e collegata a massa attraverso l''interruttore inerziale I50, che in caso di urto interrompe il circuito e quindi ferma pericolose erogazioni di combustibile.La centralina M15, che gestisce il preriscaldo delle candelette A40, e alimentata direttamente dalla batteria attraverso la linea protetta dal fusibile volante B37 e tramite il fusibile F11 situato nella centralina di deviazione B01 al pin 3 connettore A.I pin 1, 2 e 3 del connettore A di M10 sono a massa.La centralina M15 alimenta le candelette del preriscaldo A40 attraverso il connettore C, e scambia i segnali di comando e controllo con i pin 74 e 70 del connettore A di M10 che ne controlla la temporizzazione.La centralina motore M10 riceve i segnali dai diversi sensori, mantenendo cosi sotto controllo tutti i parametri di funzionamento del motore.Il sensore di giri K46 fornisce, attraverso segnale in frequenza scambiati con i pin 43 e 59 del connettore B della centralina M10 , informazioni circa il regime del motore.Il sensore di fase K47 e alimentato dal pin 21 del connettore B di M10. Esso riceve una massa di riferimento dal pin 56 del connettore B della centralina M10 ed in via ad essa un segnale in frequenza corrispondente alla fase al pin 25 del connettore B.Il sensore temperatura motore K36, riceve una massa di riferimento dal pin 29 del connettore B della centralina M10 e fornisce un segnale proporzionale alla temperatura del liquido del motore al pin 54 del connettore B.Il misuratore portata aria (debimetro) K41 viene alimentato “sotto chiave” (INT) tramite la linea protetta dal fusibile F35 della centralina di derivazione B02; dal pin 27 del connettore B di M10 riceve una massa di riferimento, ed invia al pin 14 del connettore B un segnale proporzionale alla portata dell’aria.All''''interno di K41 e collocato anche un sensore temperatura aria che invia un segnale di temperatura al pin 10 del connettore B di M010.L’elettrovalvola geometria variabile turbina L36 regola il funzionamento della turbina in funzione del carico del motore: e alimentata dalla linea del fusibile F11 di B01 e viene comandata da un segnale del pin 30 del connettore A di M10.Il regolatore di pressione combustibile N77 ha il compito di mantenere costante il valore della pressione del combustibile nell’accumulatore. I due segnali di controllo provengono dai pin 19 (positivo) e 20 (negativo) del connettore A della centralina M10.Il pedale acceleratore K55 e dotato di due potenziometri integrati (uno principale ed uno di sicurezza). Il primo riceve alimentazione e massa rispettivamente dai pin 35 e 83 del connettore A di M10 ed invia il segnale corrispondente al pin 65 del connettore A. Il secondo riceve alimentazione e massa rispettivamente dai pin 15 e 32 del connettore A di M10 ed invia il segnale al pin 41 connettore A.Il sensore di temperatura combustibile K100 rileva la temperatura del gasolio in entrata. Esso riceve una massa di riferimento dal pin 13 del connettore A di M10 ed invia al pin 61 della centralina stessa il segnale di temperatura combustibile.Il sensore pressione/ temperatura aria K44 rileva la pressione e la temperatura nel cassa di aspirazione, a valle del turbocompressore. Esso e alimentato dal pin 41 del connettore B di M10 e riceve dal pin 24 del connettore B una massa di riferimento. Il segnale corrispondente al valore di pressione viene inviato al pin 23 del connettore B della centralina. All’interno di K44 e collocato anche un sensore temperatura aria che invia un segnale al pin 37 del connettore B di M10.Il sensore pressione combustibile K83 ha il compito di fornire alla centralina di iniezione un segnale di feedback per regolare la pressione e la durata dell''iniezione. Esso riceve l''alimentazione e la massa di riferimento rispettivamente dai pin 38 e 6 del connettore B di M10 ; invia poi il segnale di pressione al pin 8 del connettore B.Il body computer M01 riceve il valore dal sensore tachimetrico K84 al pin 17 del connettore C.La centralina M10 riceve al pin 9 del connettore B un segnale di massa proveniente dal sensore minima pressione olio motore K30.Il pin 92 del connettore A di M10 riceve il segnale positivo N.A. proveniente dall''interruttore luci stop I30, alimentato "sotto chiave'' (INT) dal fusibile F37 della centralina B02.Il pin 68 del connettore A di M10 riceve il segnale positivo N.C. proveniente dall''interruttore luci stop I30, alimentato "sotto chiave'' (INT) dal fusibile F35 della centralina B02.Il pin 93 del connettore A di M10 riceve un segnale di massa proveniente dall''interruttore frizione I31.Il sensore di presenza acqua nel filtro gasolio K31 e alimentato dalla linea sottochiave (INT) del fusibile F35 di B02, e invia il corrispondente segnale al pin 90 del connettore A di M10.Il regolatore di pressione combustibile N87 ha il compito di mantenere costante il valore della pressione del combustibile nel rail. I due segnali di controllo provengono dai pin 4 e 34 del connettore B della centralina M10.L''elettrovalvola EGR L30 controlla il ricircolo dei gas di scarico; essa e alimentata dalla linea del fusibile F11 di B01, e viene comandata da un segnale proveniente dal pin 15 del connettore B di M10.Gli iniettori N70 si collegano alla centralina controllo motore dai pin 47-16, 49-17, 48-31, 46-1 rispettivamente per i cilindri 1, 2, 3 e 4.La centralina motore M10 e collegata tramite i pin 58, 59 del connettore A (linea CAN), al body computer M01 e al quadro strumenti E50.Il quadro strumenti visualizza il numero di giri motore e segnalazioni che provengono dalla centralina M10 illuminando le seguenti spie:- preriscaldamento candelette;- EOBD e avaria sistema controllo motore;- minima pressione olio;- max temperatura liquido raffreddamento;- riserva carburante;- avaria generica;- presenza acqua filtro gasolio.La funzione di "check", interna al quadro strumenti E50, controlla eventuali avarie del sensore pressione olio, del sensore sul filtro gasolio e la presenza di acqua nel filtro: in caso di avarie rilevate, viene accesa la spia "avaria generica", e contemporaneamente l''informazione viene visualizzata sul display.La lettura dei dati dell''autodiagnosi puo essere realizzata collegandosi al connettore B del Body Computer M01 pin 7: ad esso arrivano i segnali dal pin 88 del connettore A dalla centralina M10 attraverso l''apposita linea diagnostica.






















































































































































