Schema elettrico - LUCI RETRONEBBIA - Fiat DOBLO 1.9 JTD 8V da 12/03
COMPONENTI - LUCI RETRONEBBIA - Fiat DOBLO 1.9 JTD 8V da 12/03
| Codice componente | Denominazione | Riferimento al complessivo |
| B1 | Centralina di derivazione vano motore | - |
| B1 | Centralina di derivazione vano motore | |
| B1 | Centralina di derivazione vano motore | |
| B2 | Centralina di derivazione sotto plancia | |
| C15 | Massa plancia lato guida | - |
| C30 | Massa posteriore sinistra | - |
| E50 | Quadro strumenti | |
| E50 | quadro strumenti | - |
| F30 | Fanale posteriore sinistro | |
| H5 | Devioguida | - |
| H5 | Devioguida | |
| H90 | Gruppo comandi interruttori | |
| M1 | Body computer | - |
| M1 | Body computer |
Localizzazione componenti - LUCI RETRONEBBIA - Fiat DOBLO 1.9 JTD 8V da 12/03
COMPONENTI - LUCI RETRONEBBIA - Fiat DOBLO 1.9 JTD 8V da 12/03
| Codice componente | Denominazione | Riferimento al complessivo |
| B1 | Centralina di derivazione vano motore | - |
| B1 | Centralina di derivazione vano motore | |
| B1 | Centralina di derivazione vano motore | |
| B2 | Centralina di derivazione sotto plancia | |
| C15 | Massa plancia lato guida | - |
| C30 | Massa posteriore sinistra | - |
| E50 | Quadro strumenti | |
| E50 | quadro strumenti | - |
| F30 | Fanale posteriore sinistro | |
| H5 | Devioguida | - |
| H5 | Devioguida | |
| H90 | Gruppo comandi interruttori | |
| M1 | Body computer | - |
| M1 | Body computer |
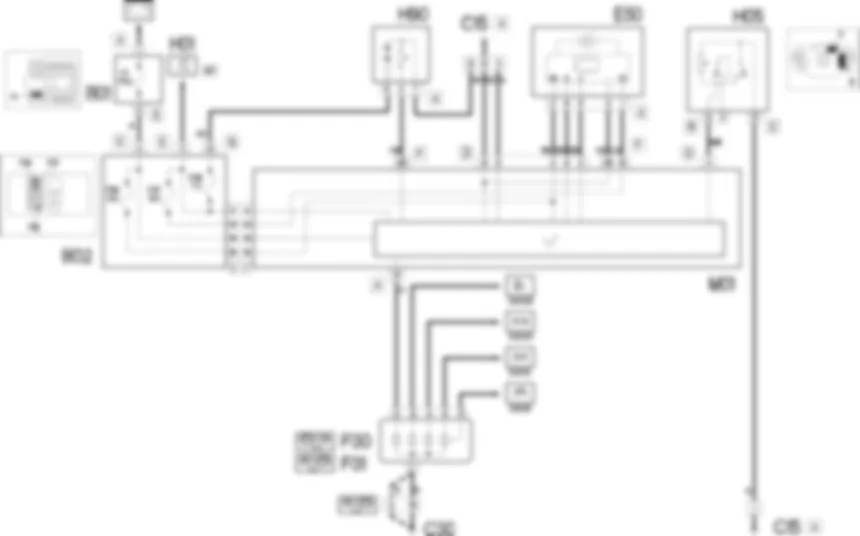
Descrizione - LUCI RETRONEBBIA - Fiat DOBLO 1.9 JTD 8V da 12/03
La vettura e dotata di una luce posteriore ad alta luminosita "retronebbia", situata nella parte posteriore sul fanale sinistro (fanale destro per le versioni guida a destra) e utilizzabile in tutti i casi di scarsa visibilita.La luce retronebbia e attivata attraverso l''apposito pulsante posto sul gruppo interruttori al centro della plancia sotto i diffusori centrali dell''aria.Il consenso per l''inserimento della luce retronebbia e subordinato all''utilizzo delle luci anabbaglianti oppure delle luci fendinebbia.Una spia sullo strumento di bordo segnala l''avvenuto inserimento delle luci retronebbia.
Descrizione funzionale - LUCI RETRONEBBIA - Fiat DOBLO 1.9 JTD 8V da 12/03
Il segnale d''attivazione delle luci retronebbia consiste in un segnale di massa proveniente dal gruppo interruttore H90 e entrante al pin 35 del connettore F del body computer M01 . H90 riceve l''alimentazione per l''illuminazione della mostrina dalla linea "sotto chiave" (INT) protetta dal fusibile F49 della centralina di derivazione sotto plancia B02 .Il body computer M01 , quando viene premuto il pulsante H90 , accende il fanale posteriore ( F30 per versione guida a sinistra e F31 per versione guida a destra) tramite il pin 31 connettore A se si e in presenza di alimentazione dalla linea sotto chiave H01 (INT) e del segnale luci anabbaglianti acceso che giunge dal devioguida H05 (pin 4 del connettore D del body computer). Contemporaneamente il body computer M01 comanda anche l''accensione della spia "luci retronebbia" situata nel quadro strumento E50 .Il quadro strumento E50 riceve l''alimentazione, attraverso il body computer M01 , tramite una linea "sotto chiave" (pin 1 connettore A) protetta dal fusibile F37 della centralina di derivazione sotto plancia B02 e da una linea proveniente direttamente dalla batteria (pin 3 connettore A) protetta dal fusibile F53 della centralina di derivazione sotto plancia B02 e dal fusibile F1 della centralina di derivazione vano motore B01 . Entrambe le linee provengono dal body computer M01 ; cosi come la linea di massa (pin 2 connettore A) e le linee seriali ai pin 8 e 9 del connettore A.













































