Componenti - ABS - Fiat DOBLO 1.9 JTD 8V da 12/03
| Codice componente | Denominazione | Riferimento al complessivo |
| B001 | CENTRALINA DI DERIVAZIONE | |
| B2 | CENTRALINA DI DERIVAZIONE SOTTO PLANCIA | |
| C012 | MASSA ANTERIORE ABS | |
| C15 | MASSA PLANCIA LATO GUIDA | |
| E50 | QUADRO STRUMENTI | |
| H001 | COMMUTATORE DI ACCENSIONE | |
| I030 | INTERRUTTORE PEDALE FRENO | |
| M001 | BODY COMPUTER | |
| K070 | SENSORE RUOTA ANTERIORE SX. PER ABS | |
| K071 | SENSORE RUOTA ANTERIORE DX. PER ABS | |
| K075 | SENSORE RUOTA POSTERIORE SX. PER ABS | |
| K076 | SENSORE RUOTA POSTERIORE DX. PER ABS | |
| M50 | CENTRALINA ABS |
| Codice componente | Denominazione | Riferimento al complessivo |
| B001 | CENTRALINA DI DERIVAZIONE | |
| B2 | CENTRALINA DI DERIVAZIONE SOTTO PLANCIA | |
| C012 | MASSA ANTERIORE ABS | |
| C15 | MASSA PLANCIA LATO GUIDA | |
| E50 | QUADRO STRUMENTI | |
| H001 | COMMUTATORE DI ACCENSIONE | |
| I030 | INTERRUTTORE PEDALE FRENO | |
| M001 | BODY COMPUTER | |
| K070 | SENSORE RUOTA ANTERIORE SX. PER ABS | |
| K071 | SENSORE RUOTA ANTERIORE DX. PER ABS | |
| K075 | SENSORE RUOTA POSTERIORE SX. PER ABS | |
| K076 | SENSORE RUOTA POSTERIORE DX. PER ABS | |
| M50 | CENTRALINA ABS |
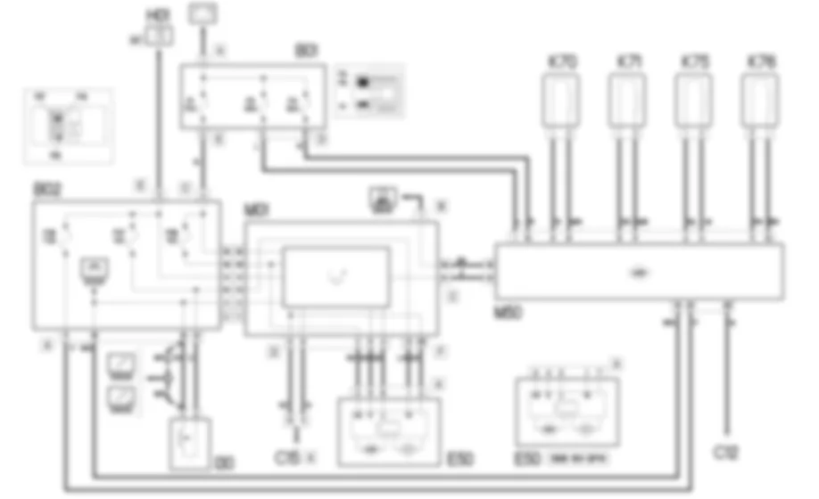
Il sistema elettronico di anti-bloccaggio delle ruote regola la pressione di frenata trasmessa alle ruote impedendone la perdita di aderenza in qualsiasi condizione di pneumatici e di fondo stradale.Il sistema e stato progettato in modo da integrare e non sostituire il normale impianto di frenatura meccanica, garantendo in tal modo una efficace sicurezza in caso di anomalie: l''intervento viene infatti effettuato sullo stesso fluido dei freni del tradizionale circuito idraulico.Quattro sensori, posizionati sulle quattro ruote, segnalano in ogni istante alla centralina elettronica di controllo la velocita di ciascuna ruota, registrando cosi situazioni di bloccaggio delle stesse, di slittamento e perdita di aderenza.In tali situazioni la centralina comanda opportunamente delle elettrovalvole che modulano la pressione nel circuito idraulico, eliminando il bloccaggio e riportando la vettura al limite di aderenza, il che permette di ottenere il minor spazio di frenata possibile, senza inoltre perdere il controllo sullo sterzo.Le elettrovalvole di regolazione sono due (una di carico ed una di scarico della pressione) per ciascuna ruota.I sensori sono di tipo "attivo", cioe sono costituiti da un captatore, che si affaccia su un codificatore magnetico integrato nel cuscinetto del mozzo: in tali condizioni il segnale e meno influenzato dei disturbi elettromagnetici e dalla temperatura.Inoltre la centralina gestisce la ripartizione del carico di frenata nell''asse posteriore, sostituendo il ripartitore di frenata meccanico utilizzato in precedenza (funzione "EBD": Electronic Brake Distribution").La centralina e dotata di autodiagnosi: quando rileva un errore nella funzione "ABS" e fa accendere la spia relativa e contemporaneamente disattiva il sistema: pertanto in tali condizioni la vettura frena con il solo sistema tradizionale.Quando la centralina rileva anche un errore della funzione "EBD", fa accendere ancora la spia "avaria ABS" ma anche la spia "insufficiente livello liquido freni" e " freno a mano inserito”.In tali condizioni viene anche disattivato il controllo della ripartizione di frenata posteriore, e la vettura deve procedere con molta cautela.Le linee di alimentazione della centralina e dei vari componenti del sistema (sensori e attuatori) sono protette da appositi maxifuse collocati all’interno della centralina vano motore.
La centralina elettronica ABS M50 e alimentata (pin 1 e 14) direttamente dalla batteria tramite due linee protette rispettivamente dai fusibili F5 ed F4 contenuti nella centralina di derivazione vano motore B01.La centralina e collegata a massa tramite il pin 26.I quattro sensori K70, K71, K75, K76 inviano i segnali velocita delle ruote rispettivamente ai pin 8-9, 6-5, 2-3, 11-12 di M50.Il contatto normalmente aperto dell’interruttore del pedale del freno I30 invia un segnale di consenso al pin 16 della centralina M50 tramite una linea passante nella centralina di derivazione sotto plancia B02.L’interruttore pedale freno I30 e alimentato “sotto chiave” (INT) attraverso la linea protetta dal fusibile F37 della centralina di derivazione sotto plancia B02.Il sistema ABS interviene solo se viene premuto il pedale del freno I30.Il segnale uscente da I30 e lo stesso che accendere le luci di stop.La centralina ABS e anche alimentata “sotto chiave” dalla linea protetta dal fusibile F42 di B02 al pin20 della centralina M50.Se la centralina ABS individua segnali di eventuali anomalie, le segnala dal rispettivo pin 10 al body computer M01 (pin 6 del connettore C) il quale a sua volta le inoltra al quadro di bordo E50 per gestire l’accensione della spia "avaria ABS" e, se i problemi riguardano la funzione EBD, la spia "insufficiente livello liquido freni" e " freno a mano inserito”.Il body computer M01 e alimentato sia “sotto chiave” che direttamente rispettivamente ai pin 11 del connettore E (INT) ed al pin A del connettore C della centralina di derivazione sotto plancia B02.Per l’alimentazione diretta esiste un fusibile di protezione F1 situato nella centralina di derivazione vano motore B01.Queste linee alimentano anche il quadro di bordo E50, pin 1 e 3 del connettore A (pin 1 e 2 del connettore A per le versioni Natural Power), sdoppiandosi all’interno della centralina di derivazione sotto plancia B02. Tali linee sono protette dai rispettivi fusibili F37 e F53.I pin 8 e 9 del connettore D del body computer M01 sono collegati a massa. Questo segnale di riferimento viene anche fornito al quadro tramite il pin 36 del body computer.La linea diagnostica si collega al pin 1 connettore B del body computer M01.
















































