Schema elettrico - ILLUMINAZIONE STRUMENTI - Fiat DOBLO 1.9 JTD 8V Da 10/2000
COMPONENTI - ILLUMINAZIONE STRUMENTI - Fiat DOBLO 1.9 JTD 8V Da 10/2000
| Codice componente | Denominazione | Riferimento al complessivo |
| B1 | Centralina di derivazione vano motore | - |
| B1 | Centralina di derivazione vano motore | |
| B1 | Centralina di derivazione vano motore | |
| B2 | Centralina di derivazione sotto plancia | |
| C15 | Massa plancia lato guida | - |
| E50 | Quadro strumenti | |
| E50 | quadro strumenti | - |
| H1 | Commutatore di accensione | |
| H5 | Devioguida | |
| M1 | Body computer |
Localizzazione componenti - ILLUMINAZIONE STRUMENTI - Fiat DOBLO 1.9 JTD 8V Da 10/2000
COMPONENTI - ILLUMINAZIONE STRUMENTI - Fiat DOBLO 1.9 JTD 8V Da 10/2000
| Codice componente | Denominazione | Riferimento al complessivo |
| B1 | Centralina di derivazione vano motore | - |
| B1 | Centralina di derivazione vano motore | |
| B1 | Centralina di derivazione vano motore | |
| B2 | Centralina di derivazione sotto plancia | |
| C15 | Massa plancia lato guida | - |
| E50 | Quadro strumenti | |
| E50 | quadro strumenti | - |
| H1 | Commutatore di accensione | |
| H5 | Devioguida | |
| M1 | Body computer |
Descrizione - ILLUMINAZIONE STRUMENTI - Fiat DOBLO 1.9 JTD 8V Da 10/2000
Tutti gli strumenti (quadranti e indicatori) sono illuminati con chiave su posizione MAR.I led del quadro strumenti sono tenuti sempre accesi allo stesso livello di luminosita.I led per l''illuminazione delle scale strumenti sono attivati al ricevimento del messaggio di luci di posizione inserite proveniente dal body computer.
Descrizione funzionale - ILLUMINAZIONE STRUMENTI - Fiat DOBLO 1.9 JTD 8V Da 10/2000
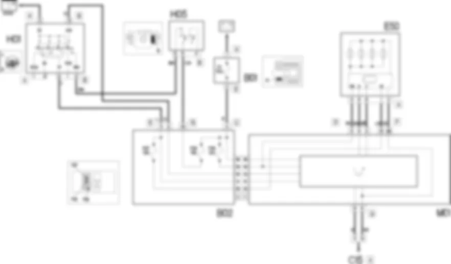
Il quadro strumento E50 riceve l''alimentazione tramite una linea "sotto chiave" e una diretta dalla batteria. La prima entra nel quadro strumento al pin 1 connettore A protetta dal fusibile F37 della centralina di derivazione sotto plancia B02 proveniente dal body computer M01 (pin 31 connettore F).La linea proveniente direttamente dalla batteria giunge dal body computer (pin 3 connettore D) al quadro strumento E50 (pin 3 connettore A) ed e protetta dal fusibile F53 della centralina di derivazione sotto plancia B02 e dal fusibile F1 della centralina di derivazione vano motore.Il quadro strumento E50 e il body comuter M01 comunicano inoltre con i pin 9 e 8 connettore A del quadro strumento rispettivamente con i pin 5 e 6 del connettore D del body computer. Esiste anche un riferimento di massa al pin 2 connettore A del quadro strumento E50 che proviene dal pin 36 connettore F de body computer.L''accensione dei led all''interno del quadro strumenti e comandato direttamente dal body computer M01 sulla base del segnali provenienti dal commutatore d''accensione H01 : il pin 2 connettore B del commutatore d''accensione porta la linea di alimentazione "sotto chiave" (INT), mentre il pin 3 connettore B porta la linea di alimentazione "sotto chiave" (POS) quando il devioguida e commutato in modo da attivare le luci di posizione.












































