Componenti - LUCI FENDINEBBIA - Fiat DOBLO 1.9 JTD 8V Fino a 10/2000
| Codice componente | Denominazione | Riferimento al complessivo |
| B001 | CENTRALINA DI DERIVAZIONE | |
| B2 | CENTRALINA DI DERIVAZIONE SOTTO PLANCIA | |
| C10 | MASSA ANTERIORE SINISTRA | |
| C15 | MASSA PLANCIA LATO GUIDA | |
| E50 | QUADRO STRUMENTI | |
| F15 | FENDINEBBIA SINISTRO | |
| F16 | FENDINEBBIA DESTRO | |
| H001 | COMMUTATORE DI ACCENSIONE | |
| H90 | GRUPPO COMANDI INTERRUTTORI | |
| M001 | BODY COMPUTER |
| Codice componente | Denominazione | Riferimento al complessivo |
| B001 | CENTRALINA DI DERIVAZIONE | |
| B2 | CENTRALINA DI DERIVAZIONE SOTTO PLANCIA | |
| C10 | MASSA ANTERIORE SINISTRA | |
| C15 | MASSA PLANCIA LATO GUIDA | |
| E50 | QUADRO STRUMENTI | |
| F15 | FENDINEBBIA SINISTRO | |
| F16 | FENDINEBBIA DESTRO | |
| H001 | COMMUTATORE DI ACCENSIONE | |
| H90 | GRUPPO COMANDI INTERRUTTORI | |
| M001 | BODY COMPUTER |
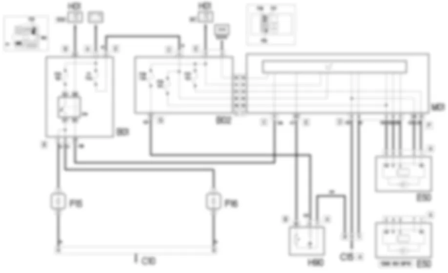
La vettura e dotata di due proiettori supplementari di profondita “fendinebbia”, utilizzabili in tutti i casi di scarsa visibilita.I proiettori fendinebbia sono attivati attraverso l’apposito pulsante sul gruppo comandi posto al centro della plancia.Il circuito dei proiettori fendinebbia e protetto da uno specifico fusibile e comandato da un teleruttore, entrambi posti nella centralina di derivazione vano motore.L’inserimento delle luci fendinebbia e subordinato all’inserimento delle luci di posizione.Inoltre se la la chiave viene portata su STOP o le luci di posizione vengono disinserite, i fendinebbia vengono disattivati anche se il relativo pulsante di inserimento e stato premuto.Una spia sullo strumento di bordo segnala l’avvenuto inserimento delle luci fendinebbia.
Il segnale d’attivazione delle luci fendinebbia consiste in un segnale di massa proveniente dal gruppo interruttore H90 entrante al pin 20 del connettore E del body computer M01. In presenza del segnale luci di posizione (pin 2 del connettore E della centralina di derivazione B02), H90 riceve l’alimentazione per l’illuminazione della mostrina tramite una linea protetta dal fusibile F49 della centralina di derivazione sotto plancia B02 dalla linea “sotto chiave”(INT).Il body computer M01, in presenza del segnale luci di posizione e interruttore H90 chiuso, invia un segnale di massa che eccita il teleruttore R14 posto nella centralina di derivazione vano motore B01 tramite l’uscita del body computer al pin 8 connettore C. Contemporaneamente il body computer M01 comanda anche l’accensione della spia “fendinebbia inseriti” situata nel quadro strumento E50.Il teleruttore R14 viene alimentato dalla linea “sotto chiave” (15/54) e la sua uscita alimenta le due luci fendinebbia poste negli appositi proiettori: sinistro F15 e destro F16, rispettivamente dai pin 4 e 5 del connettore B della centralina di derivazione vano motore B01.Il body computer puo essere alimentato tramite il pin 11 connettore E (alimentazione “sotto chiave”) e il pin A connettore C (alimentazione diretta) della centralina di derivazione B02. Per l’alimentazione diretta esiste un fusibile di protezione F1 situato nella centralina di derivazione B01.Queste linee alimentano anche il quadro di bordo E50 tramite due linee protette dai fusibili F37 e F53.I pin 8 e 9 del connettore D del body computer sono invece collegati a massa.














































