Componenti - SBRINAMENTO LUNOTTO E SPECCHI RETROVISORI - Fiat DOBLO 1.9 JTD 8V Fino a 10/2000
| Codice componente | Denominazione | Riferimento al complessivo |
| B001 | CENTRALINA DI DERIVAZIONE | |
| B2 | CENTRALINA DI DERIVAZIONE SOTTO PLANCIA | |
| C15 | MASSA PLANCIA LATO GUIDA | |
| C030 | MASSA POSTERIORE SINISTRA | |
| D004 | GIUNZIONE ANTERIORE/MOTORE | |
| D30 | GIUNZIONE POSTERIORE/PORTA ANT. LATO GUIDA | |
| D31 | GIUNZIONE POSTERIORE/PORTA ANT. LATO PASSEGGERO | |
| D085 | GIUNZIONE POSTERIORE/PORTELLONE | |
| E50 | QUADRO STRUMENTI | |
| H001 | COMMUTATORE DI ACCENSIONE | |
| H90 | GRUPPO COMANDI INTERRUTTORI | |
| K84 | SENSORE TACHIMETRO | |
| M001 | BODY COMPUTER | |
| P53 | LUNOTTO TERMICO DESTRO | |
| P54 | LUNOTTO TERMICO SINISTRO | |
| P60 | SPECCHIO RETROVISORE ESTERNO LATO GUIDA | |
| P61 | SPECCHIO RETROVISORE ESTERNO LATO PASSEGGERO |
| Codice componente | Denominazione | Riferimento al complessivo |
| B001 | CENTRALINA DI DERIVAZIONE | |
| B2 | CENTRALINA DI DERIVAZIONE SOTTO PLANCIA | |
| C15 | MASSA PLANCIA LATO GUIDA | |
| C030 | MASSA POSTERIORE SINISTRA | |
| D004 | GIUNZIONE ANTERIORE/MOTORE | |
| D30 | GIUNZIONE POSTERIORE/PORTA ANT. LATO GUIDA | |
| D31 | GIUNZIONE POSTERIORE/PORTA ANT. LATO PASSEGGERO | |
| D085 | GIUNZIONE POSTERIORE/PORTELLONE | |
| E50 | QUADRO STRUMENTI | |
| H001 | COMMUTATORE DI ACCENSIONE | |
| H90 | GRUPPO COMANDI INTERRUTTORI | |
| K84 | SENSORE TACHIMETRO | |
| M001 | BODY COMPUTER | |
| P53 | LUNOTTO TERMICO DESTRO | |
| P54 | LUNOTTO TERMICO SINISTRO | |
| P60 | SPECCHIO RETROVISORE ESTERNO LATO GUIDA | |
| P61 | SPECCHIO RETROVISORE ESTERNO LATO PASSEGGERO |
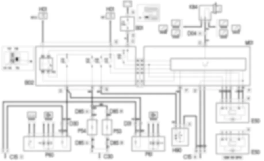
L’inserimento delle resistenze si sbrinamento del lunotto termico e degli specchi retrovisori esterni, viene comando dal pulsante apposito, posto nel gruppo interruttori al centro della plancia.Il circuito di sbrinamento e protetto da uno specifico fusibile e comandato da un teleruttore, posti nella centralina di derivazione sotto plancia.Il comando viene poi disinserito in due modi:- MANUALMENTE: ripremendo il suddetto pulsante;- AUTOMATICAMENTE: dopo venti minuti di funzionamento effettivo, cioe con comando attivo.Il funzionamento automatico del lunotto e legato al numero di giri del motore.La logica di inserimento/disinserimento e la seguente:- i primi dieci minuti di funzionamento sono indipendenti dal funzionamento del motore;- i seguenti minuti dipendono invece dal funzionamento del motore e precisamente: se il numero di giri e inferiore a 1000 r.p.m. per un tempo di dieci secondi il lunotto si disinserisce, altrimenti se il numero di giri e superiore a 1000 r.p.m. rimane inserito fino al raggiungimento dei venti minuti effettivi di funzionamento.Se la tensione della batteria scendesse al di sotto degli 8,5V , il teleruttore di comando del lunotto termico disinserirebbe il circuito.
Il segnale d’attivazione dello sbrinamento del lunotto e degli specchi retrovisori consiste in un segnale di massa proveniente dal gruppo interruttore H90 entrante al pin 32 del connettore F del body computer M01.L’ideogramma dell’interruttore H90 e illuminato con l’alimentazione “sotto chiave” (INT) al pin 6 tramite una linea protetta dal fusibile F49 della centralina di derivazione sotto plancia B02.Il body computer M01 per attivare lo sbrinamento del lunotto e degli specchi retrovisori riceve il segnale, oltre che dall’interruttore H90, anche dal sensore tachimetro K84 tramite il pin 17 connettore C. Se necessario eccita poi il teleruttore R11 posto nella centralina di derivazione sotto plancia B02.Una volta eccitato, il teleruttore R11 alimenta: il lunotto termico sinistro P54 e il lunotto termico destro P53 attraverso il fusibile F40, gli specchi sinistro P60 e destro P61 attraverso il fusibile F41.Una volta attivata la funzione, il body computer M01 si occupa di illuminare la relativa spia sul quadro strumenti E50 dai pin 6 e 5 connettore D del body computer stesso.Il body computer puo essere alimentato tramite il pin 11 connettore E (alimentazione “sotto chiave”) e il pin A connettore C (alimentazione diretta) della centralina di derivazione B02.Per l’alimentazione diretta esiste un fusibile di protezione F1 situato nella centralina di derivazione B01.Queste linee alimentano anche il quadro di bordo E50 tramite due linee protette dai fusibili F37 (pin 1 connettore A) e F53 (pin 3 connettore A; per la versione Natural Power, pin 2 connettore A).I pin 8 e 9 del connettore D del body computer sono invece collegati a massa.







































































