Componenti - LUCE CASSETTO - LUCE BAULE - LUCE ANTINA PARASOLE - Fiat DOBLO 1.9 JTD 8V Fino a 10/2000
| Codice componente | Denominazione | Riferimento al complessivo |
| B001 | CENTRALINA DI DERIVAZIONE | |
| B2 | CENTRALINA DI DERIVAZIONE SOTTO PLANCIA | |
| C15 | MASSA PLANCIA LATO GUIDA | |
| C030 | MASSA POSTERIORE SINISTRA | |
| D085 | GIUNZIONE POSTERIORE/PORTELLONE | |
| G40 | PLAFONIERA BAULE | |
| H001 | COMMUTATORE DI ACCENSIONE | |
| I11 | INTERRUTTORE APERTURA BAULE | |
| I21 | INTERRUTTORE SU PORTA BATTENTE POSTERIORE | |
| M001 | BODY COMPUTER |
| Codice componente | Denominazione | Riferimento al complessivo |
| B001 | CENTRALINA DI DERIVAZIONE | |
| B2 | CENTRALINA DI DERIVAZIONE SOTTO PLANCIA | |
| C15 | MASSA PLANCIA LATO GUIDA | |
| C030 | MASSA POSTERIORE SINISTRA | |
| D085 | GIUNZIONE POSTERIORE/PORTELLONE | |
| G40 | PLAFONIERA BAULE | |
| H001 | COMMUTATORE DI ACCENSIONE | |
| I11 | INTERRUTTORE APERTURA BAULE | |
| I21 | INTERRUTTORE SU PORTA BATTENTE POSTERIORE | |
| M001 | BODY COMPUTER |
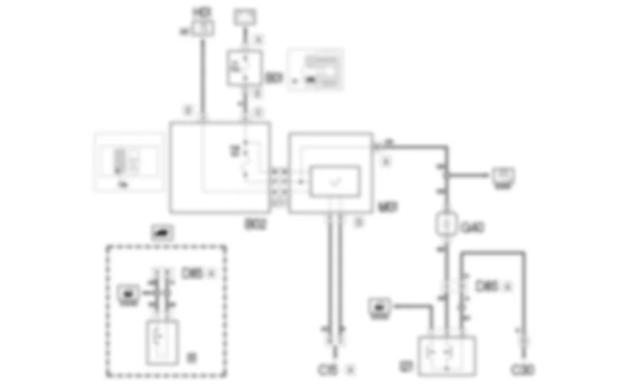
L’illuminazione del bagagliaio (presente solo per la versione Doblo), tramite l’apposita plafoniera posta sulla sinistra del medesimo, avviene all’apertura della porta battente o basculante (a seconda della versione), grazie all’interruttore apertura baule.Il circuito della luce baule e alimentato direttamente dalla batteria.
Il body computer M01 e alimentato sia “sotto chiave” (INT) che direttamente rispettivamente al pin 11 del connettore E ed al pin A del connettore C della centralina di derivazione sotto plancia B02.L’alimentazione dalla plafoniera baule G40 giunge dalla batteria tramite una linea protetta da due fusibili in serie: dal fusibile F1 situato nella centralina di derivazione B01 e dal fusibile F39 situato sulla centralina deviazione sotto plancia B02; tale linea attraversa il body computer M01 giungendo alla plafoniera baule dal pin 33 connettore A.La plafoniera baule G40 riceve la massa proveniente dal pin 3 della serratura portellone I21 (pin 1 di I11 con porta basculante).La serratura I21 e collegata a massa al pin 2.I pin 8 e 9 del connettore D del body computer sono collegati a massa.
















































