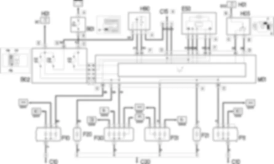
Wiring diagram - DIRECTION INDICATORS / HAZARD WARNING LIGHTS - Fiat DOBLO 1.9 JTD 8V da 12/03
COMPONENTS - DIRECTION INDICATORS / HAZARD WARNING LIGHTS - Fiat DOBLO 1.9 JTD 8V da 12/03
| Component code | Name | Assembly reference |
| B1 | Engine compartment junction unit | - |
| B1 | Engine compartment junction unit | |
| B1 | Engine compartment junction unit | |
| B2 | Junction unit under dashboard | |
| C10 | Front left earth | - |
| C15 | Facia earth, driver''s side | - |
| C30 | Left rear earth | - |
| C40 | Earth on engine | - |
| E50 | Instrument panel | - |
| E50 | Instrument panel | |
| F10 | Left headlamp | |
| F11 | Right headlamp | |
| F20 | Left side repeater | |
| F21 | Right side repeater | |
| F30 | Rear left light cluster | |
| F31 | Rear right light cluster | |
| H5 | Stalk unit | |
| H5 | Steering column switch unit | - |
| H90 | Switch control unit | |
| M1 | Body computer | - |
| M1 | Body computer |
Location of components - DIRECTION INDICATORS / HAZARD WARNING LIGHTS - Fiat DOBLO 1.9 JTD 8V da 12/03
COMPONENTS - DIRECTION INDICATORS / HAZARD WARNING LIGHTS - Fiat DOBLO 1.9 JTD 8V da 12/03
| Component code | Name | Assembly reference |
| B1 | Engine compartment junction unit | - |
| B1 | Engine compartment junction unit | |
| B1 | Engine compartment junction unit | |
| B2 | Junction unit under dashboard | |
| C10 | Front left earth | - |
| C15 | Facia earth, driver''s side | - |
| C30 | Left rear earth | - |
| C40 | Earth on engine | - |
| E50 | Instrument panel | - |
| E50 | Instrument panel | |
| F10 | Left headlamp | |
| F11 | Right headlamp | |
| F20 | Left side repeater | |
| F21 | Right side repeater | |
| F30 | Rear left light cluster | |
| F31 | Rear right light cluster | |
| H5 | Stalk unit | |
| H5 | Steering column switch unit | - |
| H90 | Switch control unit | |
| M1 | Body computer | - |
| M1 | Body computer |
Description - DIRECTION INDICATORS / HAZARD WARNING LIGHTS - Fiat DOBLO 1.9 JTD 8V da 12/03
The direction indicators and hazard warning lights delimit the outer dimensions of the car.The left and right direction indicators are operated by raising or lowering the appropriate lever on the stalk unit.The hazard warning lights (right and left direction indicators operated simultaneously) are turned on by the pressing the red button at the centre of the dashboard.The turn signals are activated with the ignition key on; For safety reasons, the hazard warning lights can be turned on at any time, as they are supplied directly from the battery.The circuits for the direction indicators and hazard warning lights are protected by two different fuses.Two warning lights on the dashboard, also flashing, indicate when the left and right direction indicators are turned on - they come on simultaneously if the hazard warning lights are switched on.
Functional description - DIRECTION INDICATORS / HAZARD WARNING LIGHTS - Fiat DOBLO 1.9 JTD 8V da 12/03
The circuit is controlled by the body computer M01 which receives a signal to activate the direction indicators from both the steering column switch unit H05 (at pin 7 connector D, pin 30 connector F) and from the switch unit H90 (at pins 29 and 34 of connector F).The steering column switch unit H05 receives a supply controlled by the ignition (STAZ) at pin 5 connector B, whilst the control unit H90 receives a supply controlled by the ignition (INT) at pin 6 connector A via a line protected by fuse F49 housed in the junction unit under the dashboard B02 .























































