Components - DIRECTION INDICATORS / HAZARD WARNING LIGHTS - Fiat DOBLO 1.9 JTD 8V da 12/03
| Component code | Description | Reference to the assembly |
| B001 | JUNCTION UNIT | |
| B2 | JUNCTION UNIT UNDER DASHBOARD | |
| C10 | LEFT FRONT EARTH | |
| C15 | DASHBOARD EARTH, DRIVER''S SIDE | |
| C030 | LEFT REAR EARTH | |
| E50 | INSTRUMENT PANEL | |
| F010 | LEFT HEADLAMP | |
| F011 | RIGHT HEADLAMP | |
| F020 | LEFT SIDE REPEATER | |
| F021 | RIGHT SIDE REPEATER | |
| F030 | LEFT REAR LIGHT CLUSTER | |
| F031 | RIGHT REAR LIGHT CLUSTER | |
| H001 | IGNITION SWITCH | |
| H5 | STEERING COLUMN SWITCH UNIT | |
| H90 | SWITCH CONTROL UNIT | |
| M001 | BODY COMPUTER |
| Component code | Description | Reference to the assembly |
| B001 | JUNCTION UNIT | |
| B2 | JUNCTION UNIT UNDER DASHBOARD | |
| C10 | LEFT FRONT EARTH | |
| C15 | DASHBOARD EARTH, DRIVER''S SIDE | |
| C030 | LEFT REAR EARTH | |
| E50 | INSTRUMENT PANEL | |
| F010 | LEFT HEADLAMP | |
| F011 | RIGHT HEADLAMP | |
| F020 | LEFT SIDE REPEATER | |
| F021 | RIGHT SIDE REPEATER | |
| F030 | LEFT REAR LIGHT CLUSTER | |
| F031 | RIGHT REAR LIGHT CLUSTER | |
| H001 | IGNITION SWITCH | |
| H5 | STEERING COLUMN SWITCH UNIT | |
| H90 | SWITCH CONTROL UNIT | |
| M001 | BODY COMPUTER |
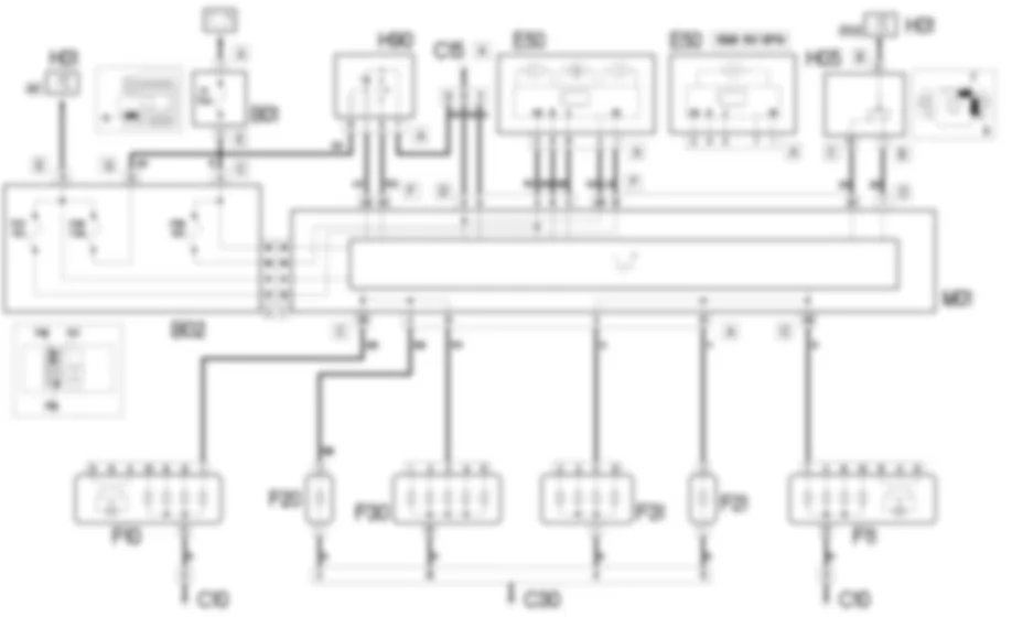
The flashing turn signal and hazard lights delimit the vehicle''s bulk.The right and left side turn signals are activated by raising or lowering a steering wheel stalk switch.The hazard warning lights (right and left side indicators operated simultaneously) are activated by means of a red button in the centre of the control panel in the dashboard.The turn signals are ignition-operated but the hazard warning lights can always be operated for safety reasons because they are supplied directly by the battery.The turn signal and hazard warning light circuits are protected by two different fuses.Two warning lights on the instrument panel, also intermittent, indicate activation of the right and left indicators. They come on simultaneously if the hazard warning lights are activated.The Comfort instrument panel also offers a turn signal/hazard light check function.Faults are detected by vehicle branch (right and left side), in this case the Body Computer sends the fault status to the instrument panel via the CAN network, which turns on the relevant exterior light fault warning light and simultaneously shows the information on the display.
The circuit is controlled by body computer M01, which receives a turn signal activation signal from stalk unit H05 (at pin 7 connector D, at pin 30 connector F) and also from switch control unit H90 (at pins 29 and 34 connector F).Stalk unit H05 receives an ignition-operated supply (STAZ) at pin 5 connector B while control unit H90 receives an ignition-operated supply line (INT) at pin 6 connector A via a line protected by fuse F49 in under-dashboard junction unit B02.Once the turn signal control is operated, body computer M01 supplies the turn signals as appropriate.- left front headlamp F10 from pin 38 of connector C;- right front headlamp F11 from pin 39 of connector C;- left tail-light F30 from pin 12 of connector A;- right tail-light F31 from pin 3 of connector A;- left side turn signal F20 from pin 2 of connector A;- right side turn signal F21 from pin 13 of connector A;Simultaneously body computer M01 turns on the relevant warning light on instrument panel E50 via pins 5 and 6 of connector D.The red led in the switch comes on intermittently when the switch on control unit H090 is pressed.Via pins 29 and 34 connect F entering the body computer, H90 enables the power supply to all the turn signal/hazard lights. Body computer M01 is supplied via the igntion and directly at pin 11 of connector E (INT) and at pin A of connector C respectively from under-dashboard junction unit B02.Fuse F1 in junction unit B01 protects the direct power supply.These lines also supply the control panel, splitting inside under-dashboard junction unit B02. These lines are protected by fuses F37 and F53.In the Comfort version of the control panel, if the circuit or bulbs are faulty, the Body Computer communicates with the instrument panel (pins 9 and 10 of connector A) via the CAN line (pins 5 and 6 of connector I) to turn on the exterior lighting fault warning light and all the messages available on the display.Pins 8 and 9 of connector D of the body computer M01 are earthed. This reference signal is supplied to the panel via pin 36 of body computer connector F.

























































