Components - REAR WINDOW WASH/WIPE - Fiat DOBLO 1.9 JTD 8V da 12/03
| Component code | Description | Reference to the assembly |
| B001 | JUNCTION UNIT | |
| B2 | JUNCTION UNIT UNDER DASHBOARD | |
| C10 | LEFT FRONT EARTH | |
| C15 | DASHBOARD EARTH, DRIVER''S SIDE | |
| C030 | LEFT REAR EARTH | |
| D085 | TAILGATE/REAR SEAL | |
| H001 | IGNITION SWITCH | |
| H5 | STEERING COLUMN SWITCH UNIT | |
| N016 | REAR WINDOW WIPER MOTOR | |
| N22 | WINDSCREEN/REARSCREEN ELECTRIC WASHER PUMP MOTOR |
| Component code | Description | Reference to the assembly |
| B001 | JUNCTION UNIT | |
| B2 | JUNCTION UNIT UNDER DASHBOARD | |
| C10 | LEFT FRONT EARTH | |
| C15 | DASHBOARD EARTH, DRIVER''S SIDE | |
| C030 | LEFT REAR EARTH | |
| D085 | TAILGATE/REAR SEAL | |
| H001 | IGNITION SWITCH | |
| H5 | STEERING COLUMN SWITCH UNIT | |
| N016 | REAR WINDOW WIPER MOTOR | |
| N22 | WINDSCREEN/REARSCREEN ELECTRIC WASHER PUMP MOTOR |
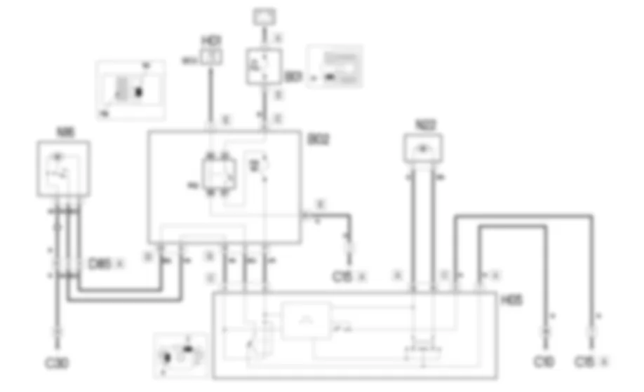
The rearscreen wiper is activated by turning the ring nut on the end of the lever on the right of the steering wheel.This allows intermittent operation of the rear wiper.Pushing the lever gently towards the facia (unstable operation) activates the rearscreen washer function, via the windscreen washer pump, which rotates in the opposite direction and sends the detergent fluid towards the back.When the lever is held down, the rear wiper is activated and operates until the lever is released and continues for another stroke or so.The rear wiper may be operated only with the key ON.The rear wash/wipe circuit is protected by a special fuse and controlled by a relay (that also controls therear wash/wipe circuit) in the under-dashboard junction unit.The rear wiper is regulated by a device built into the stalk unit.
Rear window wash/wipe operation is controlled by a switch in stalk unit H05 and the ignition-operated power supply from ignition switch H01 (INT/A).The power supply to stalk unit H05 reaches pin 2 of connector C via the output at pin 17 of connector G of under-dashboard junction unit B02. Inside control unit B02, this line leads from relay R12 through a line protected by fuse F52. The power supply to the relay is received from the line protected by fuse F1 in junction unit B01 from pin A connector C of under-dashboard control unit B02.The operation of relay R12 is determined by an ignition-operated supply line (INT/A) entering under-dashboard junction unit B02 at pin 1 connector E.Steering wheel stalk unit H05 controls rear wiper N16 via two lines (pins 4 and 3 of connector C) passing from under facia junction unit B02 (input: pin 15 and 11 connector G, output: pins 9 and 20 connector D).Stalk unit H05 also controls the windscreen/rear screen washer pump N22 via pins 12 and 10 connector A of the stalk unit, sending a supply signal and earth signal from pins 12 and 10 connector A.Stalk unit H05 is earthed at pin 7 connector A and pin 5 connector C.









































