Wiring diagram - HEATED REAR WINDSCREEN AND DOOR MIRROR DEFROSTING - Fiat DOBLO 1.9 JTD 8V da 12/03
COMPONENTS - HEATED REAR WINDSCREEN AND DOOR MIRROR DEFROSTING - Fiat DOBLO 1.9 JTD 8V da 12/03
| Component code | Name | Assembly reference |
| B1 | Engine compartment junction unit | - |
| B1 | Engine compartment junction unit | |
| B1 | Engine compartment junction unit | |
| B2 | Junction unit under dashboard | - |
| B2 | Junction unit under dashboard | |
| C15 | Facia earth, driver''s side | - |
| C30 | Left rear earth | - |
| D4 | Front/engine coupling | - |
| D4 | Front/engine coupling | |
| D30 | Front left door connection | - |
| D31 | Front right door connection | - |
| D85 | Tailgate rear seal/ | - |
| D85 | Tailgate/ rear coupling | - |
| E50 | Instrument panel | - |
| E50 | Instrument panel | |
| H90 | Switch control unit | |
| K84 | Speedometer sensor | |
| M1 | Body computer | |
| P53 | Right heated rear windscreen | |
| P54 | Left heated rear windscreen | |
| P60 | Left door mirror | |
| P61 | Right door mirror |
Location of components - HEATED REAR WINDSCREEN AND DOOR MIRROR DEFROSTING - Fiat DOBLO 1.9 JTD 8V da 12/03
COMPONENTS - HEATED REAR WINDSCREEN AND DOOR MIRROR DEFROSTING - Fiat DOBLO 1.9 JTD 8V da 12/03
| Component code | Name | Assembly reference |
| B1 | Engine compartment junction unit | - |
| B1 | Engine compartment junction unit | |
| B1 | Engine compartment junction unit | |
| B2 | Junction unit under dashboard | - |
| B2 | Junction unit under dashboard | |
| C15 | Facia earth, driver''s side | - |
| C30 | Left rear earth | - |
| D4 | Front/engine coupling | - |
| D4 | Front/engine coupling | |
| D30 | Front left door connection | - |
| D31 | Front right door connection | - |
| D85 | Tailgate rear seal/ | - |
| D85 | Tailgate/ rear coupling | - |
| E50 | Instrument panel | - |
| E50 | Instrument panel | |
| H90 | Switch control unit | |
| K84 | Speedometer sensor | |
| M1 | Body computer | |
| P53 | Right heated rear windscreen | |
| P54 | Left heated rear windscreen | |
| P60 | Left door mirror | |
| P61 | Right door mirror |
Description - HEATED REAR WINDSCREEN AND DOOR MIRROR DEFROSTING - Fiat DOBLO 1.9 JTD 8V da 12/03
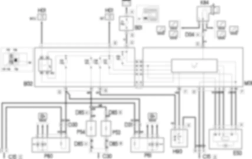
The rear window and door mirror heater coils are activated by a button in the switch unit in the middle of the facia.The defrosting circuit is protected by a special fuse and controlled by a relay both located in the junction unit under the dashboard.
Functional description - HEATED REAR WINDSCREEN AND DOOR MIRROR DEFROSTING - Fiat DOBLO 1.9 JTD 8V da 12/03
The activation signal for defrosting the rearscreen and the door mirrors consists of an earth signal coming from the switch unit H90 entering at pin 32 of connector F of the body computer M01 . The ideogram for the switch H90 is lit up by the supply controlled by the ignition (INT) at pin 6 via a line protected by fuse F49 of the junction unit under the dashboard B02 .In order to activate the defrosting of the rearscreen and the rear view mirrors, the body computer M01 receives a signal from both switch H90 and the speedometer sensor K84 via pin 17 connector C. If necessary, it then energizes the relay R11 in the junction unit under the dashboard B02 .Once energized, the relay R11 supplies: the left heated rear windscreen P54 and the right heated rear windscreen P53 via fuse F40 and the left P60 and right P61 mirrors via fuse F41 .Once the function is activated, the body computer M01 is involved in lghting up the warning light in the instrument panel E50 from pins 6 and 5 of connector D of the body computer.The instrument panel is earthed via the body computer, from pin 2 of connector A.The body computer can be supplied via pin 11 connector E (supply controlled by the ignition) and pin A connector C (direct supply) of the junction unit B02 . There is a protective fuse F1 for the direct supply located in the junction unit B01 .These lines also supply the instrument panel E50 via two lines protected by fuses F37 (pin 1 connector A) and F53 (pin 3 connector A).Pins 8 and 9 connector D of the body computer are connected to earth.



































































