Components - CENTRAL LOCKING - Fiat DOBLO 1.9 JTD 8V da 12/03
| Component code | Description | Reference to the assembly |
| B001 | JUNCTION UNIT | |
| B2 | JUNCTION UNIT UNDER DASHBOARD | |
| C15 | DASHBOARD EARTH, DRIVER''S SIDE | |
| C030 | LEFT REAR EARTH | |
| D30 | REAR/DRIVER''S FRONT DOOR COUPLING | |
| D31 | REAR/PASSENGER FRONT DOOR COUPLING | |
| D085 | TAILGATE/REAR SEAL | |
| D097 | SHORT CIRCUITING COUPLING | |
| D196 | LEFT SLIDING SIDE DOOR COUPLING | |
| D197 | RIGHT SLIDING SIDE DOOR COUPLING | |
| E50 | INSTRUMENT PANEL | |
| H001 | IGNITION SWITCH | |
| I11 | BOOT OPENING SWITCH | |
| I21 | SWITCH ON REAR DOOR | |
| M001 | BODY COMPUTER | |
| N50 | DRIVER''S FRONT DOOR LOCK GEARED MOTOR | |
| N51 | PASSENGER FRONT DOOR LOCK GEARED MOTOR | |
| N52 | REAR DOOR LOCK GEARED MOTOR | |
| N057 | BOOT LOCK GEARED MOTOR | |
| N166 | LEFT SLIDING SIDE DOOR LOCK GEARED MOTOR | |
| N167 | RIGHT SLIDING SIDE DOOR LOCK GEARED MOTOR | |
| P93 | RECEIVER AERIAL FOR ALARM AND CENTRAL LOCKING |
| Component code | Description | Reference to the assembly |
| B001 | JUNCTION UNIT | |
| B2 | JUNCTION UNIT UNDER DASHBOARD | |
| C15 | DASHBOARD EARTH, DRIVER''S SIDE | |
| C030 | LEFT REAR EARTH | |
| D30 | REAR/DRIVER''S FRONT DOOR COUPLING | |
| D31 | REAR/PASSENGER FRONT DOOR COUPLING | |
| D085 | TAILGATE/REAR SEAL | |
| D097 | SHORT CIRCUITING COUPLING | |
| D196 | LEFT SLIDING SIDE DOOR COUPLING | |
| D197 | RIGHT SLIDING SIDE DOOR COUPLING | |
| E50 | INSTRUMENT PANEL | |
| H001 | IGNITION SWITCH | |
| I11 | BOOT OPENING SWITCH | |
| I21 | SWITCH ON REAR DOOR | |
| M001 | BODY COMPUTER | |
| N50 | DRIVER''S FRONT DOOR LOCK GEARED MOTOR | |
| N51 | PASSENGER FRONT DOOR LOCK GEARED MOTOR | |
| N52 | REAR DOOR LOCK GEARED MOTOR | |
| N057 | BOOT LOCK GEARED MOTOR | |
| N166 | LEFT SLIDING SIDE DOOR LOCK GEARED MOTOR | |
| N167 | RIGHT SLIDING SIDE DOOR LOCK GEARED MOTOR | |
| P93 | RECEIVER AERIAL FOR ALARM AND CENTRAL LOCKING |
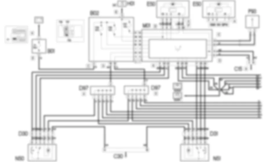
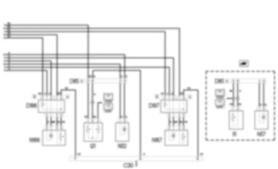
The front and rear door lock motors are operated simultaneously by using:- the key;- the front door switches (knobs);- the remote control.Lock operation: all four side doors lock simultaneously when one of the two front doors is locked with a key or remote control when all the doors are properly closed.Lock release operation: the door locks of the four side doors release when one of the two front doors is unlocked using the key or remote control.This control logic is controlled by the body computer node
Body computer M01 receives front door lock control signals at pins 24 and 34 (release/lock) for driver side gear motor N50 and at pins 17 and 35 (release/lock) for passenger side gear motor N51.Door lock operation may also be activated using the remote control via aerial P93 connected to pins 21 and 31 of connector C of the body computer.The locks communicate their open or closed status to body computer M01 at connector respectively at pins:- 8 driver side front door;- 25 passenger side front door;- 16 and 26 left and right sliding side doors;- 36 boot switch (with side-hinged door and up and over tailgate).Body computer M01 controls the door lock motors via short-circuiting junctions D97 from pins 16 and 18 connector D of under-dashboard junction unit B02.Body computer M01 is supplied directly from the battery at pin A of connector C of under-dashboard junction unit B02 .The direct power supply is protected by fuse F1 in engine compartment junction unit B01.Pins 8 and 9 of connector D of the body computer are earthed.With the key ON, if one of the doors is opened the door open warning light lights up on instrument panel E50.The supply lines that reach junction unit B02 via pin 11 connector E and pin A connector C also supply control panel E50 via two lines protected by fuses F37 and F53.
















































































