Components - ELECTRIC FRONT WINDOWS - Fiat DOBLO 1.9 JTD 8V da 12/03
| Component code | Description | Reference to the assembly |
| B001 | JUNCTION UNIT | |
| B2 | JUNCTION UNIT UNDER DASHBOARD | |
| C15 | DASHBOARD EARTH, DRIVER''S SIDE | |
| D30 | REAR/DRIVER''S FRONT DOOR COUPLING | |
| D31 | REAR/PASSENGER FRONT DOOR COUPLING | |
| H001 | IGNITION SWITCH | |
| H90 | SWITCH CONTROL UNIT | |
| M001 | BODY COMPUTER | |
| N60 | DRIVER''S FRONT DOOR ELECTRIC WINDOW MOTOR | |
| N61 | PASSENGER FRONT DOOR ELECTRIC WINDOW MOTOR |
| Component code | Description | Reference to the assembly |
| B001 | JUNCTION UNIT | |
| B2 | JUNCTION UNIT UNDER DASHBOARD | |
| C15 | DASHBOARD EARTH, DRIVER''S SIDE | |
| D30 | REAR/DRIVER''S FRONT DOOR COUPLING | |
| D31 | REAR/PASSENGER FRONT DOOR COUPLING | |
| H001 | IGNITION SWITCH | |
| H90 | SWITCH CONTROL UNIT | |
| M001 | BODY COMPUTER | |
| N60 | DRIVER''S FRONT DOOR ELECTRIC WINDOW MOTOR | |
| N61 | PASSENGER FRONT DOOR ELECTRIC WINDOW MOTOR |
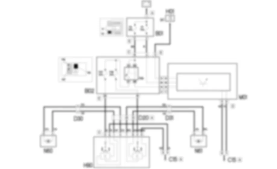
The front door windows are operated by switches in the centre of the facia.Operation is manual: the glass goes up/down only with the key pressed. Both windows are operatd only with key ON.On some versions, if the driver side window button is pressed for longer than half a second, automatic operation is activated: the window stops when it reaches the end of its travel or when the button is pressed again.Operation is allowed for a further two minutes after switching the key from ON to OFF, only with the doors closed.The electric window circuit is protected by two fuses, one for the driver side and one for the passenger side, and controlled by a specific relay located in the under-dashboard control unit.
Operation of the front window circuit is supplied by window relay R13.This receives a power supply from a direct line from the battery protectd by fuse F2 in engine compartment control unit B01 and receives excitation from an earth signal from body computer M01.When the relay is excited, it supplies control unit H90 (pins 5 and 3 connector C) through two lines protected by fuses F47 and F48 of under-dashboard control unit B02 (pins 20 and 19 of connector E).The passenger side window motor signals leave pins 6 and 7 connector C of control unit H90 while the driver side window motor signals leave pins 1 and 4 of connector C. Pins 2 and 8 connector C are earthed.The body computer M01 receives a supply controlled by the ignition (INT) and a direct supply at pins 11 of connector E and pin A of connector C, respectively of the junction unit under the dashboard B02.The direct power supply is protected by fuse F1 in engine compartment junction unit B01.Pins 8 and 9 of connector D of the body computer are earthed.










































