An electronic control system supervises and governs all engine parameters to optimise performance and fuel consumption by means of a real-time response to different service conditions.The common rail injection system on this version uses Multijet technology: i.e. during each engine stroke, it carries out more than the two injections normally used: it performs two pre-injections (before the piston is at top dead centre), one main and two post-injections.This solution improves fuel consumption, noise levels and performance because it allows better control of temperature in the combustion chamber by lowering the maximum value and extending the optimum combustion area.The combustion chamber has been improved to increase thermodynamic efficiency reducing the compression ratio to 18:1. The supercharging is carried out by a fixed geometry turbocharger equipped with a Waste Gate valve.The adoption of an electrically activated EGR valve, managed directly by the engine management system, the use of a cooling system for the recirculated exhaust gases and the close coupled type catalytic converter make it possible to ensure that the emissions are within the new EURO 4 limits.Depending on the signals received from numerous sensors, the control unit controls the injectors connected to it managing the following systems:- fuel supply;- air supply;- heater plugs;- accelerator pedal;- engine cooling;- combustion control.This version has a linear Lambda sensor, fitted on the front section of the exhaust pipe (downstream of the turbocharger) which informs the engine management control unit of the progress of the combustion. It is used to compare the reading of the air flow meter with the one mapped in the control unit and, if necessary, correct the fuel injection to be within the emission limits.The electronic management system described above ensures that this engine meets the very latest EOBD (European On Board Diagnogis) system emission control and monitoring requirements. This system allows continous diagnosis of emission-related car components and notifies the driver if any of the components should deteriorate by turning on a warning light in the instrument panel.The aim of the system is to:- monitor system efficiency;- indicate an increase in emissions due to vehicle malfunction;- indicate the need to replace damaged components.For more details,The system is also controlled by dedicated relays in the engine bay control unit. Lines supplying the control unit and various system components (sensors and actuators) are protected by dedicated fuses that are also located inside the engine bay.
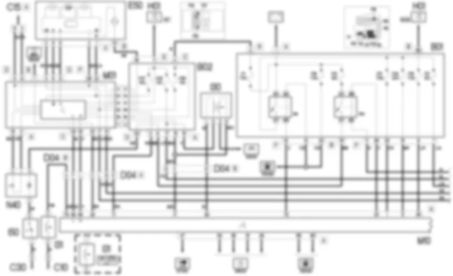
Engine management control unit M10 controls and governs the entire electronic ignition and injection system.The ignition-operated power supply (15/54) is received from a line protected by fuse F16 of B01 at pin 28 of connector A.Main injection relay R9 of B01 controls the entire system: it is energized by an control signal (earth) from pin 72 of connector A of engine control unit M10 and then forwards a power supply:- to pin 1 of connector A of the control unit, via the line protected by fuse F17 of B01 ;- to pin 5 of connector A of the control unit, via the line protected by fuse F22 of B01 ;- to the heater plugs control unit M15 (pin 3 of connector A), to the Lambda sensor K40, to the solenoid valves L30, L36, L62 and to speedometer sensor K84, via the line protected by fuse F11 of B001.Pins 2, 4, 6 of connector A of M10 are earthed.Fuel pump relay R10 of B01 is supplied by the line protected by fuse F21 of B01.It is energized by control unit M10 by a control signal coming from pin 20 of connector A of control unit M10 and provides the power supply for the electric fuel pump N40 which is earthed via the inertia switch I50 which interrupts the circuit in the case of an impact and stops the dangerous supply of fuel.Control unit M15 that manages the preheating of the heater plugs A40 is supplied directly at pin 1 connector B from the battery via a line protected by maxifuse B37.This is supplied at pin 3 connector A - from the line protected by fuse F11 of B01, and exchanges command and control signals with pins 52 and 93 of connector A of M10, which controls the timing; connector C is connected to the heater plugs A40.The engine management control unit M10 receives signals from the various sensors thereby keeping all the engine operating parameters under control.Engine rpm sensor K46 supplies, via frequency signals exchanged with pins 12 and 27 of connector B of M010, information on engine speed.Timing sensor K47 is supplied from pin 11 of connector B of M10 . It receives a reference earth from pin 20 of connector B of control unit M10 and sends a frequency signal corresponding to the phase at pin 50 of connector B.Engine coolant sensor/sender unit K36 receives a reference earth from pin 41 of connector B of control unit M10 and sends a signal proportional to engine coolant temperature to pin 58 of connector B of the control unit.The control unit M010 receives - at pin 56 of connector B - a signal from the minimum engine oil pressure sensor K30The air flow meter K41 - receiving an ignition-controlled supply (INT from the steering lock control unit) via the line protected by fuse F35 of junction unit B02 - receives a reference earth from pin 44 of connector B of M10 and sends pin 42 of connector B a signal proportional to the air flow rate.An air temperature sensor inside K41 also sends an air temperature signal to pin 37 of connector B of M10 .Accelerator pedal K55 is equipped with two built-in potentiometers: a main potentiometer and a stand-by potentiometer.The former receives power and earth signals from pins 30 and 45 of connector A and sends a correspondong signal to pin 9 of the same connector of M10.The latter receives power and earth signals from pins 46 and 8 of connector A of M10 and sends a corresponding signal to pin 31 of the same connector.The solenoid on throttle body L62 reduces and closes the throttle opening, e.g. when the engine is turned off. It is supplied by a line protected by fuse F11 of B01 and is controlled by a signal from pin 59 connector A of M10.The Waste Gate valve L37 regulates the operation of the turbine depending on the engine load: it is supplied by the line for fuse F11 of B01 and is controlled by a signal from pin 15 of connector B of M10.The fuel temperature sensor, incorporated in the diesel filter K100, detects the temperature of the incoming diesel fuel. It receives a reference earth from pin 10 of connector A of M10 and sends a fuel temperature signal to pin 11.The water in the diesel filter sensor, built into sensor K101, receives an ignition-operated power supply (INT from the steering lock control unit) via the line protected by fuse F35 of junction unit B02; it sends a signal relating to the presence of water in the diesel filter to pin 74 of connector A.The supercharging sensor K44 measures the pressure and the temperature in the intake chamber, downstream of the turbocharger. It is supplied by pin 13 of connector B of M10 and receives a reference earth from pin 23 of connector B. The signal corresponding to the pressure value is sent to pin 40 of control unit connector B. An air temperature sensor, housed in K44, sends a signal to pin 53 of connector B of M10.Fuel pressure sensor K83 supplies the injection control unit with a feedback signal to modulate injection pressure and duration. It receives power and a reference earth from pins 28 and 8 of connector B of M00; it then sends a pressure signal to pin 43 of connector B of M10.Fuel pressure regulator N77 maintains fuel pressure constant in the accumulator. The two control signals come from pins 19 (positive) and 49 (negative) of connector B of control unit M10.The fuel pressure regulator in the rail N87 receives two control signals from pins 4 (positive) and 34 (negative) of connector B of control unit M10.The EGR solenoid L30 controls exhaust gas recirculation. It is supplied by a line protected by fuse F11 of B01 and is controlled by a signal from pin 60 of connector B of M10 .In order to activate the operation of the Lambda sensor K040 quickly, the engine management control unit M010 controls the heater through an earth signal from pin 51 of connector A. The control unit M10 sends a "pumping" current from pin 65 of connector A to sensor K40 which is compared with the calibrated value received from pin 87 of connector A. The Lambda sensor receives a reference earth from pin 86 of connector A of M10 and sends a voltage signal proportional to the percentage value of oxygen measured in the exhaust gases at pin 64 of connector A of control unit M10.Engine management unit M10 controls the opening of individual injectors N70, via appropriate signals sent from pins 16-47 (cyl.1), 2-31 (cyl.2), 1-46 (cyl.3), 17-33 (cyl.4) of connector B.Pin 80 of connector A of control unit M10 receives an NC signal and pin 17 connector A receives an NO signal from the switch on brake pedal I030, also supplied by an ignition-controlled supply (INT from the steering lock control unit) via a line protected by fuse F35 of the junction unit.Pin 79 of connector A of M10 receives a signal (earth) from clutch pedal switch I31.Control unit M10 then connects via the C-CAN network - pin 83, 84 of connector A - to Body Computer M01 - pins 32 and 33 of connector C. Via this connection, it sends information on:- coolant temperature, which is sent to instrument panel E50 that controls the gauge and warning light;- engine rpm, that is sent to the rev counter on instrument panel E50;- minimum engine oil pressure, which is sent to the instrument panel E50 which manages the warning light;- heater plugs pre-heating, which is sent to instrument panel E50 that controls the warning light;- water in the diesel filter, which is sent to instrument panel E50 that controls the warning light;Body computer M01 receives the value from speedometer sensor K84 at pins 15 and 17 of connector C.The control unit self-diagnostic system M10 also generates a negative signal that leaves pin 71 of connector A - that is connected directly to the EOBD warning light located in instrument panel E50 .The control unit autodiagnostic data can be read by connecting to connector B of M01, pin 7: it receives signals from pin 25 of connector A of M10 via the special diagnostic K line.



