Components - DIESEL ENGINES ELECTRONIC MANAGEMENT - Fiat DOBLO 1.9 JTD 8V da 12/03
| Component code | Description | Reference to the assembly |
| A040 | HEATER PLUGS | |
| B001 | JUNCTION UNIT | |
| B2 | JUNCTION UNIT UNDER DASHBOARD | |
| VedereB37FUSIBILE (MAXI FUSE) CANDELETTE | ||
| C10 | LEFT FRONT EARTH | |
| C15 | DASHBOARD EARTH, DRIVER''S SIDE | |
| C030 | LEFT REAR EARTH | |
| C40 | ENGINE EARTH | |
| D004 | FRONT/ENGINE COUPLING | |
| E50 | INSTRUMENT PANEL | |
| H001 | IGNITION SWITCH | |
| I030 | BRAKE PEDAL SWITCH | |
| I031 | CLUTCH PEDAL SWITCH | |
| I050 | INERTIA SWITCH | |
| K30 | ENGINE OIL PRESSURE SENSOR (SWITCH) | |
| K36 | ENGINE COOLANT TEMPERATURE SENSOR/SENDER UNIT | |
| K41 | AIR FLOW METER | |
| K44 | AIR PRESSURE - TEMPERATURE SENSOR | |
| K46 | RPM SENSOR | |
| K47 | TIMING SENSOR. | |
| K055 | ACCELERATOR PEDAL POTENTIOMETER | |
| K83 | FUEL PRESSURE SENSOR | |
| K84 | SPEEDOMETER SENSOR | |
| K101 | FUEL TEMPERATURE AND WATER IN FUEL FILTER SENSOR | |
| L30 | EGR SOLENOID | |
| L37 | WASTE-GATE SOLENOID VALVE | |
| M001 | BODY COMPUTER | |
| M010 | ENGINE MANAGEMENT ECU | |
| M015 | HEATER PLUGS CONTROL UNIT | |
| VedereN040ELETTROPOMPA COMBUSTIBILE E MISURATORE DI LIVELLO | ||
| N70 | INJECTOR | |
| N75 | THROTTLE BODY ACTUATOR | |
| N77 | FUEL PRESSURE REGULATOR | |
| N087 | FUEL PRESSURE REGULATOR ON RAIL |
| Component code | Description | Reference to the assembly |
| A040 | HEATER PLUGS | |
| B001 | JUNCTION UNIT | |
| B2 | JUNCTION UNIT UNDER DASHBOARD | |
| VedereB37FUSIBILE (MAXI FUSE) CANDELETTE | ||
| C10 | LEFT FRONT EARTH | |
| C15 | DASHBOARD EARTH, DRIVER''S SIDE | |
| C030 | LEFT REAR EARTH | |
| C40 | ENGINE EARTH | |
| D004 | FRONT/ENGINE COUPLING | |
| E50 | INSTRUMENT PANEL | |
| H001 | IGNITION SWITCH | |
| I030 | BRAKE PEDAL SWITCH | |
| I031 | CLUTCH PEDAL SWITCH | |
| I050 | INERTIA SWITCH | |
| K30 | ENGINE OIL PRESSURE SENSOR (SWITCH) | |
| K36 | ENGINE COOLANT TEMPERATURE SENSOR/SENDER UNIT | |
| K41 | AIR FLOW METER | |
| K44 | AIR PRESSURE - TEMPERATURE SENSOR | |
| K46 | RPM SENSOR | |
| K47 | TIMING SENSOR. | |
| K055 | ACCELERATOR PEDAL POTENTIOMETER | |
| K83 | FUEL PRESSURE SENSOR | |
| K84 | SPEEDOMETER SENSOR | |
| K101 | FUEL TEMPERATURE AND WATER IN FUEL FILTER SENSOR | |
| L30 | EGR SOLENOID | |
| L37 | WASTE-GATE SOLENOID VALVE | |
| M001 | BODY COMPUTER | |
| M010 | ENGINE MANAGEMENT ECU | |
| M015 | HEATER PLUGS CONTROL UNIT | |
| VedereN040ELETTROPOMPA COMBUSTIBILE E MISURATORE DI LIVELLO | ||
| N70 | INJECTOR | |
| N75 | THROTTLE BODY ACTUATOR | |
| N77 | FUEL PRESSURE REGULATOR | |
| N087 | FUEL PRESSURE REGULATOR ON RAIL |
An electronic control system supervises and governs all engine parameters to optimise performance and fuel consumption by means of a real-time response to different service conditions.The common rail injection system on this version uses Multijet technology: i.e. during each engine stroke, it carries out more than the two injections normally used: it performs two pre-injections (before the piston is at top dead centre), one main and two post-injections.This solution improves fuel consumption, noise levels and performance because it allows better control of temperature in the combustion chamber by lowering the maximum value and extending the optimum combustion area.The combustion chamber has been improved to increase thermodynamic efficiency reducing the compression ratio to 18:1. The supercharging is carried out by a fixed geometry turbocharger equipped with a Waste Gate valve.The adoption of an electrically activated EGR valve, managed directly by the engine management system, the use of a cooling system for the recirculated exhaust gases and the close coupled type catalytic converter make it possible to ensure that the emissions are within the new EURO 4 limits.Depending on the signals received from numerous sensors, the control unit controls the injectors connected to it managing the following systems:- fuel supply;- air supply;- heater plugs;- accelerator pedal;- engine cooling;- combustion control;- particle filter (DPF).The electronic management system described above ensures that this engine meets the very latest EOBD (European On Board Diagnogis) system emission control and monitoring requirements. This system allows continous diagnosis of emission-related car components and notifies the driver if any of the components should deteriorate by turning on a warning light in the instrument panel.The aim of the system is to:- monitor system efficiency;- indicate an increase in emissions due to vehicle malfunction;- indicate the need to replace damaged components.For more details,The system is also controlled by dedicated relays in the engine bay control unit. Lines supplying the control unit and various system components (sensors and actuators) are protected by dedicated fuses that are also located inside the engine bay.
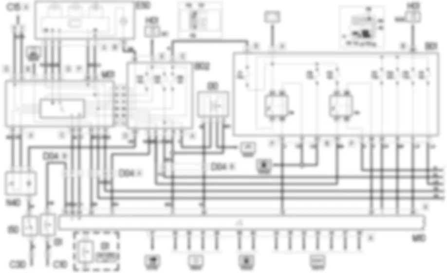
Engine management control unit M10 controls and governs the entire electronic ignition and injection system.The ignition-operated power supply (15/54) arrives via a line protected by fuse F16 of B01 at pin 28 of connector A.The main injection relay F9 of B01 controls the entire system: it is energized by a control signal (earth) coming from pin 72 of connector A of control unit M10 and, as a result, sends a power supply:- to pin 1 of connector A of the control unit, via the line protected by fuse F17 of B01 ;- to pin 5 of connector A of the control unit, via the line protected by fuse F22 of B01 ;- to the heater plugs control unit M15 (pin 3 of connector A), to the solenoid valves L30, L37 and the one integrated in the throttle casing actuator N75 and to the speedometer sensor K84, via the line protected by fuse F11 of B01.Pins 2, 4, 6 of connector A of M10 are earthed.Fuel pump relay R10 of B01 is supplied by the line protected by fuse F21 of B01.It is energized by a positive signal coming from pin 20 of connector A of control unit M10 and provides the power supply for the electric fuel pump N40 which is earthed via the inertia switch I50 which interrupts the circuit in the case of an impact and stops the dangerous supply of fuel.The control unit M15 that manages the pre-heating of the heater plugs A40 is supplied at pin 1 connector B of the battery via the line protected by maxifuse B37.The control unit M15 that manages the pre-heating of the heater plugs A40 is supplied at pin 1 connector B of the battery via the line protected by maxifuse B37.It is supplied at pin 3 connector A from the line protected by fuse F11 of B01 and exchanges command and control signals with pins 52 and 93 of connector A of M10 which controls the timing; connector C is connected to the heater plugs A40.The engine management control unit M10 receives signals from the various sensors thereby keeping all the engine operating parameters under control.Rpm sensor K46 supplies, via a frequency signal exchanged with pins 12 and 27 of connector B of control unit M010, information on engine speed.Timing sensor K47 is supplied from pin 11 of connector B of M10 . It receives a reference earath from pin 20 of connector B of control unit M10 and on the way to this, a frequency signal corresponding to the phase at pin 50 of connector B.Engine coolant temperature sensor K36 receives a reference earth from pin 41 of connector B of control unit M10 , and sends a signal proportional to engine coolant temperature to pin 58 of connector B .Control unit M010 receives a negative signal from the engine oil minimum pressure sensor K30 at pin 56 of connector B.The air flow meter K41 receives an ignition-controlled supply (INT) via the line protected by fuse F35 of junction unit B02; it receives a reference earth from pin 44 of connector B of M10 and sends pin 42 of connector B a signal proportional to the air flow rate.An air temperature sensor inside K41 also sends an air temperature signal to pin 37 of connector B of M10 .The accelerator pedal K55 has two built in potentiometers: a main one and one safety one.The first receives a power supply and earth respectively from pins 30 and 45 of connector A and sends the corresponding signal to pin 9 of the same connector of M10.The second receives a power supply and earth respectively from pins 46 and 8 of connector A of M10 and sends the signal to pin 31 of the same connector.Depending on the signal coming from the accelerator pedal K55, the control unit M10 controls the opening of the throttle by means of a motor integrated in the throttle casing N75. The internal solenoid valve shutters and closes the throttle, e.g. when the engine is switching off; it is supplied by the line for fuse F11 of B01 and is controlled by a signal for pin 59 of connector B of M10. An earth and a power supply are sent from pins 39 and 52 of connector B of M10 respectively for the management of the motorized throttle.The waste gate valve L37 regulates the operation of the turbine depending on the engine load: it is supplied by the line for fuse F11 of B01 and is controlled by a signal from pin 15 of connector B of M10.The fuel temperature sensor, incorporated in the sensor K101, detects the temperature of the incoming diesel fuel. It receives a reference earth from pin 10 of connector A of M10 and sends a fuel temperature signal to pin 11.The water in the diesel filter sensor, also incorporated in sensor K101, receives an ignition-controlled power supply (INT) via the line protected by fuse F35 of the junction unit B02, it sends the signal for the presence of water in the diesel filter to pin 74 of connector A.The supercharging sensor K44 measures the pressure and the temperature in the intake chamber, downstream of the turbocharger. It is supplied by pin 13 of connector B of M10 and receives a reference earth from pin 23 of connector B. The signal corresponding to the pressure value is sent to pin 40 of control unit connector B. An air temperature sensor, housed in K44, sends a signal to pin 53 of connector B of M10.Fuel pressure sensor K83 supplies the injection control unit with a feedback signal to modulate injection pressure and duration. It receives power and a reference earth from pins 28 and 8 of connector B of M10; it then sends a pressure signal to pin 43 of connector B of M10.Fuel pressure regulator N77 maintains fuel pressure constant in the accumulator. The two control signals come from pins 19 (positive) and 49 (negative) of connector B of control unit M10.The fuel pressure regulator in the rail N87 receives the two control signals from pin 4 (positive) and 34 (negative) of connector B of control unit M10.The EGR solenoid L30 controls exhaust gas recirculation. It is supplied by the line protected by fuse F11 of B01 and is controlled by a signal from pin 60 of connector B of M10 .The engine management control unit M10 controls the opening of the individual injectors N70 by means of special signals sent from pins 16-47 (cyl. 1), 2-31 (cyl. 2), 1-46 (cyl. 3), 17-33 (cyl. 4) of connector B.The control unit M10 receives the NC at pin 80 of connector A and the NA signal at pin 17 connector A coming from the switch on the brake pedal I30 which also receives an ignition-controlled power supply (INT) via the line protected by fuse F35 of the junction unit.Pin 79 of connector A of M10 receives and earth signal coming from the switch on the clutch pedal I31.The control unit M10 is connected via the C-CAN - pins 83, 84 of connector A - to the Body Computer M01 - pins 32 and 33 of connector C; it sends information concerning the following via this connection:- engine coolant temperature, sent to the instrument panel E50 which manages the gauge and warning light;- engine speed, sent to the instrument panel E50 rev counter;- minimum engine oil pressure, which is sent to the instrument panel E50 which manages the warning light.- heater plugs pre-heating, which is sent to instrument panel E50 that controls the warning light;- water in diesel filter, which is sent to the instrument panel E50 which manages the warning light.- general failure.The check function inside the instrument panel E50 checks any faults in the oil pressure sensor, diesel filter sensor and the presence of water in the filter: If faults are detected, the general failure warning light is turned on and the information is shown simultaneously on the display.The body computer M01 receives the values from the speedometer sensor K84 at pins 15 and 17 of connector C.The control unit M10 autodiagnostic system produces a signal, from pin 71 of connector A, which is connected directly to the EOBD warning light located in the instrument panel E50.The autodiagnostic data can be read by connecting to connector B of the Body Computer M01 pin 7: it receives signals from pin 25 of connector A of control unit M10 via the special diagnostic K line.



















































































































































