Components - INSTRUMENT PANEL - Fiat DOBLO 1.9 JTD 8V da 12/03
| Component code | Description | Reference to the assembly |
| B001 | JUNCTION UNIT | |
| B2 | JUNCTION UNIT UNDER DASHBOARD | |
| C10 | LEFT FRONT EARTH | |
| C15 | DASHBOARD EARTH, DRIVER''S SIDE | |
| D004 | FRONT/ENGINE COUPLING | |
| E50 | INSTRUMENT PANEL | |
| H001 | IGNITION SWITCH | |
| I040 | HANDBRAKE SWITCH | |
| K025 | BRAKE FLUID LEVEL SENSOR (SWITCH) | |
| K30 | ENGINE OIL PRESSURE SENSOR (SWITCH) | |
| K36 | ENGINE COOLANT TEMPERATURE SENSOR/SENDER UNIT | |
| K46 | RPM SENSOR | |
| K84 | SPEEDOMETER SENSOR | |
| K101 | FUEL TEMPERATURE AND WATER IN FUEL FILTER SENSOR | |
| M001 | BODY COMPUTER | |
| M010 | ENGINE MANAGEMENT ECU | |
| N040 | FUEL PUMP AND LEVEL GAUGE |
| Component code | Description | Reference to the assembly |
| B001 | JUNCTION UNIT | |
| B2 | JUNCTION UNIT UNDER DASHBOARD | |
| C10 | LEFT FRONT EARTH | |
| C15 | DASHBOARD EARTH, DRIVER''S SIDE | |
| D004 | FRONT/ENGINE COUPLING | |
| E50 | INSTRUMENT PANEL | |
| H001 | IGNITION SWITCH | |
| I040 | HANDBRAKE SWITCH | |
| K025 | BRAKE FLUID LEVEL SENSOR (SWITCH) | |
| K30 | ENGINE OIL PRESSURE SENSOR (SWITCH) | |
| K36 | ENGINE COOLANT TEMPERATURE SENSOR/SENDER UNIT | |
| K46 | RPM SENSOR | |
| K84 | SPEEDOMETER SENSOR | |
| K101 | FUEL TEMPERATURE AND WATER IN FUEL FILTER SENSOR | |
| M001 | BODY COMPUTER | |
| M010 | ENGINE MANAGEMENT ECU | |
| N040 | FUEL PUMP AND LEVEL GAUGE |
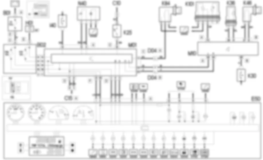
The indicators and the warning lights that make up the on board instrumentation are grouped together in a single instrument which contains:- fuel level gauge with reserve warning light;- engine coolant temperature gauge (with overheating warning light)- rev counter;- speedometer;- warning lights;- multifunctional display.The instrument panel is a CAN node through which information is exchanged with the Body Computer and with the other electronic units.The instrument panel shows a set of data on the digital display, namely:- mileometer/trip counter;- clock- Headlamp alignment corrector reading;- trip computerFuel level: the Body Computer receives the signal from the sensor integrated in the pump assembly inside the fuel tank and processes it to guarantee suitable filtering/damping for the panel gauge, also managing the reserve warning light.The fuel level is displayed by an electronic circuit inside the module, which drives the gauge and also the reserve warning light (when the gauge is at 15% of the tank capacity).The internal logic also "dampens" the signal preventing fluctuations.Engine coolant temperature: this function involves the display of the engine coolant temperature in the instrument panel and the overheating warning light coming on by means of messages sent via the CAN from the engine management control unit.Vehicle speed: The speedometer signal is supplied by a speedometer sensor.The body computer processes this signal and sends it to the instrument panel to display vehicle speed.For more details on the multifunctional display,Rev counter: this function involves the display on the instrument panel of the engine rotation speed by means of the signal sent via the CAN from the engine management control unit.Headlamp alignment correction keys on the left side of the facia can be used to adjust the front light headlamp light beam.Engine oil pressure sensor: this function involves the display on the instrument panel of the engine oil pressure warning light by means of the message sent via the CAN from the engine management control unit.Water in diesel filter: This function turns on the water in diesel filter on the instrument panel via a signal from the sensor sent via the CAN network from the engine control unit.Other information is gathered directly by the body computer, which sends it to the instrument panel that manages activation of the warming lights:- Handbrake applied: the handbrake status warning light is controlled by a special switch;- insufficient brake fluid pressure: the body computer receives a low brake fluid pressure signal and sends it to the instrument panel.Lastly, there are other warning lights located inside the instrument panel but they are managed directly by the respective electronic units:- Air Bag failure warning light;- passenger Air Bag disabled warning light;- seat belt not fastened warning lightOther information, described in the various wiring diagrams, is acquired via the CAN from the instrument panel which lights up the relevant warning lights:- side light activation- direction indicators / hazard warning lights activation- rear fog lamp activation- main beam headlamps activation- fog lights activation- heated reear window and door mirror demisting activation;- doors open warning light- low battery charge;- i.e./EOBD system faults;- glow plug preheating activation;- water in diesel filter;- low engine oil pressure- vehicle protection system activation;- ABS failure activation;- EBD brake system failure (low brake fluid pressure warning light);When the key is turned ON and during normal operation during fault indications, the instrument panel diagnoses the "handbrake on/low brake fluid" and "ABS/EBD device failure warning lights.At the end of this warning light check, the display indicates any faults (in one or more warning lights), displaying the message "LED Err" in flashing mode for 10 seconds.For further details,
An ignition operated power supply (INT) from instrument E50 reaches pin 1 of connector A through body computer M01, pin 31 connector F, from a line protected by fuse F37 of under-dashboard junction unit B02.Instrument E50 is also supplied directly from the battery - pin 3 of connector A - via the body computer, pin 3 of connector D, from a line protected by fuse F53 contained in under-dashboard junction unit B02.The power supply to body computer M01 reaches pin 9 connector XY through under-dashboard junction unit B02 (pin 11 connector E) from ignition switch H01 (INT) and pin 18 of connector XY of body computer M01 through under-dashboard junction unit, directly from a battery protected by fuse F1 located inside engine compartment junction unit B01.Pins 8 and 9 of connector D of the body computer are earthed.Body computer M01 and control panel E50 communicate with one another to exchange information on the correct operation of the devices present in the vehicle respectively from pins 5 and 6 of connector D and pins 9 and 8 of connector A.Instrument panel E50 is also connected to earth via body computer M01 from pin 2 of connector A.Signals from handbrake switch I40 and brake fluid level sensor K25 are received from pin 14 connector A and pin 18 connector C of M01 respectively.Pins 4 and 15 of connector A of the body computer receives signals from the fuel level gauge located in the unit of pump N40: these signals, sent via the CAN network to the instrument panel, are processed by an internal electronic devices that manages the level gauge and reserve warning light in the instrument.Speedometer sensor K84 sends its signal directly to body computer M01 at pin 17 connector C. The signals are sent via the CAN line to instrument panel E50, to manage all information on vehicle speed, and to engine management control unit M10 to ensure its correct operation.Engine management control unti M10, pin 56 connector B receives a minimum engine oil pressure signal from sensor K30. This signal reaches instrument panel E50 via the CAN to make it possible to activate the warning light.Fuel temperature sensor and water in fuel filter sensor K101 is connected to pin 74 connector A of engine control unit M10 to detect the presence of water in the diesel filter. Via the CAN network the control unit controls instrument panel E50 to turn on the water in fuel filter warning light.In the same way, information on engine coolant temperature leaves sensor K36 and reaches engine control unit M10 at pins 58 and 41 of connector B. From there, it is then sent to instrument panel E50 to manage the gauge signal and also the excessive coolant temperature warn light, if necessary.RPM sensor K46 sends an engine rpm signal to engine control unit M10 at pins 27 and 12 connector B; the control unit informs instrument panel E50 via the CAN network, which makes it possible to display the engine rpm.The information travels through the C-CAN line from pins 83 and 84 of connector B of M10 to pins 32 and 33 connector C of M01.A headlamp alignment corrector control signal leaves pin 6 connector A of instrument panel E50.Signals are received from the AIR BAG control unit at pins 13, 14 and 15 of connector B for correct management of the various warning lights.Pin 4 of connector A receives a zero reset/scroll signal for trip computer variables.



























































































