Description - CONDITIONNEUR - Fiat DUCATO 2.0 JTD 8V da 03/05
La climatisation du vehicule est realisee par le groupe conduit d''amenee / distributeur avec chauffage.Le systeme de climatisation complete le rechauffeur avec la fonction de production d''air froid et deshumidifie obtenu en activant le compresseur et le dispositif de refrigeration correspondant.La climatisation est controlee au moyen des trois boutons sur le combine de bord:le bouton de gauche regle, par une commande electrique, la ventilation de l''air sur quatre vitesses differentes;le bouton central commande, de maniere mecanique, le volet de melange de l''air chaud et froid;le bouton de droite commande, de maniere mecanique et via une transmission souple, l''ouverture des volets qui regulent la distribution des flux d''air.Les differentes vitesses du ventilateur electrique sont commandees par un diviseur a resistance protege par un thermofusible pour parer aux surtemperatures eventuelles.Le bloc de commandes est equipe d''un curseur situe sous les boutons qui regule le "recyclage" de maniere mecanique, via une transmission souple.Le bloc de commandes s''eclaire lorsque les feux de position sont enclenches.Tout le systeme est protege par des fusibles specifiques situes dans les centrales de derivation du compartiment moteur et sous le tableau de bord. L''enclenchement du ventilateur electrique est pilote par un relais specifique.Le ventilateur electrique ne peut etre enclenche que si la cle est en position "MAR".
Description du fonctionnement - CONDITIONNEUR - Fiat DUCATO 2.0 JTD 8V da 03/05
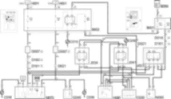
La centrale de climatisation M070 recoit une alimentation sous cle a la broche 3, via la ligne protegee par le fusible F31, loge dans la centrale de derivation compartiment moteur B001. Lorsqu''on tourne le selecteur de commande du ventilateur de climatiseur H081, en selectionnant la premiere, la deuxieme ou la troisieme vitesse, une reference de masse est fournie a la resistance de reglage du ventilateur d''air d''habitacle O030.Le relais J022 protege le ventilateur d''air d''habitacle N085. lorsque la vitesse maxi est enclenchee et que le relais haute vitesse J041 ferme son contact, le relais de commande du ventilateur d''air d''habitacle J022 commute la position de son contact et le ventilateur d''air d''habitacle N085, qui etait alimente et protege via la ligne du fusible F55 de la centrale de derivation sous planche de bord B002, est alimente et protege via la ligne du fusible F05, de la centrale de derivation compartiment moteur B001.Lors de l''activation du climatiseur, la centrale correspondante M070 alimente l''eclairage des commandes climatiseur / rechauffeur G045. La meme centrale recoit un signal de masse a la broche 1.
Schema electrique - CONDITIONNEUR - Fiat DUCATO 2.0 JTD 8V da 03/05
Composants - CONDITIONNEUR - Fiat DUCATO 2.0 JTD 8V da 03/05
| Code composant | Designation | Reference a l''ensemble |
| B001 | CENTRALE DE DERIVATION DU COMPARTIMENT MOTEUR | 5505A |
| B002 | MAXI FUSE D'ALIMENTATION GENERALE | - |
| B099 | BOITE MAXI FUSE SUR BATTERIE | - |
| C015 | MASSE TABLEAU DE BORD COTE CONDUCTEUR | - |
| C016 | MASSE GROUPE CLIMATISEUR | - |
| D018 | JONCTION AV/PLANCHE DE BORD SUPPLEMENTAIRE | - |
| D021 | JONCTION PLANCHE DE BORD/CLIMATISEUR - RECHAUFFEUR | - |
| D097 | LIAISON DE COURT-CIRCUIT | - |
| D161 | JONCTION PLANCHE DE BORD EN OPTION / CLIMATISEUR | - |
| G045 | ECLAIRAGE DES COMMANDES CLIMATISEUR / CHAUFFAGE | - |
| H001 | CONTACTEUR A 'CLE | |
| H081 | COMMANDE DU VENTILATEUR ELECTRIQUE DE CLIMATISATION | - |
| J022 | TELEDEVIATEUR COMMANDE VENTILATEUR ELECTRIQUE AIR HABITACLE | - |
| J034 | RELAIS 1ERE VITESSE DU VENTILATEUR D'HABITACLE | - |
| J035 | RELAIS DU VENTILATEUR D'AIR D'HABITACLE | - |
| J041 | RELAIS VITESSE MAXI DU VENTILATEUR D'HABITACLE | - |
| M070 | CENTRALE DE CLIMATISATION | - |
| O030 | RESISTANCE REGLAGE VENTILATEUR D'AIR HABITACLE | - |
Emplacement composants - CONDITIONNEUR - Fiat DUCATO 2.0 JTD 8V da 03/05
| Code composant | Designation | Reference a l''ensemble |
| B001 | CENTRALE DE DERIVATION DU COMPARTIMENT MOTEUR | 5505A |
| B002 | MAXI FUSE D'ALIMENTATION GENERALE | - |
| B099 | BOITE MAXI FUSE SUR BATTERIE | - |
| C015 | MASSE TABLEAU DE BORD COTE CONDUCTEUR | - |
| C016 | MASSE GROUPE CLIMATISEUR | - |
| D018 | JONCTION AV/PLANCHE DE BORD SUPPLEMENTAIRE | - |
| D021 | JONCTION PLANCHE DE BORD/CLIMATISEUR - RECHAUFFEUR | - |
| D097 | LIAISON DE COURT-CIRCUIT | - |
| D161 | JONCTION PLANCHE DE BORD EN OPTION / CLIMATISEUR | - |
| G045 | ECLAIRAGE DES COMMANDES CLIMATISEUR / CHAUFFAGE | - |
| H001 | CONTACTEUR A 'CLE | |
| H081 | COMMANDE DU VENTILATEUR ELECTRIQUE DE CLIMATISATION | - |
| J022 | TELEDEVIATEUR COMMANDE VENTILATEUR ELECTRIQUE AIR HABITACLE | - |
| J034 | RELAIS 1ERE VITESSE DU VENTILATEUR D'HABITACLE | - |
| J035 | RELAIS DU VENTILATEUR D'AIR D'HABITACLE | - |
| J041 | RELAIS VITESSE MAXI DU VENTILATEUR D'HABITACLE | - |
| M070 | CENTRALE DE CLIMATISATION | - |
| O030 | RESISTANCE REGLAGE VENTILATEUR D'AIR HABITACLE | - |




































































































