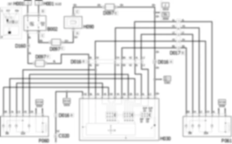
Schema electrique - REGLAGE DES RETROVISEURS EXTERIEURS - Fiat DUCATO 2.3 JTD 16V fino a 02/05
Composants - REGLAGE DES RETROVISEURS EXTERIEURS - Fiat DUCATO 2.3 JTD 16V fino a 02/05
| Code composant | Designation | Reference a l''ensemble |
| B002 | MAXI FUSE D'ALIMENTATION GENERALE | - |
| D016 | JONCTION PLANCHE DE BORD SUPPLEMENTAIRE / PORTE AVG | - |
| D017 | JONCTION PLANCHE DE BORD SUPPLEMENTAIRE / PORTE AVD | - |
| D097 | LIAISON DE COURT-CIRCUIT | - |
| D160 | JONCTION PLANCHE DE BORD / PLANCHE DE BORD EN OPTION | - |
| H030 | COMMANDE DES RETROVISEURS REGLABLES | |
| H090 | BLOC DE COMMANDES DES INTERRUPTEURS | |
| P060 | RETROVISEUR EXTERNE COTE CONDUCTEUR | |
| P061 | RETROVISEUR D'AILE D | |
| - |
Localisation Composants - REGLAGE DES RETROVISEURS EXTERIEURS - Fiat DUCATO 2.3 JTD 16V fino a 02/05
| Code composant | Designation | Reference a l''ensemble |
| B002 | MAXI FUSE D'ALIMENTATION GENERALE | - |
| D016 | JONCTION PLANCHE DE BORD SUPPLEMENTAIRE / PORTE AVG | - |
| D017 | JONCTION PLANCHE DE BORD SUPPLEMENTAIRE / PORTE AVD | - |
| D097 | LIAISON DE COURT-CIRCUIT | - |
| D160 | JONCTION PLANCHE DE BORD / PLANCHE DE BORD EN OPTION | - |
| H030 | COMMANDE DES RETROVISEURS REGLABLES | |
| H090 | BLOC DE COMMANDES DES INTERRUPTEURS | |
| P060 | RETROVISEUR EXTERNE COTE CONDUCTEUR | |
| P061 | RETROVISEUR D'AILE D | |
| - |
Description - REGLAGE DES RETROVISEURS EXTERIEURS - Fiat DUCATO 2.3 JTD 16V fino a 02/05
Le reglage des deux retroviseurs exterieurs s''effectue au moyen du dispositif de commande correspondant (de type joystick) situe a proximite du retroviseur. Le reglage peut porter sur le retroviseur superieur et/ou sur le retroviseur inferieur. En effet, un commutateur selectionne le retroviseur exterieur (droit ou gauche) dans son ensemble, ou ses composants superieur ou inferieur.Le bouton commande deux moteurs electriques situes dans chacun des deux retroviseurs: un moteur commande le deplacement du composant superieur (horizontal comme vertical), tandis que l''autre commande le deplacement du composant inferieur (horizontal comme vertical).Le circuit de reglage des retroviseurs est protege par un fusible situe dans la centrale de derivation, sous le tableau de bord.Le reglage peut s''effectuer lorsque la cle est en position MAR (INT).
Description du fonctionnement - REGLAGE DES RETROVISEURS EXTERIEURS - Fiat DUCATO 2.3 JTD 16V fino a 02/05
Le dispositif de commande H030 permet de selectionner et de deplacer le retroviseur exterieur souhaite, gauche ou droit, superieur ou inferieur. Il est alimente sous cle et protege par le fusible F27 situe dans la centrale de derivation sous le tableau de bord B002. Les retroviseurs exterieurs P060 et P061 recoivent les commandes de deplacement de leurs retroviseurs respectifs:












































