AUTOMOTIVE ELECTRICIANS

Fiat DUCATO 2.3 JTD 16V fino a 02/05 – AIRBAG – – SCHEMA ELECTRIQUE, LOCALISATION COMPOSANTS, DESCRIPTION DU FONCTIONNEMENT – SCHEMA ELECTRIQUE, LOCALISATION COMPOSANTS, DESCRIPTION DU FONCTIONNEMENT

Fiat DUCATO 2.3 JTD 16V  fino a 02/05 – AIRBAG –  – SCHEMA ELECTRIQUE, LOCALISATION COMPOSANTS, DESCRIPTION DU FONCTIONNEMENT – SCHEMA ELECTRIQUE, LOCALISATION COMPOSANTS, DESCRIPTION DU FONCTIONNEMENT

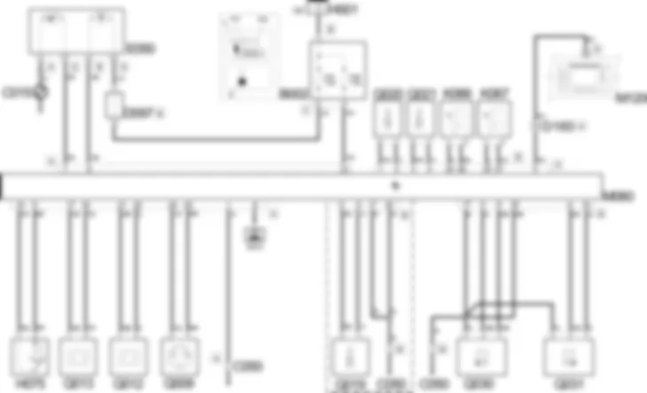
Schema electrique - AIRBAG - Fiat DUCATO 2.3 JTD 16V fino a 02/05





Composants - AIRBAG - Fiat DUCATO 2.3 JTD 16V fino a 02/05



Code composantDesignationReference a l''ensemble
B002MAXI FUSE D'ALIMENTATION GENERALE-
C015MASSE TABLEAU DE BORD COTE CONDUCTEUR-
C050MASSE SYSTEME AIRBAG-
D097LIAISON DE COURT-CIRCUIT-
D160JONCTION PLANCHE DE BORD / PLANCHE DE BORD EN OPTION-
E050COMBINE DE BORD5560B
H001CONTACTEUR A 'CLE
H075COMMUTATEUR DE DESACTIVATION DE L'AIRBAG PASSAGER-
K066CAPTEUR POUR L'AIRBAG LATERAL AR CONDUCTEUR-
K067CAPTEUR POUR L'AIRBAG LATERAL PASSAGER-
M060CENTRALE D'AIRBAG-
M120Panneau frontal Connect-
Q009AIRBAG CONDUCTEUR5580C
Q012AIRBAG PASSAGER (EXTERIEUR)-
Q013AIRBAG PASSAGER (CENTRAL)-
Q019PRETENSIONNEUR DE CEINTURE DE SECURITE AV CENTRALE-
Q020PRETENSIONNEUR DE CEINTURE DE SECURITE AV COTE CONDUCTEUR-
Q021PRETENSIONNEUR DE CEINTURE AVANT COTE PASSAGER-
Q030AIR BAG LATERAL COTE CONDUCTEUR-
Q031AIR BAG LATERAL COTE PASSAGER-

Description - AIRBAG - Fiat DUCATO 2.3 JTD 16V fino a 02/05


Le vehicule est equipe d''un systeme de securite a controle electronique qui, en cas de choc frontal assez severe, actionne les pretensionneurs des ceintures de securite AV et AR et les airbag frontaux de protection cote conducteur et cote passager.En cas de choc lateral assez severe, l''airbag lateral est actionne ainsi que l''unite Head Bag "en store", situe sur le montant de la porte AV (du cote du choc, uniquement).Une centrale electronique gere tout le systeme, controle tous les composants et active au besoin les systemes de retenue (pretensionneurs et airbag).Un capteur d''acceleration, situe sur les montants des portes AV transmet un signal a la centrale en cas de chocs lateraux.Ce signal est egalement traite par la centrale, qui decide l''actionnement des Airbags lateraux du cote du choc detecte.La centrale, situee dans la zone centrale de la planche de bord, est fixee rigidement a la caisse. De cette maniere, les capteurs qu''elle abrite sont a proximite du barycentre et detectent avec precision les decelerations du vehicule tout entier.Le module Airbag conducteur, situe au centre du volant, est monte sur une platine basculante permettant la commande des avertisseurs sonores. La plaque abrite un boitier metallique qui contient le coussin replie et le dispositif generateur de gaz qui le gonfle.Un dispositif a contact spirale permet aux cables de branchement du module airbag de suivre la rotation du volant sans danger de ruptures.Le module airbag cote passager est situe sur le tableau de bord, au-dessus de la boite a gants, et il est fixe directement sur la traverse du vehicule au moyen d''un etrier specifique.L''Airbag passager peut etre desactive en mode manuel a l''aide d''un interrupteur specifique, situe sur le tableau de bord.Cle sur OFF, la centrale commande aussi l''allumage du temoin "desactivation air bag cote passager", situe sur le tableau de bord.L''Airbag lateral est loge dans la partie exterieure du siege AV. Le capteur correspondant est situe sur le montant central.la centrale est dotee d''une fonction d''autodiagnostic:elle detecte et memorise les anomalies eventuelleselle identifie les differents composants et le type de dysfonctionnement qui se produitelle signale ces anomalies par l''intermediaire du temoin correspondant.Suite a un choc important, les activations du systeme sont aussi memorisees par la centrale.L''alimentation de la centrale Airbag est protegee par un fusible situe dans la centrale de derivation sous planche de bord.Le systeme Airbag peut presenter des configurations differentes (avec plus ou moins de composants) suivant le modele du vehicule; il n''y a aucun equipement comprenant en m^eme temps le Side bag conducteur et le pretensionneur de la ceinture AV du passager central.

Description du fonctionnement - AIRBAG - Fiat DUCATO 2.3 JTD 16V fino a 02/05


La centrale Airbag M060 se compose de deux connecteurs, A et B, dont le brochage est le suivant:Connecteur A:broche 1: connexion a la masse C050 connecteur A;broche 5: branchement avec le panneau frontal du Connect M120 pour le signal de vitesse du vehicule;broche 6: connexion a la prise de diagnostic;broche 7: commande du temoin de desactivation de l''Airbag passager, situe sur le combine de bord E050 - broche 17 connecteur E: A la reception de la commande de desactivation Airbag aux broches 10 et 11 en provenance de l''interrupteur H075, la centrale M060 commande l''allumage du temoin correspondant auquel elle fournit l''alimentation;broche 8: commande du temoin de desactivation de l''Airbag passager, situe sur le combine de bord E050 - broche 8 connecteur B: le temoin est alimente sous cle via la ligne protegee par le fusible F37 - loge dans la centrale sous planche de bord B002 et il s''allume uniquement en cas de signal de masse fourni par la centrale M060;broches 10 et 11: connexion a l''interrupteur de desactivation de l''Airbag passager H075;broche 12: alimentation sous cle, protegee par le fusible F50, loge dans la centrale sous planche de bord B002;broches 17 et 18: connexion a l''Airbag passager (central) Q013;broches 21 et 22: connexion a l''Airbag passager (externe) Q012;broches 23 et 24: connexion a l''Airbag conducteeur Q009.Connecteur B:broches 1 et 2: connexion au pretensionneur de la ceinture AV conducteur Q020;broches 3 et 4: connexion au pretensionneur de la ceinture AV passager Q021;broches 5 et 6: connexion au pretensionneur de la ceinture AV centrale Q019 (en cas de pretensionneur) ou a l''Airbag lateral conducteur Q030 (en cas de side bag)broches 9 et 10: connexion a l''Airbag lateral passager Q031;broches 17 et 32: connexion a la masse C050 connecteur B;broches 24 et 26: connexion au capteur pour airbag lateral, conducteur, K066;broches 25 et 27: connexion au capteur pour airbag lateral, passager, K067.



Code composantDesignationReference a l''ensemble
B002MAXI FUSE D'ALIMENTATION GENERALE-
C015MASSE TABLEAU DE BORD COTE CONDUCTEUR-
C050MASSE SYSTEME AIRBAG-
D097LIAISON DE COURT-CIRCUIT-
D160JONCTION PLANCHE DE BORD / PLANCHE DE BORD EN OPTION-
E050COMBINE DE BORD5560B
H001CONTACTEUR A 'CLE
H075COMMUTATEUR DE DESACTIVATION DE L'AIRBAG PASSAGER-
K066CAPTEUR POUR L'AIRBAG LATERAL AR CONDUCTEUR-
K067CAPTEUR POUR L'AIRBAG LATERAL PASSAGER-
M060CENTRALE D'AIRBAG-
M120Panneau frontal Connect-
Q009AIRBAG CONDUCTEUR5580C
Q012AIRBAG PASSAGER (EXTERIEUR)-
Q013AIRBAG PASSAGER (CENTRAL)-
Q019PRETENSIONNEUR DE CEINTURE DE SECURITE AV CENTRALE-
Q020PRETENSIONNEUR DE CEINTURE DE SECURITE AV COTE CONDUCTEUR-
Q021PRETENSIONNEUR DE CEINTURE AVANT COTE PASSAGER-
Q030AIR BAG LATERAL COTE CONDUCTEUR-
Q031AIR BAG LATERAL COTE PASSAGER-

MAXI FUSE D'ALIMENTATION GENERALE



B002A



B002B



B002C



B002D



MASSE TABLEAU DE BORD COTE CONDUCTEUR



C015



MASSE SYSTEME AIRBAG



C050A



C050A



C050B



C050B



C050B



LIAISON DE COURT-CIRCUIT



D097A



D097B



D097C



D097D



D097E



D097E



D097E



D097E



D097E



D097F



D097F



D097F



D097F



D097G



D097H



D097I



D097L



D097L



D097L



D097L



D097L



D097M



JONCTION PLANCHE DE BORD / PLANCHE DE BORD EN OPTION



D160A



D160A



D160A



D160B



D160B



D160B



D160B



COMBINE DE BORD



E050A



E050B



E050C



E050D



E050E



CONTACTEUR A 'CLE



H001A



H001A



H001A



H001A



H001A



H001B



COMMUTATEUR DE DESACTIVATION DE L'AIRBAG PASSAGER



H075



CAPTEUR POUR L'AIRBAG LATERAL AR CONDUCTEUR



K066



CAPTEUR POUR L'AIRBAG LATERAL PASSAGER



K067



CENTRALE D'AIRBAG



M060A



M060A



M060A



M060B



M060B



M060B



Panneau frontal Connect



M120A



M120C



M120C



M120C



M120D



M120D



M120D



M120E



M120X



M120X



M120Y



AIRBAG CONDUCTEUR



Q009



AIRBAG PASSAGER (EXTERIEUR)



Q012



AIRBAG PASSAGER (CENTRAL)



Q013



PRETENSIONNEUR DE CEINTURE DE SECURITE AV CENTRALE



Q019



PRETENSIONNEUR DE CEINTURE DE SECURITE AV COTE CONDUCTEUR



Q020



PRETENSIONNEUR DE CEINTURE AVANT COTE PASSAGER



Q021



AIR BAG LATERAL COTE CONDUCTEUR



Q030



AIR BAG LATERAL COTE PASSAGER



Q031


Can't find your car? Check -> DiagnostData.com!