Lokalizacja Elementy - CZUJNIK PARKOWANIA - Fiat DUCATO 2.3 JTD 16V fino a 02/05
Opis - CZUJNIK PARKOWANIA - Fiat DUCATO 2.3 JTD 16V fino a 02/05
Manewry parkowania sa ulatwione dzieki obecnozci czujnikow parkowania, ktore, poprzez odpowiedni sygnalizator akustyczny, ostrzegaja o obecnozci przeszkody i jej bliskozci. System wlacza sie w momencie wlaczenia biegu wstecznego; wlaczenie jest sygnalizowane przez sygnal dzwiekowy o czestotliwozci okolo jednej sekundy. Czestotliwozc emisji sygnalu dzwiekowego jest odwrotnie proporcjonalna do odleglozci od przeszkody. Emitowany sygnal dzwiekowy staje sie ciagly, gdy bliskie jest zderzenie z przeszkoda.Specjalna centralka nadzoruje caly system sterujac czujnikami parkowania i sygnalizatorami akustycznymi.Alternatywnie do czujnikow parkowania samochod moze byc wyposazony w telekamere parkowania.Telekamera parkowania jest urzadzeniem umieszczonym w tylnej czezci samochodu, zamontowanym na belce poprzecznej dachu. Urzadzenie to zapewnia widocznozc z tylu wylacznie po wlaczeniu biegu wstecznego.Zasadniczym celem systemu, ktory poprzez telekamere, umozliwia widocznozc z tylu, jest wspomaganie kierowcy podczas manewrow parkowania. System pozwala uzytkownikowi, ktory wlaczyl bieg wsteczny, na wykonywanie manewrow przy jednoczesnym obserwowaniu obrazow pokazywanych na wyzwietlaczu Connect. Jest to obraz lustrzany (takiego samego rodzaju jak obraz obserwowany w lusterku wstecznym).System sklada sie z:
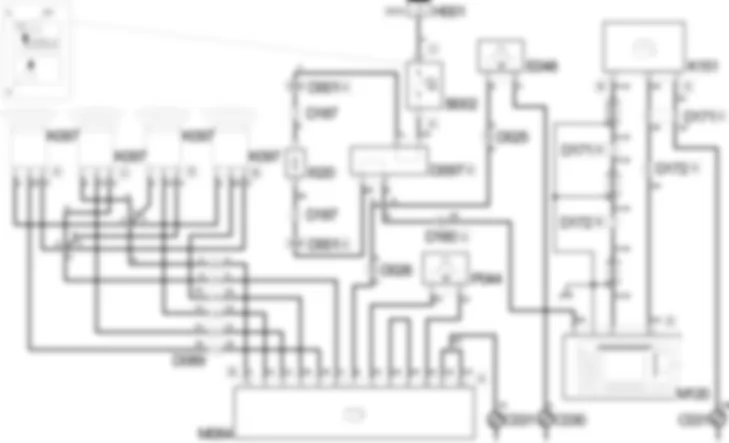
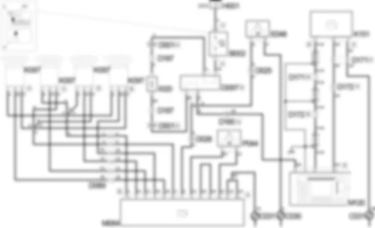
Opis funkcjonowania - CZUJNIK PARKOWANIA - Fiat DUCATO 2.3 JTD 16V fino a 02/05
W momencie wlaczenia biegu wstecznego wylacznik I020 kieruje zasilanie, doprowadzane ze skrzynki bezpiecznikow pod deska rozdzielcza zestawu wskaznikow B002, do zlacza zwartego D097D - styk 7 -. Z tego zlacza zasilanie jest doprowadzane do centralki czujnikow parkowania M184, do connect M120, do sygnalizatora akustycznego E048.Connect M120, po odebraniu sygnalu wlaczonego biegu wstecznego - styk 3 zlacze D -, zasila tylna telekamere K151 - styk 14 zlacze D - i przetwarza pochodzacy z niej sygnal - styk 5 zlacze D - wyzwietlajac go na odpowiednim wyzwietlaczu.W centralce parkowania M084 znajduja sie nastepujace polaczenia:


