Opis - WLACZENIE SPREZARKI - Fiat DUCATO 2.8 JTD 8V fino a 02/05
Przycisk lewy, znajdujacy sie na zespole przyciskow sterujacych klimatyzacji steruje wlaczeniem obwodu chlodzenia i osuszania powietrza, wlaczajac sprezarke ukladu klimatyzacji.Powyzszy przycisk uaktywnia dzialanie obwodu chlodzenia, ale rzeczywiste wlaczenie sprezarki zalezy od zadzialania:presostatu 4-poziomowego, znajdujacego sie na obiegu plynu chlodzacego, ktory blokuje wlaczenie sprezarki, jesli cisnienie plynu chlodzacego jest zbyt niskie lub zbyt wysokie;centralki sterowania silnikiem, ktora w zaleznosci od logiki sterowania silnikiem, wyklucza dzialanie sprezarki, na przyklad w przypadku wysokiej temperatury silnika lub w przypadku duzego obciazenia silnika (gwaltowne przyspieszenia);od informacji przesylanych z termostatu odszraniania w zwiazku z obecnoscia lub brakiem skroplin na przewodach ukladu klimatyzacji.Obwod zasilania sprezarki sterowany jest przez specjalny przekaznik, znajdujacy sie w skrzynce bezpiecznikow w komorze silnika; obwod zasilania przekaznika zabezpieczony jest odpowiednim bezpiecznikiem.
Opis funkcjonowania - WLACZENIE SPREZARKI - Fiat DUCATO 2.8 JTD 8V fino a 02/05
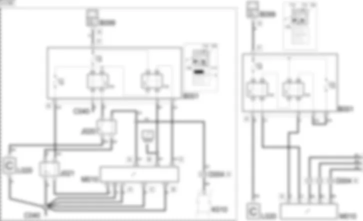
Obwod wlaczania sprezarki sterowany jest przez przekaznik T05, znajdujacy sie w skrzynce bezpiecznikow w komorze silnika B001. Zasilany jest on w obwodzie bezposrednim z akumulatora na styk 1 zlacza F skrzynce bezpiecznikow i zabezpieczony bezpiecznikiem F19, znajdujacym sie w tej skrzynce.Podczas uruchamiania silnika centralka M010 ze zlacza A, styk 13, wzbudza przekaznik T09, dostarczajac mu sygnal masy; przekaznik zasilany jest bezposrednio z akumulatora przez bezpiecznik F18. Nastepnie zasilany jest przekaznik T05, ktory wzbudzany jest przez centralke silnika M010, zlacze A, styk 18, gdy wymagane jest wlaczenie sprezarki.Zadanie wlaczenia sprezarki dochodzi z centralki klimatyzacji M070 - styk 4 -, sygnal przesylany jest najpierw do termostatu elektronicznego N086, a nastepnie do termostatu odszraniania K160. Centralka sterowania silnikiem M010 przetwarza sygnaly przychodzace z dwoch termostatow odszraniania oraz z presostatu wielopoziomowego K010. Jezeli zmierzone wartosci ukladu klimatyzacji - cisnienia i temperatury - sa prawidlowe, centralka silnika, poprzez styk 18 zlacza A, wzbudza przekaznik T05, zasilajac sprezarke L020.Centralka ukladu klimatyzacji M070 zasilana jest poprzez wylacznik zaplonu i bezposrednio z akumulatora, w pierwszym przypadku zasilanie zabezpieczone jest bezpiecznikiem F31, znajdujacym sie w skrzynce bezpiecznikow pod deska rozdzielcza B002, a w drugim przypadku przez bezpiecznik F34, znajdujacy sie w dodatkowej skrzynce bezpiecznikow B101. Centralka klimatyzacji posiada wlasne podswietlenie wewnetrzne, ktore wlacza sie po wlaczeniu swiatel pozycyjnych.
Schemat Elektryczny - WLACZENIE SPREZARKI - Fiat DUCATO 2.8 JTD 8V fino a 02/05
Elementy - WLACZENIE SPREZARKI - Fiat DUCATO 2.8 JTD 8V fino a 02/05
| Kod elementu | Nazwa | Odniesienie do zestawienia |
| B001 | SKRZYNKA BEZPIECZNIKOW | 5505A |
| B002 | SKRZYNKA BEZPIECZNIKOW POD DESKA ROZDZIELCZA | - |
| B099 | SKRZYNKA MAXI FUSE W BATERII | - |
| B101 | SKRZYNKA BEZPIECZNIKOW OPCYJNA POD DESKA ROZDZIELCZA | - |
| C010 | MASA PRZEDNIA LEWA | - |
| C016 | MASA ZESPOLU KLIMATYZACJI | - |
| D004 | ZLACZE PRZEDNIE / SILNIK | - |
| D018 | ZLACZE PRZEDNIE / DODATKOWA DESKA ROZDZIELCZA | - |
| D021 | ZLACZE DESKA ROZDZIELCZA / UKLAD KLIMATYZACJI - NAGRZEWNICA | - |
| D097 | ZLACZE ZWARTE | - |
| D160 | ZLACZE DESKA ROZDZIELCZA / OPCYJNA DESKA ROZDZIELCZA | - |
| D161 | ZLACZE OPCYJNA DESKA ROZDZIELCZA / UKLAD KLIMATYZACJI | - |
| D180 | ZLACZE UKLADU KLIMATYZACJI / DODATKOWEGO UKLADU KLIMATYZACJI | - |
| H001 | WYLACZNIK ZAPLONU | |
| J020 | PRZEKAZNIK WLACZENIA SPREZARKI UKLADU KLIMATYZACJI | - |
| J021 | DODATKOWY PRZEKAZNIK WLACZENIA SPREZARKI | - |
| K010 | 4-POZIOMOWY REGULATOR CIZNIENIA | |
| K086 | CZUJNIK PRZECIWSZRONOWY | - |
| L020 | ELEKTROMAGNES WLACZANIA SPREZARKI KLIMATYZACJI | - |
| M010 | CENTRALKA KONTROLI SILNIKA | - |
| M070 | CENTRALKA KLIMATYZACJI | - |
Lokalizacja elementow - WLACZENIE SPREZARKI - Fiat DUCATO 2.8 JTD 8V fino a 02/05
| Kod elementu | Nazwa | Odniesienie do zestawienia |
| B001 | SKRZYNKA BEZPIECZNIKOW | 5505A |
| B002 | SKRZYNKA BEZPIECZNIKOW POD DESKA ROZDZIELCZA | - |
| B099 | SKRZYNKA MAXI FUSE W BATERII | - |
| B101 | SKRZYNKA BEZPIECZNIKOW OPCYJNA POD DESKA ROZDZIELCZA | - |
| C010 | MASA PRZEDNIA LEWA | - |
| C016 | MASA ZESPOLU KLIMATYZACJI | - |
| D004 | ZLACZE PRZEDNIE / SILNIK | - |
| D018 | ZLACZE PRZEDNIE / DODATKOWA DESKA ROZDZIELCZA | - |
| D021 | ZLACZE DESKA ROZDZIELCZA / UKLAD KLIMATYZACJI - NAGRZEWNICA | - |
| D097 | ZLACZE ZWARTE | - |
| D160 | ZLACZE DESKA ROZDZIELCZA / OPCYJNA DESKA ROZDZIELCZA | - |
| D161 | ZLACZE OPCYJNA DESKA ROZDZIELCZA / UKLAD KLIMATYZACJI | - |
| D180 | ZLACZE UKLADU KLIMATYZACJI / DODATKOWEGO UKLADU KLIMATYZACJI | - |
| H001 | WYLACZNIK ZAPLONU | |
| J020 | PRZEKAZNIK WLACZENIA SPREZARKI UKLADU KLIMATYZACJI | - |
| J021 | DODATKOWY PRZEKAZNIK WLACZENIA SPREZARKI | - |
| K010 | 4-POZIOMOWY REGULATOR CIZNIENIA | |
| K086 | CZUJNIK PRZECIWSZRONOWY | - |
| L020 | ELEKTROMAGNES WLACZANIA SPREZARKI KLIMATYZACJI | - |
| M010 | CENTRALKA KONTROLI SILNIKA | - |
| M070 | CENTRALKA KLIMATYZACJI | - |































































































































































