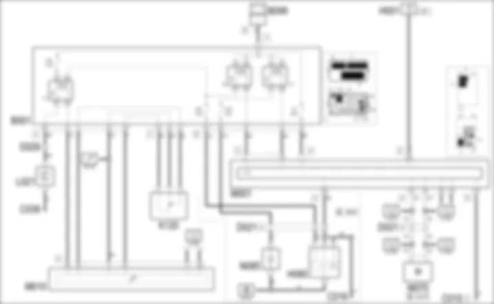
SCHEMA ELETTRICO - INSERIMENTO COMPRESSORE - Fiat GRANDE PUNTO 1.4 16v
COMPONENTI - INSERIMENTO COMPRESSORE - Fiat GRANDE PUNTO 1.4 16v
| Codice componenti | Denominazione | Riferimento all’operazione |
| B001 | CENTRALINA DI DERIVAZIONE | |
| B099 | SCATOLA MAXI FUSE SU BATTERIA | |
| C015 | MASSA PLANCIA LATO GUIDA | - |
| C016 | MASSA GRUPPO CONDIZIONATORE | - |
| C39 | MASSA COMPRESSORE | - |
| D021 | GIUNZIONE PLANCIA / CONDIZIONATORE - RISCALDATORE | - |
| D029 | GIUNZIONE CAVI MOTORE / CAVO SERVIZI MOTORE | - |
| H001 | COMMUTATORE DI ACCENSIONE | |
| H80 | COMANDI CONDIZIONATORE | |
| K120 | SENSORE LINEARE PER ELETTROVENTOLE | |
| L021 | ELETTROVALVOLA INSERIMENTO COMPRESSORE CONDIZIONATORE | |
| M001 | BODY COMPUTER | |
| M010 | CENTRALINA CONTROLLO MOTORE | |
| M070 | CENTRALINA CLIMATIZZATORE | |
| N085 | ELETTROVENTILATORE ARIA ABITACOLO |
LOCALIZZAZIONE COMPONENTI - INSERIMENTO COMPRESSORE - Fiat GRANDE PUNTO 1.4 16v
| Codice componenti | Denominazione | Riferimento all’operazione |
| B001 | CENTRALINA DI DERIVAZIONE | |
| B099 | SCATOLA MAXI FUSE SU BATTERIA | |
| C015 | MASSA PLANCIA LATO GUIDA | - |
| C016 | MASSA GRUPPO CONDIZIONATORE | - |
| C39 | MASSA COMPRESSORE | - |
| D021 | GIUNZIONE PLANCIA / CONDIZIONATORE - RISCALDATORE | - |
| D029 | GIUNZIONE CAVI MOTORE / CAVO SERVIZI MOTORE | - |
| H001 | COMMUTATORE DI ACCENSIONE | |
| H80 | COMANDI CONDIZIONATORE | |
| K120 | SENSORE LINEARE PER ELETTROVENTOLE | |
| L021 | ELETTROVALVOLA INSERIMENTO COMPRESSORE CONDIZIONATORE | |
| M001 | BODY COMPUTER | |
| M010 | CENTRALINA CONTROLLO MOTORE | |
| M070 | CENTRALINA CLIMATIZZATORE | |
| N085 | ELETTROVENTILATORE ARIA ABITACOLO |
DESCRIZIONE - INSERIMENTO COMPRESSORE - Fiat GRANDE PUNTO 1.4 16v
Il pulsante apposito (simbolo "ghiaccio") posto sul gruppo comandi di climatizzazione comanda l''inserimento del circuito di raffreddamento e deumidificazione dell''aria, azionando il compressore condizionatore.Il pulsante suddetto abilita il funzionamento del circuito di refrigerazione dell''aria; ma l''effettivo inserimento del compressore dipende anche dall''intervento:- del sensore lineare, collocato sul circuito del fluido refrigerante, che blocca l''inserimento del condizionatore se la pressione del fluido refrigerante e troppo bassa oppure troppo alta;- dalla centralina di controllo del motore che, a seconda della logica di gestione del motore, esclude il funzionamento del compressore per esempio in caso di elevate temperature del motore, oppure nel caso di elevato carico motore (brusche accelerazioni);In condizioni di compressore abilitato e motore avviato, la ventilazione manuale non scende al di sotto di un valore minimoPer maggior dettagli
DESCRIZIONE FUNZIONALE - INSERIMENTO COMPRESSORE - Fiat GRANDE PUNTO 1.4 16v
Il teleruttore T17 della centralina vano motore B1 controlla il circuito di inserimento del compressore.L''alimentazione del teleruttore avviene attraverso la linea del fusibile specifico F34 della centralina vano motore B1.L''alimentazione della bobina del teleruttore T17 giunge dal teleruttore T6 della B1: si tratta di una alimentazione “sottochiave” (INT) comandata dal pin 1 del connettore A di M1.Nelle versioni con climatizzatore manauale, il pulsante di inserimento del compressore e collocato nel gruppo comandi H80, che invia il segnale al pin 49 del connettore A del Body Computer M1, il quale invia via rete CAN il segnale di abilitazione alla centralina di controllo motore M10.Il gruppo comandi H80 e alimentato dalla linea protetta dal fusibile F24 della centralina vano motore B1 e dal teleruttore T6 della B1: si tratta di una alimentazione “sottochiave” (INT) comandata dal pin 1 del connettore A di M1.In condizioni di compressore abilitato e motore avviato, viene azionato l’elettroventilatore N85 alla prima veolcita.Nelle versioni con climatizzatore automatico e la centralina di climatizzazione M70 che invia via rete CAN il segnale di abilitazione per l''inserimento del compressore - tramite il Body Computer M1 - alla centralina di controllo motore M10.In base alla propria logica interna di controllo, la centralina M10 invia il comando - dal pin 30 del connettore A - di effettivo inserimento del compressore che eccita il teleruttore T17 in tal modo viene comandato con una tensione di 12 V l''elettrovalvola di inserimento del compressore condizionatore L21.Se il sensore lineare per elettroventole K120 segnala alla centralina M10 - pin 39 del connettore A il raggiungimento di un valore di pressione troppo alto oppure troppo basso, allora la centralina M10 esclude l''inserimento del compressore.Il sensore lineare K120 riceve alimentazione e massa di riferimento dalla centralina controllo motore M10, pin 5 e 53 del connettore A.




























