WIRING DIAGRAM - PETROL ENGINES ELECTRONIC MANAGEMENT - Fiat GRANDE PUNTO 1.2 8v
COMPONENTS - PETROL ENGINES ELECTRONIC MANAGEMENT - Fiat GRANDE PUNTO 1.2 8v
| Component code | Description | Reference to the operation |
| A030 | IGNITION COIL | |
| B001 | JUNCTION UNIT | |
| B099 | MAXI FUSE BOX ON BATTERY | |
| C010 | LEFT FRONT EARTH | - |
| C015 | DASHBOARD EARTH, DRIVER'S SIDE | - |
| C040 | ENGINE EARTH | - |
| D020 | DASHBOARD/REAR COUPLING | - |
| D029 | ENGINE CABLES/ENGINE SERVICES CABLE COUPLING | - |
| D81 | GIUNZIONE INIETTORI | - |
| D107 | DASHBOARD-REAR/ENGINE SERVICES COUPLING | - |
| E050 | INSTRUMENT PANEL | |
| I020 | REVERSING LIGHTS SWITCH | |
| I030 | BRAKE PEDAL SWITCH | |
| I031 | CLUTCH PEDAL SWITCH | |
| I050 | INERTIA SWITCH | |
| K015 | LAMBDA SENSOR ON PRE-CATALYZER | |
| K017 | LAMBDA SENSOR ON CATALYZER | |
| K030 | LOW ENGINE OIL PRESSURE SENSOR (SWITCH) | |
| K036 | ENGINE COOLANT TEMPERATURE SENSOR/SENDER UNIT | |
| K043 | INTEGRATED AIR TEMPERATURE SENSOR | |
| K044 | AIR PRESSURE - TEMPERATURE SENSOR | |
| K047 | TIMING SENSOR | |
| K050 | DETONATION SENSOR | |
| K055 | ACCELERATOR PEDAL POTENTIOMETER | |
| L010 | FUEL VAPOUR RECOVERY SOLENOID VALVE | |
| M001 | BODY COMPUTER | |
| M010 | ENGINE MANAGEMENT ECU | |
| N040 | FUEL PUMP AND LEVEL GAUGE | |
| N070 | INJECTOR | |
| N075 | THROTTLE BODY ACTUATOR |
COMPONENT LOCATION - PETROL ENGINES ELECTRONIC MANAGEMENT - Fiat GRANDE PUNTO 1.2 8v
| Component code | Description | Reference to the operation |
| A030 | IGNITION COIL | |
| B001 | JUNCTION UNIT | |
| B099 | MAXI FUSE BOX ON BATTERY | |
| C010 | LEFT FRONT EARTH | - |
| C015 | DASHBOARD EARTH, DRIVER'S SIDE | - |
| C040 | ENGINE EARTH | - |
| D020 | DASHBOARD/REAR COUPLING | - |
| D029 | ENGINE CABLES/ENGINE SERVICES CABLE COUPLING | - |
| D81 | GIUNZIONE INIETTORI | - |
| D107 | DASHBOARD-REAR/ENGINE SERVICES COUPLING | - |
| E050 | INSTRUMENT PANEL | |
| I020 | REVERSING LIGHTS SWITCH | |
| I030 | BRAKE PEDAL SWITCH | |
| I031 | CLUTCH PEDAL SWITCH | |
| I050 | INERTIA SWITCH | |
| K015 | LAMBDA SENSOR ON PRE-CATALYZER | |
| K017 | LAMBDA SENSOR ON CATALYZER | |
| K030 | LOW ENGINE OIL PRESSURE SENSOR (SWITCH) | |
| K036 | ENGINE COOLANT TEMPERATURE SENSOR/SENDER UNIT | |
| K043 | INTEGRATED AIR TEMPERATURE SENSOR | |
| K044 | AIR PRESSURE - TEMPERATURE SENSOR | |
| K047 | TIMING SENSOR | |
| K050 | DETONATION SENSOR | |
| K055 | ACCELERATOR PEDAL POTENTIOMETER | |
| L010 | FUEL VAPOUR RECOVERY SOLENOID VALVE | |
| M001 | BODY COMPUTER | |
| M010 | ENGINE MANAGEMENT ECU | |
| N040 | FUEL PUMP AND LEVEL GAUGE | |
| N070 | INJECTOR | |
| N075 | THROTTLE BODY ACTUATOR |
DESCRIPTION - PETROL ENGINES ELECTRONIC MANAGEMENT - Fiat GRANDE PUNTO 1.2 8v
An electronic control system supervises and governs all engine parameters to optimise performance and fuel consumption by means of a real-time response to different service conditions.The system is managed by a single control unit which controls both ignition and injection.
FUNCTIONAL DESCRIPTION - PETROL ENGINES ELECTRONIC MANAGEMENT - Fiat GRANDE PUNTO 1.2 8v
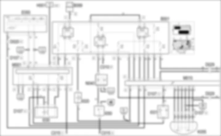
Engine management control unit M10 controls and governs the entire electronic ignition and injection system.Control unit M10 is supplied directly from the battery at pin 1 of connector A, via a line protected by fuse F43 of engine compartment control unit B1 .The ignition-operated power supply arrives via a line protected by fuse F20 of the engine compartment junction unit B1 at pin 16 of connector A of M10 .Pins 5, 6, 21 and 22 of connector B of M10 are earthed.Main injection relay T7 of B1 controls the entire system: it is energized by an earth signal from pin 17 of connector A of engine control unit M10 and then forwards a power supply:- to pins 47 and 48 of connector A of the actual control unit, via the line protected by fuse F29 of B1;- to fuel vapour recovery solenoid L10 and to lambda sensors K15 and K17 (all these lines are protected by fuses F127 of B1;- to coils A30 and injectors N70 via a line protected by fuse F28 of B1.Fuel pump relay T8 of B1 is supplied by the line protected by fuse F30 of B1.It is energized by a control signal coming from pin 56 of connector A of control unit M10 and provides the power supply for the electric fuel pump N40 which is earthed via the inertia switch I50 which interrupts the circuit in the case of an impact and stops the dangerous supply of fuel.The engine management control unit M10 receives signals from the various sensors thereby keeping all the engine operating parameters under control.The rpm sensor K46 provides information, via a frequency signal sent to pins 9 and 23 of connector B of the control unit M10, about the engine speed.Timing sensor K47 is supplied from pin 13 of connector B di M10 ; this receives a reference earth from pin 7 of connector B, and sends a signal with frequency corresponding to the phase to pin 24 of connector B of the control unit.Integrated air temperature sensor K43 receives a reference earth from pin 7 of connector B; it sends a signal corresponding to intake air temperature to pin 63 of the control unit. Pin 13 of connector B of M10 sends a reference power supply to sensor K43 , which returns a signal proportional to intake air pressure to pin 31.The engine temperature sender unit K36 receives a reference earth from pin 36 of connector B of the control unit M10 and provides a signal proportional to the temperature of the engine coolant at pin 22 of connector B of the control unit.The Lambda sensor on the pre-catalyzer K15 and the one on the catalyzer K17 provide the control unit M10 with information concerning the correct composition of the air-fuel mixture.The sensor K15 sends a signal to pin 43 of connector B of the control unit, while pin 60 provides a reference earth: these two signals are very low intensity and are thus appropriately shielded. Sensor K15 is heated by a resistance to ensure correct operation even when cold; the resistance is supplied by the main relay T7 pin 32 of connector B of M10 provides the reference earth.The sensor K17 sends a signal to pin 42 of connector B of the control unit, while pin 58 provides a reference earth: these two signals are very low intensity and are thus appropriately shielded. Sensor K17 is heated by a resistance to ensure correct operation even when cold; the resistance is supplied by the main relay T7; pin 64 of connector B of M10 provides the reference earth.The detonation sensor K50 provides information, by means of frequency signals, concerning the onset of detonation in the combustion chamber: it sends two signals to pins 41 and 48 of connector B of M10 ; these signals are also appropriately shielded.The accelerator pedal K55 has two built in potentiometers (one main one and one safety one). The former receives power and earth signals from pins 2 and 51 of connector A of M10 and sends a corresponding signal to pin 45 of the same connector. The latter receives power and earth signals from pins 3 and 15 of connector A of M10 and sends a corresponding signal to pin 38 of the same connector.The control unit M10 receives - at pin 55 of connector A - a signal from the minimum engine oil pressure sensor K30Pin 52 of connector A of M10 receives a signal from brake light switch I30 - NO contact - provided with an ignition-controlled power supply from fuse F22 of Body Computer M1. It receives via the CAN a signal - NC contact - from brake light switch I30 supplied with an ignition controlled supply from fuse F26 of Body Computer M1.Pin 32 of connector A of M10 receives the signal coming from the clutch switch I31.Pin 26 of connector A of M10 receives the signal coming from the clutch switch I20.The control unit M10 controls the opening of the injectors N70 by means of special signals sent by pins 50, 34, 49 and 33 of connector B of M10. Injectors N70 receive a power supply to enable opening of main relay T7 of B1 .Control unit M10 also controls A30 via control signals for the primary winding of the coil, while the secondary winding sends a pulse to the spark plugs: from pins 17, 19, 3 and 1 of connector B of M10. The primary windings of coils A30 receive a power supply to enable opening of main relay T7 of B1 .The throttle body actuator N75 has two built in potentiometers connected in parallel: this controls the throttle opening by means of a stepping motor.The motor receives a power supply from pins 52 and 57 of connector B of M10. Pin 15 of connector B sends power to both potentiometers, while pin 35 sends an earth signal to the potentiometers; pins 30 and 44 of the same connector receive signals that reach throttle body actuator N75.The fuel vapour recovery solenoid valve L10 allows the flow of fuel vapours to the engine intake where they are added to the mixture entering the combustion chamber. Valve L10 is supplied from main relay T7 of B1 ; it is opened by the control unit when the engine is loaded via a signal from pin 51 of connector B of M10 .The control unit M10 is then connected via the CAN to the Body Computer M1 and to the other network nodes: information on the following is sent through this connection- system self-diagnosis, which may be used by connecting to connector R10;- engine coolant temperature, which is sent to the instrument panel E50 which manages the gauge and the warning light;- engine rpm, which is sent to the instrument panel E50 rev counter;- minimum engine oil pressure, which is sent to the instrument panel E50 which manages the warning light;It receives the speedometer signal, via the CAN, produced by the ABS control unit M50.The autodiagnostic system for the control unit M10 also produces a signal - which leaves pin 64 of connector A - which is connected directly to the EOBD warning light in the instrument panel E50.



















































