WIRING DIAGRAM - AIRBAG - Fiat GRANDE PUNTO 1.4 16v
COMPONENTS - AIRBAG - Fiat GRANDE PUNTO 1.4 16v
| Component code | Description | Reference to the operation |
| B001 | JUNCTION UNIT | |
| B099 | MAXI FUSE BOX ON BATTERY | |
| C015 | DASHBOARD EARTH, DRIVER'S SIDE | - |
| C050 | AIR BAG SYSTEM EARTH | - |
| D020 | DASHBOARD/REAR COUPLING | - |
| D047 | CLOCK SPRING COUPLING | |
| D070 | DRIVER'S SEAT COUPLING | - |
| D071 | PASSENGER SEAT COUPLING | - |
| D106 | REAR/CROSSMEMBER COUPLING | |
| E050 | INSTRUMENT PANEL | |
| D070 | DRIVER'S SEAT COUPLING | - |
| D071 | PASSENGER SEAT COUPLING | - |
| E050 | INSTRUMENT PANEL | |
| I046 | DRIVER'S SEAT BELT SWITCH | |
| I047 | PASSENGER SEAT BELT SWITCH | |
| K039 | FRONT AIR BAG SENSOR | |
| K065 | PASSENGER PRESENCE SENSOR | |
| K066 | SENSOR FOR DRIVER'S SIDE BAG | |
| K067 | SENSOR FOR PASSENGER SIDE BAG | |
| M001 | BODY COMPUTER | |
| M060 | AIR BAG CONTROL UNIT | |
| Q009 AIR BAG GUIDATORE | ||
| Q011 | AIR BAG IN DASHBOARD (PASSENGER SIDE) | |
| Q014 | DRIVER'S SIDE KNEE BAG | |
| Q020 | DRIVER'S SEAT BELT PRETENSIONER | |
| Q021 | FRONT PASSENGER SEAT BELT PRETENSIONER | |
| Q030 AIR BAG LATERALE LATO GUIDA | ||
| Q031 AIR BAG LATERALE LATO PASSEGGERO | ||
| Q040 | DRIVER'S HEAD BAG | |
| Q041 | PASSENGER WINDOW BAG |
COMPONENT LOCATION - AIRBAG - Fiat GRANDE PUNTO 1.4 16v
| Component code | Description | Reference to the operation |
| B001 | JUNCTION UNIT | |
| B099 | MAXI FUSE BOX ON BATTERY | |
| C015 | DASHBOARD EARTH, DRIVER'S SIDE | - |
| C050 | AIR BAG SYSTEM EARTH | - |
| D020 | DASHBOARD/REAR COUPLING | - |
| D047 | CLOCK SPRING COUPLING | |
| D070 | DRIVER'S SEAT COUPLING | - |
| D071 | PASSENGER SEAT COUPLING | - |
| D106 | REAR/CROSSMEMBER COUPLING | |
| E050 | INSTRUMENT PANEL | |
| D070 | DRIVER'S SEAT COUPLING | - |
| D071 | PASSENGER SEAT COUPLING | - |
| E050 | INSTRUMENT PANEL | |
| I046 | DRIVER'S SEAT BELT SWITCH | |
| I047 | PASSENGER SEAT BELT SWITCH | |
| K039 | FRONT AIR BAG SENSOR | |
| K065 | PASSENGER PRESENCE SENSOR | |
| K066 | SENSOR FOR DRIVER'S SIDE BAG | |
| K067 | SENSOR FOR PASSENGER SIDE BAG | |
| M001 | BODY COMPUTER | |
| M060 | AIR BAG CONTROL UNIT | |
| Q009 AIR BAG GUIDATORE | ||
| Q011 | AIR BAG IN DASHBOARD (PASSENGER SIDE) | |
| Q014 | DRIVER'S SIDE KNEE BAG | |
| Q020 | DRIVER'S SEAT BELT PRETENSIONER | |
| Q021 | FRONT PASSENGER SEAT BELT PRETENSIONER | |
| Q030 AIR BAG LATERALE LATO GUIDA | ||
| Q031 AIR BAG LATERALE LATO PASSEGGERO | ||
| Q040 | DRIVER'S HEAD BAG | |
| Q041 | PASSENGER WINDOW BAG |
DESCRIPTION - AIRBAG - Fiat GRANDE PUNTO 1.4 16v
The vehicle is equipped with an electronic control system that governs the acivation of specific containment devices in the event of frontal or side impact.The comprehensive version of the system includes the following for frontal protection:- driver and passenger front air bags with two-stage activation;- single-stage driver''s kneebag (optional);- front belts with pretensioner and regressive load limiter;- decentralised supplementary front impact detection sensor;The most comprehensive version of the side protection system comprises:- two Side Bags on the front seats;- two drop-down headbags housed in the under-roof rails;- two impact detection sensors located in the central pillar.The front protection system features new Air Bag Smart 2 activation software that automatically adapts activation parameters according to impact severity.Driver and passenger front airbags feature two-stage activation:- when the impact is of moderate severity, the electronic control unit controls the first airbag activation stage and then, following a significant temperature increase, the second stage so that the energy discharged onto the occupant is not harmful.- for very severe impact, the control unit activates the second stage after a small temperature rise, i.e. almost immediately, so that as much of the occupant''s kinetic energy as possible can be absorbed before he or she strikes the steering wheel or dashboard.A supplementary ECS “Early Crash Sensor” on the front beam near the bonnet lock also helps the electronic control unit to operate more quickly than a conventional system so that the airbag activation stage is comleted before the occupant''s body begins to move towards the steering wheel or dashboard.The control unit is located under the centre console and is securely fastened to the bodyshell: in this way the deceleration sensors located inside the unit are near the centre of gravity and detect the deceleration for the entire vehicle accurately.There are two stages for the front Air Bag modules: the first intervenes at an intial impact level, the second in the case of a more serious impact.The driver side air bag module is located in the middle of the steering wheel. It is fitted on a tilting plate that is also used to control the horns. The plate houses a metal container that contains the folded bag and the gas generation device that inflates the bag.A clock spring allows the connecting cables for the Air Bag module to follow the rotation of the steering wheel without danger of breaking.The passenger Air Bag is located on the dashboard, and is fastened directly to the vehicle crossmember by means of a special bracket.The driver''s side airbag module is located in the lower part of the facia beneath the steering wheel. This single-stage module, in addition to protecting the lower limbs, increases protection for the driver, particularly by preventing them from sliding forward, which is a possible cause of injury, particularly to the chest.The side bag protects the chest area and also - together with the door panels - protects critical areas of the body such as the ribs and abdomen. Its position on the seat always ensures maximum efficacy irrespective of seat position, even if the seat occupant is not seated correctly, because bag opening dynamics minimise the risk of body damage due to impact against the body.The window bags are activated together with the sidebags and interpose themselvers between the occupant and the vehicle to prevent the head coming into contact with highly intrusive objects such as glass, pillars etc.Because the window bags extend from the front pillar to the luggage compartment, they protect front and rear passengers. The window bag system offers the best performance due to the broad area covered and their ability to be self-supporting even without a backing.The pretensionsers are located on the front seat belt reels. Activation of the seat belt pretensioners is controlled by the same strategy as the air bags.The pretensioners are designed to take up slack in the seat belt to ensure it holds the occupant against the backrest from the first moments of impact, thus reducing movement inside the passenger compartment.The control unit is equipped with an autodiagnostic function:- it detects and stores faults;- it recognises the various components and the fault type;- it indicates the onset of faults by means of the special warning light.The activation of the system following a particularly serious impact is memorized by the control unit.When the system autodiagnostic function detects a fault or an impact is recorded, the control unit sends a signal, via the CAN, for the Air Bag fault warning light located in the instrument panel.Similarly, it lights up the passenger Air Bag disabled warning light and the seat belts not fastened warning light: this warning light signals that the driver''s seat belt is not fastened, coming on constantly from the key on; the warning light in the panel starts to flash and the instrument panel buzzer sounds intermittently if the vehicle speed exceeds 20 km/h or more than 400 m is travelled.
FUNCTIONAL DESCRIPTION - AIRBAG - Fiat GRANDE PUNTO 1.4 16v
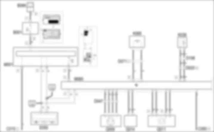
The control unit for the Air Bag system M60 receives a supply controlled by the ignition (INT) at pin 2 of connector A from the line protected by fuse F58 of the Body Computer M1.Pin 1 connector A is connected to the specific earth C50.The early crash sensor K39 detects slight impacts and signals them to the control unit M60 and 12 of connector A of M60; pin 6 provides a reference earth.When, according to the control logic, the two sensors and the sensors incorporated in the actual control unit detect a slight frontal impact, the control unit sends signals for the intervention of the front modules in the first stage:- to the driver''s Air Bag Q9, via the clock spring on the steering wheel D47 (from pins 15 and 16 of connector A of M60 );- to the passenger Air Bag Q11 (from pins 13 and 14 of connector A of M60);- to the driver side knee bag Q14 (from pins 23 and 24 of connector A of M60);- to the front driver''s pretensioners Q20 (from pins 19 and 20 of connector B of M60) and passenger side Q21 (from pins 17 and 18 of connector B of M60).If a more serious frontal impact is detected, the control unit sends signals for the intervention of the front modules in the second stage:- to the driver''s Air Bag Q9, via the clock spring on the steering wheel D47 (from pins 19 and 20 of connector A of M60 );- to the passenger Air Bag Q11 (from pins 17 and 18 of connector A of M60).The side impact detection sensors K66 (driver''s side) and K67 (passenger side) send signals to pins 4-2 and 3-1 of connector B of the control unit M60, respectively.When, on the basis of the control logic, a side impact of a certain severity is detected, the control unit sends signals for the intervention of the modules:- to the driver''s front Side Bag Q30 (from pins 5 and 6 of connector B of M60);- to the front passenger Side Bag Q31 (from pins 13 and 14 of connector B of M60);- to the driver''s Head Bag Q40 (from pins 23 and 24 of connector B of M60)- to the passenger Head Bag Q41 (from pins 22 and 21 of connector B of M60).The structure of the seats which house the Side Bags is connected to earth C50.The switches on the driver''s seat belt I45 and the passenger side I46 are conntected to the control unit sending an earth signal to pins 5 -10 and 9 - 6 of connector B of M60 respectively.The passenger presence sensor K65 located on the seat sends a signal to pin 11- 7 of connector B of M60.The control unit M60 is connected via the CAN line to the Body Computer M1 and to the instrument panel E50.When the system autodiagnostic function detects a fault or an impact is recorded, the control unit M60 sends a signal, via the CAN, for the Air Bag fault warning light located in the instrument panel E50.Similarly, it lights up the passenger Air Bag disabled warning light and the seat belts not fastened warning light:































