| Codigo del componente | Denominacion | Referencia al conjunto |
| B1 | Centralita de derivacion en el motor | 5505A |
| B2 | Centralita de derivacion bajo elsalpicadero | 5505A |
| B98 | Caja portafusibles adicional | - |
| C20 | Masa salpicadero lado pasajero | - |
| C31 | Masa posterior derecha | - |
| D20 | Conexion salpicadero / posterior | - |
| D30 | Conexion posterior / puerta del.. lado conductor | - |
| D31 | Conexion posterior / puerta del..lado pasajero | - |
| D35 | Conexion posterior / puerta tras.izquierda | - |
| D36 | Conexion posterior / puerta tras.derecha | - |
| D47 | Conexion contacto en espiral | 5580C |
| D97 | Conexion cortocircuitante | - |
| H1 | Conmutador de arranque | 5520A |
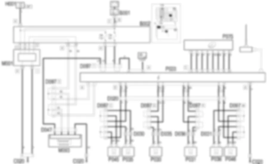
| M1 | Body computer | 5505A |
| M93 | Centralita nudo volante | - |
| P20 | Autorradio | 7040A |
| P30 | Altavoz trasero izquierdo | 5570T |
| P31 | Altavoz trasero derecho | 5570T |
| P35 | Altavoz en la puerta del.. lado conductor | 5570T |
| P36 | Altavoz en la puerta delantera ladopasajero | 5570T |
| P45 | Altavoz Tweeter delantero lado conductor | 7040H |
| P46 | Altavoz Tweeter delantero lado pasajero | 7040H |
| P47 | Altavoz Tweeter trasero izquierdo | - |
| P48 | Altavoz Tweeter trasero derecho | - |
| P70 | Amplificador de radio | - |
| P75 | Lector / cambia CD | - |
E35105570| Codigo del componente | Denominacion | Referencia al conjunto |
| B1 | Centralita de derivacion en el motor | 5505A |
| B2 | Centralita de derivacion bajo elsalpicadero | 5505A |
| B98 | Caja portafusibles adicional | - |
| C20 | Masa salpicadero lado pasajero | - |
| C31 | Masa posterior derecha | - |
| D20 | Conexion salpicadero / posterior | - |
| D30 | Conexion posterior / puerta del.. lado conductor | - |
| D31 | Conexion posterior / puerta del..lado pasajero | - |
| D35 | Conexion posterior / puerta tras.izquierda | - |
| D36 | Conexion posterior / puerta tras.derecha | - |
| D47 | Conexion contacto en espiral | 5580C |
| D97 | Conexion cortocircuitante | - |
| H1 | Conmutador de arranque | 5520A |
| M1 | Body computer | 5505A |
| M93 | Centralita nudo volante | - |
| P20 | Autorradio | 7040A |
| P30 | Altavoz trasero izquierdo | 5570T |
| P31 | Altavoz trasero derecho | 5570T |
| P35 | Altavoz en la puerta del.. lado conductor | 5570T |
| P36 | Altavoz en la puerta delantera ladopasajero | 5570T |
| P45 | Altavoz Tweeter delantero lado conductor | 7040H |
| P46 | Altavoz Tweeter delantero lado pasajero | 7040H |
| P47 | Altavoz Tweeter trasero izquierdo | - |
| P48 | Altavoz Tweeter trasero derecho | - |
| P70 | Amplificador de radio | - |
| P75 | Lector / cambia CD | - |
E2530E1050 COMPONENTES MULTIFUNCIONALES
5505A10
7040A375505A355505A13
5505A29
5505A135505A32
7040A375505A355505A35
7040A375505A42
7005E127005M147005E085505A435505A43
5505A46
7005E127005M147005E085505A475505A47
5505A48
7040H667040H507040H367040L447040B227040H427040B06Centralita de derivacion bajo el salpicadero
B2A
B2A
B2B
B2C
B2D
B2D
B2E
B2G
B2H
Caja portafusibles adicional
B98
Conexion salpicadero / posterior
D20
D20
Conexion posterior / puerta del.. lado conductor
D30
D30
D30
D30
Conexion posterior / puerta del.. lado pasajero
D31
D31
D31
D31
Conexion posterior / puerta tras. izquierda
D35
D35
D35
Conexion posterior / puerta tras. derecha
D36
D36
D36
Conexion contacto en espiral
D47
INSTALACION AIR BAG
5580C10
5580C12
5580C184110A115580C14
5580C18
5580C22
5580C26
5580C40
5580C44
5580C50
5580C52
5580C86
Conexion cortocircuitante
D97A
D97C
D97C
D97F
D97G
D97I
D97J
D97M
D97N
D97P
D97Q
D97R
D97S
D97T
Conmutador de arranque
H1A
H1B
CONMUTADOR DE ARRANQUE
5520A12
7040A265580E085520A14
Body computer
M1A
M1A
M1B
M1B
M1C
M1D
M1E
M1F
M1G
M1H
M1I
Centralita nudo volante
M93
Autorradio
P20A
P20B
P20C
P20D
P20E
REVESTIMIENTOS HABITACULO
7040A07
7040A787040A10
7040L377040A657040A197040A287040A377040A567040A307040A447040A455580C265010D567040A115560B107040A787040A075570T105040D185580C124110A117040A267040A11
5010D567040A19
7040A26
7040A27
5010B245580C225010C535010C315010C387040A967040A28
7040L377040A657040A197040A30
7040L377040A657040A197040A287040A377040A567040A37
7040A44
7040A45
7040A56
7040A377040A65
7040A78
7040A96
7040A97
7040A98
Altavoz trasero izquierdo
P30
AUTORADIO Y AUTOTELEFONO
5570T10
7040A787040A075570T27
5570T66
5570T90
7005E127005M147005E085570T92
7040A447040A457065C347040E107040H087040H405570T96
7010E10Altavoz trasero derecho
P31
Altavoz en la puerta del.. lado conductor
P35
P35
Altavoz Tweeter delantero lado conductor
P45
REVESTIMIENTO TECHO Y MONTANTES.
7040H08
7065C347040E107040H10
7040A447040A457065C347040E107040H087040H407040H367040H387040H667040H677040H427040E127065C307040H14
7040E127040H15
7040E127040H16
7040A447040A457065C347040E107040H087040H407040H367040H387040H667040H677040H427040E127065C307040H147040H32
7065C347040E107040H087030B647040H36
7040H38
7040H367040H40
7040A447040A457065C347040E107040H087040H42
7040H667040H677040H50
7040H667040H677040H66
7065C867040H67
7040G30





























