AUTOMOTIVE ELECTRICIANS

Fiat MULTIPLA 1.6 16v da 04/02 a 08/03 — GESTIONE ELETTRONICA MOTORI BENZINA — — GPOWER — SCHEMA ELETTRICO, LOCALIZZAZIONE COMPONENTI, DESCRIZIONE FUNZIONALE — SCHEMA ELETTRICO, LOCALIZZAZIONE COMPONENTI, DESCRIZIONE FUNZIONALE

Fiat MULTIPLA 1.6 16v  da 04/02 a 08/03 — GESTIONE ELETTRONICA               MOTORI BENZINA —  — GPOWER — SCHEMA ELETTRICO, LOCALIZZAZIONE COMPONENTI, DESCRIZIONE FUNZIONALE — SCHEMA ELETTRICO, LOCALIZZAZIONE COMPONENTI, DESCRIZIONE FUNZIONALE
Schema elettrico





Componenti
Codice componenteDenominazioneRiferimento al complessivo
A30Bobina di accensioneB1Centralina di derivazioneB5Scatola MAXI FUSEB25Fusibile alimentaz. servizi sotto chiave (15/54)-
B25Fusibile alimentaz. servizi sotto chiave (15/54)-
B28Fusibile pompa benzina-
B29Fusibile iniettori-
B34Fusibile iniettori GPL-
B35Fusibile memorie iniezione e CODE-
B36Fusibile sonda lambda-
B040Fusibile alimentazione servizi iniezione ( ANTERIORE )-
C10Massa ant. sinistra-
C31Massa posteriore destra-
C60Massa centralina iniezione-
C62Massa centralina iniezione metano-
C63Massa centralina iniezione GPL-
D1Giunzione ant./plancia-
D4Giunzione ant./motore-
D6Giunzione ant./posteriore-
D81Giunzione iniettori-
D81Giunzione iniettori-
E50Quadro strumentiH1Commutatore di accensioneH94Commutatore benzina / GPLH95Commutatore benzina/metanoI50Interruttore inerzialeJ10Teleruttore principale iniezione-
J24Teleruttore elettrovalvole GPL-
J25Teleruttore elettrovalvole metano-
J26Teleruttore alimentazione metano/GPL-
J27Teleruttore esclusione alimentazione benzina-
K15Sonda lambda su pre-catalizzatore-
K17Sonda lambda su catalizzatore-
K36Sensore / trasmettitore temperatura refrigerante m2882294Op. 1056B ALIMENTAZIONE MULTI-POINT INJECTION (MPI)
K36Sensore / trasmettitore temperatura refrigerante mK40Sonda lambdaK43Sensore temperatura aria integratoK45Sensore temperatura refrigerante motoreK45Sensore temperatura refrigerante motoreK46Sensore di giriK47Sensore di fase-
K47Sensore di faseK50Sensore di battitoK56Sensore posizione farfallaK57Sensore pressione e temperatura metano-
L10Elettrovalvola recupero vapori combustibileL60Elettrovalvola alimentazione metanoL61Elettrovalvola regolazione metanoL63Elettrovalvola arresto GPLM10Centralina controllo motore-
M10Centralina controllo motore2882294Op. 1056B ALIMENTAZIONE MULTI-POINT INJECTION (MPI)
M10Centralina controllo motoreM16Dispositivo elettr. commutazione benzina/metano-
M16Dispositivo elettr. commutazione benzina/metano-
M17Disp. gestione elettropompa e elettrov. mand. GPL2882524Op. 1043A SERBATOIO GPL
M17Disp. gestione elettropompa e elettrov. mand. GPLM18Centralina GPLM19Centralina iniezione metano-
N40Elettropompa combustibile e misuratore di livelloN70ElettroiniettoreN72Elettroiniettore metanoN73Elettroiniettore GPLN74Attuatore minimoR10Giunto di diagnosi multiplo-
Localizzazione componenti

Componenti
Codice componenteDenominazioneRiferimento al complessivo
A30Bobina di accensioneB1Centralina di derivazioneB5Scatola MAXI FUSEB25Fusibile alimentaz. servizi sotto chiave (15/54)-
B25Fusibile alimentaz. servizi sotto chiave (15/54)-
B28Fusibile pompa benzina-
B29Fusibile iniettori-
B34Fusibile iniettori GPL-
B35Fusibile memorie iniezione e CODE-
B36Fusibile sonda lambda-
B040Fusibile alimentazione servizi iniezione ( ANTERIORE )-
C10Massa ant. sinistra-
C31Massa posteriore destra-
C60Massa centralina iniezione-
C62Massa centralina iniezione metano-
C63Massa centralina iniezione GPL-
D1Giunzione ant./plancia-
D4Giunzione ant./motore-
D6Giunzione ant./posteriore-
D81Giunzione iniettori-
D81Giunzione iniettori-
E50Quadro strumentiH1Commutatore di accensioneH94Commutatore benzina / GPLH95Commutatore benzina/metanoI50Interruttore inerzialeJ10Teleruttore principale iniezione-
J24Teleruttore elettrovalvole GPL-
J25Teleruttore elettrovalvole metano-
J26Teleruttore alimentazione metano/GPL-
J27Teleruttore esclusione alimentazione benzina-
K15Sonda lambda su pre-catalizzatore-
K17Sonda lambda su catalizzatore-
K36Sensore / trasmettitore temperatura refrigerante m2882294Op. 1056B ALIMENTAZIONE MULTI-POINT INJECTION (MPI)
K36Sensore / trasmettitore temperatura refrigerante mK40Sonda lambdaK43Sensore temperatura aria integratoK45Sensore temperatura refrigerante motoreK45Sensore temperatura refrigerante motoreK46Sensore di giriK47Sensore di fase-
K47Sensore di faseK50Sensore di battitoK56Sensore posizione farfallaK57Sensore pressione e temperatura metano-
L10Elettrovalvola recupero vapori combustibileL60Elettrovalvola alimentazione metanoL61Elettrovalvola regolazione metanoL63Elettrovalvola arresto GPLM10Centralina controllo motore-
M10Centralina controllo motore2882294Op. 1056B ALIMENTAZIONE MULTI-POINT INJECTION (MPI)
M10Centralina controllo motoreM16Dispositivo elettr. commutazione benzina/metano-
M16Dispositivo elettr. commutazione benzina/metano-
M17Disp. gestione elettropompa e elettrov. mand. GPL2882524Op. 1043A SERBATOIO GPL
M17Disp. gestione elettropompa e elettrov. mand. GPLM18Centralina GPLM19Centralina iniezione metano-
N40Elettropompa combustibile e misuratore di livelloN70ElettroiniettoreN72Elettroiniettore metanoN73Elettroiniettore GPLN74Attuatore minimoR10Giunto di diagnosi multiplo-
DescrizioneIl sistema di alimentazione a benzina e gestito da una centralina, che controlla sia l'accensione che l'iniezione.Il sistema di alimentazione a GPL e gestito da un'altra centralina che controlla l'iniezione a GPL e la logica di commutazione della alimentazione GPL/benzina, che avviene in modo automatica oppure manuale, tramite l'apposito pulsante di commutazione posto sulla plancia.Le due centraline sono collegate tra loro tramite una apposita linea CAN ad alta velocita, che consente la gestione ottimizzata del motore in tutte le condizioni di funzionamento e con qualsiasi tipo di alimentazione.In base ai segnali ricevuti da numerosi sensori, la due centraline, che hanno in comune i segnali di alcuni sensori, comandano i rispettivi attuatori collegati, gestendo gli impianti di:alimentazione benzina;alimentazione GPL;alimentazione aria;raffreddamento motore;ricircolo vapori combustibile;controllo combustione - sonde lambda;controllo scarico con marmitta catalitica.La presente versione del sistema comprende anche la funzione EOBD (European On Board Diagnosis) - conforme alla Direttiva 98/69/CE (EURO 3) - che permette una diagnosi continua dei componenti - relativi al funzionamento a benzina - correlati alle emissioni e segnala mediante l'accensione della spia la condizione di deterioramento in atto dei componenti stessi.Il sistema diagnostica, tra l'altro:la marmitta catalitica, che in caso di malfunzionamento non converte gli inquinanti prodotti dal motore;le sonde Lambda (sensori d'ossigeno);le mancate combustioni, per cui il carburante incombusto raggiunge il catalizzatore dove le reazioni termiche di conversione producono un repentino innalzamento della temperatura danneggiando il catalizzatore stesso.L'impianto a GPL e complementare all'impianto base e non altera le funzionalita dell'impianto base in nessuna condizione di esercizio.La centralina di controllo specifica gestisce l'iniezione del GPL, di tipo sequenziale fasato e l'attivazione delle elettrovalvole di intercettazione del GPL, nonche la pompa GPL; comanda inoltre la disattivazione della pompa benzina.L'iniezione viene attuata in forma diretta pilotando gli iniettori specifici dell'impianto a GPL. - La regolazione dell'anticipo di accensione viene ottenuta inviando alla centralina di controllo motore "base' la variazione di anticipo da sommare a quello applicato nel funzionamento a benzina. Questa comunicazione avviene tramite la linea CAN presente tra le due unita di controllo.Tutte le altre funzioni di controllo motore, compresa quella dell'anticipo di accensione, vengono lasciate alla centralina di controllo motore "base'.768


767Il motore funziona normalmente a GPL.
In caso di esaurimento del GPL (pressione inferiore ad un certo valore), la centralina GPL commuta automaticamente l'alimentazione a benzina, con conseguente accensione della apposita spia di segnalazione.Una volta effettuato rifornimento del GPL, l'alimentazione viene di nuovo commutata automaticamente a GPL.767All'avviamento e dopo un rifornimento di GPL il funzionamento rimane per alcuni secondi a benzina per mantenere efficienti la pompa, gli iniettori ed i condotti specifici e per ragioni di diagnosi di alcuni componentiL'apposito pulsante di commutazione posto sulla plancia permette di commutare manualmente l'alimentazione a benzina: in tal caso si accendono sia il led verde posto sul pulsante stesso, sia la apposita spia di segnalazione sullo strumento.Premendo nuovamente il pulsante, il funzionamento torna a GPL.768


767la commutazione manuale tra benzina e GPL e viceversa non deve essere effettuata nella fase di avviamento. Inoltre avviene solo se il regime di rotazione del motore e inferiore ad un certo valore.
Per maggiori dettagli, specialmente sul funzionamento a GPL, 2879281Descrizioni e Funzionamento1058ALIMENTAZIONE CNG . Il sistema e controllato anche per mezzo di quattro teleruttori collocati nella scatola portafusibili e portateleruttori posta nel vano motore vicino alla centralina stessa. Le linee di alimentazione delle due centraline e dei vari componenti del sistema (sensori e attuatori) sono protette da un apposito maxifuse e da altri fusibili volanti, anch'essi collocati nella scatola suddetta.
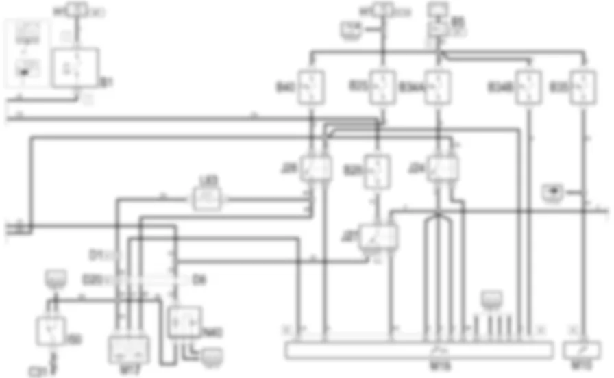
Descrizione funzionale La centralina controllo motore M10 controlla e regola tutto il sistema di accensione ed iniezione elettronica con alimentazione a benzina. La centralina M10 e alimentata direttamente dalla batteria - al pin 29 - dalla linea del maxifuse EFI di B5 , attraverso la linea protetta dal fusibile B35 . L'alimentazione sotto chiave (15/54) giunge al pin 47 dalla linea protetta dal fusibile volante B25 . I pin 27 e 28 della centralina M10 sono a massa. Il teleruttore principale J10 e alimentato direttamente dalla batteria dalla linea del maxifuse EFI di B5, mentre la bobina e alimentata sotto chiave (15/54) dalla linea protetta dal fusibile volante B25; viene eccitato da un segnale di comando (massa) proveniente dal pin 15 della centralina M10 (segnale di sicurezza che ablita la pompa combustibile) ed invia, di conseguenza, l'alimentazione:agli elettroiniettori benzina N70 ;alla bobina A30 ;ai riscaldatori delle sonde lambda, attraverso la linea protetta dal fusibile B36 ;all'elettrovalvola recupero vapori L10 , attraverso la linea protetta dal fusibile B36 ;al teleruttore di commutazione del funzionamento a benzina J26 .al teleruttore di commutazione del funzionamento a GPL J24 . La centralina motore M10 riceve i segnali dai diversi sensori, mantenendo cosi sotto controllo tutti i parametri di funzionamento del motore. Il sensore di giri K46 fornisce, attraverso un segnale in frequenza inviato ai pin 53 (positivo) e 67 (negativo) della centralina M10 , informazioni circa il regime del motore: questi due segnali sono di bassissima intensita e vengono pertanto schermati opportunamente (pin 77). Il sensore di fase K47 e alimentato dal pin 68 di M10 . Esso riceve una massa di riferimento dal pin 54, ed invia un segnale in frequenza corrispondente alla fase al pin di M10 . Il sensore temperatura aria integrato K43 riceve una massa di riferimento dal pin 54; invia un segnale corrispondente alla temperatura aria aspirata al pin 55 della centralina stessa. Dal pin 68 di M10 viene inviata un'alimentazione di riferimento al sensore K43 , che restituisce al pin 75 un segnale proporzionale alla pressione dell'aria aspirata. Il sensore posizione farfalla K56 viene alimentato a 5 V dal pin 60 e riceve una massa di riferimento dal pin 54; invia attraverso un potenziometro un segnale proporzionale al grado di apertura della farfalla al pin 76 di M10 . Il sensore temperatura motore K36 , riceve una massa di riferimento dal pin 54 della centralina M10 , e fornisce un segnale proporzionale alla temperatura del liquido del motore al pin 62 della centralina stessa. Lo stesso trasmettitore fornisce informazioni allo strumento con l'indicatore e la spia della temperatura del motore: pin 1 del connettore A di E50 . Il sensore di detonazione K50 fornisce, attraverso segnali in frequenza, informazioni circa l'insorgere della detonazione in camera di combustione: invia due segnali ai pin 56 (positivo) 70 (negativo) di M10; anche questi segnali vengono schermati opportunamente (pin 63). La sonda lambda sul pre-catalizzatore K15 e quella sul catalizzatore K17 forniscono alla centralina M10 informazioni circa la corretta composizione della miscela aria-combustibile: La sonda K15 invia un segnale al pin 20 della centralina, mentre il pin 9 fornisce la massa di riferimento: questi due segnali sono di bassissima intensita e vengono pertanto schermati opportunamente (pin 44). La sonda K15 viene riscaldata con una resistenza, in modo da assicurarne un corretto funzionamento anche a freddo; la resistenza e alimentata dal teleruttore principale J10 , attraverso la linea protetta dal fusibile B36 ; il pin 1 di M10 fornisce la massa di riferimento. La sonda K17 invia un segnale al pin 24 della centralina, mentre il pin 12 fornisce la massa di riferimento: questi due segnali sono di bassissima intensita e vengono pertanto schermati opportunamente (pin 44). La sonda K17 viene riscaldata con una resistenza, in modo da assicurarne un corretto funzionamento anche a freddo; la resistenza e alimentata dal teleruttore principale J10 , attraverso la linea protetta dal fusibile B36 ; il pin 2 di M10 fornisce la massa di riferimento. La centralina M10 controlla la bobina A30 tramite i segnali di comando per l'avvolgimento primario della bobina, mentre il secondario invia l'impulso alle candele: dal pin 59 per la coppia di cilindri 1-4 e dal pin 66 per i cilindri 2-3. I primari delle bobine A30 ricevono l'alimentazione di consenso all'apertura dal teleruttore principale J10 . L'attuatore del minimo N74 regola la linea di by-pass della farfalla. Esso e comandato dalla centralina M10 attraverso i segnali dai pin 57, 58, 64 e 65. L'elettrovalvola recupero vapori combustibile L10 permette il passaggio dei vapori di carburante verso l'aspirazione del motore, dove vengono aggiunti alla miscela che entra in camera di combustione. La valvola L10 , alimentata dal teleruttore principale J10 , viene aperta dalla centralina quando il motore e sotto carico attraverso un segnale dal pin 52 di M10 . La centralina controllo iniezione GPL M18 elabora le informazioni provenienti dai sensori dell'impianto base, quelle provenienti tramite linea CAN dalla centralina M10 (temperatura liquido refrigerante, temperatura aria) e le informazioni provenienti dai sensori aggiunti per il funzionamento a GPL al fine di riconoscere le condizioni operative del sistema e generare gli opportuni comandi per gli iniettori a GPL. La centralina M18 e alimentata direttamente dalla batteria - al pin 1 - dalla linea del maxifuse EFI di B5 , attraverso la linea protetta dal fusibile B34B . L'alimentazione sotto chiave (15/54) giunge al pin 34 dalla linea protetta dal fusibile volante B25 . I pin 27, 28, 55 , 61, 62 e 76 della centralina M18 sono a massa. Dai pin 23 e 38 di M18 parte a linea CAN verso la centralina M10 (pin 6 e 32). Il pin 22 di M18 riceve invece un segnale di massa elettronica di riferimento dal pin 18 di M10 . Il teleruttore alimentazione a GPL J24 e alimentato direttamente dalla batteria dalla linea del maxifuse EFI di B5, protetta dal fusibile volante B34A, mentre la bobina e alimentata sotto chiave (15/54) dalla linea protetta dal fusibile volante B25; viene eccitato da un segnale di comando (massa) proveniente dal pin 68 della centralina M18, ed invia, di conseguenza, l'alimentazione:alla centralina M18 stessa, pin 59, 66 e 80;alla bobina del teleruttore J27 ;agli elettroiniettori GPL N73 . Il pulsante di commutazione H94 e alimentato "sotto chiave" (15/54) dalla linea protetta dal fusibile volante B25 : in caso di commutazione manuale a benzina invia un segnale al pin 47 della centralina M18 ed inoltre si accende il led verde posto sul pulsante stesso. I pin 54 e 74 della centralina M18 abilitano, in base alla logica di controllo, la alimentazione a benzina oppure a GPL, escludendo di conseguenza l'altra. Il pin 74 disabilita il funzionamento a benzina: invia un segnale di massa ala bobina del teleruttore J27 : questo, e alimentato dalla linea del maxifuse EFI di B5 , attraverso , attraverso il teleruttore J10 della iniezione a benzina e la linea protetta dal fusibile specifico B28 ; mentre la bobina e alimentata dal teleruttore J24 ; quando il teleruttore J27 viene eccitato interrompe la alimentazione all'elettropompa combustibile N40 . Lo stesso segnale viene inviato allo strumento E50 - pin 26 del connettore A - e fa accendere la apposita spia che segnala il funzionamento a benzina. L'elettropompa combustibile N40 e collegata a massa attraverso l'interruttore inerziale I50 , che in caso di urto interrompe il circuito e quindi ferma pericolose l'erogazione di combustibile. Il pin 54 abilita invece il funzionamento a GPL - invia un segnale di massa che eccita il teleruttore funzionamento a GPL J26 : questo, e alimentato dalla linea del maxifuse EFI di B5 protetta dal fusibile specifico B40 , mentre la bobina e alimentata sotto chiave (15/54) dalla linea protetta dal fusibile volante B25 ; viene eccitato dal pin 54 di M18 ed invia la alimentazione all'elettrovalvola di arresto del GPL L63 e all'elettrovalvola di mandata GPL ed alla pompa GPL, inserite nel gruppo M17 . Le due valvole e la pompa sono collegate a massa attraverso l'interruttore inerziale I50 , che in caso di urto interrompe il circuito e quindi ferma pericolose l'erogazione di combustibile. La pompa del GPL viene attivata pero solo tramite il consenso della centralina M18 , che giunge dal pin 67. La centralina M18 riceve alcuni segnali dai sensori dell'impianto a benzina. Il sensore di giri K46 fornisce, attraverso un segnale in frequenza inviato ai pin 51 (positivo) e 52 (negativo) della centralina M18 , informazioni circa il regime del motore: questi due segnali sono di bassissima intensita e vengono pertanto schermati opportunamente. Il sensore di fase K47 e alimentato dal pin 68 di M10 , ed invia un segnale in frequenza corrispondente alla fase al pin 12 di M18 ; una massa di riferimento e inviata al pin 11 di M18 : questi due segnali sono di bassissima intensita e vengono pertanto schermati opportunamente. Dal pin 68 di M10 viene inviata un'alimentazione di riferimento al sensore K43 , che restituisce al pin 44 di M18 di un segnale proporzionale alla pressione dell'aria aspirata; una massa di riferimento e inviata al pin 33 di M18 : questi due segnali sono di bassissima intensita e vengono pertanto schermati opportunamente. Il sensore posizione farfalla K56 viene alimentato a 5 V dal pin 60 di M10 ; invia attraverso un potenziometro un segnale proporzionale al grado di apertura della farfalla al pin 43 di M18 ; una massa di riferimento e inviata al pin 32 di M18 : questi due segnali sono di bassissima intensita e vengono pertanto schermati opportunamente. La sonda K15 invia un segnale al pin 46 della centralina M18 , mentre al pin 35 giunge la massa di riferimento: questi due segnali sono di bassissima intensita e vengono pertanto schermati opportunamente. La centralina M10 controlla - solo nel caso di funzionamento a benzina - l'apertura degli elettroiniettori N70 , attraverso appositi segnali inviati dai pin 71, 71, 78 e 79. Gli iniettori N70 ricevono l'alimentazione di consenso all'apertura dal teleruttore principale J10 . La centralina M18 controlla - solo nel caso di funzionamento a GPL - l'apertura degli elettroiniettori N72 , attraverso appositi segnali inviati dai pin 64, 57, 63 e 56 di M18 . La centralina M10 si collega con la centralina CODE M20 attraverso l'apposita linea seriale dal pin 13; in tal modo se la centralina CODE non rileva un codice corretto, non da il consenso ed il motore non viene avviato. 2880544VedereE7010CODE . In caso di elevata temperatura motore, la centralina provoca l'accensione della relativa spia sul quadro E50 (segnale dal pin 17 di M10 al pin 8 del connettore A di E50 ). Al pin 23 di M10 giunge (dal quadro E50 , pin 2 del connettore B) il segnale livello carburante, utilizzato dalla logica EOBD. Il segnale tachimetrico (velocita vettura) giunge al pin 50 della centralina M10 . 2880281VedereE4010STRUMENTO DI BORDO . Il segnale di giri motore, generato dalla centralina M10 , viene inviato al quadro dal pin 4 di M102880281VedereE4010STRUMENTO DI BORDO . Dal pin 74 di M10 parte il segnale consumo combustibile per il Trip Computer contenuto nel quadro strumenti E50 . La centralina M10 e collegata con l'impianto di condizionamento tramite i pin 41 e 48. Cio consente di adeguare il regime minimo del motore all'aumento di carico ogni volta che il compressore viene inserito, oppure di disinserire lo stesso in caso di elevate velocita o elevati carichi motore 2880503VedereE6021INSERIMENTO COMPRESSORE . La centralina controlla anche il sistema di raffreddamento del motore: i pin 14, 21, 35 e 40 comandano l'inserimento dell'elettroventola relativa 2880382VedereE5020RAFFREDDAMENTO MOTORE . La centralina M10 e dotata di un sistema di autodiagnosi, che puo essere utilizzato collegandosi al connettore R10 : ad esso arrivano i segnali dal pin 25 dalla centralina M10 attraverso l'apposita linea diagnostica. Il sistema di autodiagnosi genera anche il segnale per la spia "avaria iniezione/EOBD", nello strumento E50 , che esce dal pin 26 della centralina M10 e giunge al pin 16 del connettore C di E50 . La centralina M18 e pure dotata di un sistema di autodiagnosi, che puo essere utilizzato collegandosi al connettore R10 : ad esso arrivano i segnali dal pin 3 dalla centralina M18 - linea K - e dal pin 15 di M18 - linea L. La centralina effettua anche sulla linea CAN una diagnosi funzionale per verificare l'eventuale interruzione del collegamento. Se viene riscontrata una interruzione, la centralina attua una commutazione temporanea al modo di funzionamento a benzina, con accensione dell'indicatore relativo del quadro di bordo, al quinto errore la commutazione e definitiva , e viene anche accesa la spia "avaria iniezione".Anche nel caso di altri errori memorizzati, avviene la commutazione al modo di funzionamento a benzina con accensione della spia "avaria iniezione".

Bobina di accensione



A030



A030



A030



Bobina di accensione



A030



A030



A030



Bobina di accensione



A030



A030



A030



Fusibile alimentaz. servizi sotto chiave (15/54)



B025



B025



B025



B025



B025



B025



B025



B025



B025



B025



B025



Fusibile pompa benzina



B028



B028



B028



Fusibile iniettori



B029



B029A



B029B



Fusibile iniettori GPL



B034B



B034A



Fusibile memorie iniezione e CODE



B035



B035



B035



B035



B035



Fusibile sonda lambda



B036



B036



B036



B036



Massa ant. sinistra



C010A



C010B



C010C



C010C



C010D



C010D



C010A



C010A



C010A



C010A



Massa posteriore destra



C031



C031



C031



Massa centralina iniezione



C060



C060



C060



C060



C060



C060



C060



Massa centralina iniezione metano



C062



Massa centralina iniezione GPL



C063



Giunzione ant./plancia



D001A



D001A



D001A



D001A



D001A



D001A



D001A



D001A



D001A



D001A



D001A



D001A



D001B



D001B



D001B



D001B



D001B



D001B



D001B



D001B



D001B



D001B



D001B



D001C



D001A



D001A



D001A



D001A



D001A



D001A



D001A



D001C



D001C



D001C



D001C



D001C



D001C



D001A



D001C



D001C



D001C



D001C



D001C



D001C



D001C



D001C



Giunzione ant./motore



D004A



D004A



D004B



D004B



D004



D004



D004



D004



D004A



D004A



D004B



D004B



D004B



D004B



D004B



D004



D004



D004



D004



D004B



D004B



D004B



D004B



D004B



D004B



D004B



D004B



D004B



D004B



Giunzione ant./posteriore



D006



D006



D006



D006



D006



D006



D006



D006



D006



D006



D006



D006



D006



D006



D006



D006



D006



D006



D006



D006



D006



D006



D006



Giunzione iniettori



D081A



D081A



D081B



D081B



D081



D081



D081



Quadro strumenti



E050A



E050A



E050A



E050A



E050A



E050B



E050B



E050B



E050B



E050B



E050B



E050B



E050C



E050C



E050A



E050B



E050C



E050C



Quadro strumenti



E050A



E050A



E050A



E050A



E050A



E050B



E050B



E050B



E050B



E050B



E050B



E050B



E050C



E050C



E050A



E050B



E050C



E050C



Quadro strumenti



E050A



E050A



E050A



E050A



E050A



E050B



E050B



E050B



E050B



E050B



E050B



E050B



E050C



E050C



E050A



E050B



E050C



E050C



Quadro strumenti



E050A



E050A



E050A



E050A



E050A



E050B



E050B



E050B



E050B



E050B



E050B



E050B



E050C



E050C



E050A



E050B



E050C



E050C



Quadro strumenti



E050A



E050A



E050A



E050A



E050A



E050B



E050B



E050B



E050B



E050B



E050B



E050B



E050C



E050C



E050A



E050B



E050C



E050C



Quadro strumenti



E050A



E050A



E050A



E050A



E050A



E050B



E050B



E050B



E050B



E050B



E050B



E050B



E050C



E050C



E050A



E050B



E050C



E050C



Teleruttore elettrovalvole GPL



J024



Teleruttore elettrovalvole metano



J025



J025



Teleruttore alimentazione metano/GPL



J026



J026



J026



Teleruttore esclusione alimentazione benzina



J027



J027



Sonda lambda su pre-catalizzatore



K015



K015



K015



Sonda lambda su catalizzatore



K017



Sonda lambda su catalizzatore



K017



Sonda lambda su catalizzatore



K017



Sonda lambda su catalizzatore



K017



Sonda lambda su catalizzatore



K017



Sonda lambda su catalizzatore



K017



Sensore di fase



K047



K047



K047



K047



K047



Sensore di fase



K047



K047



K047



K047



K047



Sensore di fase



K047



K047



K047



K047



K047



Sensore di fase



K047



K047



K047



K047



K047



Elettrovalvola recupero vapori combustibile



L010



L010



Elettrovalvola recupero vapori combustibile



L010



L010



Elettrovalvola recupero vapori combustibile



L010



L010



Elettrovalvola recupero vapori combustibile



L010



L010



Elettrovalvola recupero vapori combustibile



L010



L010



Dispositivo elettr. commutazione benzina/metano



M016



Dispositivo elettr. commutazione benzina/metano



M016



Dispositivo elettr. commutazione benzina/metano



M016



Dispositivo elettr. commutazione benzina/metano



M016



Elettropompa combustibile e misuratore di livello



N040



N040



N040



N040



Elettropompa combustibile e misuratore di livello



N040



N040



N040



N040



Elettropompa combustibile e misuratore di livello



N040



N040



N040



N040



Elettropompa combustibile e misuratore di livello



N040



N040



N040



N040



Elettropompa combustibile e misuratore di livello



N040



N040



N040



N040



Elettropompa combustibile e misuratore di livello



N040



N040



N040



N040


Не нашел свой автомобиль? смотри здесь -> DiagnostData.com!