| Codice componente | Denominazione | Riferimento al complessivo | ||||||
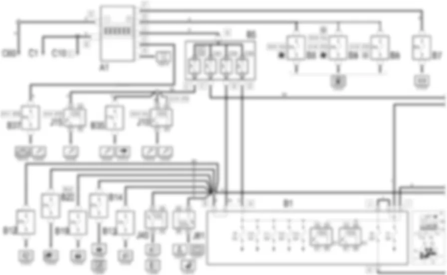
| A1 | Batteria | B1 | Centralina di derivazione | B5 | Scatola MAXI FUSE | B7 | Fusibile (MAXI FUSE) per ABS | - |
| B7 | Fusibile (MAXI FUSE) per ABS | - | ||||||
| B8 | Fusibile (MAXI FUSE) per elettroventola motore | - | ||||||
| B8 | Fusibile (MAXI FUSE) per elettroventola motore | - | ||||||
| B12 | Fusibile lavafari | - | ||||||
| B13 | Fusibile fendinebbia | - | ||||||
| B14 | Fusibile tetto apribile | - | ||||||
| B19 | Fusibile bloccaporte | - | ||||||
| B22 | Fusibile alzacristallo anteriore lato guida | - | ||||||
| B25 | Fusibile alimentaz. servizi sotto chiave (15/54) | - | ||||||
| B25 | Fusibile alimentaz. servizi sotto chiave (15/54) | - | ||||||
| B26 | Fus. alim. sotto chiave escluso avviam. (INT/A) | - | ||||||
| B26 | Fus. alim. sotto chiave escluso avviam. (INT/A) | - | ||||||
| B27 | Fus. alim. sotto chiave escluso avviam. (INT/A) | - | ||||||
| B27 | Fus. alim. sotto chiave escluso avviam. (INT/A) | - | ||||||
| B28 | Fusibile pompa benzina | - | ||||||
| B29 | Fusibile iniettori | - | ||||||
| B31 | Fusibile ABS | - | ||||||
| B35 | Fusibile memorie iniezione e CODE | - | ||||||
| B37 | Fus. (MAXI FUSE) candelette e preriscaldo gasolio | - | ||||||
| B37 | Fus. (MAXI FUSE) candelette e preriscaldo gasolio | - | ||||||
| C1 | Massa batteria | - | ||||||
| C10 | Massa ant. sinistra | - | ||||||
| C60 | Massa centralina iniezione | - | ||||||
| C60 | Massa centralina iniezione | - | ||||||
| D4 | Giunzione ant./motore | - | ||||||
| H1 | Commutatore di accensione | H5 | Devioguida | J10 | Teleruttore principale iniezione | - | ||
| J15 | Teleruttore pompa combustibile | - | ||||||
| J25 | Teleruttore elettrovalvole metano | - | ||||||
| J45 | Teleruttore mantenimento anabbaglianti | - | ||||||
| J61 | Teleruttore alzasedile e presa di corrente | - | ||||||
| J65 | Teleruttore alzacristalli anteriori | - | ||||||
| J66 | Teleruttore alzacristalli posteriori | - |
| Codice componente | Denominazione | Riferimento al complessivo | ||||||
| A1 | Batteria | B1 | Centralina di derivazione | B5 | Scatola MAXI FUSE | B7 | Fusibile (MAXI FUSE) per ABS | - |
| B7 | Fusibile (MAXI FUSE) per ABS | - | ||||||
| B8 | Fusibile (MAXI FUSE) per elettroventola motore | - | ||||||
| B8 | Fusibile (MAXI FUSE) per elettroventola motore | - | ||||||
| B12 | Fusibile lavafari | - | ||||||
| B13 | Fusibile fendinebbia | - | ||||||
| B14 | Fusibile tetto apribile | - | ||||||
| B19 | Fusibile bloccaporte | - | ||||||
| B22 | Fusibile alzacristallo anteriore lato guida | - | ||||||
| B25 | Fusibile alimentaz. servizi sotto chiave (15/54) | - | ||||||
| B25 | Fusibile alimentaz. servizi sotto chiave (15/54) | - | ||||||
| B26 | Fus. alim. sotto chiave escluso avviam. (INT/A) | - | ||||||
| B26 | Fus. alim. sotto chiave escluso avviam. (INT/A) | - | ||||||
| B27 | Fus. alim. sotto chiave escluso avviam. (INT/A) | - | ||||||
| B27 | Fus. alim. sotto chiave escluso avviam. (INT/A) | - | ||||||
| B28 | Fusibile pompa benzina | - | ||||||
| B29 | Fusibile iniettori | - | ||||||
| B31 | Fusibile ABS | - | ||||||
| B35 | Fusibile memorie iniezione e CODE | - | ||||||
| B37 | Fus. (MAXI FUSE) candelette e preriscaldo gasolio | - | ||||||
| B37 | Fus. (MAXI FUSE) candelette e preriscaldo gasolio | - | ||||||
| C1 | Massa batteria | - | ||||||
| C10 | Massa ant. sinistra | - | ||||||
| C60 | Massa centralina iniezione | - | ||||||
| C60 | Massa centralina iniezione | - | ||||||
| D4 | Giunzione ant./motore | - | ||||||
| H1 | Commutatore di accensione | H5 | Devioguida | J10 | Teleruttore principale iniezione | - | ||
| J15 | Teleruttore pompa combustibile | - | ||||||
| J25 | Teleruttore elettrovalvole metano | - | ||||||
| J45 | Teleruttore mantenimento anabbaglianti | - | ||||||
| J61 | Teleruttore alzasedile e presa di corrente | - | ||||||
| J65 | Teleruttore alzacristalli anteriori | - | ||||||
| J66 | Teleruttore alzacristalli posteriori | - |
E5010E2010



















