| Codice componente | Denominazione | Riferimento al complessivo | ||||||||||||||||
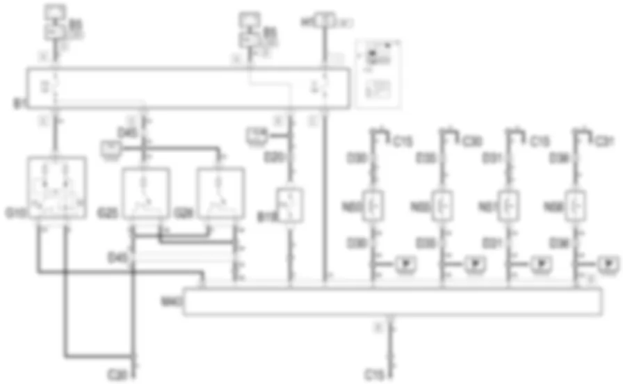
| B1 | Centralina di derivazione | B5 | Scatola MAXI FUSE | B19 | Fusibile bloccaporte | - | ||||||||||||
| B26 | Fus. alim. sotto chiave escluso avviam. (INT/A) | - | ||||||||||||||||
| C15 | Massa plancia lato guida | - | ||||||||||||||||
| C20 | Massa plancia lato passeggero | - | ||||||||||||||||
| C30 | Massa posteriore sinistra | - | ||||||||||||||||
| C31 | Massa posteriore destra | - | ||||||||||||||||
| D30 | Giunzione porta ant. sinistra | - | ||||||||||||||||
| D31 | Giunzione porta ant. destra | - | ||||||||||||||||
| D35 | Giunzione porta posteriore sinistra | - | ||||||||||||||||
| D36 | Giunzione porta posteriore destra | - | ||||||||||||||||
| D45 | Giunzione tetto apribile | - | ||||||||||||||||
| D085 | Giunzione posteriore/portellone ( POSTERIORE ) | - | ||||||||||||||||
| G10 | Plafoniera anteriore | G25 | Plafoniera posteriore sinistra | G26 | Plafoniera posteriore destra | G032 | Luce antina parasole ( POSTERIORE ) | I16 | Interruttore su porta ant. sx. | I16 | Interruttore su porta ant. sx. | I17 | Interruttore su porta ant. dx. | I17 | Interruttore su porta ant. dx. | I18 | Interruttore su porta post. sx. | - |
| I18 | Interruttore su porta post. sx. | - | ||||||||||||||||
| I19 | Interruttore su porta post. dx. | - | ||||||||||||||||
| I19 | Interruttore su porta post. dx. | - | ||||||||||||||||
| M40 | Centralina servizi integrati |
| Codice componente | Denominazione | Riferimento al complessivo | ||||||||||||||||
| B1 | Centralina di derivazione | B5 | Scatola MAXI FUSE | B19 | Fusibile bloccaporte | - | ||||||||||||
| B26 | Fus. alim. sotto chiave escluso avviam. (INT/A) | - | ||||||||||||||||
| C15 | Massa plancia lato guida | - | ||||||||||||||||
| C20 | Massa plancia lato passeggero | - | ||||||||||||||||
| C30 | Massa posteriore sinistra | - | ||||||||||||||||
| C31 | Massa posteriore destra | - | ||||||||||||||||
| D30 | Giunzione porta ant. sinistra | - | ||||||||||||||||
| D31 | Giunzione porta ant. destra | - | ||||||||||||||||
| D35 | Giunzione porta posteriore sinistra | - | ||||||||||||||||
| D36 | Giunzione porta posteriore destra | - | ||||||||||||||||
| D45 | Giunzione tetto apribile | - | ||||||||||||||||
| D085 | Giunzione posteriore/portellone ( POSTERIORE ) | - | ||||||||||||||||
| G10 | Plafoniera anteriore | G25 | Plafoniera posteriore sinistra | G26 | Plafoniera posteriore destra | G032 | Luce antina parasole ( POSTERIORE ) | I16 | Interruttore su porta ant. sx. | I16 | Interruttore su porta ant. sx. | I17 | Interruttore su porta ant. dx. | I17 | Interruttore su porta ant. dx. | I18 | Interruttore su porta post. sx. | - |
| I18 | Interruttore su porta post. sx. | - | ||||||||||||||||
| I19 | Interruttore su porta post. dx. | - | ||||||||||||||||
| I19 | Interruttore su porta post. dx. | - | ||||||||||||||||
| M40 | Centralina servizi integrati |





















