AUTOMOTIVE ELECTRICIANS

Fiat MULTIPLA 1.9 JTD 8V da 06/99 a 03/02 – GESTIONE ELETTRONICA MOTORI DIESEL – – SCHEMA ELETTRICO, LOCALIZZAZIONE COMPONENTI, DESCRIZIONE FUNZIONALE – SCHEMA ELETTRICO, LOCALIZZAZIONE COMPONENTI, DESCRIZIONE FUNZIONALE

Fiat MULTIPLA 1.9 JTD 8V  da 06/99 a 03/02 – GESTIONE ELETTRONICA               MOTORI DIESEL –  – SCHEMA ELETTRICO, LOCALIZZAZIONE COMPONENTI, DESCRIZIONE FUNZIONALE – SCHEMA ELETTRICO, LOCALIZZAZIONE COMPONENTI, DESCRIZIONE FUNZIONALE
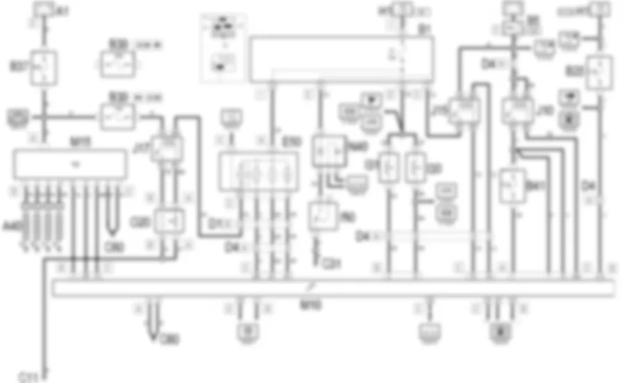
Schema elettrico



Componenti
Codice componenteDenominazioneRiferimento al complessivo
A1BatteriaA30Bobina di accensioneA40Candelette di preriscaldoA40Candelette di preriscaldoB1Centralina di derivazioneB5Scatola MAXI FUSEB25Fusibile alimentaz. servizi sotto chiave (15/54)-
B25Fusibile alimentaz. servizi sotto chiave (15/54)-
B35Fusibile memorie iniezione e CODE-
B37Fus. (MAXI FUSE) candelette e preriscaldo gasolio-
B37Fus. (MAXI FUSE) candelette e preriscaldo gasolio-
B39Fusibile preriscaldo gasolio-
B040Fusibile alimentazione servizi iniezione ( ANTERIORE )-
B41Fusibile alimentazione centralina iniezione-
B41Fusibile alimentazione centralina iniezione-
C11Massa ant. destra-
C31Massa posteriore destra-
C60Massa centralina iniezione-
C60Massa centralina iniezione-
D1Giunzione ant./plancia-
D4Giunzione ant./motore-
D81Giunzione iniettori-
D81Giunzione iniettori-
E50Quadro strumentiH1Commutatore di accensioneI30Interruttore pedale frenoI31Interruttore pedale frizioneI50Interruttore inerzialeJ10Teleruttore principale iniezione-
J15Teleruttore pompa combustibile-
J17Teleruttore preriscaldo gasolio-
K36Sensore / trasmettitore temperatura refrigerante m2882444Op. 1060G CONTROLLO ELETTRONICO POMPA DI PRESSIONE INIEZIONE DIESEL
K36Sensore / trasmettitore temperatura refrigerante mK41Misuratore portata ariaK45Sensore temperatura refrigerante motoreK45Sensore temperatura refrigerante motoreK46Sensore di giriK46Sensore di giriK47Sensore di faseK55Potenziometro pedale acceleratoreK81Sensore temperatura combustibileK82Sensore sovralimentazioneK83Sensore pressione combustibileL30Elettrovalvola EGRL36Elettrovalvola comando geometria variabile turbina-
L62Elettrovalvola corpo farfallato-
M10Centralina controllo motore2882294Op. 1056B ALIMENTAZIONE MULTI-POINT INJECTION (MPI)
M10Centralina controllo motoreM15Centralina preriscaldo candelette-
N40Elettropompa combustibile e misuratore di livelloN70ElettroiniettoreN74Attuatore minimoN77Regolatore di pressione combustibileO20Resistenza riscaldamento gasolioR10Giunto di diagnosi multiplo-
Localizzazione componenti

Componenti
Codice componenteDenominazioneRiferimento al complessivo
A1BatteriaA30Bobina di accensioneA40Candelette di preriscaldoA40Candelette di preriscaldoB1Centralina di derivazioneB5Scatola MAXI FUSEB25Fusibile alimentaz. servizi sotto chiave (15/54)-
B25Fusibile alimentaz. servizi sotto chiave (15/54)-
B35Fusibile memorie iniezione e CODE-
B37Fus. (MAXI FUSE) candelette e preriscaldo gasolio-
B37Fus. (MAXI FUSE) candelette e preriscaldo gasolio-
B39Fusibile preriscaldo gasolio-
B040Fusibile alimentazione servizi iniezione ( ANTERIORE )-
B41Fusibile alimentazione centralina iniezione-
B41Fusibile alimentazione centralina iniezione-
C11Massa ant. destra-
C31Massa posteriore destra-
C60Massa centralina iniezione-
C60Massa centralina iniezione-
D1Giunzione ant./plancia-
D4Giunzione ant./motore-
D81Giunzione iniettori-
D81Giunzione iniettori-
E50Quadro strumentiH1Commutatore di accensioneI30Interruttore pedale frenoI31Interruttore pedale frizioneI50Interruttore inerzialeJ10Teleruttore principale iniezione-
J15Teleruttore pompa combustibile-
J17Teleruttore preriscaldo gasolio-
K36Sensore / trasmettitore temperatura refrigerante m2882444Op. 1060G CONTROLLO ELETTRONICO POMPA DI PRESSIONE INIEZIONE DIESEL
K36Sensore / trasmettitore temperatura refrigerante mK41Misuratore portata ariaK45Sensore temperatura refrigerante motoreK45Sensore temperatura refrigerante motoreK46Sensore di giriK46Sensore di giriK47Sensore di faseK55Potenziometro pedale acceleratoreK81Sensore temperatura combustibileK82Sensore sovralimentazioneK83Sensore pressione combustibileL30Elettrovalvola EGRL36Elettrovalvola comando geometria variabile turbina-
L62Elettrovalvola corpo farfallato-
M10Centralina controllo motore2882294Op. 1056B ALIMENTAZIONE MULTI-POINT INJECTION (MPI)
M10Centralina controllo motoreM15Centralina preriscaldo candelette-
N40Elettropompa combustibile e misuratore di livelloN70ElettroiniettoreN74Attuatore minimoN77Regolatore di pressione combustibileO20Resistenza riscaldamento gasolioR10Giunto di diagnosi multiplo-
DescrizioneUn sistema di controllo elettronico sovrintende e regola tutti i parametri del motore, ottimizzando prestazioni e consumi attraverso una risposta in tempo reale alle diverse condizioni di funzionamento.Il motore Diesel e equipaggiato con un sistema di iniezione UNIJET di tipo "COMMON RAIL".Questo e caratterizzato dall'utilizzo di una elevata pressione di iniezione controllata elettronicamente. L'erogazione del combustibile, detta iniezione pilota, e ottimizzata dalla centralina elettronica attraverso l'iniettore invece che gestita dalla pompa.In base ai segnali ricevuti da numerosi sensori, la centralina comanda gli attuatori ad essa collegati, gestendo gli impianti di:alimentazione combustibile;alimentazione aria;preriscaldo candelette;pedale acceleratore;raffreddamento motore;preriscaldo combustibile. Per maggiori dettagli, 2879272vedere DESCRIZIONI E FUNZIONAMENTO:1060ALIMENTAZIONE INIEZIONE DIESEL . Il sistema e controllato anche per mezzo di appositi teleruttori collocati nel vano motore nella scatola portateleruttori e portafusibili.Le linee di alimentazione della centralina e dei vari componenti del sistema (sensori e attuatori) sono protette da un apposito maxifuse e da altri fusibili volanti, anch'essi collocati nella scatola suddetta.Il preriscaldo candelette e protetto da uno specifico maxifuse collocato accanto alla scatola in questione.
Descrizione funzionale La centralina controllo motore M10 controlla e regola tutto il sistema di iniezione elettronica UNIJET. La centralina motore M10 e alimentata sotto chiave (15/54) al pin 13 del connettore B dalla linea protetta dal fusibile volante B25 . Il teleruttore J10 controlla l'alimentazione del sistema: esso e alimentato dalla batteria, dalla linea del maxifuse UGD di B5 , la bobina e alimentata dalla stessa linea e viene eccitata da un segnale di massa proveniente dalla centralina M10 , dal pin 46 del connettore C. Questa eccitazione consente di alimentare i pin 7, 8 ed 1 del connettore A della centralina medesima. (la linea che da J10 va al pin 1 e protetta anche dal fusibile volante B41 ). Il teleruttore J15 e pure alimentato dalla batteria, dalla linea del maxifuse UGD di B5 : dai pin 30 e 52 del connettore C della centralina M10 giungono i segnali che eccitano il teleruttore J15 , il quale fornisce l'alimentazione all'elettropompa combustibile N40, che e collegata a massa attraverso l'interruttore inerziale I50 . Questo in caso di urto interrompe il circuito e quindi ferma pericolose erogazioni di combustibile. Il teleruttore preriscaldo gasolio J17 , alimentato dalla batteria - connettore A - attraverso la linea protetta dai fusibili B37 e B39 viene eccitato dal segnale proveniente dall'alternatore (segnale spia "generatore "): il preriscaldo funziona infatti solo a motore in moto. In tale condizione il teleruttore comanda il funzionamento della resistenza riscaldamento gasolio O20 : il termocontatto (connettore A di O20 ) disattiva il sistema a riscaldamento avvenuto. La centralina M15 , che gestisce il preriscaldo delle candelette A40 , e alimentata - connettore A - direttamente dalla batteria attraverso la linea protetta dal fusibile B37 . Essa riceve i comandi dai pin 38 e 51 del connettore C di M10 , che ne controlla la temporizzazione, ed invia un segnale di feedback al pin 1 del connettore B della centralina. Il connettore B si collega alla cendelette A40 . I pin 4, 5 del connettore A di M10 sono a massa. La centralina motore M10 riceve i segnali dai diversi sensori, mantenendo cosi sotto controllo tutti i parametri di funzionamento del motore. Il sensore di giri K46 fornisce, attraverso un segnale in frequenza inviato al pin 26 del connettore D della centralina M10 , informazioni circa il regime del motore. Esso riceve dal pin 37 del connettore D della centralina un segnale di massa. Entrambi i segnali sono di debole intensita e percio sono opportunamente schermati al pin 17. Il sensore di fase K47 e alimentato dal pin 12 del connettore D di M10 . Esso riceve una massa di riferimento dal pin 2 del connettore D della centralina M10 ed in via ad essa un segnale in frequenza corrispondente alla fase al pin 3 dello stesso connettore. Il sensore temperatura motore K45 , riceve una massa di riferimento dal pin 27 del connettore D della centralina M10 , e fornisce un segnale proporzionale alla temperatura del liquido del motore al pin 36 dello stesso connettore. Il misuratore portata d'aria K41 riceve l'alimentazione generale dal pin 11 del connettore D della centralina e dal pin 1 dello stesso una tensione di riferimento. Esso invia al pin 14 del connettore D un segnale proporzionale alla portata d'aria. All'interno di K41 e collocato anche un sensore temperatura aria: la massa di riferimento del sensore e fornita dal pin 4 del connettore D di M10 , mentre al pin 23 dello stesso connettore giunge il segnale di temperatura aria. Il pedale acceleratore K55 e dotato di due potenziometri integrati (uno principale ed uno di sicurezza). Il primo riceve alimentazione e massa rispettivamente dai pin 5 e 23 del connettore C di M10 ed invia il segnale corrispondente al pin 10 dello stesso connettore. Il secondo riceve alimentazione e massa rispettivamente dai pin 21 e 8 del connettore C di M10 ed invia il segnale al pin 9 del connettore C. Il sensore di temperatura combustibile K81 , montato sul collettore di ritorno, rileva la temperatura del gasolio in uscita dagli iniettori. Esso riceve una massa di riferimento dal pin 1 del connettore C di M10 ed invia al pin 24 dello stesso il segnale di temperatura combustibile. Il sensore sovralimentazione K82 rileva la pressione del turbocompressore. Esso e alimentato dal pin 8 del connettore D di M10 e riceve dal pin 7 dello stesso una massa di riferimento. Il segnale viene inviato al pin 6 del connettore D della centralina. Il sensore pressione combustibile K83 ha il compito di fornire alla centralina di iniezione un segnale di feedback per regolare la pressione e la durata dell'iniezione. Esso riceve l'alimentazione e la massa di riferimento rispettivamente dai pin 13 e 34 del connettore D di M10 ; invia poi il segnale sulla pressione al pin 24 dello stesso connettore. Il regolatore di pressione combustibile N77 ha il compito di mantenere costante il valore della pressione del combustibile nell'accumulatore. I due segnali di controllo provengono dai pin 31 e 21 del connettore D della centralina. L'elettrovalvola EGR L30 controlla il ricircolo dei gas di scarico. Essa e alimentata dal pin 37 del connettore C di M10 ed invia un segnale al pin 50 dello stesso. Il pin 8 del connettore B di M10 riceve il segnale proveniente dall'interruttore luci stop I30 , alimentato "sotto chiave" (INT) dal fusibile F1 della centralina di derivazione B1 ( 2879909VedereE2021LUCI STOP ). Il pin 2 del connettore B di M10 riceve il segnale proveniente dall'interruttore pedale frizione I31, anch'esso alimentato "sotto chiave" (INT) dal fusibile F1 della centralina di derivazione B1 . Gli iniettori N70 ricevono l'alimentazione di consenso all'apertura dai pin 2 (cilindri 1 e 4) e 4 (cilindri 2 e 3) del connettore E di M10 . La centralina controllo motore invia i comandi agli iniettori dai pin 9, 7, 5 e 3 del connettore E, rispettivamente per i cilindri 1, 2, 3 e 4. La centralina e dotata di un sistema di autodiagnosi, che puo essere utilizzato collegandosi al connettore R10 , attraverso il pin 28 del connettore C. Il sistema di autodiagnosi genera anche il segnale per la spia "avaria iniezione": il quadro strumenti E50 e alimentato sotto chiave (INT) dalla linea protetta dal fusibile F1 contenuto nella centralina di derivazione B1 : quando arriva il segnale di massa dal pin 48 del connettore C, si illumina la spia "avaria iniezione". Un segnale di massa al pin 43 del connettore C invece illumina la spia "preriscaldo candelette". In caso di elevata temperatura motore, la centralina fa accendere la relativa spia sul quadro E50 (segnale dal pin 49 connettore C) La centralina M10 si collega con la centralina CODE M20 attraverso l'apposita linea dal pin 13 del connettore C; in tal modo se la centralina CODE non rileva un codice corretto, non da il consenso ed il motore non viene avviato. Il segnale tachimetrico (velocita vettura) giunge al pin 26 del connettore C della centralina M10 ( Vedere E4021 STRUMENTO TACHIMETRO ). La centralina M10 e collegata con l'impianto di condizionamento tramite i pin 32 del connettore D e 3 del connettore B. Cio consente di adeguare il regime minimo del motore all'aumento di carico ogni volta che il compressore viene inserito, oppure di disinserire lo stesso in caso di elevate velocita o elevati carichi motore la centralina ( 2880503VedereE6021INSERIMENTO COMPRESSORE ). La centralina controlla anche il sistema di raffreddamento del motore: i pin 23 del connettore B, 15 del connettore D e 20, 45 del connettore C comandano l'inserimento delle elettroventole relative ( 2880382VedereE5020RAFFREDDAMENTO MOTORE ).

Batteria



A001A



A001A



A001B



A001B



A001C



A001D



A001D



A001E



A001F



A001F



A001G



A001G



A001G



A001G



Batteria



A001A



A001A



A001B



A001B



A001C



A001D



A001D



A001E



A001F



A001F



A001G



A001G



A001G



A001G



Batteria



A001A



A001A



A001B



A001B



A001C



A001D



A001D



A001E



A001F



A001F



A001G



A001G



A001G



A001G



Batteria



A001A



A001A



A001B



A001B



A001C



A001D



A001D



A001E



A001F



A001F



A001G



A001G



A001G



A001G



Batteria



A001A



A001A



A001B



A001B



A001C



A001D



A001D



A001E



A001F



A001F



A001G



A001G



A001G



A001G



Fusibile alimentaz. servizi sotto chiave (15/54)



B025



B025



B025



B025



B025



B025



B025



B025



B025



B025



B025



Fusibile memorie iniezione e CODE



B035



B035



B035



B035



B035



Fus. (MAXI FUSE) candelette e preriscaldo gasolio



B037



Fusibile preriscaldo gasolio



B039



B039



B039



Fusibile alimentazione centralina iniezione



B041



B041



Massa ant. destra



C011



C011



C011



C011



C011



C011



Massa posteriore destra



C031



C031



C031



Massa centralina iniezione



C060



C060



C060



C060



C060



C060



C060



Giunzione ant./plancia



D001A



D001A



D001A



D001A



D001A



D001A



D001A



D001A



D001A



D001A



D001A



D001A



D001B



D001B



D001B



D001B



D001B



D001B



D001B



D001B



D001B



D001B



D001B



D001C



D001A



D001A



D001A



D001A



D001A



D001A



D001A



D001C



D001C



D001C



D001C



D001C



D001C



D001A



D001C



D001C



D001C



D001C



D001C



D001C



D001C



D001C



Giunzione ant./motore



D004A



D004A



D004B



D004B



D004



D004



D004



D004



D004A



D004A



D004B



D004B



D004B



D004B



D004B



D004



D004



D004



D004



D004B



D004B



D004B



D004B



D004B



D004B



D004B



D004B



D004B



D004B



Giunzione iniettori



D081A



D081A



D081B



D081B



D081



D081



D081



Quadro strumenti



E050A



E050A



E050A



E050A



E050A



E050B



E050B



E050B



E050B



E050B



E050B



E050B



E050C



E050C



E050A



E050B



E050C



E050C



Quadro strumenti



E050A



E050A



E050A



E050A



E050A



E050B



E050B



E050B



E050B



E050B



E050B



E050B



E050C



E050C



E050A



E050B



E050C



E050C



Quadro strumenti



E050A



E050A



E050A



E050A



E050A



E050B



E050B



E050B



E050B



E050B



E050B



E050B



E050C



E050C



E050A



E050B



E050C



E050C



Quadro strumenti



E050A



E050A



E050A



E050A



E050A



E050B



E050B



E050B



E050B



E050B



E050B



E050B



E050C



E050C



E050A



E050B



E050C



E050C



Quadro strumenti



E050A



E050A



E050A



E050A



E050A



E050B



E050B



E050B



E050B



E050B



E050B



E050B



E050C



E050C



E050A



E050B



E050C



E050C



Quadro strumenti



E050A



E050A



E050A



E050A



E050A



E050B



E050B



E050B



E050B



E050B



E050B



E050B



E050C



E050C



E050A



E050B



E050C



E050C



Teleruttore pompa combustibile



J015



J015



Teleruttore preriscaldo gasolio



J017



J017



Teleruttore preriscaldo gasolio



J017



J017



Teleruttore preriscaldo gasolio



J017



J017



Teleruttore preriscaldo gasolio



J017



J017



Teleruttore preriscaldo gasolio



J017



J017



Teleruttore preriscaldo gasolio



J017



J017



Teleruttore preriscaldo gasolio



J017



J017



Teleruttore preriscaldo gasolio



J017



J017



Teleruttore preriscaldo gasolio



J017



J017



Teleruttore preriscaldo gasolio



J017



J017



Teleruttore preriscaldo gasolio



J017



J017



Teleruttore preriscaldo gasolio



J017



J017



Elettrovalvola corpo farfallato



L062



Elettrovalvola corpo farfallato



L062



Elettrovalvola corpo farfallato



L062



Elettropompa combustibile e misuratore di livello



N040



N040



N040



N040



Elettropompa combustibile e misuratore di livello



N040



N040



N040



N040



Elettropompa combustibile e misuratore di livello



N040



N040



N040



N040



Elettropompa combustibile e misuratore di livello



N040



N040



N040



N040



Elettropompa combustibile e misuratore di livello



N040



N040



N040



N040



Elettropompa combustibile e misuratore di livello



N040



N040



N040



N040


Can't find your car? Check -> DiagnostData.com!