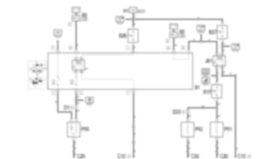
| Codice componente | Denominazione | Riferimento al complessivo | ||||
| B1 | Centralina di derivazione | B5 | Scatola MAXI FUSE | B15 | Fusibile presa di corrente | - |
| B26 | Fus. alim. sotto chiave escluso avviam. (INT/A) | - | ||||
| B26 | Fus. alim. sotto chiave escluso avviam. (INT/A) | - | ||||
| B27 | Fus. alim. sotto chiave escluso avviam. (INT/A) | - | ||||
| B27 | Fus. alim. sotto chiave escluso avviam. (INT/A) | - | ||||
| C15 | Massa plancia lato guida | - | ||||
| C20 | Massa plancia lato passeggero | - | ||||
| C30 | Massa posteriore sinistra | - | ||||
| D1 | Giunzione ant./plancia | - | ||||
| D20 | Giunzione plancia/posteriore | - | ||||
| H1 | Commutatore di accensione | J61 | Teleruttore alzasedile e presa di corrente | - | ||
| P50 | Accendisigari/presa di corrente | P51 | Presa di corrente su plancia | P052 | Presa di corrente posteriore ( POSTERIORE ) |
| Codice componente | Denominazione | Riferimento al complessivo | ||||
| B1 | Centralina di derivazione | B5 | Scatola MAXI FUSE | B15 | Fusibile presa di corrente | - |
| B26 | Fus. alim. sotto chiave escluso avviam. (INT/A) | - | ||||
| B26 | Fus. alim. sotto chiave escluso avviam. (INT/A) | - | ||||
| B27 | Fus. alim. sotto chiave escluso avviam. (INT/A) | - | ||||
| B27 | Fus. alim. sotto chiave escluso avviam. (INT/A) | - | ||||
| C15 | Massa plancia lato guida | - | ||||
| C20 | Massa plancia lato passeggero | - | ||||
| C30 | Massa posteriore sinistra | - | ||||
| D1 | Giunzione ant./plancia | - | ||||
| D20 | Giunzione plancia/posteriore | - | ||||
| H1 | Commutatore di accensione | J61 | Teleruttore alzasedile e presa di corrente | - | ||
| P50 | Accendisigari/presa di corrente | P51 | Presa di corrente su plancia | P052 | Presa di corrente posteriore ( POSTERIORE ) |
E2010
















