
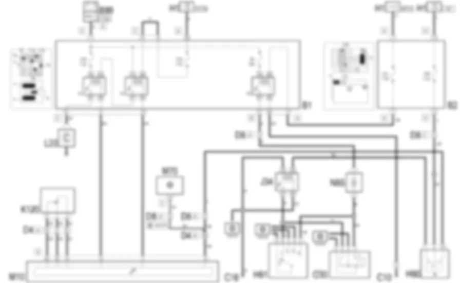
Esquema electrico - LIGACAO COMPRESSOR - Fiat STILO 1.8 16v Fino a 06/02
Componentes - LIGACAO COMPRESSOR - Fiat STILO 1.8 16v Fino a 06/02
| Codigo componente | Denomina | Referencia ao conjunto |
| B1 | Centralina de derivacao vao do motor | |
| B99 | Caixa maxifuse na bateria | |
| C10 | Massa anterior esquerda | - |
| C16 | Massa grupo condicionador | - |
| D4 | Juncao anterior / motor | - |
| D4 | Juncao anterior/motor | - |
| D8 | Juncao anterior / ar condicionado - aquecedor | - |
| D8 | Juncao anterior/condicionador - aquecedor | - |
| H1 | Comutador de ignicao | |
| H80 | Comandos de ar condicionado | |
| H81 | Comando electroventilador do ar condicionado | |
| K86 | Sensor anti-gelo | - |
| K86 | Sensor antigelo | - |
| L20 | Electromagnete ligacao compressor do ar condicionado | - |
| L20 | Electromagnete ligacao compressor do ar condicionado | |
| M10 | Centralina de controlo do motor | - |
| M10 | Centralina de controlo do motor | |
| M10 | Centralina do controlo do motor | |
| M70 | Centralina de climatizacao | |
| O30 | Resistencia de regulacao do electroventilador do ar no habitaculo | - |
| O30 | Resistencia do electroventiladorar para regulacao do ar no habitaculo | - |
Localizacao componentes - LIGACAO COMPRESSOR - Fiat STILO 1.8 16v Fino a 06/02
Componentes - LIGACAO COMPRESSOR - Fiat STILO 1.8 16v Fino a 06/02
| Codigo componente | Denomina | Referencia ao conjunto |
| B1 | Centralina de derivacao vao do motor | |
| B99 | Caixa maxifuse na bateria | |
| C10 | Massa anterior esquerda | - |
| C16 | Massa grupo condicionador | - |
| D4 | Juncao anterior / motor | - |
| D4 | Juncao anterior/motor | - |
| D8 | Juncao anterior / ar condicionado - aquecedor | - |
| D8 | Juncao anterior/condicionador - aquecedor | - |
| H1 | Comutador de ignicao | |
| H80 | Comandos de ar condicionado | |
| H81 | Comando electroventilador do ar condicionado | |
| K86 | Sensor anti-gelo | - |
| K86 | Sensor antigelo | - |
| L20 | Electromagnete ligacao compressor do ar condicionado | - |
| L20 | Electromagnete ligacao compressor do ar condicionado | |
| M10 | Centralina de controlo do motor | - |
| M10 | Centralina de controlo do motor | |
| M10 | Centralina do controlo do motor | |
| M70 | Centralina de climatizacao | |
| O30 | Resistencia de regulacao do electroventilador do ar no habitaculo | - |
| O30 | Resistencia do electroventiladorar para regulacao do ar no habitaculo | - |
Descricao - LIGACAO COMPRESSOR - Fiat STILO 1.8 16v Fino a 06/02
O botao central no grupo de comandos de climatizacao, situado no centro do tablier, comanda a ligacao do circuito de refrigeracao e desumidificacao do ar, accionando o compressor do ar condicionado.
Descricao - LIGACAO COMPRESSOR - Fiat STILO 1.8 16v Fino a 06/02
A tecla adequada do painel de comando da climatizacao activa o funcionamento do circuito de refrigeracao do ar; com a tecla premida, acende-se o respectivo led.A referida tecla activa o funcionamento do circuito de refrigeracao do ar mas a efectiva ligacao do compressor depende da logica de controlo da centralina de climatizacao.O compressor pode ser tambem desligado pela intervencao do sensor linear para ventoinhas electricas, ou pela centralina de controlo do motor .
Descricao - LIGACAO COMPRESSOR - Fiat STILO 1.8 16v Fino a 06/02
Para mais pormenoresAlem disso, com o compressor ligado, e comandado o ventilador na primeira velocidade, atraves de um rele adequado colocado no interior do grupo.O circuito de alimentacao do compressor e comandado por um rele especifico e protegido para um fusivel proprio, colocados na centralina do vao do motor.o ventilador e alimentado por uma linha protegida por um fusivel especifico e comandado por rele especifico, sempre da centralina do vao do motor.O grupo de comandos e alimentado por uma linha ''sob chave'' protegida por un fusivel da centralina sob o tablier.
Descricao funcional - LIGACAO COMPRESSOR - Fiat STILO 1.8 16v Fino a 06/02
A rele T5 da centralina do vao do motor B1 controla o circuito de ligacao do compressor.A alimentacao da rele e feita atraves da linha do fusivel especifico F19 da centralina do vao do motor B1 .A alimentacao da bobina do rele T5 chega do rele principal de injeccao T9 e da linha atraves de chave (15/54) protegida pelo fusivel F18, ambas situadas na centralina do vao do motor B1.






























