Bauteile - CAN-VERBINDUNGSLEITUNGEN - Fiat ULYSSE 2.0 16V JTD fino a 04/03
| Bauteil-Nr. | Bezeichnung | Bezug zur Baugruppe |
| A001 | BATTERIE | |
| B001 | VERTEILER IM MOTORRAUM | |
| C011 | MASSE VORNE RECHTS | - |
| D001 | VERBINDUNG VORNE/ARMATURENBRETT | - |
| D006 | VORDERE/HINTERE VERBINDUNG | - |
| D020 | VERBINDUNG ARMATURENBRETT / HINTEN | - |
| D030 | VERBINDUNG FAHRERTUR | - |
| D031 | VERBINDUNG BEIFAHRERTUR | - |
| D042 | VERBINDUNG DECKENLEUCHTEN | - |
| D070 | VERBINDUNG FAHRERSITZ | - |
| E050 | INSTRUMENTENTAFEL | |
| K125 | REGEN- UND DAMMERUNGSSENSOR | - |
| M001 | BODY COMPUTER | |
| M010 | MOTORELEKTRONIK | |
| M030 | ALARMELEKTRONIK | - |
| M047 | ELEKTRONIK REIFENDRUCKKONTROLLE | - |
| M050 | ABS-ELEKTRONIK | |
| M055 | ELEKTRONIK AUTOMATIKGETRIEBE | - |
| M060 | AIRBAG-ELEKTRONIK | |
| M066 | TURBEDIENELEKTRONIK FAHRERSEITE (NPG) | |
| M067 | TURBEDIENELEKTRONIK BEIFAHRERSEITE (NPP) | - |
| M070 | KLIMAELEKTRONIK | - |
| M076 | Elektronik fur Sitze / Spiegel mit Stellungsspeicher | - |
| M084 | ELEKTRONIK PARKSENSOR | - |
| M091 | ELEKTRONIK GIERABWEICHUNG | - |
| M093 | ELEKTRONIK KNOTEN LENKRAD (NVO) | |
| M140 | ELEKTRONIK KONTROLLLEUCHTEN UND KILOMETERZAHLER (NSO) | - |
| M160 | CONNECT-BEDIENTASTEN | - |
| M171 | KNOTEN SEITLICHE SCHIEBETUREN | |
| M172 | KNOTEN MULTIFUNKTIONSBILDSCHIRM | - |
| M180 | ELEKTRONIK DIESEL-ADDITIVZUFUHR | |
| M181 | Anhangersteuerung | - |
| N036 | SCHIEBEDACHMOTOR VORNE | |
| N155 | SCHIEBEDACHMOTOR MITTE | |
| N156 | SCHIEBEDACHMOTOR HINTEN | |
| P020 | AUTORADIO | - |
Fur die in diesem Fahrzeug vorhandenen elektrischen Verbindungen wird eine Architektur des Typs CAN (Controller Area Network) eingesetzt: Es handelt sich um eine Hard- und Softwarelosung, die zum Ziel hat, die im Fahrzeug vorhandenen Ressourcen effizient zu verwalten, indem die Informationen zwischen den verschiedenen elektronischen Vorrichtungen gemeinsam genutzt und die Vorrichtungen in einem Netzwerk hoher Geschwindigkeit fur den Informationsaustausch integriert werden. So erhalt man eine Reduzierung der Anzahl der Kabel/Steckverbinder und als Folge davon wirtschaftliche Vorteile sowie einen hohen Standard, was die Qualitat und Zuverlassigkeit betrifft.Weil die Anzahl der im Fahrzeug vorhandenen Elektroniken gro? ist, ist auch die Anzahl der zu verwaltenden Informationen entsprechend gro?. Hier wird der Einsatz eines CAN-Systems vorteilhaft.Die Signale werden auf einem seriellen Bus des Typs CAN ubertragen, wo eine Leitung einem Spannungspegel zugeordnet ist, der als "hoch" (H) bezeichnet wird, und eine Leitung dem Spannungspegel "niedrig" (L): Der Wert, der dem zu ubertragenden Bit zugeordnet ist, wird durch den Unterschied zwischen den Spannungspegeln von CAN-H und CAN-L dargestellt.Die verschiedenen elektronischen Einrichtungen des System, die "Knoten" des Netzwerks, sind an das CAN-Netz mittels Kommunikations-Schnittstellen - sog. "Transceiver" - angeschlossen, die in die jeweiligen Einrichtungen integriert sind.Der Datenaustausch auf einer seriellen Leitung des Typs CAN ist nur moglich wenn ein "Ubertragungsprotokoll" vorhanden ist, das die Gesamtheit der Regeln darstellt, die fur die Kommunikation zwischen zwei oder mehr Knoten erforderlich sind.Hauptbestandteil des CAN-Netzes ist der Knoten Body Computer.Der Knoten Body Computer hat die Aufgabe, das Netz zu aktivieren, wenn der Zundschlussel auf M gedreht wird.Der Knoten Body Computer hat auch die Aufgabe, das Netzwerk zu uberwachen. So ist es moglich, den Aktivitatsstatus des Netzes, Funktionsstorungen der einzelnen elektronischen Vorrichtungen (Knoten) und eine eventuelle Storung des CAN-Netzes zu kontrollieren.Die Struktur fur dieses Fahrzeug enthalt drei Kommunikationsnetze, die die Knoten in den verschiedenen Bereichen verbinden (dynamische Fahrzeugkontrolle und Karosserie-Funktionen), sowie eine Anzahl serieller Zusatzleitungen fur Diagnose- und andere spezifische Funktionen:- ein CAN-Netz fur das elektronische Stabilisierungsprogramm des Fahrzeugs (hohe Geschwindigkeit),- ein CAN-Netz, CAN CONF genannt, das den Body Computer mit den Informations- und Komfortgeraten verbindet,- ein CAN-Netz, CAN CAR genannt, das den Body Computer mit den Sicherheits- oder Hilfseinrichtungen verbindet.Die Diagnose der mit dem CAN-Netz verbundenen Knoten erfolgt uber den Knoten Body Computer, wahrend die Diagnose fur das Netz des elektronischen Stabilisierungsprogrammes des Fahrzeugs uber spezifische K-Leitungen erfolgt.Die Leistungsverteilung erfolgt durch die Verteiler und/oder Sicherungskasten, so dass ein Maximum an elektrischem Schutz und ein Minimum an Verkabelung erreicht werden.
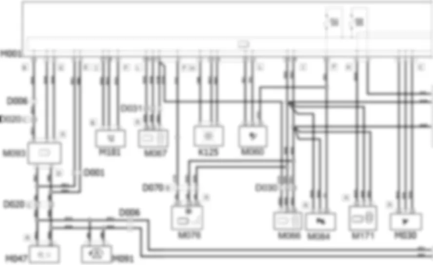
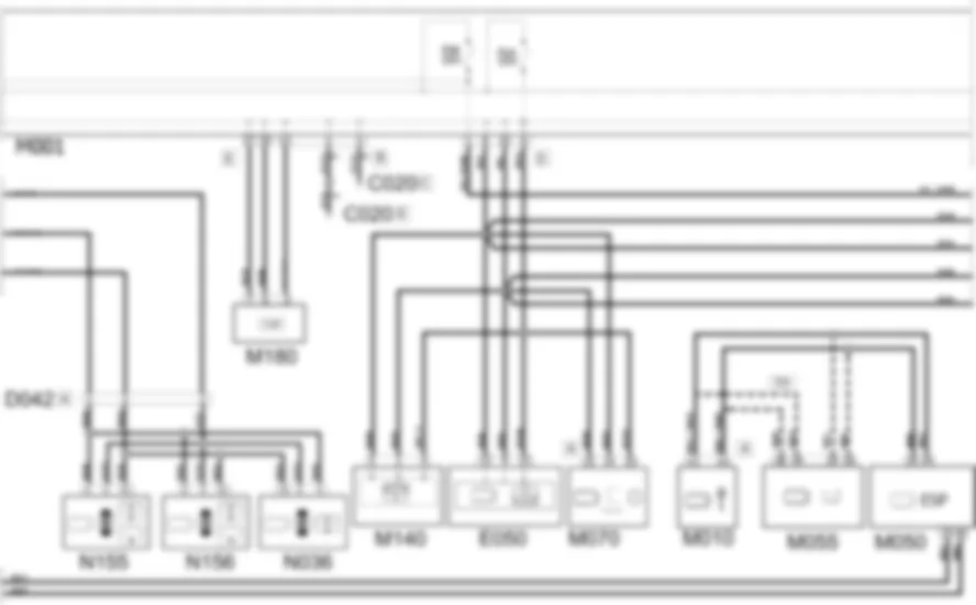
Der Knoten Body Computer M001 liefert die Stromversorgung zu den mit ihm verbundenen verschiedenen Elektroniken fur die Kommunikation uber das CAN-Netz.An Pin 1 und 2 des Steckers A ist der Knoten Body Computer M001 mit Pin 4 bzw. 5 des Steckers D des Verteilers im Motorraum B001 verbunden, von dem er die Stromversorgung uber die Sicherungen MF04 bzw. MF05 erhalt.Das CAN-Netz ist unterteilt in CAN, CAN CONF und CAN CAR.Das Netzwerk CAN CAR besteht aus den folgenden Komponenten, die mit dem Knoten Body Computer M001 verbunden sind:- An Pin 11 des Steckers B und den Pins 3 und 5 des Steckers G ist die Elektronik Knoten Lenkrad M093 (Pin 5, 3 bzw. 1 des Steckers A) angeschlossen.- An Pin 11 des Steckers B und den Pins 23 und 21 des Steckers L ist die Airbagelektronik M060 (Pin 37, 30 bzw. 33) angeschlossen.- An den Pins 37 und 38 des Steckers I bzw. Pin 4 des Steckers F ist die Elektronik Anhanger M181 (Pin 1, 2 bzw. 4 des Steckers B) angeschlossen.- An den Pins 24 und 26 des Steckers L bzw. Pin 3 des Steckers H ist der Regen- und Dammerungssensor K125 (Pin 2, 4 bzw. 1) angeschlossen.- An Pin 4, 1 bzw. 6 des Steckers C ist die Alarmanlagenelektronik M030 (Pin 10, 7 bzw. 12 des Steckers A) angeschlossen.- An Pin 12 des Steckers B und den Pins 35 und 37 des Steckers E ist die Elektronik Diesel-Additiv M180 (Pin 3, 6 bzw. 7) angeschlossen.- An den Pins 25 und 27 des Steckers E ist der Verteiler im Motorraum B001 (Pin 12 bzw. 11 des Steckers F) angeschlossen.Das Netzwerk CAN CONF besteht aus den folgenden Komponenten, die mit dem Knoten Body Computer M001 verbunden sind:- An den Pins 38 und 40 des Steckers L sowie Pin 9 des Steckers F ist die Bedienelektronik Beifahrertur M067 (Pin 19, 20 bzw. 1) angeschlossen.- An Pin 9 des Steckers F und den Pins 36 und 38 des Steckers I ist die Bedienelektronik Fahrertur M066 (Pin 1, 20 bzw. 19) angeschlossen.- An Pin 3 des Steckers F und den Pins 36 und 38 des Steckers I ist die Elektronik Sitze/Spiegel mit Speicher M076 (Pin A7, A5 bzw. C5 des Steckers A) angeschlossen.- An den Pins 36 und 38 des Steckers I bzw. Pin 11 des Steckers F ist die Elektronik Parksensoren M084 (Pin 5, 14 bzw. 10 des Steckers A) angeschlossen; jedoch nur eine Leitung wird durch die Sicherung F12 geschutzt (Pin 11 des Steckers F).- An den Pins 36 und 38 des Steckers I bzw. Pin 8 des Steckers H ist der Knoten seitliche Schiebeturen M171 (Pin 5, 4 bzw. 12 des Steckers A) angeschlossen; jedoch nur eine Leitung wird durch die Sicherung F08 geschutzt (Pin 8 des Steckers H).- An den Pins 36 und 38 des Steckers I bzw. Pin 3 des Steckers H sind die Motoren der Schiebedacher vorne N036, in der Mitte N155 und hinten N156 (Pin 4, 10 bzw. 5) angeschlossen; jedoch nur eine Leitung wird durch die Sicherung F05 geschutzt (Pin 3 des Steckers H).- An den Pins 8, 10 bzw. 6 des Steckers D sind die Instrumententafel E050 (Pin 12, 6 bzw. 13), die Elektronik Kontrollleuchten und Kilometerzahler M140 (Pin 5, 2 bzw. 4) und die Klimaelektronik M070 (Pin 15, 14 bzw. 10) angeschlossen; jedoch nur eine Leitung wird durch die Sicherung F14 geschutzt (Pin 6 des Steckers D).- An den Pins 8, 10 und 1 des Steckers D sind der Knoten Multifunktionsbildschirm M172 (Pin 9, 7 bzw. 1) und das Autoradio P020 (Pin 10, 13 bzw. 12 des Steckers A) angeschlossen; jedoch nur eine Leitung wird durch die Sicherung F08 geschutzt (Pin 1 des Steckers D).Je nach Ausstattung des Fahrzeugs konnen diese letzten Verbindungen variieren. An den Pins 8, 10 und 1 des Steckers D werden der Connect Nav oder Nav+ P020 (Pin 10, 13 bzw. 12 des Steckers D) angeschlossen, und an diesen werden letztendlich angeschlossen:- an den Pins 12, 11 bzw. 6 des Steckers B die Connect-Bedientasten M160 (Pin 1, 2 bzw. 4),- an den Pin 5 und 12 des Steckers A der Knoten Multifunktionsbildschirm M172 (Pin 6 bzw. 4).Das CAN-Netzwerk (Netz des elektronischen Stabilisierungsprogramms) schlie?lich besteht aus den folgenden Komponenten, die an den Pins 4 und 2 des Steckers E des Knotens Body Computer M001 angeschlossen sind:- die Elektronik Knoten Lenkrad M093 (Pin 1 bzw. 2 des Steckers D),- die Elektronik Gierwinkel M091 (Pin 2 bzw. 3),- die Elektronik Reifendruckkontrolle M047 (Pin 9 bzw. 18),- die ABS/ESP-Elektronik M050 (Pin 25 bzw. 45).An der ABS/ESP-Elektronik M050 (Pin 14 und 35) ist im Fall des Automatikgetriebes auch die Elektronik Automatikgetriebe M055 (Pin 29 bzw. 30) angeschlossen, mit der (uber Pin 38 und 39) die Motorelektronik M010 verbunden ist (Pin A3 bzw. A4 des Steckers A). Im Fall eines Schaltgetriebes ist sie direkt an der Motorelektronik M010 angeschlossen (Pin A3 bzw. A4 des Steckers A).
| Bauteil-Nr. | Bezeichnung | Bezug zur Baugruppe |
| A001 | BATTERIE | |
| B001 | VERTEILER IM MOTORRAUM | |
| C011 | MASSE VORNE RECHTS | - |
| D001 | VERBINDUNG VORNE/ARMATURENBRETT | - |
| D006 | VORDERE/HINTERE VERBINDUNG | - |
| D020 | VERBINDUNG ARMATURENBRETT / HINTEN | - |
| D030 | VERBINDUNG FAHRERTUR | - |
| D031 | VERBINDUNG BEIFAHRERTUR | - |
| D042 | VERBINDUNG DECKENLEUCHTEN | - |
| D070 | VERBINDUNG FAHRERSITZ | - |
| E050 | INSTRUMENTENTAFEL | |
| K125 | REGEN- UND DAMMERUNGSSENSOR | - |
| M001 | BODY COMPUTER | |
| M010 | MOTORELEKTRONIK | |
| M030 | ALARMELEKTRONIK | - |
| M047 | ELEKTRONIK REIFENDRUCKKONTROLLE | - |
| M050 | ABS-ELEKTRONIK | |
| M055 | ELEKTRONIK AUTOMATIKGETRIEBE | - |
| M060 | AIRBAG-ELEKTRONIK | |
| M066 | TURBEDIENELEKTRONIK FAHRERSEITE (NPG) | |
| M067 | TURBEDIENELEKTRONIK BEIFAHRERSEITE (NPP) | - |
| M070 | KLIMAELEKTRONIK | - |
| M076 | Elektronik fur Sitze / Spiegel mit Stellungsspeicher | - |
| M084 | ELEKTRONIK PARKSENSOR | - |
| M091 | ELEKTRONIK GIERABWEICHUNG | - |
| M093 | ELEKTRONIK KNOTEN LENKRAD (NVO) | |
| M140 | ELEKTRONIK KONTROLLLEUCHTEN UND KILOMETERZAHLER (NSO) | - |
| M160 | CONNECT-BEDIENTASTEN | - |
| M171 | KNOTEN SEITLICHE SCHIEBETUREN | |
| M172 | KNOTEN MULTIFUNKTIONSBILDSCHIRM | - |
| M180 | ELEKTRONIK DIESEL-ADDITIVZUFUHR | |
| M181 | Anhangersteuerung | - |
| N036 | SCHIEBEDACHMOTOR VORNE | |
| N155 | SCHIEBEDACHMOTOR MITTE | |
| N156 | SCHIEBEDACHMOTOR HINTEN | |
| P020 | AUTORADIO | - |















































