Bauteile - AUTORADIO - Fiat ULYSSE 2.0 16V JTD fino a 04/03
| Bauteil-Nr. | Bezeichnung | Bezug zur Baugruppe |
| B001 | VERTEILER IM MOTORRAUM | |
| C015 | MASSE ARMATURENBRETT FAHRERSEITE | - |
| C020 | MASSE ARMATURENBRETT BEIFAHRERSEITE | - |
| C022 | Masse Armaturenbrett Mitte | - |
| D006 | VORDERE/HINTERE VERBINDUNG | - |
| D020 | VERBINDUNG ARMATURENBRETT / HINTEN | - |
| D030 | VERBINDUNG FAHRERTUR | - |
| D031 | VERBINDUNG BEIFAHRERTUR | - |
| E050 | INSTRUMENTENTAFEL | |
| H001 | Zundschloss | |
| M001 | BODY COMPUTER | |
| M093 | ELEKTRONIK KNOTEN LENKRAD (NVO) | |
| M140 | ELEKTRONIK KONTROLLLEUCHTEN UND KILOMETERZAHLER (NSO) | - |
| M172 | KNOTEN MULTIFUNKTIONSBILDSCHIRM | - |
| P020 | AUTORADIO | - |
| P025 | STROMVERSORGUNG / ANTENNENVERSTARKER | - |
| P035 | TURLAUTSPRECHER VORNE LINKS | |
| P036 | TURLAUTSPRECHER VORNE RECHTS | |
| P045 | HOCHTONER FAHRERSEITE | |
| P046 | HOCHTONER BEIFAHRERSEITE | |
| P047 | HOCHTONER HINTEN LINKS | |
| P048 | HOCHTONER HINTEN RECHTS | |
| P075 | CD-WECHSLEREINHEIT | - |
| P120 | LAUTSPRECHER SEITLICH HINTEN LINKS | - |
| P121 | LAUTSPRECHER SEITLICH HINTEN RECHTS | - |
Das Fahrzeug ist fur den Einbau eines Autoradios vorbereitet.Zu den Vorbereitungsteilen gehoren:- Leistungsstromversorgungskabel des Radios,- vordere Hochleistungslautsprecher mit getrennten Hochtonern,- hintere Hochleistungslautsprecher mit getrennten Hochtonern,- Verbindungskabel vom Radio zu den Lautsprechern,- eine hinten auf dem Dach angebrachte Antenne, die uber ein Koaxialkabel mit dem Autoradio verbunden ist.Das Autoradio erhalt Strom mit dem Zundschlussel auf M bzw. direkt aus der Batterie fur die Speicherung von Sendern, Sicherheitscodes usw.Die wichtigsten Radiobedienelemente befinden sich nochmals am Lenkrad, damit das Radio wahrend der Fahrt bedient werden kann, ohne die Hande vom Lenkrad zu nehmen.Das Autoradio wird wie ein Knoten des CAN-Netzes behandelt und ist mit dem Body Computer, der Instrumententafel und dem Multifunktionsbildschirm verbunden, wo die Informationen bezuglich des Radios angezeigt werden.Ein CD-Wechsler nimmt bis zu 6 CDs auf, die mit den Radiobedienungen ausgewahlt werden konnen. Der CD-Wechsler befindet sich im Handschuhfach.Je nach Ausstattung werden geliefert:- AUTORADIO mit CD-Leser, wie zuvor beschrieben,- Einrichtung "CONNECT Nav", mit Navigation durch Symbole,- Einrichtung "CONNECT Nav +" mit Navigation durch Karten.Alle Einzelheiten uber die Eigenschaften und die Funktionsbeschreibung der verschiedenen Modelle enthalt die “BETRIEBS- UND WARTUNGSANLEITUNG”.
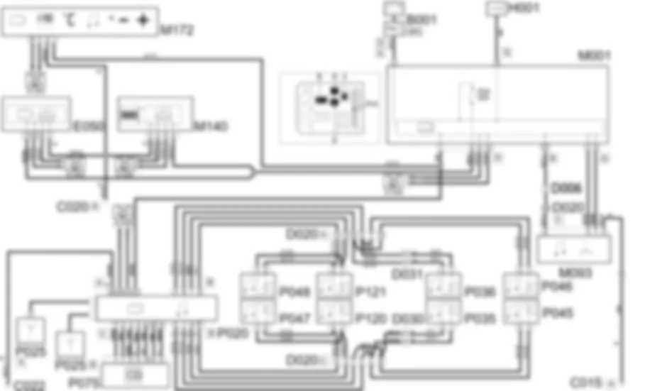
Der Knoten Multifunktionsbildschirm M172 (Pin 1) erhalt die Stromversorgung vom Knoten Body Computer M001 (Pin 1 des Steckers D).Auch die Elektroniken der Instrumententafel E050 (Pin 13) und der Kontrollleuchten und Kilometerzahler M140 (Pin 4) erhalten die Stromversorgung von M001 (Pin 6 des Steckers D), aber uber eine mit der Sicherung F14 geschutzte Leitung.Das Autoradio P020:- ist (uber Pin 10 und 13 des Steckers A) uber das CAN-Netz mit dem Knoten Elektronik Kontrollleuchten und Kilometerzahler M140 (Pin 2 und 5), der Instrumententafel E050 (Pin 6 und 12), dem Knoten Body Computer M001 (Pin 8 und 10 des Steckers D) und dem Knoten Multifunktionsanzeige M172 (Pin 7 und 9) zusammengeschaltet,- ist (uber Pin 7, 2, 1, 3, 8, 10 und 4 des Steckers C) mit dem CD-Wechsler P075 (Pin 1, 7, 3, 9, 10, 6 bzw. 5) verbunden,- erhalt die Stromversorgung (Pin 12 des Steckers A) vom Knoten Body Computer M001 (Pin 1 des Steckers D).Uber den Stecker B ist das Autoradio Connect P020 mit den verschiedenen Lautsprechern im Fahrzeug verbunden:- von den Pins 1 und 5 zu den Lautsprechern P048 (Hochtoner hinten rechts) und P121 (Lautsprecher hinten rechts),- von den Pins 2 und 6 zu den Lautsprechern P036 (Lautsprecher an der rechten Vordertur) und P046 (Hochtoner vorne rechts),- von den Pins 3 und 7 zu den Lautsprechern P035 (Lautsprecher an der linken Vordertur) und P045 (Hochtoner vorne links),- von den Pins 4 und 8 zu den Lautsprechern P047 (Hochtoner hinten links) und P120 (Lautsprecher hinten links am Seitenteil).Der Knoten Lenkradelektronik M093 erhalt die Stromversorgung (Pin 5 des Steckers A und Pin 4 des Steckers D) vom Knoten Body Computer M001 (Pin 11 des Steckers B bzw. Pin 1 des Steckers G) uber zwei Leitungen, von denen nur die zweite durch die Sicherung F04 geschutzt ist.Einige Funktionen des Autoradios konnen mit den entsprechenden Schaltern am Lenkrad betatigt werden: vom Knoten Lenkradelektronik M093 (Pin 1 und 3 des Steckers A) werden die Befehle an den Knoten Body Computer M001 (Pin 5 bzw 3 des Steckers G) ubertragen. Das Signal wird uber die CAN-Leitung ubertragen.
| Bauteil-Nr. | Bezeichnung | Bezug zur Baugruppe |
| B001 | VERTEILER IM MOTORRAUM | |
| C015 | MASSE ARMATURENBRETT FAHRERSEITE | - |
| C020 | MASSE ARMATURENBRETT BEIFAHRERSEITE | - |
| C022 | Masse Armaturenbrett Mitte | - |
| D006 | VORDERE/HINTERE VERBINDUNG | - |
| D020 | VERBINDUNG ARMATURENBRETT / HINTEN | - |
| D030 | VERBINDUNG FAHRERTUR | - |
| D031 | VERBINDUNG BEIFAHRERTUR | - |
| E050 | INSTRUMENTENTAFEL | |
| H001 | Zundschloss | |
| M001 | BODY COMPUTER | |
| M093 | ELEKTRONIK KNOTEN LENKRAD (NVO) | |
| M140 | ELEKTRONIK KONTROLLLEUCHTEN UND KILOMETERZAHLER (NSO) | - |
| M172 | KNOTEN MULTIFUNKTIONSBILDSCHIRM | - |
| P020 | AUTORADIO | - |
| P025 | STROMVERSORGUNG / ANTENNENVERSTARKER | - |
| P035 | TURLAUTSPRECHER VORNE LINKS | |
| P036 | TURLAUTSPRECHER VORNE RECHTS | |
| P045 | HOCHTONER FAHRERSEITE | |
| P046 | HOCHTONER BEIFAHRERSEITE | |
| P047 | HOCHTONER HINTEN LINKS | |
| P048 | HOCHTONER HINTEN RECHTS | |
| P075 | CD-WECHSLEREINHEIT | - |
| P120 | LAUTSPRECHER SEITLICH HINTEN LINKS | - |
| P121 | LAUTSPRECHER SEITLICH HINTEN RECHTS | - |



































