Bauteile - ELEKTRONISCHE STEUERUNG DIESELMOTOREN - Fiat ULYSSE 2.0 16V JTD fino a 04/03
| Bauteil-Nr. | Bezeichnung | Bezug zur Baugruppe |
| A001 | BATTERIE | |
| A040 | GLUHKERZEN | |
| B001 | VERTEILER IM MOTORRAUM | |
| B6 | GROSS-SICHERUNGSKASTEN 2 | - |
| C010 | MASSE VORNE LINKS | - |
| C011 | MASSE VORNE RECHTS | - |
| C020 | MASSE ARMATURENBRETT BEIFAHRERSEITE | - |
| C040 | MASSE AM MOTOR | - |
| D001 | VERBINDUNG VORNE/ARMATURENBRETT | - |
| D004 | VERBINDUNG VORNE / MOTOR | - |
| D213 | VERBINDUNG KRAFTSTOFFBEHALTER | - |
| E050 | INSTRUMENTENTAFEL | |
| H001 | Zundschloss | |
| I031 | KUPPLUNGSPEDALSCHALTER | - |
| I035 | Sicherheitsschalter am Bremspedal fur Cruise-Control | - |
| K036 | TEMPERATURGEBER/SENSOR MOTORKUHLFLUSSIGKEIT | |
| K041 | LUFTMENGENMESSER | |
| K046 | DREHZAHLSENSOR | |
| K055 | GASPEDALPOTENTIOMETER | - |
| K081 | SENSOR FUR KRAFTSTOFFTEMPERATUR | |
| K082 | LADEDRUCKSENSOR | - |
| K083 | SENSOR KRAFTSTOFFDRUCK | |
| K170 | REFERENZSENSOR ZYLINDER | |
| L015 | Elektroventil fur veranderliche Geometrie | - |
| L030 | AGR-VENTIL | |
| L036 | E-VENTIL VERANDERLICHE TURBINENGEOMETRIE | |
| L037 | WASTE-GATE-E-VENTIL | - |
| M001 | BODY COMPUTER | |
| M010 | MOTORELEKTRONIK | |
| M015 | GLUHUBERWACHER | - |
| M140 | ELEKTRONIK KONTROLLLEUCHTEN UND KILOMETERZAHLER (NSO) | - |
| N040 | ELEKTROKRAFTSTOFFPUMPE UND KRAFTSTOFFSTANDGEBER | |
| N070 | E-EINSPRITZDUSEN | |
| N077 | KRAFTSTOFFDRUCKREGLER | |
| O020 | Widerstand Dieselkraftstoffheizung | - |
| R010 | MEHRFACHDIAGNOSEVERBINDUNG | - |
Eine Steuerungselektronik uberwacht und regelt alle Motorparameter und optimiert Leistung und Verbrauch unter allen Betriebsbedingungen in Echtzeit.Der Dieselmotor ist mit einem Einspritzsystem “COMMON RAIL” ausgerustet.Es ist durch einen hohen Einspritzdruck gekennzeichnet, der elektronisch gesteuert wird.Die Kraftstoffzufuhrung, Piloteinspritzung genannt, wird anstelle einer Verwaltung durch die Einspritzpumpe durch die Elektronik uber die Einspritzduse optimiert.Aufgrund der Signale von zahlreichen Sensoren betatigt die Elektronik die an sie angeschlossenen Steller fur folgende Anlagen:
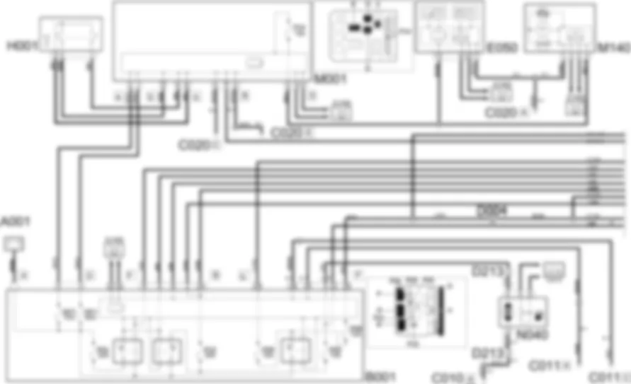
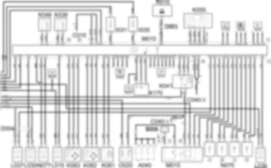
Die Motorelektronik M010 kontrolliert und regelt das gesamte elektronische System der Einspritzung und Zundung.Die Motorelektronik M010 wird (Pin L1 und M1 des Steckers B) uber die mit der Sicherung F01 im Verteiler im Motorraum B001 (Pin 5 des Steckers B) geschutzte Leitung direkt von der Batterie mit Strom versorgt und durch ein Relais angesteuert, das durch ein Betatigungssignal (Pin 9 des Steckers B von B001) erregt wird, das von M010 (Pin A2 des Steckers B) kommt.Die gleiche Stromversorgung liegt auch am Kraftstoffdruckregler N077 (Pin 2) und am E-Ventil fur die Drosselklappenregelung L036 (Pin 1).Die Stromversorgung hinter dem Zundschloss kommt an Pin C3 des Steckers A von M010 von der mit der Sicherung F09 in B001 geschutzten Leitung (Pin 19 des Steckers G).Das Hauptrelais der Einspritzung im Verteiler im Motorraum B001 kontrolliert das gesamte System: erregt wird es (Pin 8 des Steckers B) uber ein Betatigungssignal (Masse) von Pin C3 des Steckers B der Elektronik M010. Es versorgt daraufhin:- von Pin 5 des Steckers F uber die mit der Sicherung F05 geschutzte Leitung die Kraftstoffpumpe N040 (Pin 3),- von Pin 22 des Steckers F uber dieselbe Leitung das AGR-E-Ventil L030 (Pin 1) und das Waste-Gate-E-Ventil L037 (Pin 1),- von Pin 24 des Steckers B uber eine durch die Sicherung F10 geschutzte Leitung das Elektroventil fur veranderliche Ansaug-Geometrie L015 (Pin 1) und einen Teil der FAP-Anlage,- von Pin 2 des Steckers B uber dieselbe Leitung den Widerstand zur Dieselvorwarmung O020 (Pin 1),Die Kraftstoffpumpe N040 (Pin 5 und 6) ist mit den Bordinstrumenten verbunden.Die Stromversorgung hinter dem Zundschloss wird auch an den Luftmengenmesser K041 (Pin2), an den Gluhuberwacher M015 (Pin 3 des Steckers B) und an den Sicherheitsschalter fur das Cruise-Control I035 (Pin 1) am Bremspedal uber die mit der Sicherung F06 im Verteiler B001 (Pin 20 des Steckers F) geschutzte Leitung angelegt.Der Gluhuberwacher M015 (Pin 4 und 5 des Steckers B) ist mit Pin B1 und F1 des Steckers C von M010 verbunden.Die Motorelektronik M010 erhalt die Signale von den verschiedenen Sensoren und kontrolliert so alle Betriebsparameter des Motors.Der Drehzahlsensor K046 (Pin 1 und 2) liefert uber ein Frequenzsignal die Informationen uber die Motordrehzahl (Pin J1 bzw. K1 des Steckers B von M010).Der Motortemperatursensor K036 (Pin 1und 2) erhalt eine Bezugsmasse und liefert ein zur Temperatur der Motorkuhlflussigkeit proportionales Signal (Pin E1 bzw. D1 des Steckers B von M010).Der Ansaugluftdrucksensor K082 (Pin 1, 2 und 3) ist mit Pin B2, C4 bzw. D4 des Steckers B von M010 verbunden.Der Kraftstoffdrucksensor K083 (Pin 1, 2 und 3) ist mit Pin F1, G1 bzw. H1 des Steckers B von M010 verbunden.Der Kraftstofftemperatursensor K081 (Pin 1 und 2) liefert ein zur Temperatur proportionales Signal (Pin D2 und E2 des Steckers B von M010).Das E-Ventil fur die Drosselklappenregelung L036 (Pin 2) ist an Pin A4 des Steckers C von M010 angeschlossen.Der Zylinder-Referenzsensor K170 (Pin 1, 2 und 3) ist mit Pin H2, G2 bzw. F2 des Steckers B von M010 verbunden.Der Luftmengenmesser K041 (Pin 1, 6 und 5) ist mit Pin J3, G3 bzw. H3 des Steckers B von M010 verbunden.Das Gaspedal K055 (Pin 1, 2, 3 und 4) tragt zwei integrierte Potentiometer (ein Haupt- und ein Sicherheitspotentiometer) und ist mit den Pins G3, H3, C2 und G2 des Steckers A von M010 verbunden.Der Kupplungspedalschalter I031 (Pin 2) und der Sicherheitsschalter am Bremspedal I035 (Pin 2) sind mit den Pins E3 bzw. E4 des Steckers A von M010 verbunden.Der Schalter I031 (Pin 1) wird vom Knoten Body Computer M001 (Pin 9 des Steckers B) mit Strom versorgt.Der "redundante" Schalter I035 ist ein "Offner" (beim Drucken des Pedals offnet der Schalterkontakt): auf diese Weise uberpruft das System die Ubereinstimmung der Information "Pedal gedruckt".Die Elektronik M10 (Pins G1-H2, H4-H3, G4-G3 und H1-G2 des Steckers C) kontrolliert die Offnung der Einspritzdusen N070 (Pin 1 und 2).Der Kraftstoffdruckregler N077 (Pin 1) hat die Aufgabe, den Druck des Kraftstoffs im Kraftstoffverteilerrohr RAIL konstant zu halten. Er ist mit Pin L2 des Steckers B von M010 verbunden.Das AGR-E-Ventil L030 (Pin 2) kontrolliert die Abgasruckfuhrung und ist mit Pin A3 des Steckers B von M010 verbunden.Das E-Ventil zur Regelung des Ladedrucks L037 (Pin 2) kontrolliert den Druck am Ausgang des Turboladers und ist mit Pin B4 des Steckers C von M010 verbunden.Das Elektroventil fur veranderliche Ansaug-Geometrie L015 (Pin 2) regelt die Luftansaugkanale des Motors und ist mit Pin B4 des Steckers B von M010 verbunden.Die Elektronik M010 ist (Pin A3 und A4 des Steckers A) uber das CAN-Netz mit dem Knoten Body-Computer M001 (Pin 8 und 10 des Steckers D), der Instrumententafel E050 (Pin 6 und 12), der Elektronik Kontrollleuchten und Kilometerzahler M140 (Pin 2 und 5) und dem Verteiler im Motorraum B001 (Pin 11 und 12 des Steckers F) verbunden.Das Auslesen der Eigendiagnosedaten der Elektronik M010 (Pin B4 des Steckers A) kann durch Anschluss an den Stecker R010 (Pin 7) erfolgen.Die Elektronik M010 (Pin F2, H2 und F4 des Steckers A) ist mit der Klimaanlage verbunden: auf diese Weise wird das Ein- bzw. Ausschalten des Klimakompressors abhangig von der Motordrehzahl geregelt.- an Pin B2, C4 und D4 des Steckers A mit der Motorkuhlung,- an Pin H2, E3, D3, F3, M3, B3, A4 und C2 des Steckers B mit der FAP-Anlage,- an Pin K3, F4, E4 und H4 des Steckers B mit der Cruise-Control-Anlage,
| Bauteil-Nr. | Bezeichnung | Bezug zur Baugruppe |
| A001 | BATTERIE | |
| A040 | GLUHKERZEN | |
| B001 | VERTEILER IM MOTORRAUM | |
| B6 | GROSS-SICHERUNGSKASTEN 2 | - |
| C010 | MASSE VORNE LINKS | - |
| C011 | MASSE VORNE RECHTS | - |
| C020 | MASSE ARMATURENBRETT BEIFAHRERSEITE | - |
| C040 | MASSE AM MOTOR | - |
| D001 | VERBINDUNG VORNE/ARMATURENBRETT | - |
| D004 | VERBINDUNG VORNE / MOTOR | - |
| D213 | VERBINDUNG KRAFTSTOFFBEHALTER | - |
| E050 | INSTRUMENTENTAFEL | |
| H001 | Zundschloss | |
| I031 | KUPPLUNGSPEDALSCHALTER | - |
| I035 | Sicherheitsschalter am Bremspedal fur Cruise-Control | - |
| K036 | TEMPERATURGEBER/SENSOR MOTORKUHLFLUSSIGKEIT | |
| K041 | LUFTMENGENMESSER | |
| K046 | DREHZAHLSENSOR | |
| K055 | GASPEDALPOTENTIOMETER | - |
| K081 | SENSOR FUR KRAFTSTOFFTEMPERATUR | |
| K082 | LADEDRUCKSENSOR | - |
| K083 | SENSOR KRAFTSTOFFDRUCK | |
| K170 | REFERENZSENSOR ZYLINDER | |
| L015 | Elektroventil fur veranderliche Geometrie | - |
| L030 | AGR-VENTIL | |
| L036 | E-VENTIL VERANDERLICHE TURBINENGEOMETRIE | |
| L037 | WASTE-GATE-E-VENTIL | - |
| M001 | BODY COMPUTER | |
| M010 | MOTORELEKTRONIK | |
| M015 | GLUHUBERWACHER | - |
| M140 | ELEKTRONIK KONTROLLLEUCHTEN UND KILOMETERZAHLER (NSO) | - |
| N040 | ELEKTROKRAFTSTOFFPUMPE UND KRAFTSTOFFSTANDGEBER | |
| N070 | E-EINSPRITZDUSEN | |
| N077 | KRAFTSTOFFDRUCKREGLER | |
| O020 | Widerstand Dieselkraftstoffheizung | - |
| R010 | MEHRFACHDIAGNOSEVERBINDUNG | - |

































