Bauteile - STROMVERSORGUNG - Fiat ULYSSE 2.0 16V JTD fino a 04/03
| Bauteil-Nr. | Bezeichnung | Bezug zur Baugruppe |
| A001 | BATTERIE | |
| B001 | VERTEILER IM MOTORRAUM | |
| B005 | GRO?SICHERUNGSKASTEN | - |
| B098 | ZUSATZVERTEILER | - |
| C001 | BATTERIEMASSE | - |
| H001 | Zundschloss | |
| I030 | BREMSPEDALSCHALTER | |
| M001 | BODY COMPUTER |
Die elektrische Anlage wurde unter Beachtung der jungsten Sicherheits- und Schutzrichtlinien, vor allem in Bezug auf den Brandschutz, entwickelt und ausgefuhrt. Elektrische Fehlfunktionen werden nicht zuletzt durch den Einsatz modernster Steckverbinder weitgehend ausgeschlossen.Die Leistungsverteilung erfolgt durch die Verteiler und/oder Sicherungskasten, die mit den Steuergeraten (Relais und statische Steller) verbunden sind, so dass ein Maximum an elektrischem Schutz und ein Minimum an Verkabelung erreicht werden.Wichtigste Sicherheitslosungen:- Geschutzte Stromversorgung mit Gro?sicherungen fur die Unterbrechung der elektrischen Anlage bei Kurzschluss: sie befinden sich direkt hinter der Batterie,- Das Layout der gesamten Anlage wurde durch die Reduzierung des Beschadigungsrisikos bei Storung oder Unfall verbessert,- Die Verkabelung wurde optimiert, wobei Gerausche durch falsche Verlegung und Vibrationen vermieden werden,- Alle Kabel sind hochfest gegen Reibung,- Im Motorraum sind die Kabel hitzeresistent und au?erdem durch Abdeckungen oder Leitungen geschutzt,- Die Anschlusse sind mit einer Vorrichtung gegen Herausfallen der Kabelschuhe (secondary lock) und einer Sicherung (lever lock) gegen Verformung der Kabelschuhe ausgestattetAlle Systeme und elektrischen Anlagen werden von der Batterie mit 12 V versorgt.Die Batterie wird bei laufendem Motor vom DS-Generator nachgeladen.Einige Versorgungsleitungen sind durch Gro?sicherungen ("MAXIFUSE") abgesichert. Diese Sicherungen befinden sich in einem Kasten neben der Batterie und werden direkt von ihr versorgt.Andere Sicherungen befinden sich in einem Zusatzsicherungskasten in der Nahe der "MAXIFUSE"-Sicherungen.Die anderen Sicherungen sowie die verschiedenen Betatigungsrelais befinden sich im Verteiler im Motorraum und direkt im Body Computer.Einige Stromkreise erhalten standig Strom, auch bei stehendem Motor und abgezogenem Zundschlussel.Andere Stromkreise erhalten Strom, wenn der Zundschlussel wie folgt gedreht wird:- in der 1. Stellung M (Fahren) werden zahlreiche Stromkreise versorgt. Sie werden als "hinter dem Zundschloss" bezeichnet.- in der 2. Stellung - Stellung D - erhalt der Anlasser Strom.767 Die Leitungen zu den verschiedenen Verbrauchern erscheinen in den Schaltplanen der betreffenden Funktionen und Anlagen. In diesem allgemeinen Hauptschaltplan erscheinen alle Leitungen, die an die Batterie bzw. am Gro?sicherungsgehause angeschlossen sind, wahrend fur die Einzelheiten auf die einzelnen Schaltplane verwiesen wird.
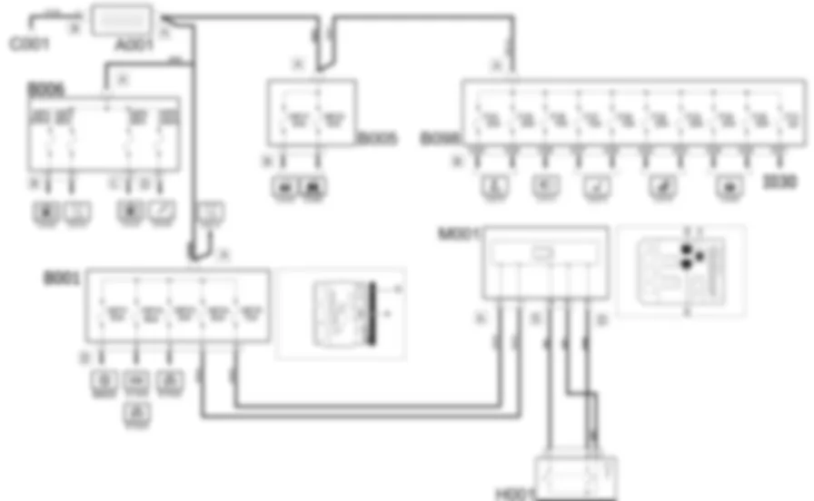
Alle elektrischen Systeme und Anlagen erhalten Strom von der Batterie A001.Die unterschiedlichen Stromversorgungen zu den verschiedenen Vorrichtungen werden uber den Verteiler im Motorraum B001 und den Knoten Body Computer M001 verwaltet.Im Verteiler im Motorraum B001 befinden sich einige Gro?sicherungen (MAXIFUSE):- MF01 (Pin 1 des Steckers D) zur Stromversorgung der Klimaanlagenelektronik,- MF02 (Pin 2 des Steckers D) zur Stromversorgung der ABS/ESP-Elektronik,- MF03 (Pin 3 des Steckers D) zur Stromversorgung der ESP-Elektronik,- MF04 und MF05 (Pin 4 und 5 des Steckers D) zur Versorgung des Knotens Body Computer M001 (Pin 1 bzw. 2 des Steckers A).Einige Leitungen optionaler Anlagen sind durch "MAXIFUSE"-Sicherungen geschutzt, die sich im Verteiler B005 neben der Batterie befinden und direkt von ihr verbunden sind:- MF01 (Pin 1 des Steckers B) zur Stromversorgung der Zentralverriegelung,- MF02 (Pin 2 des Steckers B) zur Stromversorgung der seitlichen Schiebeturen.Es ist auch ein zusatzliches Maxisicherungsgehause B006 vorhanden:- MF1 und MF4 (Pin 1 des Steckers B und Pin 2 des Steckers C) versorgen die Motor-Kuhlerventilatoren,- MF3 (Pin 2 des Steckers B) zur Stromversorgung der Anlasseranlage,- MF6 (Pin 2 des Steckers D) zur Stromversorgung der elektronischen Motorverwaltung.Andere Sicherungen befinden sich in einem Zusatzsicherungskasten B098:- F40 und F39 (Pin G40 und G39 des Steckers B) versorgen die Stromkreise der Stromsteckdosen,- F38 (Pin G38 des Steckers B) zur Stromversorgung der Fernlichtanlage,- F37 und F36 (Pin G37 und G36 des Steckers B) versorgen die Stromkreise der Sitzheizungen,- F32 und F33 (Pin G32 und G33 des Steckers B) versorgen die Stromkreise der Sitzverstellungen,- F34 und F35 (Pin G34 und G35 des Steckers B) versorgen die Stromkreise fur die Schiebedacher,- F31 (Pin G31) liefert das Leistungssignal zum Bremspedal I030.Und schlie?lich ist das Zundschloss H001 (Pin 3, 1 und 2) mit dem Knoten Body Computer M001 verbunden (Pin 6 und 4 des Steckers G bzw. Pin 5 des Steckers D).
| Bauteil-Nr. | Bezeichnung | Bezug zur Baugruppe |
| A001 | BATTERIE | |
| B001 | VERTEILER IM MOTORRAUM | |
| B005 | GRO?SICHERUNGSKASTEN | - |
| B098 | ZUSATZVERTEILER | - |
| C001 | BATTERIEMASSE | - |
| H001 | Zundschloss | |
| I030 | BREMSPEDALSCHALTER | |
| M001 | BODY COMPUTER |


















