Bauteile - NAVIGATOR - Fiat ULYSSE 2.2 16V JTD fino a 04/03
| Bauteil-Nr. | Bezeichnung | Bezug zur Baugruppe |
| B001 | VERTEILER IM MOTORRAUM | |
| C020 | MASSE ARMATURENBRETT BEIFAHRERSEITE | - |
| C022 | Masse Armaturenbrett Mitte | - |
| D020 | VERBINDUNG ARMATURENBRETT / HINTEN | - |
| D030 | VERBINDUNG FAHRERTUR | - |
| D031 | VERBINDUNG BEIFAHRERTUR | - |
| D042 | VERBINDUNG DECKENLEUCHTEN | - |
| D055 | Verbindung Armaturenbrett / TV | - |
| E050 | INSTRUMENTENTAFEL | |
| M001 | BODY COMPUTER | |
| M140 | ELEKTRONIK KONTROLLLEUCHTEN UND KILOMETERZAHLER (NSO) | - |
| M160 | CONNECT-BEDIENTASTEN | - |
| M172 | KNOTEN MULTIFUNKTIONSBILDSCHIRM | - |
| N160 | E-VENTILATOR CONNECT-KUHLUNG | |
| P020 | AUTORADIO | - |
| P022 | KONTROLLSTEUERUNG ANTENNE UND HECKSCHEIBENHEIZUNG | - |
| P025 | STROMVERSORGUNG / ANTENNENVERSTARKER | - |
| P027 | TELEFONMIKROFON | - |
| P035 | TURLAUTSPRECHER VORNE LINKS | |
| P036 | TURLAUTSPRECHER VORNE RECHTS | |
| P045 | HOCHTONER FAHRERSEITE | |
| P046 | HOCHTONER BEIFAHRERSEITE | |
| P047 | HOCHTONER HINTEN LINKS | |
| P048 | HOCHTONER HINTEN RECHTS | |
| P075 | CD-WECHSLEREINHEIT | - |
| P110 | GPS/GSM-ANTENNE | |
| P120 | LAUTSPRECHER SEITLICH HINTEN LINKS | - |
| P121 | LAUTSPRECHER SEITLICH HINTEN RECHTS | - |
Das Fahrzeug ist fur den Einbau einer "Connect Nav"-Anlage vorbereitet: es handelt sich um ein integriertes Autoradio mit CONNECT und einem Navigator nach Karten.Die Telefonanlage sieht vor:- in das Autoradio integriertes GSM-Modul + SIM-Kartenleser,- in das Autoradio integriertes Navigatormodul (nach Karten),- Freisprechfunktion durch die Radiolautsprecher,- Mikrofon in der vorderen Deckenleuchte,- externe GPS/GSM-Antenne.Die Navigationsanlage ermoglicht zu jedem Zeitpunkt die Anzeige des Fahrzeugstandortes innerhalb des Stra?ennetzes. So kann der Fahrer Schritt fur Schritt durch gesprochene und angezeigte Meldungen zum gewunschten Fahrtziel gefuhrt werden. Das System liefert au?erdem Zusatzinformationen zu allgemeinen Dienstleistungen: Hotels, Parkhauser, Restaurants, Apotheken, Tankstellen, Krankenhauser, autorisierte Service-Werkstatten, Bahnhofe, Flugplatze usw.Die Navigationsanlage arbeitet mit Satelliten-Technologie GPS (Global Position System) mit Hilfe einer Antenne, die eine Lokalisierung des Fahrzeugs ermoglicht: die Antenne ist mit dem Empfanger in der Baugruppe uber ein geeignetes abgeschirmtes Kabel verbunden. Die Antenne ist im hinteren Bereich des Daches eingebaut und besitzt zwei Funktionen (GSM/GPS): integrierte GSM-Antenne, wenn auch das CONNECT-System vorgesehen ist.Die Position des Fahrzeugs wird durch die Analyse der GPS-Daten, der Tachometersignale und des Ruckwartsgangs bestimmt.Der CD-Leser fur den Navigator sitzt in der Baugruppe Radio.768 Der Navigator arbeitet nur, wenn die CD-ROM sich im Laufwerk befindet. Auch eine Musik-CD kann wahrend der Navigation gespielt werden. In diesem Fall erfordert die Navigation, dass die Karten-CD-ROM fur die Berechnung der Strecke eingelegt wird. Die wichtigsten Radiobedienelemente befinden sich nochmals am Lenkrad, damit der Fahrer das Radio bedienen kann, ohne die Hande vom Lenkrad zu nehmen.Die speziellen Bedienungen fur die CONNECT-Funktion sind in einem entsprechenden Bediengriff zusammengefasst, der sich in der Mitte des Armaturenbretts neben den Klimabedienungen befindet.Ein Lufter stellt den erforderlichen Luftaustausch im Bereich des Autoradios sicher und verhindert so Uberhitzungen.In dieser Version hat der Multifunktionsbildschirm ein DT-Farbdisplay mit 7" im 16:9-Format.Das CONNECT-Autoradio wird wie ein Knoten des CAN-Netzes behandelt und ist mit dem Body Computer, der Instrumententafel und dem Multifunktionsbildschirm verbunden, wo die Informationen bezuglich des Radios angezeigt werden.Ein CD-Wechsler nimmt bis zu 6 CDs auf, die mit den Radiobedienungen ausgewahlt werden konnen. Der CD-Wechsler befindet sich im Ablagefach.In dieser Version ist auch eine Audio/Video-Buchse vorhanden, die sich im Handschuhfach befindet und fur den Anschluss einer externen Videokamera an das Connect-System genutzt werden kann, so dass Bilder auf dem Bildschirm der Anlage angezeigt werden konnen.Je nach Ausstattung werden au?erdem geliefert:- Autoradio mit CD-Leser;- Einrichtung "CONNECT NAV" (mit Navigation durch Symbole),- Einrichtung "CONNECT NAV+" (mit Navigation durch Karten), wie zuvor beschrieben.Alle Einzelheiten mit Funktionsbeschreibung des Autoradios enthalt die "BETRIEBS- UND WARTUNGSANLEITUNG" .
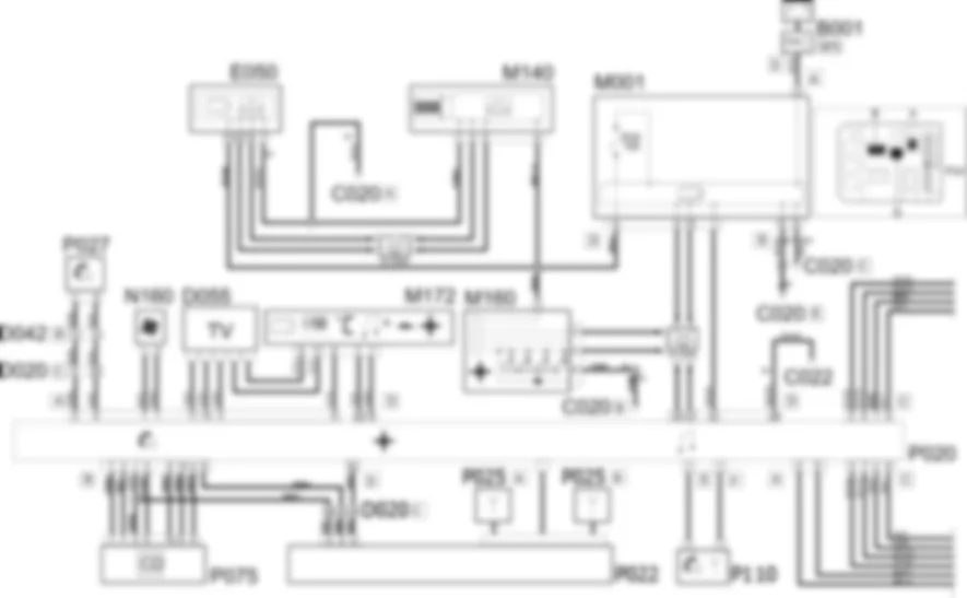
Das Autoradio Connect P020:- erhat die Stromversorgung (Pin 12 Stecker D) vom Knoten Body Computer M001 (Pin 1 Stecker D).- ist (uber Pin 10 und 13 Stecker D) uber CAN mit dem Knoten Kontrolleuchten- und Hodometersteuerung M140 (Pin 2 und 5), der Instrumententafel E050 (Pin 6 und 12), dem Knoten Body Computer M001 (Pin 8 und 10 Stecker D) und des Tastenfeldes M160 (Pin 2 und 4) zusammengeschaltet;- ist (pin 3 und 9 Stecker A) am Mikophon P027 (Pin 1 und 3) angeschlossen;- versorgt (Pin 7 und 1 Stecker A) den externen E-Lufter N160 (Pin 1 und 3).- ist (Pin 1 Stecker E und Pin 1 Stecker F) an der Antenne GPS/GSM P110 (Pin 1) angeschlossen;- ist (von Pin 7, 2, 1, 3, 8, 10 4 Stecker B) am CD-Lader P075 (Pin 1, 7, 3, 9, 10, 6, 5) angeschlossen;- ist (Pin 1, 5 Stecker B und Pin 3 Stecker D) an der KOntrollsteuerung der Antenne und der Heckscheibenheizung P022 (PIn 3, 2, 1) angeschlossen;- ist (PIn 9, 15 Stecker D und Pin 6 Stecker A) am farbigen Mehrfunktionsdisplay M172 (PIn 1, 7, 2) angeschlossen;- ist (PIn 4, 10, 11 Stecker A) am Audio-Video-Stecker D055 angeschlossen.Auch das Mehrfunktionsdisplay M172 ist uber Pin 11 und 5 am Audio-Video-Stecker D055 angeschlossen.Uber den Stecker C ist das Connect-Autoradio P020 mit den verschiedenen Lautsprechern im Fahrzeug verbunden:- von den Pins 1 und 5 zu den Lautsprechern P048 (Hochtoner hinten rechts) und P121 (Lautsprecher hinten rechts),- von den Pins 2 und 6 zu den Lautsprechern P036 (Lautsprecher an der rechten Vordertur) und P046 (Hochtoner vorne rechts),- von den Pins 3 und 7 zu den Lautsprechern P035 (Lautsprecher an der linken Vordertur) und P045 (Hochtoner vorne links),- von den Pins 4 und 8 zu den Lautsprechern P047 (Hochtoner hinten links) und P120 (Lautsprecher hinten links am Seitenteil).Die Pins 2 und 8 des Steckers A sind mit den Lautsprechern P035 und P045 verbunden, die auch fur die Betriebsart "Freisprechen" des Telefons verwendet werden.Die Radio/GSM-Antenne P111 ist mit dem Stecker E von P020 verbunden.Uber den Knoten Lenkrad M093 konnen einige Funktionen des Autoradios uber die Bedienungen am Lenkrad betatigt werden. Die Informationen dazu werden vom Knoten Lenkrad M093 an den Knoten Body Computer uber das CAN-Netz geschickt, das die beiden Elektroniken verbindet.
| Bauteil-Nr. | Bezeichnung | Bezug zur Baugruppe |
| B001 | VERTEILER IM MOTORRAUM | |
| C020 | MASSE ARMATURENBRETT BEIFAHRERSEITE | - |
| C022 | Masse Armaturenbrett Mitte | - |
| D020 | VERBINDUNG ARMATURENBRETT / HINTEN | - |
| D030 | VERBINDUNG FAHRERTUR | - |
| D031 | VERBINDUNG BEIFAHRERTUR | - |
| D042 | VERBINDUNG DECKENLEUCHTEN | - |
| D055 | Verbindung Armaturenbrett / TV | - |
| E050 | INSTRUMENTENTAFEL | |
| M001 | BODY COMPUTER | |
| M140 | ELEKTRONIK KONTROLLLEUCHTEN UND KILOMETERZAHLER (NSO) | - |
| M160 | CONNECT-BEDIENTASTEN | - |
| M172 | KNOTEN MULTIFUNKTIONSBILDSCHIRM | - |
| N160 | E-VENTILATOR CONNECT-KUHLUNG | |
| P020 | AUTORADIO | - |
| P022 | KONTROLLSTEUERUNG ANTENNE UND HECKSCHEIBENHEIZUNG | - |
| P025 | STROMVERSORGUNG / ANTENNENVERSTARKER | - |
| P027 | TELEFONMIKROFON | - |
| P035 | TURLAUTSPRECHER VORNE LINKS | |
| P036 | TURLAUTSPRECHER VORNE RECHTS | |
| P045 | HOCHTONER FAHRERSEITE | |
| P046 | HOCHTONER BEIFAHRERSEITE | |
| P047 | HOCHTONER HINTEN LINKS | |
| P048 | HOCHTONER HINTEN RECHTS | |
| P075 | CD-WECHSLEREINHEIT | - |
| P110 | GPS/GSM-ANTENNE | |
| P120 | LAUTSPRECHER SEITLICH HINTEN LINKS | - |
| P121 | LAUTSPRECHER SEITLICH HINTEN RECHTS | - |

































