Bauteile - CONNECT - Fiat ULYSSE 2.2 16V JTD fino a 04/03
| Bauteil-Nr. | Bezeichnung | Bezug zur Baugruppe |
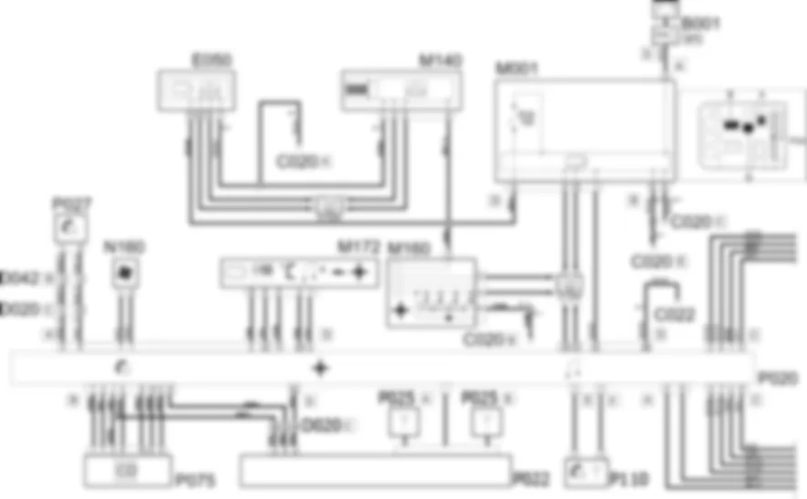
| B001 | VERTEILER IM MOTORRAUM | |
| C020 | MASSE ARMATURENBRETT BEIFAHRERSEITE | - |
| C022 | Masse Armaturenbrett Mitte | - |
| D020 | VERBINDUNG ARMATURENBRETT / HINTEN | - |
| D030 | VERBINDUNG FAHRERTUR | - |
| D031 | VERBINDUNG BEIFAHRERTUR | - |
| D042 | VERBINDUNG DECKENLEUCHTEN | - |
| E050 | INSTRUMENTENTAFEL | |
| M001 | BODY COMPUTER | |
| M140 | ELEKTRONIK KONTROLLLEUCHTEN UND KILOMETERZAHLER (NSO) | - |
| M160 | CONNECT-BEDIENTASTEN | - |
| M172 | KNOTEN MULTIFUNKTIONSBILDSCHIRM | - |
| N160 | E-VENTILATOR CONNECT-KUHLUNG | |
| P020 | AUTORADIO | - |
| P022 | KONTROLLSTEUERUNG ANTENNE UND HECKSCHEIBENHEIZUNG | - |
| P025 | STROMVERSORGUNG / ANTENNENVERSTARKER | - |
| P027 | TELEFONMIKROFON | - |
| P035 | TURLAUTSPRECHER VORNE LINKS | |
| P036 | TURLAUTSPRECHER VORNE RECHTS | |
| P045 | HOCHTONER FAHRERSEITE | |
| P046 | HOCHTONER BEIFAHRERSEITE | |
| P047 | HOCHTONER HINTEN LINKS | |
| P048 | HOCHTONER HINTEN RECHTS | |
| P075 | CD-WECHSLEREINHEIT | - |
| P110 | GPS/GSM-ANTENNE | |
| P120 | LAUTSPRECHER SEITLICH HINTEN LINKS | - |
| P121 | LAUTSPRECHER SEITLICH HINTEN RECHTS | - |
Das Fahrzeug ist fur den Einbau einer "Connect Nav"-Anlage vorbereitet: Es handelt sich um ein integriertes Autoradio mit CONNECT und einem Navigator nach Karten.Die Telefonanlage sieht vor:- in das Autoradio integriertes GSM-Modul + SIM-Kartenleser,- in das Autoradio integriertes Navigatormodul (nach Karten),- Freisprechfunktion durch die Radiolautsprecher,- Mikrofon in der vorderen Deckenleuchte,- externe GSM/GPS-Antenne.Die Navigationsanlage ermoglicht zu jedem Zeitpunkt die Anzeige des Fahrzeugstandortes innerhalb des Stra?ennetzes. So kann der Fahrer Schritt fur Schritt durch gesprochene und angezeigte Meldungen zum gewunschten Fahrtziel gefuhrt werden. Das System liefert au?erdem Zusatzinformationen zu allgemeinen Dienstleistungen: Hotels, Parkhauser, Restaurants, Apotheken, Tankstellen, Krankenhauser, autorisierte Service-Werkstatten, Bahnhofe, Flugplatze usw.Die Navigationsanlage arbeitet mit Satelliten-Technologie GPS (Global Positioning System) mit Hilfe einer Antenne, die eine Lokalisierung des Fahrzeugs ermoglicht: Die Antenne ist mit dem Empfanger in der Baugruppe uber ein geeignetes abgeschirmtes Kabel verbunden. Die Antenne befindet sich auf dem hinteren Teil des Dachs mit Doppelfunktion (GSM/GPS): Sie enthalt die GSM-Antenne, wenn auch das CONNECT-System vorgesehen ist.Die Position des Fahrzeugs wird durch die Analyse der GPS-Daten, der Signale des Tachometers und des Ruckwartsgangs bestimmt.Der CD-ROM-Leser fur den Navigator sitzt in der Baugruppe Radio.768 Der Navigator arbeitet nur, wenn die CD-ROM sich im Laufwerk befindet. Es kann aber auch eine Musik-CD wahrend der Navigation abgespielt werden. In diesem Fall erfordert die Navigationsfunktion, dass die Karten-CD-ROM fur die Berechnung der Strecke eingelegt wird. Die wichtigsten Radiobedienelemente befinden sich auch am Lenkrad, damit der Fahrer das Radio bedienen kann, ohne die Hande vom Lenkrad zu nehmen.Die speziellen Bedienungen fur die CONNECT-Funktion sind in einem entsprechenden Bediengriff zusammengefasst, der sich in der Mitte des Armaturenbretts neben den Klimabedienungen befindet.Ein Lufter stellt den erforderlichen Luftaustausch im Bereich des Autoradios sicher und verhindert so Uberhitzungen.Das CONNECT-Autoradio wird wie ein Knoten des CAN-Netzes behandelt und ist mit dem Body Computer, der Instrumententafel und dem Multifunktionsbildschirm verbunden, wo die Informationen bezuglich des Radios angezeigt werden.Ein geeigneter CD-Wechsler nimmt bis zu 6 CDs auf, die mit den Radiobedienungen ausgewahlt werden konnen. Der CD-Wechsler befindet sich im Handschuhfach.Je nach Ausstattung werden au?erdem geliefert:- Autoradio mit CD-Spieler,- Einrichtung "CONNECT NAV" (mit Navigation durch Symbole), wie zuvor beschrieben,- Einrichtung "CONNECT NAV +" (mit Navigation durch Karten).Alle Einzelheiten mit Funktionsbeschreibung des Autoradios enthalt die "BETRIEBS- UND WARTUNGSANLEITUNG" .
Das Connect-Autoradio P020:- erhalt die Stromversorgung (Pin 12 des Steckers D) vom Knoten Body Computer M001 (Pin 1 des Steckers D),- ist (uber Pin 10 und 13 des Steckers D) uber das CAN-Netz mit dem Knoten Elektronik Kontrollleuchten und Kilometerzahler M140 (Pin 2 und 5), der Instrumententafel E050 (Pin 6 und 12), dem Knoten Body Computer M001 (Pin 8 und 10 des Steckers D) und den Bedientasten M160 (Pin 2 und 4) zusammengeschaltet,- ist (an Pin 3 und 9 des Steckers A) mit dem Mikrofon P027 (Pin 1 bzw. 3) verbunden,- versorgt (uber Pin 7 und 1 des Steckers A) den Au?enlufter N160 (Pin 1 bzw. 3),- ist (uber Pin 1 des Steckers E und Pin 1 des Steckers F) mit der GPS/GSM-Antenne P110 (Pin 1) verbunden,- ist (uber Pin 7, 2, 1, 3, 8, 10 und 4 des Steckers B) mit dem CD-Wechsler P075 (Pin 1, 7, 3, 9, 10, 6 bzw. 5) verbunden,- ist (uber Pin 1 und 5 des Steckers B und Pin 11 des Steckers D) mit der Steuerelektronik der Antenne und der Heckscheibe P022 (Pin 3, 2 bzw. 1) verbunden,- ist (uber Pin 1 und 15 des Steckers D und Pin 6, 12 und 5 des Steckers A) mit dem Multifunktionsfarbbildschirm M172 (Pin 1, 2, 3, 4 bzw. 6) verbunden.Uber den Stecker C ist das Connect-Autoradio P020 mit den verschiedenen Lautsprechern im Fahrzeug verbunden:- von den Pins 1 und 5 zu den Lautsprechern P048 (Hochtoner hinten rechts) und P121 (Lautsprecher hinten rechts),- von den Pins 2 und 6 zu den Lautsprechern P036 (Lautsprecher an der rechten Vordertur) und P046 (Hochtoner vorne rechts),- von den Pins 3 und 7 zu den Lautsprechern P035 (Lautsprecher an der linken Vordertur) und P045 (Hochtoner vorne links),- von den Pins 4 und 8 zu den Lautsprechern P047 (Hochtoner hinten links) und P120 (Lautsprecher hinten links am Seitenteil).Die Pins 2 und 8 des Steckers A sind mit den Lautsprechern P035 und P045 verbunden, die auch fur die Betriebsart "Freisprechen" des Telefons verwendet werden.
| Bauteil-Nr. | Bezeichnung | Bezug zur Baugruppe |
| B001 | VERTEILER IM MOTORRAUM | |
| C020 | MASSE ARMATURENBRETT BEIFAHRERSEITE | - |
| C022 | Masse Armaturenbrett Mitte | - |
| D020 | VERBINDUNG ARMATURENBRETT / HINTEN | - |
| D030 | VERBINDUNG FAHRERTUR | - |
| D031 | VERBINDUNG BEIFAHRERTUR | - |
| D042 | VERBINDUNG DECKENLEUCHTEN | - |
| E050 | INSTRUMENTENTAFEL | |
| M001 | BODY COMPUTER | |
| M140 | ELEKTRONIK KONTROLLLEUCHTEN UND KILOMETERZAHLER (NSO) | - |
| M160 | CONNECT-BEDIENTASTEN | - |
| M172 | KNOTEN MULTIFUNKTIONSBILDSCHIRM | - |
| N160 | E-VENTILATOR CONNECT-KUHLUNG | |
| P020 | AUTORADIO | - |
| P022 | KONTROLLSTEUERUNG ANTENNE UND HECKSCHEIBENHEIZUNG | - |
| P025 | STROMVERSORGUNG / ANTENNENVERSTARKER | - |
| P027 | TELEFONMIKROFON | - |
| P035 | TURLAUTSPRECHER VORNE LINKS | |
| P036 | TURLAUTSPRECHER VORNE RECHTS | |
| P045 | HOCHTONER FAHRERSEITE | |
| P046 | HOCHTONER BEIFAHRERSEITE | |
| P047 | HOCHTONER HINTEN LINKS | |
| P048 | HOCHTONER HINTEN RECHTS | |
| P075 | CD-WECHSLEREINHEIT | - |
| P110 | GPS/GSM-ANTENNE | |
| P120 | LAUTSPRECHER SEITLICH HINTEN LINKS | - |
| P121 | LAUTSPRECHER SEITLICH HINTEN RECHTS | - |

































