Bauteile - ELEKTRONISCHE STEUERUNG DIESELMOTOREN - Fiat ULYSSE 2.2 16V JTD fino a 04/03
| Bauteil-Nr. | Bezeichnung | Bezug zur Baugruppe |
| A001 | BATTERIE | - |
| A040 | GLUHKERZEN | |
| B001 | VERTEILER IM MOTORRAUM | |
| B6 | GROSS-SICHERUNGSKASTEN 2 | |
| C010 | MASSE VORNE LINKS | - |
| C011 | MASSE VORNE RECHTS | - |
| C020 | MASSE ARMATURENBRETT BEIFAHRERSEITE | - |
| C040 | MASSE AM MOTOR | - |
| D001 | VERBINDUNG VORNE/ARMATURENBRETT | - |
| D004 | VERBINDUNG VORNE / MOTOR | - |
| D213 | VERBINDUNG KRAFTSTOFFBEHALTER | - |
| E050 | INSTRUMENTENTAFEL | |
| H001 | Zundschloss | |
| I031 | KUPPLUNGSPEDALSCHALTER | - |
| I035 | Sicherheitsschalter am Bremspedal fur Cruise-Control | - |
| K036 | TEMPERATURGEBER/SENSOR MOTORKUHLFLUSSIGKEIT | |
| K041 | LUFTMENGENMESSER | |
| K046 | DREHZAHLSENSOR | |
| K055 | GASPEDALPOTENTIOMETER | - |
| K081 | SENSOR FUR KRAFTSTOFFTEMPERATUR | |
| K082 | LADEDRUCKSENSOR | - |
| K083 | SENSOR KRAFTSTOFFDRUCK | |
| K170 | REFERENZSENSOR ZYLINDER | |
| L015 | Elektroventil fur veranderliche Geometrie | - |
| L030 | AGR-VENTIL | |
| L036 | E-VENTIL VERANDERLICHE TURBINENGEOMETRIE | |
| L037 | WASTE-GATE-E-VENTIL | - |
| M001 | BODY COMPUTER | |
| M010 | MOTORELEKTRONIK | |
| M015 | GLUHUBERWACHER | - |
| M140 | ELEKTRONIK KONTROLLLEUCHTEN UND KILOMETERZAHLER (NSO) | - |
| N040 | ELEKTROKRAFTSTOFFPUMPE UND KRAFTSTOFFSTANDGEBER | |
| N070 | E-EINSPRITZDUSEN | |
| N077 | KRAFTSTOFFDRUCKREGLER | |
| O020 | Widerstand Dieselkraftstoffheizung | - |
| R010 | MEHRFACHDIAGNOSEVERBINDUNG | - |
Eine Steuerungselektronik uberwacht und regelt alle Motorparameter und optimiert Leistung und Verbrauch unter allen Betriebsbedingungen in Echtzeit.Der Dieselmotor ist mit einem Einspritzsystem “COMMON RAIL” ausgerustet.Es ist durch einen hohen Einspritzdruck gekennzeichnet, der elektronisch gesteuert wird.Die Kraftstoffforderung, bei der ein kleiner Teil des Kraftstoffs vorher in den Zylinder eingespritzt wird (Pilot-Einspritzung), wird durch das elektronische Steuergerat uber den Injektor optimiert und nicht durch die Pumpe gesteuert.Aufgrund der Signale von zahlreichen Sensoren betatigt die Elektronik die an sie angeschlossenen Steller fur folgende Anlagen:
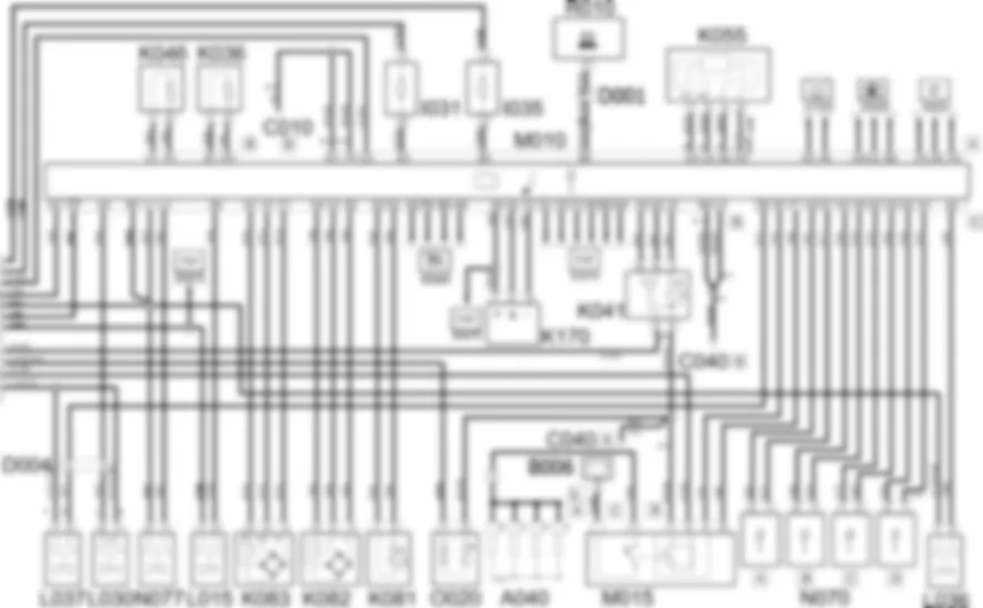
Die Motorelektronik M010 kontrolliert und regelt das gesamte elektronische System der Einspritzung und Zundung.Die Steuerung M010 wird direkt von der Batterie (Pin L1 und M1 Stecker B) uber die Leitung mit Sicherung F01 im Verteiler im Motorraum B001 (Pin 5 Stecker B) mit Strom versorgt und wird vom Relais gesteurt, das von einem Signal aus M010 (Pin A2 Stecker B) erregt wird (Pin 9 Stecker B in B001).Die gleiche Stromversorgung liegt auch am Kraftstoffdruckregler N077 (Pin 2) und am E-Ventil fur die Drosselklappenregelung L036 (Pin 1).Die Versorgung unter Schlussel erreicht C3 Stecker A in M010 uber die Leitung mit Sicherung F09 in B001 (Pin 19 Stecker G).Das Hauptrelais der Einspritzung im Verteiler im Motorraum B001 kontrolliert das gesamte System: dieses wird (Pin 8 Stecker B) von einem Steuersignal (Masse) aus der Motorkontrollsteuerung M010 (Pin C3 Stecker B) erregt, und versorgt folgendes:- von Pin 5 Stecker F uber die Leitung mit Sicherung F05, die Kraftstoffpumpe N040 (Pin 3);- von Pin 22 Stecker F uber die selbe Leitung, das AGR-Ventil L030 (Pin 1) und das Waste-Gate-Ventil L037 (Pin 1);- von Pin 24 Stecker B uber die Leitung mit Sicherung F10, das E-Steuerventil der variablen Geometrie der Ansaugung L015 (Pin 1) und Teil des FAP-Systems;- von Pin 2 Stecker B uber die selbe Leitung den Gluhwiderstand des Dieselkraftstoffes O020 (Pin 1);Die Kraftstoffpumpe N040 (Pin 5 und 6) ist mit den Bordinstrumenten verbunden.Die Versorgung unter Schlussel wird von der Steuerung B001 (Pin 20 Stecker F) uber die Leitung mit Sicherung F06 auch an den Luftmengenmesser K041 (Pin 2), an die Gluhkerzensteuerung M015 (Pin 3 Stecker B) und den Sicherheitsschalter am Bremspedal fur Cruise Control I035 (Pin 1) gesendet.Die Gluhkerzensteuerung M015 (Pin 4 und 5 Stecker B) ist an Pin B1 und F1 Stecker C in M010 angeschlossen.Die Motorelektronik M010 erhalt die Signale von den verschiedenen Sensoren und kontrolliert so alle Motorbetriebsparameter.Der Drehzahlsensor K046 (Pin 1 und 2) liefert durch ein Frequenzsignal die Informationen uber die Drehzahl des Motors (Pin J1 und K1 Stecker B in M010).Der Motortemperatursensor K036 (Pin 1 und 2) erhalt eine Bezugsmasse und liefert ein proportionales Signal der Motorflussigkeitstemperatur (Pin E1 und D1 Stecker B in M010).Der Luftdrucksensor K082 (Pin 1, 2, 3) ist mit Pin B2, C4, D4 Stecker B in M010 verbunden.Der Kraftstoffdrucksensor K083 (Pin 1, 2, 3) ist mit Pin F1, G1, H1 Stecker B in M010 verbunden.der Kraftstofftemperatursensor K081 (Pin 1, 2) liefert ein proportionales Signal zur Temperatur (Pin D2 und E2 Stecker B in M010).Das E-Ventil der Drosselklappenstellung L036 (Pin 2) ist an Pin A4 Stecker C in M010 angeschlossen.Der Bezugssensor des Zylinders K170 (Pin 1, 2, 3) ist mit Pin H2, G2, F2 Stecker B in M010 verbunden.Der Luftmengenmesser K041 (Pin 1, 6, 5) ist an Pin J3, G3, H3 Stecker B in M010 angeschlossen.Das Gaspedal K055 (Pin 1, 2, 3, 4) tragt zwei integrierte Potentiometer (ein Haupt- und ein Sicherheitspotentiometer) und ist mit den Pins G3, H3, C2, G2 des Steckers A von M010 verbunden.Der Kupplungspedalschalter I031 (Pin 2) und der Sicherheitsschalter am Bremspedal I035 (Pin 2) sind an den Pins E3 und E4 des Steckers A von M010 angeschlossen.Der Schalter I031 (Pin 1) wird vom Knoten Body Computer M001 (Pin 9 Stecker B) mit Strom versorgt.Der "redundante" Schalter I035 ist Typ "normal geschlossen" (beim Drucken des Pedals offnet der Schalterkontakt): auf diese Weise uberpruft das System die Ubereinstimmung der Information "Pedal gedruckt".Die Steuerung M010 (Pin G1-H2, H4-H3, G4-G3, H1-G2 Stecker C) kontrolliert die Offnung der Einspritzdusen N070 (Pin 1 und 2).Der Kraftstoffdruckregler N077 (Pin 1) hat die Aufgabe, den Kraftstoffdruckwert im RAIL konstant zu halten und ist an Pin L2 Stecker B in M010 angeschlossen.Das AGR-Ventil L030 (Pin 2) kontrolliert die Abgasruckfuhrung und ist an Pin A3 Stecker B in M010 angeschlossen.Das Ladedruckventil L037 (Pin 2) kontrolliert des Ausgangsdruck am Turbolader und ist an Pin B4 Stecker C in M010 angeschlossen.Das E-Steuerventil der Variablen geometrie der Ansaugung L015 (Pin 2) regelt die Ansaugleitungen fur Luft und ist an Pin B4 Stecker B in M010 angeschlossen.Die Steuerung M010 ist (Pin A3 und A4 Stecker A) uber CAN am Knoten Body Computer M001 (Pin 8 und 10 Stecker D), an der Instrumententafel E050 (Pin 6 und 12), der Steuerung der Kontrolleuchten und Hodometer M140 (Pin 2 und 5) und am Verteiler im Motorraum B001 (Pin 11 und 12 Stecker F) angeschlossen.Das Auslesen der Eigendiagnosedaten der Elektronik M010 (Pin B4 Stecker A) erfolgt durch Anschluss an Stecker R010 (Pin 7).Die Steuerung M010 (Pin F2, H2, F4 Stecker A) ist mit der Klimaanlage verbunden: auf diese Weise wird das Ein- und Ausschalten des Klimakompressors bei niedriger Motordrehzahl geregelt.- an Pin B2, C4, D4 Stecker A, das Motorkuhlsystem;- an Pin H2, E3, D3, F3, M3, B3, A4 Stecker B das FAP-System;- an Pin K3, F4, E4, H4 Stecker B, das Cruise Control-System;
| Bauteil-Nr. | Bezeichnung | Bezug zur Baugruppe |
| A001 | BATTERIE | - |
| A040 | GLUHKERZEN | |
| B001 | VERTEILER IM MOTORRAUM | |
| B6 | GROSS-SICHERUNGSKASTEN 2 | |
| C010 | MASSE VORNE LINKS | - |
| C011 | MASSE VORNE RECHTS | - |
| C020 | MASSE ARMATURENBRETT BEIFAHRERSEITE | - |
| C040 | MASSE AM MOTOR | - |
| D001 | VERBINDUNG VORNE/ARMATURENBRETT | - |
| D004 | VERBINDUNG VORNE / MOTOR | - |
| D213 | VERBINDUNG KRAFTSTOFFBEHALTER | - |
| E050 | INSTRUMENTENTAFEL | |
| H001 | Zundschloss | |
| I031 | KUPPLUNGSPEDALSCHALTER | - |
| I035 | Sicherheitsschalter am Bremspedal fur Cruise-Control | - |
| K036 | TEMPERATURGEBER/SENSOR MOTORKUHLFLUSSIGKEIT | |
| K041 | LUFTMENGENMESSER | |
| K046 | DREHZAHLSENSOR | |
| K055 | GASPEDALPOTENTIOMETER | - |
| K081 | SENSOR FUR KRAFTSTOFFTEMPERATUR | |
| K082 | LADEDRUCKSENSOR | - |
| K083 | SENSOR KRAFTSTOFFDRUCK | |
| K170 | REFERENZSENSOR ZYLINDER | |
| L015 | Elektroventil fur veranderliche Geometrie | - |
| L030 | AGR-VENTIL | |
| L036 | E-VENTIL VERANDERLICHE TURBINENGEOMETRIE | |
| L037 | WASTE-GATE-E-VENTIL | - |
| M001 | BODY COMPUTER | |
| M010 | MOTORELEKTRONIK | |
| M015 | GLUHUBERWACHER | - |
| M140 | ELEKTRONIK KONTROLLLEUCHTEN UND KILOMETERZAHLER (NSO) | - |
| N040 | ELEKTROKRAFTSTOFFPUMPE UND KRAFTSTOFFSTANDGEBER | |
| N070 | E-EINSPRITZDUSEN | |
| N077 | KRAFTSTOFFDRUCKREGLER | |
| O020 | Widerstand Dieselkraftstoffheizung | - |
| R010 | MEHRFACHDIAGNOSEVERBINDUNG | - |

































