AUTOMOTIVE ELECTRICIANS

Fiat 500 1.4 16v – FEUX DE ROUTE – – SCHEMA ELECTRIQUE, LOCALISATION COMPOSANTS, DESCRIPTION DU FONCTIONNEMENT – SCHEMA ELECTRIQUE, LOCALISATION COMPOSANTS, DESCRIPTION DU FONCTIONNEMENT

Fiat 500 1.4 16v   –  FEUX DE ROUTE  –  – SCHEMA ELECTRIQUE, LOCALISATION COMPOSANTS, DESCRIPTION DU FONCTIONNEMENT – SCHEMA ELECTRIQUE, LOCALISATION COMPOSANTS, DESCRIPTION DU FONCTIONNEMENT

SCHEMA ELECTRIQUE - FEUX DE ROUTE - Fiat 500 1.4 16v





COMPOSANTS - FEUX DE ROUTE - Fiat 500 1.4 16v



Code composantsDesignationReference a l''operation
A001 BATTERIE
B001 CENTRALE DE DERIVATION
C010MASSE AVG-
C015MASSE TABLEAU DE BORD COTE CONDUCTEUR-
E050 COMBINE DE BORD
F069PROJECTEUR SUPPLEMENTAIRE G
F070PROJECTEUR SUPPLEMENTAIRE D
H001 CONTACTEUR A 'CLE
H005 COMMODO
M001 ORDINATEUR DE BORD

DESCRIPTION - FEUX DE ROUTE - Fiat 500 1.4 16v


Le vehicule est equipe de deux feux de route, situes dans les groupes de feux "supplementaires", qui comprennent egalement les feux de jour (diurne - D.R.L.) et les feux de position.Les feux de route sont enclenches en agissant sur le levier G du commodo :feux de croisement allumes, en poussant le levier vers le tableau de bord (mode stable);en mode "appel de phares", en tirant le levier vers le volant (mode instable).La fonction de commande des feux de route est activee grace aux signaux d''autorisation, avec cle de contact inseree et tournee sur la position MAR, et par la commande du commodo.L''enclenchement des feux de route est gere par l''ordinateur de bord.Un relais specifique, situe dans la centrale de derivation du compartiment moteur, pilote l''enclenchement des feux de route via deux lignes protegees par un fusible specifique.L''information d''activation / desactivation est envoyee via le reseau CAN : ainsi le temoin "feux de route" s''allume sur le combine de bord.Lors de la phase de demarrage (INT/A), si les feux de route sont deja actives, ceux-ci seront simultanement desactives. Lors du prochain retour de la cle de contact en position MAR, les feux seront de nouveau actives.

DESCRIPTION FONCTIONNELLE - FEUX DE ROUTE - Fiat 500 1.4 16v


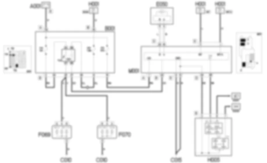
L''ordinateur de bord M001 est alimente directement par la batterie (broche 1 du connecteur A); cette alimentation est protegee par le fusible F01 de la centrale de derivation du compartiment moteur B001 (broche 18 du connecteur B); il recoit egalement une alimentation sous cle (INT) a la broche 11 du connecteur E.L''ordinateur de bord M001 est egalement raccorde a la masse de la planche de bord cote conducteur C015, via les broches 9 et 10 du connecteur E.La commande d''activation des feux de route, par l''intermediaire du levier G du commodo H005, recoit une masse de reference a la broche 2 du connecteur B du commodo.L''ordinateur de bord M001 (broche 36 du connecteur D) recoit la commande d''activation des feux de route du commodo H005 (broche 5 du connecteur B).L''ordinateur de bord M001 (broche 22 du connecteur B) commande l''activation des feux de route, en envoyant un signal de mase a la bobine du relais T02 de la centrale de derivation du compartiment moteur B001 (broche 37 du connecteur B). La bobine de T02 est alimentee par la ligne sous cle (15/54), protegee par le fusible F87 de la centrale B001.Ce signal de masse excite le relais T02 : celui-ci alimente les feux de route des projecteurs supplementaires gauche F069 et droit F070 (broche 4), via la ligne protegee par le fusible F14 de la centrale B001 (broche 15 du connecteur B).Les projecteurs supplementaires F069 et F070 sont relies a la masse AVG C010.A la broche 1 du connecteur E, l''ordinateur de bord M001 recoit l''alimentation sous cle (INT/A), qui desactive les circuits des feux de route, en phase de demarrage.Par l''intermediaire de la ligne B-CAN, l''ordinateur de bord M001 se connecte, via les broches 18 et 20 du connecteur D, au combine de bord E050 (broches 5 et 6), pour gerer le temoin "feux de route".

EMPLACEMENT DES COMPOSANTS - FEUX DE ROUTE - Fiat 500 1.4 16v





Code composantsDesignationReference a l''operation
A001 BATTERIE
B001 CENTRALE DE DERIVATION
C010MASSE AVG-
C015MASSE TABLEAU DE BORD COTE CONDUCTEUR-
E050 COMBINE DE BORD
F069PROJECTEUR SUPPLEMENTAIRE G
F070PROJECTEUR SUPPLEMENTAIRE D
H001 CONTACTEUR A 'CLE
H005 COMMODO
M001 ORDINATEUR DE BORD

BATTERIE



A001A



A001A



A001B



A001B



A001C



A001D



A001D



A001E



CENTRALE DE DERIVATION



B001A



B001B



B001B



B001B



B001B



B001B



B001B



B001B



B001B



B001B



MASSE AVG



C010



C010



C010



MASSE TABLEAU DE BORD COTE CONDUCTEUR



C015



COMBINE DE BORD



E050



PROJECTEUR SUPPLEMENTAIRE G



F069



PROJECTEUR SUPPLEMENTAIRE D



F070



CONTACTEUR A 'CLE



H001A



H001A



H001B



COMMODO



H005A



H005B



ORDINATEUR DE BORD



M001A



M001B



M001B



M001B



M001B



M001B



M001B



M001B



M001B



M001B



M001B



M001C



M001C



M001C



M001C



M001C



M001C



M001C



M001C



M001C



M001D



M001D



M001E



M001E



M001E



M001F



M001F



M001F


Can't find your car? Check -> DiagnostData.com!