SCHEMA ELETTRICO - RISCALDATORE ADDIZIONALE - Fiat BRAVO 1.9 JTD 16v
COMPONENTI - RISCALDATORE ADDIZIONALE - Fiat BRAVO 1.9 JTD 16v
| Codice componenti | Denominazione | Riferimento all’operazione |
| B001 | CENTRALINA DI DERIVAZIONE | |
| B002 | CENTRALINA DI DERIVAZIONE SOTTO PLANCIA | |
| B098 | SCATOLA PORTAFUSIBILI SUPPLEMENTARE | - |
| B099 | SCATOLA MAXI FUSE SU BATTERIA | - |
| C010 | MASSA ANTERIORE SINISTRA | - |
| C016 | MASSA GRUPPO CONDIZIONATORE | - |
| C038 | MASSA SU TUNNEL CENTRALE | - |
| D008 | GIUNZIONE ANTERIORE/CONDIZIONATORE - RISCALDATORE | - |
| H001 | COMMUTATORE DI ACCENSIONE | |
| I095 | INTERRUTTORE DI SICUREZZA RISCALDATORE ADDIZIONALE | - |
| J036 | TELERUTTORE RISCALDATORE ADDIZIONALE -1 | - |
| J037 | TELERUTTORE RISCALDATORE ADDIZIONALE -2 | - |
| M001 | BODY COMPUTER | |
| M075 | CENTRALINA RISCALDATORE ADDIZIONALE | . |
| N085 | ELETTROVENTILATORE ARIA ABITACOLO | |
| O025 | RESISTENZA RISCALDATORE ADDIZIONALE | - |
LOCALIZZAZIONE COMPONENTI - RISCALDATORE ADDIZIONALE - Fiat BRAVO 1.9 JTD 16v
| Codice componenti | Denominazione | Riferimento all’operazione |
| B001 | CENTRALINA DI DERIVAZIONE | |
| B002 | CENTRALINA DI DERIVAZIONE SOTTO PLANCIA | |
| B098 | SCATOLA PORTAFUSIBILI SUPPLEMENTARE | - |
| B099 | SCATOLA MAXI FUSE SU BATTERIA | - |
| C010 | MASSA ANTERIORE SINISTRA | - |
| C016 | MASSA GRUPPO CONDIZIONATORE | - |
| C038 | MASSA SU TUNNEL CENTRALE | - |
| D008 | GIUNZIONE ANTERIORE/CONDIZIONATORE - RISCALDATORE | - |
| H001 | COMMUTATORE DI ACCENSIONE | |
| I095 | INTERRUTTORE DI SICUREZZA RISCALDATORE ADDIZIONALE | - |
| J036 | TELERUTTORE RISCALDATORE ADDIZIONALE -1 | - |
| J037 | TELERUTTORE RISCALDATORE ADDIZIONALE -2 | - |
| M001 | BODY COMPUTER | |
| M075 | CENTRALINA RISCALDATORE ADDIZIONALE | . |
| N085 | ELETTROVENTILATORE ARIA ABITACOLO | |
| O025 | RESISTENZA RISCALDATORE ADDIZIONALE | - |
DESCRIZIONE - RISCALDATORE ADDIZIONALE - Fiat BRAVO 1.9 JTD 16v
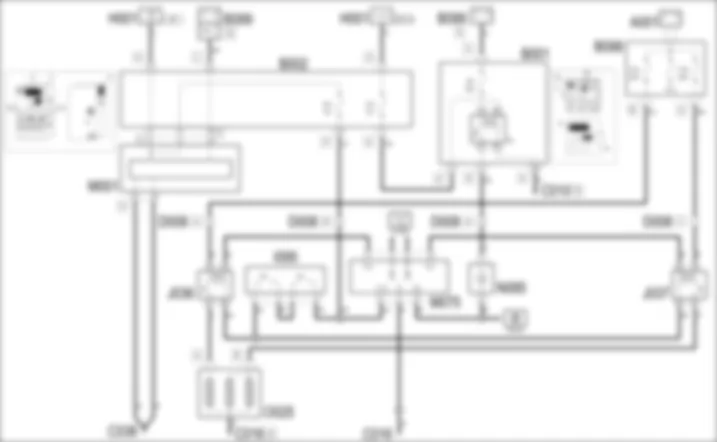
La climatizzazione della vettura attraverso il gruppo riscaldatore risulta insufficiente a motore freddo.Come optional viene allora offerto un sistema aggiuntivo di riscaldamento che viene attivato nei primi istanti di funzionamento del motore, in base alla temperatura raggiunta dal fluido refrigerante del motore.L''impianto consiste in un dispositivo di riscaldamento addizionale, posto all''interno del gruppo riscaldatore: in questo dispositivo sono collocate due resistenze (PTC1 da 250W e PTC2 da 500 W).Il funzionamento delle resistenze e controllato da una apposita centralina che ne pilota una sola oppure due, fornendo cosi un riscaldamento progressivo - con una potenza massima di 750 W - secondo una logica di controllo che dipende:- della temperatura esterna (inferiore a 20°C)- della temperatura raggiunta dal fluido refrigerante del motore (circa 70°C)- dal numero di giri del motore (che deve essere superiore a 700 giri/min);- dalla tensione di batteria (che non deve scendere sotto i 12.6 V).Per maggiori dettagliL''alimentazione di una, due o tre resistenze viene pilotata per mezzo due teleruttori collocati sul gruppo riscaldatore stesso:- 1. Livello: attivato dal primo teleruttore (250W);- 2. Livello: attivato dal secondo teleruttore (500W);- 3. Livello: attivato da entrambi i teleruttori (750W)Tale alimentazione viene interrotta nel caso di sovratemperature, attraverso un apposito interruttore di sicurezza.La linea d''alimentazione e protetta da due maxifuse "MIDI" collocati in una apposita scatola portafusibili supplementare, posta a fianco della batteria.
DESCRIZIONE FUNZIONALE - RISCALDATORE ADDIZIONALE - Fiat BRAVO 1.9 JTD 16v
Il teleruttore J36 controlla il circuito d''inserimento della prima resistenza del riscaldatore supplementare O25A; l''alimentazione del teleruttore giunge dalla linea del fusibile F74 della scatola portafusibili supplementare B98.Il teleruttore J37 controlla il circuito d''inserimento dell''altra resistenza del riscaldatore supplementare O25B; l''alimentazione del teleruttore giunge dalla linea del fusibile F76 della scatola portafusibili supplementare B98.Le bobine dei teleruttori J36 e J37 sono alimentate sottochiave (INT) dalla linea del fusibile F51 della centralina sottoplancia B2. Tale alimentazione viene interrotta nel caso di sovratemperature, attraverso l''''interruttore di sicurezza I95.La bobina del teleruttore J36 viene eccitata da un segnale per l''inserimento della prima resistenza di O25A - dal pin 5 della centralina riscaldatore supplementare M75.La bobina del teleruttore J37 viene eccitata da un segnale per l''inserimento della seconda resistenza di O25B - dal pin 8 della centralina riscaldatore supplementare M75.La centralina M75 e alimentata - al pin 4 - della linea sottochiave (INT) del fusibile F51 della centralina sottoplancia B2. Tale alimentazione viene interrotta nel caso di sovratemperature, attraverso l’interruttore di sicurezza I95.Il pin 2 di M75 e a massa.La centralina del riscaltdatore supplemetare M75 si collega – dai pin 3 e 6 - tramite la linea CAN, al Body Computer M1 e agli altri nodi della rete.Il Body Computer M1 e alimentato direttamente dalla batteria dalla linea protetta dal maxifuse d B99 al pin 18 del connettore F di interfaccia con la centralina sottoplancia B2; la alimentazione sotto chiave (INT) giunge al pin 9 del connettore F di interfaccia con la centralina B2.A riscaldatore inserito, dal pin 9 di M75 viene comandato l’elttroventilatore N85.L’elettroventilatore N85 e alimentato dalla linea protetta dal fusibile F8 e dal teleruttore T8 della centralina vano motore B1: si tratta di una linea sotto chiave (INT/A) del fusibile F31 della centralina sottoplancia B2.


































